基于深度学习SDAE-BP的暂降类型识别方法*
Method of Sag Type Recognition Based on Deep Learning SDAE-BP
收稿日期: 2021-09-11 修回日期: 2022-02-20
| 基金资助: |
|
Received: 2021-09-11 Revised: 2022-02-20
作者简介 About authors
张金娈,女,1989年生,硕士,工程师。主要研究方向为电能质量监测与分析。E-mail:
邓祖强,男,1974年生,硕士,高级工程师。主要研究方向为电能质量监测与分析。E-mail:
张鑫,男,1985年生,硕士,工程师。主要研究方向为电能质量监测与分析。E-mail:
不同短路故障引起的暂降类型不同,对用户造成的影响也不相同,准确地识别暂降类型可针对实际的电压暂降情况进行分析、补偿和抑制,对于电压暂降的治理具有重要的意义,同时还可作为电力供应部门和用户之间协调纠纷的依据。考虑到实际系统发生短路故障时可能存在相位跳变,在原有文献短路故障引起的暂降分类基础上,推导了系统阻抗与线路阻抗的阻抗角不相等情况下短路故障引起的电压暂降类型的表达式并分析了其特征;为准确识别电压暂降类型,并避免人为特征提取过程中信息丢失的问题,提出了一种基于堆栈降噪自编码器-神经网络(Stacked denoised autoencoder-back propagation,SDAE-BP)的暂降类型识别方法,在输入信号中加入一定概率的噪声,再通过构建多层降噪自编码网络(Stacked denoised autoencoder,SDAE)逐层训练,以最小的误差实现信号的特征提取,并采用BP(Back propagation,BP)神经网络对暂降类型进行识别,通过Matlab仿真验证了上述传播特性及电压暂降类型识别方法的正确性。
关键词:
The types of sags caused by different short-circuit faults are different, and the impact on users is different. Accurately identifying the types of sags can analyze, compensate and suppress the actual voltage sags, which is of great significance to the management of voltage sags. At the same time, it can also be used as a basis for the coordination of disputes between power supply departments and users. Considering that there may be a phase jump when a short-circuit fault occurs in the actual system, based on the classification of the sag caused by the short-circuit fault in the original literature, the type of the voltage sag caused by the short-circuit fault is derived when the impedance angle of the system impedance and the line impedance are not equal. The expression and its characteristics are analyzed. In order to accurately identify the type of voltage sag and avoid the problem of information loss in the process of artificial feature extraction, a sag type recognition method based on stacked denoised autoencoder-back propagation(SDAE-BP) is proposed. A certain probability of noise is added to the input signal, and then a multi-layer noise reduction self-encoding network is trained layer by layer by constructing to achieve signal feature extraction with the smallest error, and BP neural network is used to identify the type of sag. The correctness of the above-mentioned propagation characteristics and voltage sag type identification method is verified by Matlab simulation.
Keywords:
本文引用格式
张金娈, 邓祖强, 张鑫, 王亮.
ZHANG Jinluan, DENG Zuqiang, ZHANG Xin, WANG Liang.
1 引言
本文首先根据文献[9]方法以4类基础电压暂降类型(A、B、C、E)为例进行分类识别,将小波熵作为特征输入概率神经网络,无噪声时分类正确率为92.5%;加入信噪比为50 dB的噪声时,几种暂降类型的小波熵区别已经不大,选用小波熵作为信号的提取特征已不能正确分辨暂降类型。因此,本文使用深度学习中的堆栈降噪自编码器(Stacked denoised autoencoder,SDAE)自动提取信号特征,以解决人为提取特征受未知特征和噪声影响的问题,在输入信号中加入一定概率的噪声,通过构建多层降噪自编码网络逐层训练,以最小的误差实现信号的特征提取,并采用BP神经网络对暂降类型进行识别,最终实现正确分类,最后通过仿真对上述传播特性及电压暂降类型识别方法进行了验证。
2 电压暂降类型及特征分析
图1
3 基于SDAE-BP的暂降类型识别
3.1 基于小波熵和概率神经网络的暂降类型识别方法
表2 4类暂降的小波熵
| 故障类型 | 相别 | 无噪声 | 加入50 dB噪声 | ||||||||
|---|---|---|---|---|---|---|---|---|---|---|---|
| WEE | WCE1 | WCE2 | WCE3 | WCE4 | WEE | WCE1 | WCE2 | WCE3 | WCE4 | ||
| A | A | 0.135 2 | 0.505 4 | 0.291 9 | 0.177 1 | 0.313 4 | 0.164 8 | 0.808 6 | 0.849 1 | 0.349 1 | 0.361 7 |
| B | 0.143 3 | 0.151 1 | 0.046 5 | 0.088 9 | 0.063 2 | 0.146 3 | 0.292 6 | 0.089 9 | 0.095 1 | 0.076 1 | |
| C | 0.146 1 | 0.171 3 | 0.050 1 | 0.088 5 | 0.066 0 | 0.147 2 | 0.306 4 | 0.095 6 | 0.094 5 | 0.074 6 | |
| B | A | 0.135 4 | 0.506 0 | 0.291 4 | 0.176 4 | 0.313 1 | 0.170 0 | 0.886 4 | 0.857 5 | 0.449 1 | 0.370 2 |
| B | 0.072 2 | 0.215 3 | 0.226 5 | 0.160 7 | 0.236 1 | 0.170 7 | 0.999 7 | 0.901 5 | 0.717 7 | 0.476 0 | |
| C | 0.070 1 | 0.215 3 | 0.226 2 | 0.148 5 | 0.237 9 | 0.171 4 | 0.995 2 | 0.894 5 | 0.639 8 | 0.442 0 | |
| C | A | 0.071 2 | 0.215 6 | 0.226 4 | 0.154 1 | 0.236 2 | 0.183 5 | 0.994 5 | 0.871 9 | 0.432 4 | 0.331 8 |
| B | 0.146 3 | 0.220 9 | 0.048 0 | 0.087 6 | 0.068 9 | 0.149 3 | 0.378 8 | 0.102 9 | 0.094 5 | 0.083 4 | |
| C | 0.146 3 | 0.220 8 | 0.048 0 | 0.088 0 | 0.073 9 | 0.149 3 | 0.378 0 | 0.104 7 | 0.096 7 | 0.091 5 | |
| E | A | 0.071 2 | 0.215 3 | 0.226 4 | 0.154 1 | 0.236 2 | 0.183 8 | 1.000 0 | 0.874 2 | 0.393 6 | 0.319 7 |
| B | 0.143 3 | 0.151 2 | 0.046 5 | 0.088 9 | 0.063 1 | 0.147 1 | 0.318 3 | 0.101 3 | 0.095 2 | 0.081 9 | |
| C | 0.146 1 | 0.171 4 | 0.050 1 | 0.088 5 | 0.066 0 | 0.149 6 | 0.337 4 | 0.104 5 | 0.096 5 | 0.076 6 | |
小波系数熵WCEj计算公式如下
式中,
选取120组样本进行训练,40组样本进行测试,无噪声影响时,测试分类正确率为92.5%。加入50 dB噪声信号后,类型A、C、E的小波熵非常接近,用概率神经网络进行分类,这三种类型的暂降全部被识别为类型A,此时用小波熵作为信号的提取特征已不能准确区分这4类暂降。因此,本文使用深度学习中的SDAE算法自动提取信号特征,以解决人为提取特征受未知特征和噪声影响的问题。
3.2 SDAE-BP模型
图2
图3为本文基于SDAE-BP神经网络的训练流程图。SDAE-BP训练流程如下。
图3
(1) 给定输入样本
(2) 根据式(2)进行编码得到第一层特征
式中,W1为连接输入层和隐藏层的权值矩阵;b1为编码过程中神经元的偏置;传递函数
(3) 根据式(3)从h1解码得到输入数据的重构输出
式中,
(4) 通过优化代价函数式(4)完成第一层DAE的训练。
式中,
(5) 添加输入样本数据的类别标签信息,利用BP神经网络实现暂降类型的有效识别,对SDAE训练过程中得到的各层参数采用梯度下降法进行调整,使网络结构各个参数更加接近全局最优解,从而提升模型的分类能力。
3.3 基于SDAE-BP深度神经网络的暂降类型识别
图4
(1) 以一个周期的采样点为窗口计算三相电压有效值和相位,得到三相电压有效值和相位波形。
(2) 提取发生短路故障时间段的数据,对幅值和相位数据进行重采样以降低数据维度。
(3) 按照ABC电压、相位的顺序组成并集数列并进行数据归一化,作为SDAE网络的原始输入。
(4) 批量输入电压暂降数据训练样本进行SDAE训练。
(5) 输入电压暂降类型标签,利用BP神经网络对训练样本进行分类训练。
(6) 输入测试样本进行电压暂降类型识别。
本文对计算得到的幅值和相位数据进行重新采样,只要保证采样数据中包含关键转折点即可复现波形轮廓,无需较高的采样率,秉持用尽可能少的输入数据还原幅值和相位波形特征的原则选取采样次数。
4 仿真分析
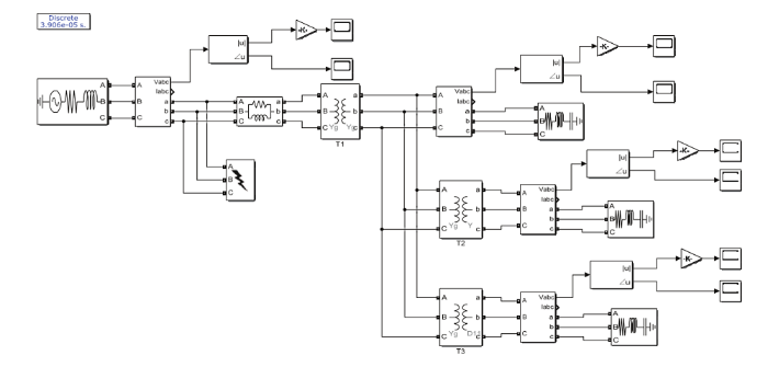
为了验证所提电压暂降类型识别算法的正确性,利用Matlab进行了仿真分析,图5为搭建的短路故障仿真模型,中性点有效接地系统,1型变压器T1变比为110 kV/10.5 kV,2型变压器T2、3型变压器T3变比为10 kV/0.4 kV。采样频率设定为25.6 kHz,采样点为每周波512点,基频频率取工频50 Hz,对原副边电压进行FFT分析得到三相电压的幅值和相位。
图5
4.1 电压暂降仿真分析
设置A相接地故障,此时为B型暂降,即一相电压幅值降低且可能发生相位跳变,另外两相电压幅值和相位保持不变;B型暂降经过1型变压器T1后原副边电压标幺值和相位图见图6a,暂降类型不变;B型暂降经过2型变压器T2后副边电压标幺值和相位图见图6b,变压器副边电压暂降类型变为D型,即三相电压方均根值减小且三相相位都可能发生跳变;B型暂降经过3型变压器后副边电压标幺值和相位图见图6c,由文献[4]中3型变压器的传递矩阵可得,经3型变压器后电压相位移+30°。变压器副边暂降类型变为C型,即一相电压保持不变,另外两相电压方均根值减小且相位跳变方向相反。仿真结果表明B型电压暂降经变压器的传播规律与表1分析的结论一致。其他类型的仿真结果不再一一列出。
图6
4.2 基于SDAE-BP的电压暂降类型识别仿真
改变短路故障类型、故障持续时间以及系统和线路的电抗电阻比值,得到7 000组电压暂降类型训练数据(每种类型1 000组),1 600组测试数据(A类50组,B类650组,C类300组,D类200组,E类200组,F类100组,G类100组)。
本文SDAE-BP模型包括1个输入层,2个隐藏层和1个一层的BP神经网络。该SDAE模型具有2个DAE网络,每个DAE网络和BP神经网络均使用Sigmoid函数作为激活函数。SDAE-BP网络的训练迭代曲线见图7,根据训练结果,各层节点数分别选取384、200、50、40、7;SDAE和BP训练迭代次数分别为120和200,学习率为1,动量参数为0.5,数据批次大小为100。
图7
SDAE模型中最后一层隐藏层的数据作为最终输入BP网络的特征向量,这50个数值可以反映输入数据的本质特质,无实际意义。为方便观察SDAE自动提取特征的情况,使用主成分分析(PCA)算法将提取的特征向量投影至二维平面进行观察,无噪声、加入30 dB噪声和加入50 dB噪声特征向量的二维投影如图8所示。7类电压暂降特征向量的投影除了E型暂降和G型暂降之间有个别特征距离较近,其余类型特征相量的投影界线分明,可以看出,7类特征数据在有无噪声时都有较明显的区分。
图8
基于SDAE-BP的电压暂降类型识别方法正确率见表3,本文识别方法对无噪声处理的电压暂降类型平均识别率为99.4%;加入50 dB噪声后,电压暂降类型平均识别率为99.2%;加入40 dB噪声后,电压暂降类型平均识别率为99.0%;加入30 dB噪声后,电压暂降类型平均识别率为98.6%。虽然加入噪声后,识别准确率比无噪声时略有降低,但准确率也较高,仿真结果表明该模型在不同等级的噪声中也可以保持较好的识别准确率。
表3 基于SDAE-BP的电压暂降类型识别方法正确率
| 暂降 类型 | 测试样本数量 | 识别准确率(%) | |||
|---|---|---|---|---|---|
| 无噪声 | 加入噪声/dB | ||||
| 30 | 40 | 50 | |||
| 类型A | 50 | 100 | 100 | 100 | 100 |
| 类型B | 650 | 100 | 99.5 | 100 | 100 |
| 类型C | 300 | 100 | 99 | 99.6 | 99.6 |
| 类型D | 200 | 99.5 | 98.5 | 99 | 99 |
| 类型E | 200 | 99.5 | 99 | 99.5 | 99.5 |
| 类型F | 100 | 99 | 97 | 98 | 98 |
| 类型G | 100 | 98 | 97 | 97 | 98 |
4.3 与其他方法对比
表4 识别准确率对比
5 结论
本文推导了考虑相位跳变的系统短路故障类型及经过不同种类变压器传播得到的电压暂降类型的表达式并分析了其特征,得到了较为实用的分类结果;提出了基于SDAE-BP的暂降类型识别方法,并通过Matlab仿真验证了上述电压暂降识别方法的可行性,得到如下结论。
(1) 与现有研究方法相比,基于SDAE-BP深度学习的电压暂降类型识别算法准确率有所提升。
(2) 本文搭建的网络模型能自主学习并提取电压暂降信号的特征参数,避免了人为提取特征过程中的信息丢失,其训练生成的模型具有更好的抗噪性能,能够有效地应用于实际的电力系统中。
参考文献
基于暂降类型判断的短路故障类型识别研究
[J].
Research on short-circuit fault type identification based on sag type judgment
[J].
中性点不同接地方式下的电压暂降类型及其在变压器间的传递(一)
[J].
Types of voltage sags and their transmission between transformers with different neutral grounding methods (1)
[J].
中性点不同接地方式下的电压暂降类型及其在变压器间的传递(二)
[J].
Types of voltage sags and their transfer between transformers with different neutral grounding methods (2)
[J].
Calculation of the phase-angle-jump for voltage dips in three-phase systems
[J].DOI:10.1109/TPWRD.2014.2352358 URL [本文引用: 1]
电压暂降特征值统计分析及暂降传播特性
[J].
Statistical analysis of voltage sag eigenvalues and sag propagation characteristics
[J].
电压暂降通过多级变压器的传播规律研究
[J].
Study on the propagation rule of voltage sag through multi-stage transformers
[J].
基于深度学习模型融合的电压暂降源识别方法
[J].
A method for identifying voltage sag sources based on deep learning model fusion
[J].
基于小波熵和概率神经网络的配电网电压暂降源识别方法
[J].
A method for identifying the source of voltage sag in distribution network based on wavelet entropy and probabilistic neural network
[J].
基于 Hilbert-Huang 变换和小波包能量谱的电压暂降源识别
[J].
Identification of voltage sags source based on Hilbert-Huang transform and wavelet packet energy spectrum
[J].
基于多分类支持向量机的电压暂降源识别
[J].
Source identification of voltage sag based on multi-class support vector machine
[J].
基于深度学习的轴承健康因子无监督构建方法
[J].
An unsupervised construction method of bearing health factors based on deep learning
[J].
A novel deep learning method for the classification of power quality disturbances using deep convolutional neural network
[J].
DOI:10.1016/j.apenergy.2018.09.160
[本文引用: 1]
With the integration of multiple energy systems, there are more and more deterioration risks of power quality in different energy production, transformation, delivery and consumption stages. Automatic classification of power quality disturbances is the foundation to deal with power quality problem. From the traditional point of view, the identification process of power quality disturbances should be divided into three independent stages: signal analysis, feature selection and classification. However, there are some inherent defects in signal analysis and the procedure of manual feature selection is tedious and imprecise, leading to a low classification accuracy of multiple disturbances and a poor noise immunity. This paper proposes a novel full closed-loop approach to detect and classify power quality disturbances based on a deep convolutional neural network. Considering the characteristics of power quality disturbances problem, a unit construction which consists of 1-D convolutional, pooling, and batch-normalization layers is designed to capture multi-scale features and reduce overfitting. In the proposed deep convolutional neural network, multiple units are stacked to extract features from massive disturbance samples automatically. Comparisons with other state-of-the-art deep neural networks and traditional methods proves that the proposed method can overcome defects of traditional signal process and artificial feature selection. Considering microgrid is an important development form of multi-energy system and an essential part of smart grid, a typical simulation system is constructed to analyze the causes of power quality problems in microgrid and the field data from a multi-microgrid system are used to further prove the validity of the proposed method.
基于深度置信网络的电压暂降特征提取及源辨识方法
[J].
Voltage sag feature extraction and source identification method based on deep belief network
[J].
Stacked denoising autoencoders:Learning useful representations in a deep network with a local denoising criterion
[J].
Stacked denoising autoencoders:Learning useful representations in a deep network with a local denoising criterion
[J].
基于堆叠自动编码器的电力系统暂态稳定评估
[J].
Power system transient stability assessment based on stacked autoencoders
[J].
电压暂降源识别方法研究
[J].
Research on voltage sag sources recognition method
[J].
结合小波分析和改进型DTW距离的配电网电压暂降源辨识方法
[J].
A method for distribution network voltage sag source identification combining wavelet analysis and modified DTW distance
[J].
/
| 〈 |
|
〉 |

