基于深度学习SDAE-BP的暂降类型识别方法*
张金娈, 邓祖强, 张鑫, 王亮

Method of Sag Type Recognition Based on Deep Learning SDAE-BP
ZHANG Jinluan, DENG Zuqiang, ZHANG Xin, WANG Liang
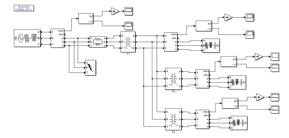
图5 短路故障仿真模型