有触点电器性能退化评估测试系统设计
沈阳工业大学电器新技术与应用研究所 沈阳 110870
Design of Evaluation Test System for Performance Evaluation of Contact Electrical Apparatus
Shenyang University of Technology Shenyang 110870 China
收稿日期: 2017-10-15 网络出版日期: 2018-07-25
基金资助: |
|
Received: 2017-10-15 Online: 2018-07-25
作者简介 About authors

刘树鑫 男 1982年生,博士,讲师,研究方向为电器智能化。

刘子春 男 1993年生,硕士研究生,研究方向为电器智能化。
在开关电器中有触点电器应用十分广泛,其运行状态会直接影响整个电力系统,所以有触点电器性能退化评估意义重大。本文对有触点电器性能退化评估测试系统进行设计,以交流接触器为例搭建的测试系统,采用NI高速数据采集卡,实现8通道同时采集,利用Labview虚拟仪器技术,通过串行通信对下位机进行实时控制,实现自动控制试验过程并对交流接触器通断过程中的线圈电压及电流、触头电压及电流波形进行监测与记录。由采集到的精确波形数据可以提取出反映交流接触器性能退化的特征参量,为后续性能退化评估研究工作奠定了基础。
关键词:
Contact electrical appliances are widely used in the switch electrical appliances, and their operating status will directly affect the operation of the entire power system. So the performance evaluation of contact electrical appliances is significant. This paper investigated a contact electrical performance degradation evaluation test system. Take AC contactor as an example, the use of NI high-speed data acquisition card, which achieves simultaneous acquisition of 8 channels. And Labview virtual instrument technology is used to real-time control of the slave computer through the serial communication, so that monitoring and recording the accurate voltage and current waveform data of the coil and main contact during the test process of AC contactor. The characteristic parameters which reflect the degradation of AC contactor can be extracted from the collected accurate waveform data, which lays a foundation for the further research on performance degradation assessment.
Keywords:
本文引用格式
刘树鑫, 刘子春, 王园园.
Liu Shuxin.
1 引言
随着国民经济和科学技术的蓬勃发展,人们对电能的需求越来越多,建设坚强智能电网成为我国战略发展目标[1]。低压电器智能化的一个突出特点是可在线监测,实现全寿命状态监测、退化状态识别以及剩余寿命预测的功能。交流接触器作为用途十分广泛的有触点电器,被用于频繁地接通和切断主电路和大电流控制电路,其智能化的实现会推动智能电网的发展[2,3]。由于操作比较频繁,交流接触器应有足够长的寿命,其寿命指标有两个:一是机械寿命,是指在不需修理和不更换机械零件的条件下,接触器能够承受的无载操作次数,主要决定于接触器机械结构的强度和牢固程度;二是电寿命,指在规定工作条件下,不需要修理及更换零件时接触器所能承受的带载操作次数,主要取决于触头的接触性能。一般情况下,电寿命远小于机械寿命,是评价交流接触器运行可靠与否的重要指标[4]。由测试系统采集的线圈电压及电流波形、主触头电压及电流波形中隐含着反映交流接触器电磁驱动性能和动力学行为的信息[5],从中可提取出反映电接触性能和时间特性的参数,通过建立合适的数学模型实现对其性能退化状态的评估。
本文基于Labview虚拟仪器技术,通过与单片机通信实现对接触器通断时间及采样时间的精确控制,由NI高速数据采集卡对交流接触器通断过程中线圈及主触头的电压及电流信号进行快速采集与存储。
2 测试系统硬件设计
2.1 硬件电路的总体设计
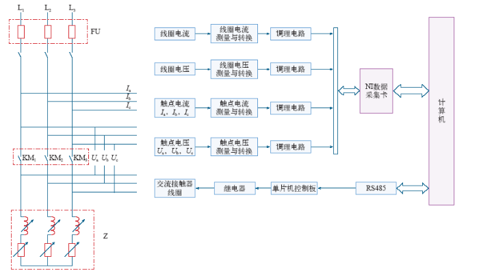
交流接触器性能退化评估测试系统的硬件部分围绕其功能进行设计,主要分为以下几个模块:线圈电压及电流信号采集模块、三相主触点电压及电流信号采集模块、继电器控制电路模块和串行通信模块,该硬件电路原理框图如图1所示。
图1
图中,FU为熔断器;Ia、Ib、Ic为A、B、C相触点电流;Ua、Ub、Uc为A、B、C相触点电压;KM1、KM2、KM3为交流接触器主触点。
本测试系统采用了美国NI公司的X系列USB6356同步数据采集卡。该采集卡是一种多功能数据采集卡,它具有16位分辨率、8路DI、8路DO、24路数字I/O、32位计数器、支持数字和模拟触发等特点。
数据采集卡总共采集8路信号,分别为线圈电压及电流信号、主触头三相电流信号和三相电压信号。为了保证试验数据的高精度和高质量,本试验装置每路采样率设为1M/s,数据采集卡输入范围是-10~10V,而主回路中的电压电流信号都是大电压电流信号,所以,数据采集前需要对采集的信号进行转换,使采集设备的量程范围与实际信号相匹配,同时需要将主回路与计算机测控电路进行隔离,确保试验安全稳定运作。本试验采用的传感器不仅可以保证数据高精度转换,其本身自带光隔离模块,最大程度地保证了数据采集设备的安全性,而且响应灵敏、线性度好,可以满足试验标准中规定的数据精度要求。
2.2 电流信号检测
测量主触头电流选用莱姆公司的LF310-S型号电流传感器,其额定测量电流为300A,最大测量电流为500A,供电电压为±12V。测量线圈电流选用LT58-S7电流传感器,原边额定有效值电流为50A,转换率为1∶1 000。
大电流信号经过电流传感器测量,需要转换为可被处理的电压信号。如图2所示,这个信号先经过调理电路调理,因为测量的电流信号为交流信号,所以要先进行偏置处理,设置的偏置电压Vset为2.5V,从同向端输入,经过运放电路放大,在电流为0时使输出端保持在5V。可使电压始终位于正半轴上,便于采集卡的处理。电路,采用反相差分输入,并具备低通滤波功能,可以减少高频信号的干扰。电路主要应用了一块OP07运算放大器,这款芯片是一种低噪声、非斩波稳零的双极性运算放大器集成电路,适用于对信号的测量。
图2
2.3 电压信号检测
电压传感器采用LEM LV25-400型交流电压传感器,其原边输入额定电压为400V,测量电压范围为0~600V,输入额定电流为10mA,输出额定电流为25mA,供电电压为12V。
测量电压的调理电路如图3所示,电压调理电路应用了一块AD620仪表放大器,设置的放大倍数为两倍,AD620是一种低成本、高精度的仪表放大器,使用方便,仅需一个外部电阻即可设置增益。其放大倍数为1~1 000。电压信号也需要经过一个电压互感器转换为小的电压信号。AD620的偏置电压为5V,也通过连接电容构成低通滤波电路。输入端焊有磁珠专用于抑制信号线、电源线上的高频噪声和尖峰干扰,还具有吸收静电脉冲的能力。
图3
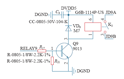
2.4 继电器控制电路设计
继电器控制电路如图4所示,通过控制晶体管的通断来控制继电器线圈,Labview通过串口通信使单片机发出高电平信号使晶体管导通,继而继电器线圈得电,继电器触点闭合,当需要断开继电器时,发出低电平信号,使晶体管截止,继电器线圈失电,通过续流二极管释放线圈的电感能量。
图4
2.5 串行通信电路设计
RS485总线标准是平衡电压数字接口电路的电气性能标准,由美国电气工业协会公布,是为改善RS232标准的电气特性,又参考RS232兼容而制定的。为了保证通信不被干扰,提高通信的稳定性,采用光耦隔离电路进行隔离。
部分电路如图5所示,其中6N137光耦合器是一款用于单通道的高速光耦合器,其内部有一个850nm波长AlGaAs LED和一个集成检测器组成;其检测器由一个光敏二极管、高增益线性运放及一个肖特基钳位的集电极开路的晶体管组成。具有温度、电流和电压补偿功能,高的输入输出隔离,LSTTL/TTL兼容,高速(典型为10MBd),5mA的极小输入电流。单片机通过RS485,再经过RS485转USB线转接器连接到计算机,从而实现上位机与下位机的实时通信功能。
图5
图6
图7
图8
图9
图10
3 测试系统软件设计
3.1 软件程序设计思想及程序控制流程
软件设计的中心思想是,在符合实际应用的同时,满足交流接触器智能化控制的需求。编程时需要注意三点:第一,全面考虑交流接触器工作过程中可能出现的情况并予以解决。第二,认真分析每个软件处理过程中消耗的时间。不同的软件设计方案,程序运行时时间的消耗和硬件动作的精确性也有所不同。第三,合理规划程序的具体流程。Labview运行过程中不同环节占用的CPU也有所不同,合理的程序规划可以使数据采集卡运行更加高效合理。
DSPIC30F6014A单片机的I/O口与固态继电器组成交流接触器线圈驱动电路。线圈电压电流、触头电压电流信号经传感器采集,输出电流信号经采样电阻采样再通过调理电路进入到数据采集卡中。当Labview向单片机发送相应指令,单片机就会通过控制继电器,继而控制线圈回路的通断,从而实现对交流接触器通断的控制。
图11为程序控制流程图,程序运行后,控制NI数据采集卡采集数据,随后通过与单片机通信,接触器线圈回路通电,接触器闭合,延时,控制线圈回路断电,接触器触头分离,延时,停止数据采集及保存显示采集到的电压电流波形。至此,一个完整的数据采集控制程序运行完毕。
图11
3.2 Labview主程序设计
图12
在Labview中,状态机指的是一种具有指定数目状态的概念机,它在某个指定的时刻仅处于一个状态,状态机状态的改变是由输入事件状态的变化引起的。
Labview前面板如图13所示,在程序开始执行前,首先要手动设置好数据采集卡的采集通道、每通道采样率,设置接触器开始闭合的次数及闭合次数、采集卡采样时间及每次接触器通断的等待时间,以及采集后输出电压电流信号数据文件的保存位置等。程序运行后,首先执行初始化程序,对VISA配置端口、DAQmx创建虚拟通道及文件存储路径初始化配置,然后鼠标点击前面板上的开始按钮,数据采集卡开始采集数据,然后线圈回路通电,接触器闭合,一段时间后,线圈断电,接触器触头分离,停止采集数据,数据存储,完成一个周期的信号采集。
图13
在软件的前面板可显示实时波形、采集次数及剩余次数等,并将采集到的所有数据存储在计算机内。之后从上位机内提取采集到的数据用Matlab软件进行分析计算、提取特征参数等工作。系统主程序流程图如图14所示。
图14
3.3 继电器控制程序设计
使用DSPIC30F6014A作为控制单片机,采用RS485串行总线,与继电器控制模块通信,通过控制继电器实现对接触器线圈回路的控制。继电器由一路IO口单独控制。上位机和继电器控制模块之间的通信协议由报文址帧、功能代号帧、长度帧、数据帧和校验帧组成,校验方式为CRC16校验,其中长度帧为数据帧的长度,功能代号帧作为继电器或电机的编号,数据帧中的数据为对继电器的操作。
CRC即循环冗余校验码,是数据通信领域中最常用的一种查错校验码,其特征是信息字段和校验字段的长度可以任意选定,对数据进行多项式计算,并将得到的结果附在帧的后面,接收设备也执行类似的算法,以保证数据传输的正确性和完整性。校验帧有两位,分别为CRC16校验码的高位和低位。由于单片机的计算速度有限,可以在单片机程序中应用查表法进行CRC校验的运算。
在上位机上通过Labview实现CRC16校验会非常复杂,这里采用C语言编程,生成动态链接库后,用Labview进行调用。C语言封装的函数应为可重入函数。图15为CRC16算法子VI。
图15
3.4 继电器下位机程序设计
下位机通过RS485总线接收上位机的命令,并把上位机的帧进行解析,在规定的时间内接收完整的协议报文,并解析出报文地址帧、功能代号帧、长度帧、数据帧和校验帧等内容,经过CRC校验合格后,根据数据帧决定继电器的开断与吸合,从而完成对主电路的通断控制。如果在规定的时间内无法接收到完整的报文,那么将丢弃所有已接收的字节,并准备下一次的接收。
4 系统的测试结果
4.1 线圈的电压电流测试结果
图16
图17
4.2 主触头电压、电流测试结果
交流接触器接通过程主触点电压、电流波形如图18所示。
图18
交流接触器开断过程主触点电压、电流波形如图19所示。
图19
5 结论
(1)设计了有触点电器性能退化评估测试系统硬件电路,实现有触点电器三相主回路及分合闸线圈电压、电流波形采集,并对信号数据自动采集存储技术进行研究,实现每通道采样率最大1.25M/s。
(2)对有触点电器性能退化评估测试系统软件进行设计,采集程序采用状态机结构设计模式,通过与下位机的实时通信,实现自动控制、自动采集和自动存储,由采集到的波形可提取出反映电器性能退化的特征参量。
最后通过实验验证了该测试系统的有效性,为后续性能退化评估的准确性奠定了基础。
参考文献
智能电网为低压电器发展带来新机遇
[J].
DOI:10.1055/a-0999-5476
URL
PMID:31775163
[本文引用: 1]
Central activation ratio (CAR) is a common outcome measure used to quantify gross neuromuscular function of the quadriceps using the superimposed burst technique, yet this outcome measure has not been validated in the gluteal musculature.
Smart grid for the development of low-voltage electrical appliances to bring new opportunities
[J].
DOI:10.1055/a-0999-5476
URL
PMID:31775163
[本文引用: 1]
Central activation ratio (CAR) is a common outcome measure used to quantify gross neuromuscular function of the quadriceps using the superimposed burst technique, yet this outcome measure has not been validated in the gluteal musculature.
交流接触器的现状与发展趋势
[J].
Present situation and development trend of AC contactors
[J].
中外智能电网发展战略
[J].
Development strategy of chinese and foreign smart grid
[J].
Physics-of-failure: an approach to reliable product development
[J].
输变电设备状态在线监测与诊断技术现状和前景
[J].
Status and prospect of on - line monitoring and diagnosis technology for power transmission and transformation equipment
[J].
Reliability of commercial relays during life tests at low electrical contact load
[J].DOI:10.1109/33.142890 URL [本文引用: 1]
/
〈 |
|
〉 |
