有触点电器性能退化评估测试系统设计
刘树鑫,刘子春,王园园

Design of Evaluation Test System for Performance Evaluation of Contact Electrical Apparatus
Liu Shuxin,Liu Zichun,Wang Yuanyuan
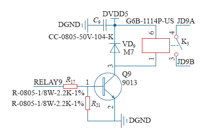
图4 继电器控制电路
Fig.4 Relay control circuit