有触点电器性能退化评估测试系统设计
刘树鑫,刘子春,王园园

Design of Evaluation Test System for Performance Evaluation of Contact Electrical Apparatus
Liu Shuxin,Liu Zichun,Wang Yuanyuan
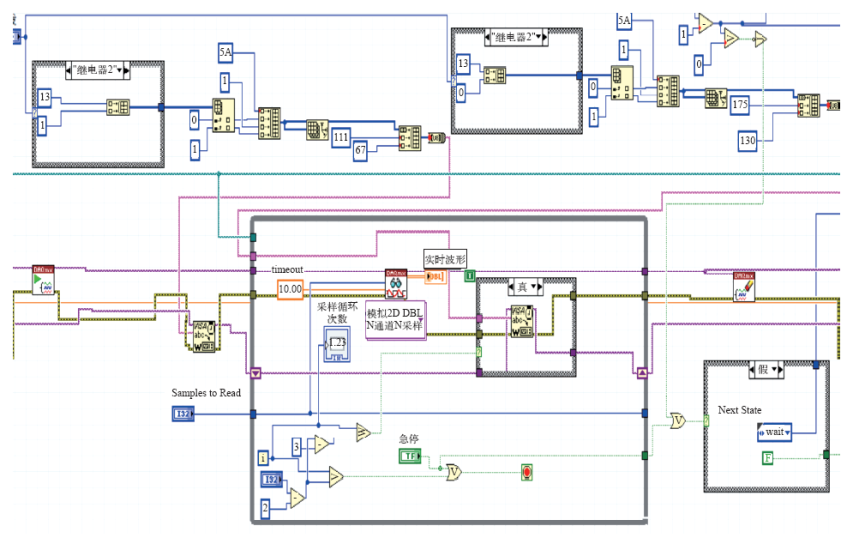
图12 Labview 程序框图
Fig.12 Block diagram of Labview