一种基于开绕组永磁电机的故障容错型发电机系统
南京航空航天大学自动化学院电气工程系 211106 南京
A Novel Fault Tolerant Generation System Based on the Open-Winding PM Machine
Nanjing University of Aeronautics and Astronautics Nanjing 211106 China
收稿日期: 2015-03-24 网络出版日期: 2016-01-25
基金资助: |
|
Received: 2015-03-24 Online: 2016-01-25
作者简介 About authors

魏佳丹 男 1981年生,博士,副教授,研究方向为新能源发电技术。

何 健 男 1989年生,硕士研究生,研究方向为新能源发电控制技术。
针对永磁电机应用于发电系统中所存在的适用转速范围较窄和容错运行可靠性不高的问题,提出了一种基于逆变器–整流器的绕组开路型永磁发电系统。分析了其系统拓扑结构和工作原理,阐述了其发电运行控制策略,并重点分析了电机侧的各种故障状态,提出了相应的故障容错运行控制方法,利用Matlab软件搭建了系统的仿真模型并进行了仿真研究,仿真结果表明,系统在各种故障状态下都能维持一定的发电功率运行,验证了所提出的故障容错运行控制策略的有效性。
关键词:
Due to the narrow speed range and the poor reliability of fault tolerant for the PMSM applied in generation system, this paper presented a novel open-winding PM generation system based on the inverter-rectifier, the topology and operation principle were analyzed and the control method of proposed system is proposed. Then, the fault tolerant control strategy was given based on the detail analysis of the various fault states and the simulation models were built based by the software of Matlab. The simulation results verify the feasibility of maintain output characteristics under fault conditions and the validity of the proposed control method.
Keywords:
本文引用格式
魏佳丹, 何健, 郑青青.
Wei Jiadan.
1 引言
由于永磁电机具有功率密度大和效率高等优点,在风力发电、分布式发电和车载电气等应用场合都获得了大量的应用,随着电机控制、电力电子和数字控制技术的发展,永磁电机具有很好的应用前景[1]。但当其作发电运行时,永磁体的存在使气隙磁场调节困难,转速范围较窄,并且故障容错运行可靠性不高,采用弱磁控制的方法本身所能扩展的转速范围有限,并且会增加逆变器容量和系统成本,存在使永磁体退磁的危险。
针对上述问题,本文提出了一种基于逆变器–整流器的绕组开路型永磁发电系统结构。1989年日本学者Isao Takahashi首次提出了绕组开路型异步电机的概念,电机两端连接两套逆变器,通过双逆变器的协调控制提高电机的转矩响应速度和频带范围[10]。由此绕组开路型电机连接方式获得了人们的认可,一直以来,相关研究主要是针对大功率异步电机驱动应用场合[11,12,13,14,15],而在绕组开路型永磁电机的研究方面,2007年韩国学者Seung-Ki Sul提出了逆变器–电机–逆变器的系统结构,研究其提高电机出力转矩的永磁电机弱磁控制方法[16]。在2008年的时候提出逆变器–电机–电网的系统结构,利用绕组开路型永磁电机实现新能源发电的直接并网,并主要研究了同步发电工作状态的功率流解耦控制策略,首次研究了绕组开路型永磁电机的发电工作原理,但并网时电机转速严格限定,没有对其宽转速范围的发电调压进行研究[17]。2010年,威斯康辛大学Lipo教授则提出了电机–级联半控桥的系统结构,利用发电功率双向流出的特点降低开关器件的功率等级,但其没有对系统结构进行深入研究,尤其对系统的故障容错运行状态没有进行详细的分析[18]。
因此,本文针对绕组开路型永磁发电机的概念,提出了一种基于逆变器–整流器结构的发电系统拓扑,在分析系统拓扑结构工作原理和发电控制策略的基础上,重点研究了电机侧的各种故障状态,提出相应的控制方案,最后通过仿真验证了这些控制方案的可行性。
2 系统结构和工作原理
2.1 系统结构
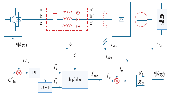
基于逆变器–整流器的绕组开路型永磁发电系统结构如图1所示,主要由绕组开路型永磁发电机、逆变器、整流器、滤波电容、负载、驱动电路、控制器和相关的电压电流检测电路所组成,电机的左侧与逆变器连接,右侧与整流桥进行连接,逆变器和整流桥的直流母线并联形成逆变器–整流器结构,滤波电容和负载接在并联直流母线之间,控制器采集发电机的转子位置信号、三相电流信号和直流母线电压信号,经过相关的控制算法处理后,给出逆变器的控制信号,以实现宽转速范围内的发电调压控制和故障容错运行时的控制。
图1
图1
基于逆变器–整流器的绕组开路永磁发电系统结构
Fig.1
Configuration of open-winding PMSG system based on the inverter-rectifier
2.2 绕组开路型永磁电机
由于永磁电机的中性点打开,并且系统结构中存在零序电流通路,所以在进行系统工作原理分析和仿真建模时必须考虑其零序分量,采用dq0坐标系下的永磁电机电压方程为
式中,ud、uq、u0为电机绕组端电压的d轴、q轴和零序分量;R为每相绕组的内阻;id、iq、i0为电机绕组电流的d轴、q轴和零序分量;p为微分算子;ω为旋转电角速度;Ψd、Ψq、Ψ0为电机磁链的d轴、q轴和零序分量,磁链方程的表达式为
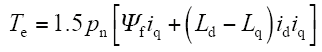
式中,Ld、Lq、L0为永磁电机的d轴、q轴和零序电感;Ψf为永磁体磁链。而电机的转矩方程和输入功率的方程则为
式中,Te为电机的电磁转矩;pn则为电机的极对数;P为外部电路输入到电机内部的电功率。
2.3 发电控制策略
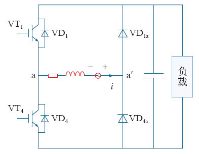
系统的单相绕组等效结构如图2所示。绕组左侧与逆变器全控桥臂相连,右侧与整流桥不控桥臂相连,绕组通过这两个桥臂进行整流发电输出。常规星形联结的永磁发电系统,需确保其线电压值小于直流侧电压,而本文所提出的绕组开路型永磁发电系统,由于是对每相绕组分别进行发电调压控制,只需确保其相电压小于直流侧电压即可。因为发电机所发出的电压与其转速近似成正比,根据线与相电压之间关系,可以得知所提出的发电系统能将转速范围扩展为常规系统的约
图2
系统在发电运行时,对其采用滞环电流控制方法[18],如图3所示。Udc*为直流侧电压给定值,与反馈值Udc进行比较,误差经PI调节后得到q轴电流给定iq*,对发电机采用单位功率因数控制,根据iq*计算d轴电流给定值id*,id*和iq*经坐标变换得到三相电流给定值iabc*,实际三相电流为iabc,给定电流值与反馈值进行比较,对每相绕组电流单独控制。图2中标示出了a相绕组反电势和电流的方向,此时利用开关器件VT1对绕组电流进行斩波控制,当VT1开通时,a相绕组短接,绕组电流i经VD1a和VT1流通并增大进行储能,当VT1关断时,a相绕组电流跨接在直流母线两端,绕组电流i经VD4和VD1a流通并减小,输出发电功率,根据滞环比较的结果去控制VT1管的开通与关断,实现绕组电流的滞环控制,当电流方向与图2中所示电流方向相反时,则采用VT4管去实现电流的斩波控制,利用逆变器实现绕组电流滞环电流控制的开关状态见表1。
图3
Tab.1 Switching status of the inverter by the current hysteresis control method
电流误差值 | 桥臂上管开关状态 | 桥臂下管开关状态 |
---|---|---|
>滞环宽度 | 关断 | 开通 |
未超过环宽 | 不变 | 不变 |
<滞环宽度 | 开通 | 关断 |
3 机侧故障容错控制方案
3.1 单相和两相绕组断路故障容错控制方案
当发电机的某一相或者两相绕组与功率变换器连接断路时,常规星形联结系统中由于三相绕组不独立,其剩余绕组的发电输出能力下降或者形成孤立连接无法进行整流发电,而本文中所提出的永磁发电系统采用绕组开路型电机结构,三相绕组之间相互独立,可以最大程度地消除绕组断路对剩余绕组的影响,这种故障状态不会影响到剩余绕组的发电运行,此时对剩余绕组仍采用滞环电流控制策略,系统可以维持较小的发电功率运行。
3.2 整流器侧两相绕组短路故障容错控制方案
利用式(5)和式(6)就可以得到三相电流给定值的计算公式,根据给定值就可以对三相绕组采用上文所述的滞环电流控制,在这种控制方法下,a相和b相绕组串联成一相,其电流相位滞后于c相电流90°,并且与串联后所得的电压Vab = ea - eb相位相差180°。
图4
图4
整流器侧两相绕组短路故障示意图
Fig.4
System diagram under the two-phase short-circuit in the rectifier
图5
3.3 逆变器侧两相绕组短路故障容错控制方案
图6
图6
逆变器侧两相绕组短路故障示意图
Fig.6
System diagram under the two-phase short-circuit in the inverter
图7
3.4 逆变器侧三相绕组短路故障容错控制方案
图8
图8
逆变器侧三相绕组短路故障示意图
Fig.8
System diagram under the three-phase short-circuit in the inverter
图9
4 仿真结果分析
利用Matlab软件根据绕组开路型永磁电机相关的式(1)~式(4)可以建立电机的仿真模型,并搭建整体仿真模型,针对系统在单相绕组断路、两相绕组断路、整流器侧电机绕组短路和逆变器侧电机绕组短路等情况进行仿真研究,验证所提出的控制策略的有效性,系统的相关参数见表2。
表2 仿真参数
Tab.2
定子每相绕组内阻R/Ω | 0.1 |
---|---|
电机极对数P | 4 |
d轴电感Ld/mH | 0.035 |
q轴电感Lq/mH | 0.035 |
永磁体磁链Ψf /Wb | 0.019 6 |
额定转速n/(r/min) | 3 000 |
直流侧电压Udc/V | 42 |
负载电流idc/A | 1.5~5 |
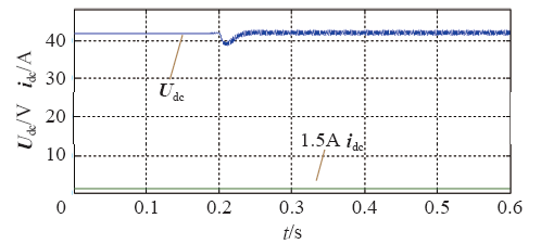
4.1 单相绕组断路故障仿真分析
图10
图10
输出电压和负载电流仿真波形
Fig.10
Simulation waveforms of the output voltage and load current
图11
4.2 两相绕组断路故障仿真分析
图12
图12
输出电压和负载电流仿真波形
Fig.12
Simulation waveforms of the output voltage and load current
图13
在这种故障状态下,只有一相绕组能进行发电输出,发电输出功率能力较小,此种情况下维持1.5A的负载运行,从图中可以看出,在发电故障状态之后,a相和b相绕组电流变为0,为输出相同的发电功率,c相电流的幅值增加,使负载侧电压恢复到42V,由于只有一相绕组输出发电功率,负载电压的波动幅值较大。
4.3 整流器侧两相绕组短路故障仿真分析
图14
图14
输出电压和负载电流仿真波形
Fig.14
Simulation waveforms of the output voltage and load current
图15
4.4 逆变器侧两相绕组短路故障仿真分析
图16
图16
输出电压和负载电流仿真波形
Fig.16
Simulation waveforms of the output voltage and load current
图17
图18
4.5 逆变器侧三相绕组短路故障仿真分析
图19
图19
输出电压和负载电流仿真波形
Fig.19
Simulation waveforms of the output voltage and load current
图20
图21
5 结论
基于逆变器–整流器的绕组开路型永磁发电系统可以解决常规永磁发电系统中所存在的问题,提高系统的故障容错运行能力,在系统拓扑工作原理研究的基础上,本文详细分析了各种机侧故障状态并提出了相应的控制方案,利用Matlab软件搭建了系统仿真模型,仿真结果验证了所提控制策略的有效性,系统可以在相应的故障状态下维持一定负载功率的运行,并且能将负载电压的波动控制在一定范围内,维持电气系统稳定运行。
参考文献
稀土永磁电机正进入大发展的新时期
[J].
Rare earth permanent magnet electrical machines stepping a newperiod of rapid development
[J].
Design of a low-cost and efficient integrated starter-alternator
[C].
Combination of finite-element and analytical models in the optimal multi domain design of machines: application to an interior permanent-magnet starter generator
[J].DOI:10.1109/TIA.2009.2036549 URL [本文引用: 1]
A permanent-magnet hybrid brushless integrated-starter-generator for hybrid electric vehicles
[J].DOI:10.1109/TIE.2010.2044128 URL [本文引用: 1]
Overview of permanent-magnet brushless drives for electric and hybrid electric vehicles
[J].DOI:10.1109/TIE.2008.918403 URL [本文引用: 1]
A permanent-magnet double-stator integrated-starter- generator for hybrid electric vehicles
[C].
Fault-tolerant PM machines: a review
[C].
永磁容错电机及容错驱动结构研究
[J].
Chen ming. A better fault tolerant Permanent magnet (PM) drive configuration for aircraft
[J].
High-performance direct torque control of an induction motor
[J].
DOI:10.1016/j.isatra.2019.08.061
URL
PMID:31495590
[本文引用: 1]
The high-performance Direct Torque Control (DTC) requires accurate knowledge of flux and speed information. Furthermore, the elimination of sensors leads to reduced overall cost and size of the electric drive system and subsequently improving its reliability. This paper proposes an effective sensorless direct torque control scheme for induction motor drive. The proposed scheme consists of enhancing the decoupling structure and variable estimation as well. Therefore, an enhanced direct flux and torque control based on feedback linearization is implemented in one hand. This allows obtaining a linear decoupled control together with minimized flux and torque ripples. In another hand, a combined sliding mode observer and model reference adaptive system is associated with the control scheme as sensorless algorithms for rotor speed and flux estimation. This conjunction is intended to enhance the sliding mode observer performances especially at low speed operations and reduce its sensitivity to noise and system uncertainties as well. The effectiveness of the proposed control algorithm has been verified through simulation and experimental work using MATLAB/Simulink software and dSpace 1104 implementation board respectively.
High-efficiency and low acoustic noise drive system using open-winding AC motor and two space-vector-modulated inverters
[J].DOI:10.1109/TIE.2002.801059 URL [本文引用: 1]
Welchko. A double-ended inverter system for the combined propulsion and energy management functions in hybrid vehicles with energy storage
[C].
Flux weakening control of an open winding machine with isolated dual inverters
[C].
Control of an open-winding machine in a grid-connected distributed generation system
[J].DOI:10.1109/TIA.2008.926298 URL [本文引用: 1]
Half-controlled-converter-fed open-winding permanent magnet synchronous generator for wind applications
[C].
/
〈 |
|
〉 |
