一种基于开绕组永磁电机的故障容错型发电机系统
魏佳丹,何健,郑青青

A Novel Fault Tolerant Generation System Based on the Open-Winding PM Machine
Wei Jiadan,He Jian,Zheng Qingqing
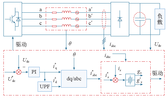
图3 系统发电运行控制策略
Fig.3 System control strategy in the generation mode