一种基于开绕组永磁电机的故障容错型发电机系统
魏佳丹,何健,郑青青

A Novel Fault Tolerant Generation System Based on the Open-Winding PM Machine
Wei Jiadan,He Jian,Zheng Qingqing
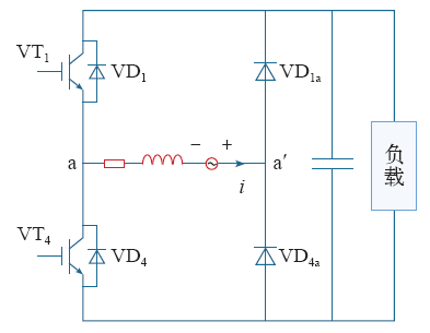
图2 系统单相绕组等效结构图
Fig.2 The equivalentcircuit of the single phase winding