优化的变步长MPPT控制策略研究 
					
										北京信息科技大学自动化学院 北京 100192
							Optimization of the Variable Step for the MPPT Control Strategy 
						
																College of Automation Beijing Information Science & Technology University Beijing 100192 China
责任编辑: 杨晓花
收稿日期: 2015-08-7 网络出版日期: 2015-10-25
| 基金资助: | 
										 | 
								
								Editor: 
Received: 2015-08-7 Online: 2015-10-25
作者简介 About authors
														
													厉虹, 女 1960年生,教授,研究方向为高性能电气控制技术。
														
													赵晓敏, 女 1990年生,硕士研究生,研究方向为新能源发电技术。
				
				
风力发电最大功率跟踪问题是风电技术的研究重点之一。爬山搜索算法可以为风电系统实时提供最佳搜索步长,使风力机的输出功率最大。针对传统爬山搜索算法抗干扰能力差、对功率跟踪不够准确的问题,提出了一种优化搜索步长的变步长爬山搜索算法,在更加真实地模拟风速模型的基础上进行了仿真实验,结果表明通过对搜索步长进行优化,不仅使输出功率损失最小,而且通过对步长变化的有效调节避免了输出功率的振荡,使系统抗干扰能力提高,验证了所提算法的有效性。
										关键词:
																																	 
																											
The maximum power tracking of wind power is one of the key researches for wind power technology and hill-climb searching algorithm can provide the wind power system with the best real-time search step, which makes the maximum output power of the wind turbine. Traditional hill-climb searching algorithm has an anti-interference ability with the problem of power inaccurate tracking, therefore, an optimized search step for variable step climbing search algorithm has been proposed.Based on the model who can be more realistic simulate the wind speed on the simulation experiment, the results show that by optimizing the search step, not only the output power losses are minimized, but also the oscillation of output power can be avoided by the effective regulation of step change, making the anti-interference ability of the system improved and verifying the effectiveness of the proposed algorithm.
																																												Keywords:
																				
																							
本文引用格式
							厉虹, 赵晓敏. 
								Li Hong. 
1 引言
风能是可再生能源中的一种,风力发电以其成熟的技术和相对较低的运行成本受到人们的重视。风力发电的主要特点之一是既可并网运行,也可孤岛运行,还可与其他能源技术组成互补发电系统。但风电并网时功率的波动性和偏移量对电网的稳定性和电能质量影响较大[1],因此风力发电最大功率点跟踪控制策略成为风电技术的研究重点之一。
目前常用的最大功率点跟踪算法主要有三种:叶尖速比法(Tip Speed Ratio,TSR)、功率信号反馈法(Power Signal Feedback,PSF)和爬山搜索法(Hill-Climb Searching,HCS)。文献[2]分别阐述了叶尖速比法和功率信号反馈法的原理,分析这两种算法的复杂性和高成本阻碍了风机系统的改进;文献[3]对以上三种跟踪算法的优缺点进行了对比分析,指出爬山搜索法在小惯性风力发电系统上控制效果最佳;文献[4]对传统爬山搜索法进行了深入研究,指出传统爬山搜索法不能快速准确地跟踪风机最大功率点,且功率缺失较多;文献[5]在增加控制精度的基础上,提出了变步长爬山搜索法,这种算法能够在系统突变时,比较准确、快速地跟踪到最大功率点。
综上所述,无论是传统的还是改进的爬山搜索法,都是一个为系统实时提供最佳搜索步长、使功率最大化的过程。如何寻求合适的搜索步长,使输出功率稳定且功率损失最少,实现风能利用效率的最大化,是爬山搜索算法的关键所在,本文在变步长爬山搜索算法的基础上对搜索步长进行了优化,提出了优化的变步长爬山搜索算法,在小型风力发电系统模型上,通过仿真实验验证了所提算法的有效性。
2 小型风力发电系统模型
爬山搜索算法的原理是通过实时调节步长准确跟踪最大功率,比较适合于小型风力发电系统。此处以小型直驱式永磁风力发电系统[6-7]为模型,系统的拓扑结构如图1所示。
图1
2.1 风速模型
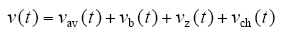
风是不规则的空气运动,风速受自然界中的温差、气压等影响较大。本文在平均风速、阵风风速、变化风速和湍流风速的数学模型基础上,将这四种风速组合成自然风,进行风速模拟,考虑到影响风速变化的不确定因素,在传统风速组合的基础上,采用具有传递函数的白噪声发生器来模拟温差、气压等外界环境对风速的影响。模拟风速数学模型为

式中,v(t)为实际风;vav(t)为平均风;vb(t)为变化风;vz为阵风;vch为湍流风。
根据式(1),模拟风速的仿真结构如图2所示。
图2
模拟的风速波形如图3所示。
图3
图3表明,平均风和湍流风贯穿整个风速,在15s的仿真时间里,0~2.5s时间段为平均风和湍流风的叠加风速,2.5~4.5s出现了阵风,5~12s出现了变化风。根据式(1)构建的风速模型能够较真实地模拟自然界各种风速的变化情况。
2.2 风力机特性[8,9]
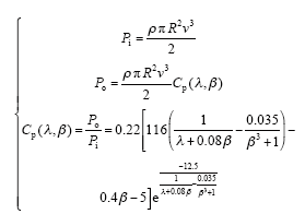
由贝兹理论和风机功率可知

式中,Pi为风力机输入功率;Po为风力机输出功率;Cp为风能利用系数;v为实际风速;β为是叶片与旋转平面的夹角;λ为叶尖速比,即圆周速度与风机接触叶片之前很远距离上的速度之比。
根据式(2),风力机仿真结构如图4所示。
图4
图5
3 最大功率跟踪控制策略
随着风机角速度的增大,风力机的输出功率先上升后下降,在最佳角速度处存在一个最大值,定步长爬山搜索法虽然能搜索到最大功率,但搜索精度不够,对于惯性较大的系统,很难准确跟踪且容易在最大功率点产生波动,因此又有变步长爬山搜索法,但变步长爬山搜索只适用于角速度变化量不为零的系统,其自身控制算法的局限性导致功率跟踪不够准确平稳,这里提出了一种优化的变步长爬山搜索算法。
3.1 优化的变步长爬山搜索算法原理
针对变步长爬山搜索法的局限,文献[11]在步长调节中引入了黄金分割比例因子0.618,但这个黄金分割比例因子也会随着风机角速度的变化而有所增减,为使功率跟踪更加快速准确,使功率波动最小化,本文对最大功率点处的搜索步长进行优化控制。
图6所示为基于爬山搜索法的功率曲线,在曲线的三个区域A、B和C处分别作切线。
图6
在区域A和区域C阶段,当角速度变化较小时,单位角速度上的功率变化量近似相等,在区域A的点1和点2处有

化简式(3)得

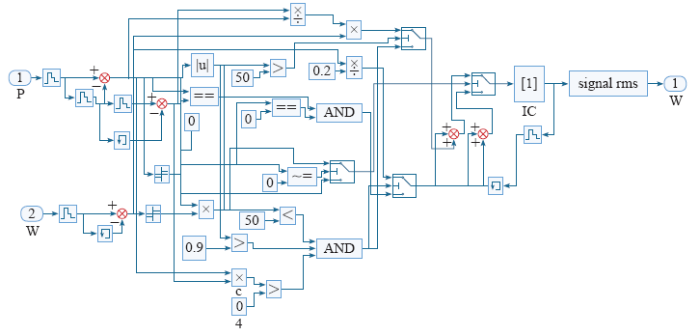
同理可得区域C的点3和点4处的功率变化量见式(3)。但当分母角速度的变化量接近于零时,式(3)没有意义,为保证功率跟踪的准确性,减小最大功率点的波动,若下一时刻跟踪的功率变化量的绝对值大于域值ε,搜索步长按照式(4)进行。本实验中取搜索域值ε为50,仿真模型如图7所示。
图7
图7  
											ΔP2 > 50 时的仿真模型
										
Fig.7  
											Simulation model when the power variation is more than 50
										
随着搜索的进行,慢慢接近最大功率点,为扩大系统的应用范围,增加控制精度,使风能利用系数保持最大值,当功率变化量在B区域时,其搜索步长见式(5),即下一时刻的搜索步长是上一时刻搜索步长的1/K倍。

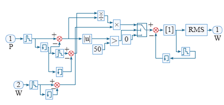
其中,0<K<0.5。对于本系统,ξ取0.9,ε取50。其仿真模型如图8所示。
图8
图8  
											0.9 < ΔP2 < 50 的仿真模型
										
Fig.8  
											Simulation model when the power variation is between 0.9 and 50
										
3.2 优化的变步长爬山搜索算法流程图
综上所述,优化的变步长爬山搜索算法的流程图如图9所示。
图9
图9  
											优化的变步长爬山搜索算法流程图
										
Fig.9  
											Flow chart of optimizationvariable step of HCS method
										
4 仿真实验
4.1 定步长爬山搜索法
图10
图10  
											定步长爬山搜索法仿真结构
										
Fig.10  
											The schematic diagram simulation for fixed step size of HCS method
										
图11
图11  
											定步长爬山算法波形
										
Fig.11  
											The simulation waveform for the fixed step size of HCS method
										
4.2 变步长爬山搜索法仿真
变步长爬山搜索法的搜索步长为

图12
图12  
											变步长爬山搜索法仿真结构
										
Fig.12  
											The schematic diagram simulation for variable step size of HCS method
										
图13
图13  
											变步长爬山搜索法波形
										
Fig.13  
											The simulation waveform for the variable step size of HCS method
										
4.3 优化的变步长爬山搜索算法仿真
图14
图14  
											优化的变步长爬山搜索算法仿真结构图
										
Fig.14  
											The schematic diagram simulation for optimizationvariable step of HCS method
										
图15
图15  
											优化的变步长爬山搜索算法波形
										
Fig.15  
											The schematic diagram simulation for optimizationvariable step of HCS method
										
4.4 三种爬山搜索算法对比分析
三种爬山算法的输出功率和风能利用系数波形对比如图16所示。
图16
图16波形曲线表明,输出功率曲线中(见图16a),曲线的变化趋势与图3模拟的风速曲线接近,验证了式(2)中的输出功率与真实风速的关系。在主动扰动开始阶段即0~2.5s的平均风风速段和湍流风风速段,变步长爬山搜索算法的输出功率比定步长的平稳准确,波动小,但在整个功率搜索的过程中,优化的变步长爬山搜索算法的搜索效果最好,它不仅保证了在0~2.5s的平均风风速段和湍流风风速段输出功率的准确跟踪,适用于风速变化较频繁的系统。而且,在2.5~4.5s的阵风阶段,风能利用系数的平均值最大,输出功率损失最少。在5~12s的变化风阶段,输出功率对比波形如图16b所示,由图可知优化的变步长MPPT算法的输出功率损失最少,且由风能利用系数波形可知,这段时间内的风能利用系数也最大。所以,从整体上来看,优化的变步长MPPT算法的输出功率跟踪效果最好,且在主动扰动开始阶段就能跟踪上最大功率点,波动小,风能利用系数也比以上两种更能够实时跟踪最大值,风能利用率最大。
5 结论
本文针对小型风力发电系统最大功率点跟踪问题,提出一种优化的变步长爬山搜索算法,通过仿真实验,验证了在自然界的真实风速下,能够快速准确地实现风机最大功率跟踪,并对定步长、变步长以及优化变步长三种爬山搜索算法进行对比分析,在变步长算法中,通过对搜索步长进行优化,不仅能使输出功率损失最小,而且通过步长的变化调节避免了输出功率的振荡,系统抗干扰能力提高,有利于延长风机的使用寿命,也为提高风力发电系统的发电效率提供了有效途径。
								参考文献 
								
									
									
								
							
							
小型风力发电系统最大功率控制方法综述
[J].
Survey on the largest power control strategies of small wind power system
[J].
风力发电系统中最大功率点跟踪方法的综述
[J].
Review on the method of tracking the maximum power point in wind power generation system
[J].
基于改进MPPT算法的小型风力发电控制器研究
[J].
Small wind power generation controller research based on an improved MPPT algorithm
[J].
直驱式永磁同步风电系统控制算法研究
[J].
												
												
												
												
																									
													DOI:10.1016/j.jhazmat.2019.121930
													    
																																					URL    
												
																																					
													PMID:31893556
													    
																																				 
																									
													 [本文引用: 1]
													
																																					
																							
In this work, sludge conditioning efficiency of cerium chloride (CeCl3) in combination with organic polymers was evaluated, the floc microstructure and extracellular polymeric substances (EPS) properties under flocculation conditioning were analyzed. The interaction mechanisms between EPS and Ce(III) were systematically investigated through two-dimension correlation spectroscopy, X-ray photoelectron spectroscopy, and confocal laser scanning microscopy. In addition, the adsorption and catalytic abilities of Ce-sludge based carbon (SBC) in tetracycline (TC) removal were evaluated. The results showed that CeCl3 conditioning performed well in improving sludge dewaterability, and CeCl3 and cationic polyacrylamide showed a synergistic effect in sludge conditioning. Contents of EPS decreased as the dosage of CeCl3 increased because of charge neutralization and complexation reactions. 2D-UV-FTIR heterospectral correlation spectroscopy analysis suggested the reaction activity of EPS to Ce(III) followed the order of humic acid > protein > polysaccharide. The decrease of α-helix content improved the hydrophobicity of proteins in EPS, which was responsible for sludge dewaterability improvement in CeCl3 conditioning. Besides, the SBC was prepared with CeCl3 conditioned sludge for treating water containing TC. Ce-SBC had a dual function of adsorption and Fenton-like activity. This work provides a sludge recycling process that coupled chemical conditioning to pyrolysis carbonization to prepare functional carbon-based materials.
Control strategy for permanent magnet direct drive wind power generator
[J].
												
												
												
												
																									
													DOI:10.1016/j.jhazmat.2019.121930
													    
																																					URL    
												
																																					
													PMID:31893556
													    
																																				 
																									
													 [本文引用: 1]
													
																																					
																							
In this work, sludge conditioning efficiency of cerium chloride (CeCl3) in combination with organic polymers was evaluated, the floc microstructure and extracellular polymeric substances (EPS) properties under flocculation conditioning were analyzed. The interaction mechanisms between EPS and Ce(III) were systematically investigated through two-dimension correlation spectroscopy, X-ray photoelectron spectroscopy, and confocal laser scanning microscopy. In addition, the adsorption and catalytic abilities of Ce-sludge based carbon (SBC) in tetracycline (TC) removal were evaluated. The results showed that CeCl3 conditioning performed well in improving sludge dewaterability, and CeCl3 and cationic polyacrylamide showed a synergistic effect in sludge conditioning. Contents of EPS decreased as the dosage of CeCl3 increased because of charge neutralization and complexation reactions. 2D-UV-FTIR heterospectral correlation spectroscopy analysis suggested the reaction activity of EPS to Ce(III) followed the order of humic acid > protein > polysaccharide. The decrease of α-helix content improved the hydrophobicity of proteins in EPS, which was responsible for sludge dewaterability improvement in CeCl3 conditioning. Besides, the SBC was prepared with CeCl3 conditioned sludge for treating water containing TC. Ce-SBC had a dual function of adsorption and Fenton-like activity. This work provides a sludge recycling process that coupled chemical conditioning to pyrolysis carbonization to prepare functional carbon-based materials.
直驱型同步风力发电机组最优功率控制
[J].
Optimal power control research of direct-driven wind turbine with synchronous generators
[J].
Standalone operation of wind turbine-based variable speed generators with maximum power extraction capability
[J].
												
												
												
												
																									
													DOI:10.1109/TEC.2012.2206594
													    
																																					URL    
												
																																																 
																									
													 [本文引用: 2]
													
																																					
																							
The application of variable speed wind generators in hybrid remote area power supply (RAPS) systems provides opportunities for improved voltage and frequency control together with maximum power point tracking (MPPT), where limited research outcomes exist. The study presented in this paper covers two such hybrid systems: 1) permanent magnet synchronous generator (PMSG) and 2) doubly fed induction generator (DFIG) as wind turbine technologies together with a battery storage and a dump load. The battery storage system and dump load are able to assist in maintaining the active power balance during over and under generation conditions as well as sudden load changes. Through simulation studies, it has been demonstrated that both RAPS systems are able to regulate the load side voltage and frequency within the acceptable limits while extracting the maximum power from wind, which is an inherent capability of variable speed generators. The two RAPS systems and their associated control strategies have been developed and their performance is investigated using SimPowerSystems blocksets in MATLAB.
风力发电最大风能追踪综述
[J].
Summary of tracking the largest wind energyfor wind power generation
[J].