优化的变步长MPPT控制策略研究
厉虹,赵晓敏

Optimization of the Variable Step for the MPPT Control Strategy
Li Hong,Zhao Xiaomin
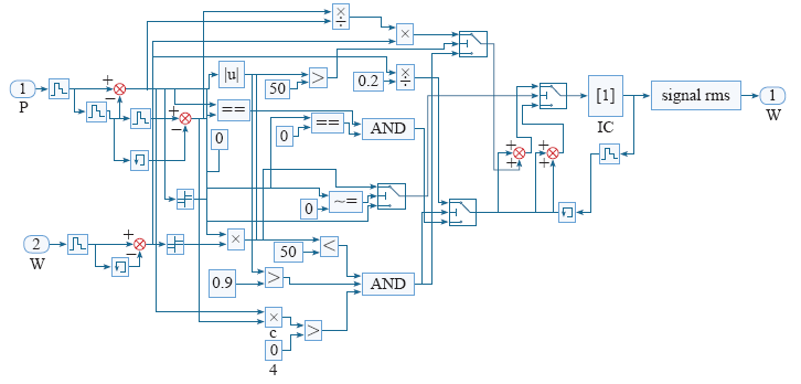
图14 优化的变步长爬山搜索算法仿真结构图
Fig.14 The schematic diagram simulation for optimizationvariable step of HCS method