优化的变步长MPPT控制策略研究
厉虹,赵晓敏
Optimization of the Variable Step for the MPPT Control Strategy
Li Hong,Zhao Xiaomin
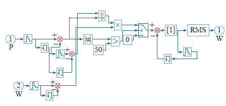
图7
Δ
P
2 > 50 时的仿真模型
Fig.7
Simulation model when the power variation is more than 50