优化的变步长MPPT控制策略研究
厉虹,赵晓敏
Optimization of the Variable Step for the MPPT Control Strategy
Li Hong,Zhao Xiaomin
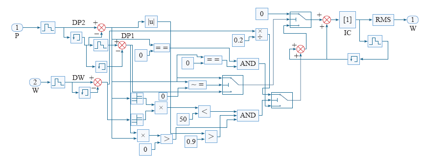
图8
0.9 < Δ
P
2 < 50 的仿真模型
Fig.8
Simulation model when the power variation is between 0.9 and 50