关于降低恒流段纹波的瞬变电磁发射电路研究*
Research on Transient Electromagnetic Transmission Circuit for Reducing Ripple in Constant Current Section
收稿日期: 2022-11-3 修回日期: 2023-06-7
| 基金资助: |
|
Received: 2022-11-3 Revised: 2023-06-7
作者简介 About authors
巫庆辉,男,1974年生,博士,教授。主要研究方向为电力电子与电力传动。E-mail:
顾鑫,男,1997年生,硕士研究生。主要研究方向为电力电子与电力传动。E-mail:
瞬变电磁发射系统对发射电流的波形有着较高的要求,发射波形越接近理想的方波,探测效果就越好,但实际情况下,发射波形难以达到理想方波,一般采用梯形波替代,而且发射恒流段的波形实际呈e指数上升而非近似水平的。针对上述问题,提出一种改进的发射电路,即通过两个场效应管(Metal oxide semiconductor field effect transistor, MOSFET)控制电阻线路的关断,并加入脉冲宽度调试(Pulse width modulation, PWM)控制,使发射恒流段斜率近似为0,而加入的两个可控电阻使发射电路的等效阻值更加灵活从而降低PWM斩波后纹波的幅值,使发射电流的恒流段更加平稳,从而降低对接收信号的影响。为缩短发射电流的关断时间通常加入恒压钳位控制电路加以控制,使探测效果更好。
关键词:
Transient electromagnetic emission systems have higher requirements on the waveform of the emission current. The closer the emission waveform is to the ideal square wave, the better the detection effect. However, in actual situations, the emission waveform is difficult to achieve the ideal square wave. Generally, trapezoidal waves are used instead. The waveform of the constant current section of the emission actually rises exponentially rather than the approximate level. Regarding the issue above, an improved transmitter circuit is proposed, that is, two metal oxide semiconductor field effect transistor(MOSFETs) are used to control the turn-off of the resistance circuit, and pulse width modulation(PWM) control is added to make the slope of the transmitter constant current section approximately zero, and the addition of two controllable resistors makes the equivalent resistance of the transmitting circuit more flexible, thus reducing the amplitude of ripple after PWM chopping, making the constant current section of the transmitting current more stable, thereby reducing the impact on the received signal. In order to shorten the turn-off time of the emission current, a constant voltage clamp control circuit is usually added to control, so that the detection effect is better.
Keywords:
本文引用格式
巫庆辉, 顾鑫, 唐康, 侯利民.
WU Qinghui, GU Xin, TANG Kang, HOU Limin.
1 引言
瞬变电磁法(Transient electromagnetic method,TEM)是利用不接地回线或接地线源向地下发射一次脉冲磁场,在一次脉冲磁场间歇期间利用线圈或接地电极观测地下介质中引起的二次感应涡流场,通过对二次场进行测量,来确定地下未知目标[1]。目前TEM在大功率发射、电流关断波形线性度和电流快速关断等方面有很多难点,探测波形也不是理想的电流方波,理想的电流方波对地下目标体有更好的激发效果[2]。实际上,探测波形多为梯形波,作为整个探测过程的激发源,发射电流的波形十分重要,不仅发射电流恒流段波形会对接受信号有所干扰,电流关断部分也会对早期感应场信号的收集产生影响,从而产生探测盲区[3],其中,如果恒流段的斜率不近似为0(
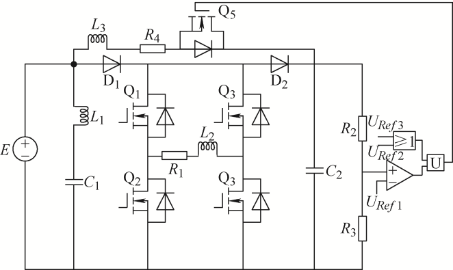
2 发射系统总体方案设计
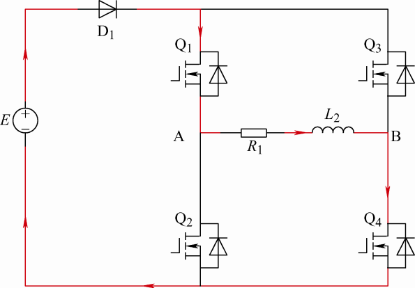
发射系统的整体设计框架如图1所示,主要由发射桥路、驱动电路、钳位电路、PWM控制电路和新添加的可控电阻电路组成。其中,发射桥路为传统的H桥,主要由四个开关管组成,四个开关管的开关顺序由PWM信号控制从而使发射电流恒流段斜率近似为0。PWM信号也对可控电阻电路有所控制,通过改变发射线圈的阻值进而优化恒流段的纹波使纹波幅值变低更具有线性。在电流关断过程中,钳位电容两端的电压直接加在线圈两端,从而加速电流下降,馈能电路中的馈能电感又将钳位电容吸收的能量回馈给电源,不仅提高了电路效率,也维持了钳位电容电压的稳定。
图1
3 发射电路的设计与控制
3.1 PWM控制技术
PWM控制技术对整个瞬变电磁发射系统的运行起着关键的作用,本次设计的PWM斩波控制技术不仅控制着四个开关管的关断时间,而且控制着新增可控电阻电路的关断,从而控制线路阻值的变化,并对维持发射波形恒流段的斜率近似为0有着关键的作用。
图2
图3
图4
通过对发射电阻和发射电感两端电压的分析,有
根据式(1)可知,由于前期电流上升段电流的不断增加,发射电路等效电阻两端的电压也在增加,因此等效电感两端的电压就会相对减少,从而减少ΔI,当电流达到最大值时,电感两端的电压也最小,设开关导通时间为t1,关断时间为t2,显然ΔI1<ΔI2。
令式(2)为0,则
3.2 恒压钳位控制电路
图5
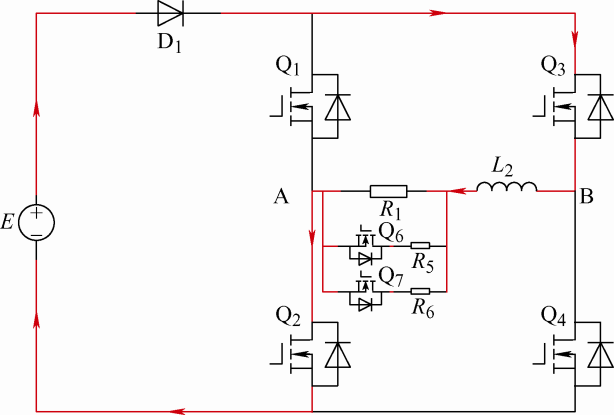
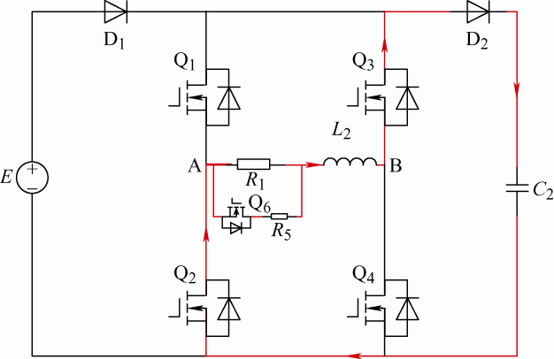
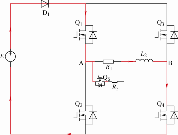
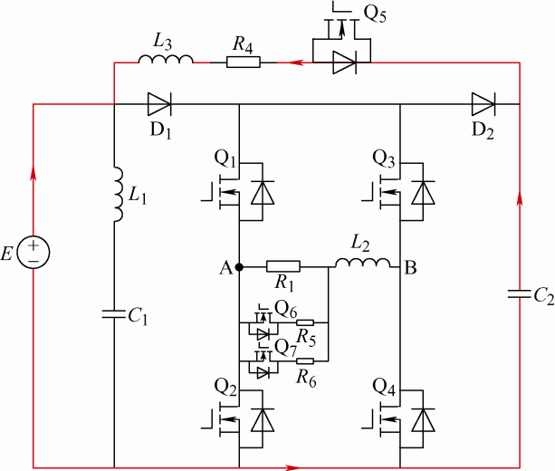
由于高频斩波期间产生的纹波峰值较大,本文为减少纹波峰值使发射恒流段波形更接近于线性,所以在上述发射电路的基础上,结合第3.1节对发射电阻和发射电感两端电压的分析,设计出一种可以减少发射恒流段纹波幅值的发射电路,如图6所示,Q1、Q2、Q3、Q4组成发射电路的主桥路是电磁发射电路的主要回路;Q5和馈能电感L3控制钳位电容C2,保持电压稳定;Q6、Q7控制电阻R5和R6的关断,以便调整线路电阻的大小从而改变发射电感两端的电压以减小发射波形恒流段纹波的幅值,使波形更接近线性;R1、R5和R6构成发射线圈的等效电阻;L2为发射线圈的等效电感。
图6
开关导通的时间如图7所示,T为发射电路工作的一个周期。发射电路的工作原理如下所述。
图7
(1) 在0~T/4期间内,开关管除了Q6全部关断,发射电路无动作,所以输出电压UAB为0,输出发射电流IAB也为0。
(2) 在T/4~t1期间内,Q1、Q4、Q6导通,剩下的开关管关断,电流经过D1、Q1、R1、R5、L2、Q4,电路工作模态如图8所示。此时R1和R5并联,由于线路电阻变小,电源E可以快速给发射电感L2充电,并使发射电流达到预期值I0,此时电源直接加在AB两端,故UAB=E,而发射电流可以通过式(3)表示
式中,
图8
(3) 在t1~T/2期间内,Q1、Q4高频斩波,Q6、Q7也高频斩波,在Q1、Q4开通时,Q6、Q7关断,此时R5、R6不工作,电源E与D1、Q1、R1、L2、Q4组成回路,此时线路电阻最大,电路工作模态如图9所示。由第3.1节分析可知,L2两端电压减少,ΔI也随之减少,所以电流上升速度缓慢,占空比不变的情况下,电流达到的峰值要小于传统的恒压钳位发射电路,从而达到减小纹波幅值的效果;在Q1、Q4关断时,Q6、Q7开通,电源E、D1、Q2、L2、Q3和R1、R5、R6三个电阻组成续流回路,电路工作模态如图10所示,此时R1、R5、R6三个电阻并联,此时线路电阻达到最小值,故ΔI增加,电流下降速度加快,由第3.1节可知占空比要大于50%,开通时间要大于关断时间,所以电流下降值和Q1、Q4开通时电流上升值达到平衡,从而使平顶段波形斜率近似为0,并使纹波幅值降低,达到本次控制效果,从而得到更理想的波形。
图9
图10
(4) 在T/2~t2期间内,D2和Q6导通,其余开关管全部关断,线路电阻为步骤(2)中的R,此时R1和L2通过Q2、Q3、C2、Q5构成回路,发射电流在钳位电路的作用下达到快速下降的目的,电路工作模态如图11所示。在这个阶段Q1~Q4全部关断,钳位电容两端的电压直接加在发射线圈AB两端,ΔI将远大于关断的瞬时值,因此电流下降迅速,线圈电流可以用式(4)表示
图11
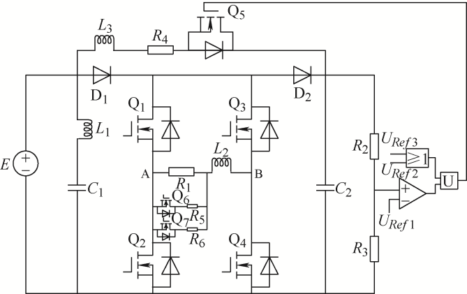
发射机开始工作时,负载线圈续流充电使钳位电容两端电压不断升高,钳位电容两端电压通过电阻R2和R3的分压得到,钳位电容C2通过电位比较器的控制并通过Q5的关断,释放多余的能量,从而保持电压稳定。当C2电压超过预设值URef1时,电位比较器输出高电平从而使Q5导通,C2多余的能量通过馈能电感L3回馈给电源,直到C2电压小于URef1时,Q5关断,此时钳位馈能环节结束并等待C2电压再一次超过URef1,从而进行下一次钳位馈能,电路工作模态如图12所示。
图12
(5) 在T/3~t4期间内,属于电流的负半周期,主要围绕Q2和Q3的开通与关断以及高频斩波,与T/4~t2的Q1和Q4工作情况类似,得到的电流反向。
4 发射电路的参数设计与仿真结果
4.1 发射电路的参数设计
本次设计的发射系统采用24 V的直流电源供电,发射电流控制在15 A左右,发射电感L2为66 μH,PWM占空比α设为70%,根据设计要求电流上升段线路等效电阻需要达到0.443 Ω,高频斩波期间,开关导通段线路电阻应大于电流上升段,开关关断期间线路电阻应小于电流上升段,故本文将仿真中三个发射等效电阻的阻值设为R1=5 Ω,R5=0.486 1 Ω,R6=30 Ω,考虑到66 μH的电感线圈中自身就存在的电阻为0.02 Ω左右,所以实物设计中R5取0.47 Ω,R1取4.3 Ω,R6仍取30 Ω。钳位电容两端的电压可调,令式(3)为零,即可得下降时间Δt为
从式(5)可以看出,钳位电压EC越大,电流的关断时间越短,考虑到设计要求和实际情况,本文的钳位电压EC设为100 V,钳位电容C2=1 000 μF。通过计算理想状态下电流的关断时间为9.58 μs。通过式(4)对t求导,可得电流下降期间的斜率
通常用式(7)表示下降的线性程度,一般来说γ越接近1,线性度就越高,当钳位电压EC越高时,Δt越小,γ越接近1,线性度也越好,将本文设计的参数Δt=9.58 μs,R=0.443 Ω,L=66 μH代入得到γ=0.938,基本符合线性要求。
4.2 仿真结果
图13
图14
图15
图16
图17
图18
5 试验结果
图19
图20
图21
从试验结果可以看出,改进后的发射电路在经过PWM斩波控制和恒压钳位控制可以得到发射电流平顶段斜率近似为0的梯形波,达到了本次改进的目的,并且通过恒压钳位电路的控制,电流的关断速度也能达到设计要求。使用PWM高频斩波的控制方式,与文献[17-18]提出的发射电流恒流段电流由供电电源电压决定相比,可以省去调压环节,使系统的效率有较大的提升,本文改进后的电路,也通过PWM的控制使电路的阻值大小更加灵活多变,使发射平顶段更加平滑同时降低纹波峰值从而减小误差,PWM技术与恒压钳位的技术结合很好地达到了本次设计的目的。本次设计属于小功率小电流的发射电路,这为大功率大电流的探测工作提供了一种电流快速下降的思路,从而达到更加精准的探测效果。
6 结论
(1) PWM高频斩波的控制可以使发射电流恒流段斜率近似为0,从而避免出现呈e指数上升的趋势,大大降低了发射电流对接收信号的干扰以便接收机能接收到更好的二次场信号,使探测结果更加精确。
(2) PWM高频斩波技术虽然使发射电流恒流段斜率近似为0,但也会带来纹波的影响,本文基于这一点对发射电路拓扑进行了改进,即增加两个与发射电阻并联的MOSFET可关断电阻,并用PWM技术控制其关断,使发射电路的发射阻值更具有灵活性,最后使发射电流恒流段的纹波幅值降低,使其更具有线性,进而再一次优化发射恒流段波形。
(3) 采用馈能型恒压钳位控制电路,能够有效缩短发射电流的关断时间,并将多余的能量回馈给电源,很好地提高了电路的效率。钳位电压越高,发射电流的关断时间越短,发射电流的下降沿线性度也会越高,有利于探测效果,具体的钳位电压值设计需要根据不同的设计需求来设定。
(4) PWM高频斩波控制、馈能型恒压钳位控制与本文的改进电路三者结合,实现了一种新型的瞬变电磁发射电路,并通过仿真与试验验证了该设计的合理性。
(5) 本文增加的两个MOSFET牺牲了电路的些许效率,但改善了发射电流的波形,得到了更好的探测效果。
参考文献
瞬变电磁法在煤矿采空区的应用研究
[J].
Application of transient electromagnetic method to coal mine gobs
[J].
发射电流波形对瞬变电磁响应的影响
[J].
Effect of transmitter current waveform on TEM response
[J].
时间域电磁探测发射电流过冲产生原理及抑制
[J].
Generation principle and suppression of emission current overshoot in time-domain electromagnetic detection
[J].
分布式瞬变电磁接收系统设计与实现
[J].
Design and implementation of distributed transient electromagnetic receiving system
[J].
Quantification of modeling errors in airborne TEM caused by inaccurate system description
[J].
DOI:10.1190/1.3511354
URL
[本文引用: 1]
Being able to recover accurate and quantitative descriptions of the subsurface electrical conductivity structure from airborne electromagnetic data is becoming more and more crucial in many applications such as hydrogeophysical and environmental mapping, but also for mining exploration. The effect on the inverted models of inaccurate system description in the 1D forward modeling of helicopter time-domain electromagnetic (TEM) data was studied. The most important system parameters needed for accurate description of the subsurface conductivity were quantified using a nominal airborne TEM system and three different reference models to ensure the generality of the conclusions. By calculating forward responses, the effect of changing the system transfer function of the nominal airborne TEM system was studied in detail. The data were inverted and the consequences of inaccurate modeling of the system transfer function were studied inthe model space. Errors in the description of the transfer function influence the inverted model differently. The low-pass filters, current turn-off, and receiver-transmitter (Rx-Tx) timing issues primarily influenced the early time gates. The waveform repetition, gate integration, altitude, and geometry mainly influenced the late time gates. Depth of investigation is highly model dependent, but in general the early times hold information on the shallower parts of the model and the late times hold information on the deeper parts of the model. Amplitude, gain, and current variations affect the entire sounding and therefore the entire model. The results showed that all of these parameters should be measured and modeled accurately during inversion of airborne TEM data. If not, the output model can differ quite dramatically from the true model. Layer boundaries can be inaccurate by tens of meters, and layer resistivities by as much as an order of magnitude. In the worst cases, the measured data simply cannot be fitted within noise level.
瞬变电磁法高动态电流陡脉冲发射电路研究
[J].
Research on high dynamic current steep impulse transmitting circuits for transient electromagnetic method application
[J].
馈能型恒压钳位双极性脉冲电流源
[J].
Energy-feeding type constant voltage clamp bipolar pulsed current source
[J].
有源恒压钳位瞬变电磁发射机技术
[J].
Active constant voltage clamp transient electromagnetic transmitter technology
[J].
WTEM高速关断瞬变电磁探测系统
[J].
WTEM fast turnoff transient electromagnetic detection system
[J].
对IGBT逆变器吸收电路的改进与仿真
[J].
Improved design and simulation of snubber circuits for IGBT inverters
[J].
The loss calculation of RCD snubber with forward and reverse recovery effects considerations
[C]//
PWM斩波与恒压钳位控制瞬变电磁发射系统
[J].
PWM chopper and constant voltage clamp control transient electromagnetic launch system
[J].
发射电流波形变化对固定翼航空瞬变电磁响应的影响
[J].
Effect of transmitter current waveform variation on the fixed-wing airborne transient electromagnetic response
[J].
Pulse current source with high dynamic
[C]//
恒压钳位高速关断瞬变电磁发射系统
[J].
Voltage stabilized clamping and fast turn-off transient electromagnetic transmitting system
[J].
Mining,environmental,petroleum,and engineering industry applications of electromagnetic techniques in geophysics
[J].DOI:10.1007/s10712-005-1760-0 URL [本文引用: 1]
/
| 〈 |
|
〉 |
