关于降低恒流段纹波的瞬变电磁发射电路研究*
巫庆辉, 顾鑫, 唐康, 侯利民

Research on Transient Electromagnetic Transmission Circuit for Reducing Ripple in Constant Current Section
WU Qinghui, GU Xin, TANG Kang, HOU Limin
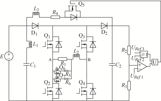
图6 改进后的发射电路图