关于降低恒流段纹波的瞬变电磁发射电路研究
*
巫庆辉, 顾鑫, 唐康, 侯利民
Research on Transient Electromagnetic Transmission Circuit for Reducing Ripple in Constant Current Section
WU Qinghui, GU Xin, TANG Kang, HOU Limin
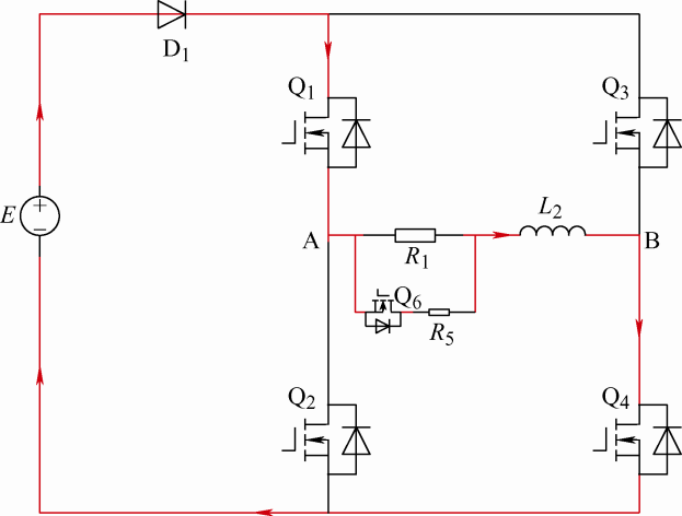
图8
T
/4~
t
1
期间电路工作模态图