1 引言
在“双碳”和“双高”的大背景下,分布式新能源在配电网中的渗透率不断提高。但是,高比例新能源的接入也给配电网带来了潮流倒送和电压越限等问题[1 -2 ] 。为了解决这些问题,配电网通过网络重构,改变线路中联络开关的开合状态,进行功率的合理分布。然而传统联络开关灵活性较差、响应速度较慢,难以实现实时准确的潮流控制[3 ] 。因此,英国帝国理工学院的研究学者用柔性多状态开关(Soft open point,SOP)来取代传统配电网中的联络开关[4 ] 。SOP具有潮流调节灵活和响应快速等优点,可有效促进新能源的协同消纳,提高配电网电能质量[5 -6 ] 。在各类SOP拓扑中,模块化多电平换流器(Modular multilevel converter,MMC)具有输出波形质量高、可扩展性好、开关损耗低等优点[7 ⇓ -9 ] ,在中压配电网中有较好的应用前景,因此本文以基于MMC的SOP为研究对象。
SOP中各换流器的功率协调控制对系统的稳定运行至关重要。协调控制的主要目标有以下2点:① 直流电压不能越限;② 受扰后功率快速平衡[10 ] 。主从和下垂是两种典型的协调控制[11 -12 ] ,主从控制可准确控制各换流器功率,直流电压稳定性好,但依赖于各换流器间的通信[13 ] 。下垂控制不依赖通信,但直流电压工作点不固定,无法精准调控各换流器功率[14 ] 。因此,考虑到SOP中部分换流器需要定功率输出,且各换流器间的线路较短,本文针对主从控制展开研究。
传统的主从控制中主控换流器采用定直流电压控制模式,其余从控换流器采用定功率控制模式;在系统出现功率波动时,依赖主控换流器调控系统功率平衡,存在直流电压越限和交流功率超调的隐患。文献[15 ]利用模型预测控制替代传统比例-积分(Proportional-integral,PI)控制,使SOP具有较好的抗干扰能力和动态恢复能力,但是该方法存在计算量大和谐波分布广的问题。文献[16 ]在文献[15 ]的基础上,提出了反馈线性化滑模控制策略,在保证SOP协调运行的同时减少计算量和谐波分布,但上述协调控制主要针对系统小功率波动。文献[17 ]采用干扰观测值前馈的方案抑制系统干扰对直流电压的影响,但是其电压外环的比例积分系数选取困难。文献[18 ]利用稳态逆模型生成的电流预估值修正内环电流参考值,使SOP能在大功率波动时减少功率超调量,降低电压过冲值。但该方法增加了计算量,且未考虑小功率波动时的稳态性能。文献[19 ]采用控制器状态跟踪控制方法,实现三端SOP并离网时的协调控制,但是其控制器结构复杂且小功率波动时依旧存在主换流器功率超调问题。
本文针对这一问题,以三端SOP为例,提出了一种柔性多状态开关的改进协调控制策略,兼顾大小功率波动和稳定性。本文首先给出了SOP的拓扑结构和控制策略;然后分析了功率波动时直流电压与功率的内在关系,在此基础上得到了直流电压跟随系数,使控制器可以根据直流电压的变化实时调整功率参考值,使多个换流器在功率波动时同时参与功率调节,进而实现功率协调控制的目标。最后,搭建了三端SOP仿真模型,在不同工况下对所提策略的正确性和有效性进行了验证。
2 SOP的拓扑结构和数学模型
2.1 SOP的拓扑结构
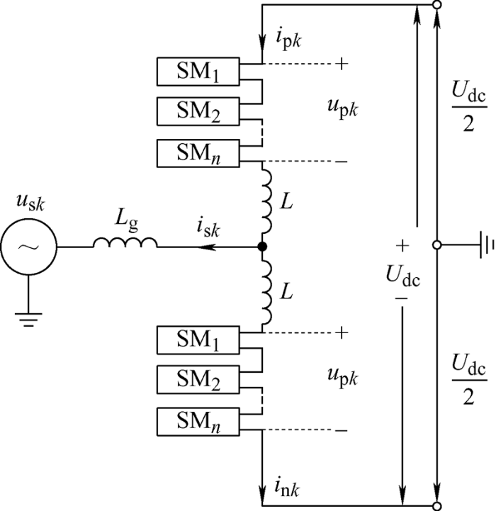
SOP是由两个及以上的MMC通过公共直流线路连接而成的。与两端SOP相比,三端SOP减少了网络能量损失,并使配电网络能够承载更多的分布式能源[20 ] 。本文采用的三端SOP拓扑结构如图1 所示。SOP的各端换流器结构一致,同时各换流器采用的三相MMC换流器的每相具有对称结构。单相MMC的拓扑结构如图2 所示。MMC的每个相单元由上下桥臂组成,每个桥臂又由桥臂电抗器L 和n 个级联子模块组成。
图1
图2
2.2 SOP的数学模型
假设三相电网电压平衡,根据图2 建立单相MMC的数学模型。其中u s k 和i s k 分别表示网侧交流电压和电流(相数k =a、b、c);ik 和uk 分别表示MMC交流侧的相电流和相电压;L g 和R g 分别为交流侧的连接电感和等效电阻;L 为桥臂电感;u p k 和u n k 分别为上下桥臂电压;i p k 和i n k 分别为上下桥臂电流;U dc 是直流电压。
定义第k 相上下桥臂的环流为i z k ,其与上下臂电流i p k 和i n k 的关系可表示为
(1) $\left\{ \begin{align} & {{i}_{\text{s}k}}={{i}_{\text{p}k}}-{{i}_{\text{n}k}} \\ & {{i}_{\text{z}k}}=\frac{{{i}_{\text{p}k}}+{{i}_{\text{n}k}}}{2} \\ \end{align} \right.$
(2) $\left\{ \begin{align} & {{u}_{\text{s}k}}={{e}_{k}}+{{R}_{g}}{{i}_{\text{s}k}}+({{L}_{\text{g}}}+\frac{1}{2}L)\frac{d{{i}_{\text{s}k}}}{dt} \\ & \frac{{{u}_{\text{dc}}}}{2}-\frac{{{u}_{\text{p}k}}+{{u}_{\text{n}k}}}{2}=L\frac{d{{i}_{\text{z}k}}}{dt} \\ \end{align} \right.$
式中,ek 是MMC内部的虚拟电动势。式(2)表明通过控制虚拟电动势和交流电流可以间接控制MMC的交流电压,通过控制环流可以间接控制MMC的直流电压。因此设置交流电流参考值和环流的参考值作为内环电流参考值。
2.3 三端SOP的基本控制策略
2.3.1 电流内环控制
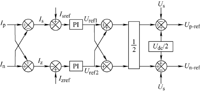
基于第2.2节的分析,单相MMC直接控制策略中存在两个并行的电流环:交流电流环与环流环。两个环路的输入信号分别是交流侧电流I s 和环流I z 。其内环控制结构如图3 所示。
图3
图3 中,U p-ref 和U n-ref 分别为上下桥臂电压的参考值;I sref 为交流电流参考值,I zref 为环流参考值,具体值由外环控制器生成。将环流参考设置为直流量,这样环流环可以抑制环流中的交流分量,减少MMC装置中的无功波动和功率损耗。
2.3.2 定功率控制
SOP可以实现端口间的潮流控制,功率控制外环根据换流器输出有功功率参考值P ref 和无功功率参考值Q ref 确定当前内环交流电流和环流参考值。控制框图如图4 所示。
(3) $\left\{ \begin{align} & {{P}_{\text{ref}}}=3\cdot \frac{1}{2}{{U}_{\text{sref}}}{{I}_{\text{sref}}}\cos \varphi \\ & {{Q}_{\text{ref}}}=3\cdot \frac{1}{2}{{U}_{\text{sref}}}{{I}_{\text{sref}}}\sin \varphi \\ \end{align} \right.$
式中,系数“3”表示每相功率为总功率的$\frac{1}{3}$ ,且三相功率平衡。因此,可以得到φ 的大小及其余弦值为
(4) $\left\{ \begin{align} & \varphi =\tanh (\frac{{{Q}_{\text{ref}}}}{{{P}_{\text{ref}}}}) \\ & \cos \varphi =\cos \tanh (\frac{{{Q}_{\text{ref}}}}{{{P}_{\text{ref}}}}) \\ \end{align} \right.$
(5) $~\left\{ \begin{align} & {{I}_{\text{sref}}}=\frac{2{{P}_{\text{ref}}}}{3{{U}_{\text{sref}}}\cos \varphi }\sin ({{\omega }_{0}}t+{{\theta }_{0}}-\varphi ) \\ & {{I}_{\text{zref}}}=\frac{2{{P}_{\text{ref}}}}{3{{U}_{\text{dc}}}} \\ \end{align} \right.$
式中,U sref 和I sref 分别为网侧交流电压和交流电流参考值;θ 0 为交流电网电压初相角;φ 为功率因数角。
图4
2.3.3 定交流电压控制
当SOP端口的交流馈线发生三相短路故障时,端口换流器应切换成定交流电压控制模式,继续为非故障区的重要负载提供交流电压支撑。其控制结构图如图5 所示。其中P 为采样得到的MMC的实际功率输出。定交流电压控制可以通过设置交流侧电压外环产生内环电流参考值。外环调节器的表达式为
(6) $~{{U}_{\text{s}}}_{\text{ref}}={{U}_{\text{svf}}}\sin ({{\omega }_{0}}t-{{\theta }_{0}})$
式中,U svf 是网侧交流电压幅值;U sref 和I sref 分别是网侧交流电压和交流电流的参考值。
图5
3 SOP的改进协调控制策略
主从控制的SOP系统在出现不平衡功率时,需要由主换流器进行功率平衡,而其余从换流器保持定功率运行。当系统发出的有功功率大于吸收的有功功率时,直流电压上升,主换流器减少输出功率。当系统发出的有功功率小于吸收的有功功率时,直流电压降低,主换流器增大功率输出。如果输入功率降低或增加太多时,主换流器在参与功率调整时会有功率超调的问题,同时直流电压会有越限的可能。因此,选取一个从控换流器,将其定功率参考值改为跟随直流电压变化的变功率参考值,即可在直流电压变化时参与功率调节,实现直流稳压和功率平衡的目的。MMC直流侧电压跟随系数可表 示为
(7) $~{{k}_{i}}=\frac{{{P}_{i\max }}-{{P}_{i}}}{{{U}_{\text{dcmax}}}-{{U}_{\text{dcref}}}}$
式中,ki 为第i 个换流器的直流电压跟随系数;Pi 、Pi max 分别为换流器的有功功率实际值和额定有功容量;U dcref 、U dcmax 分别为直流电压的参考值与最大值(通常为1.05U dcref )。
(8) ${{{P}'}_{iref}}=~{{k}_{i}}({{U}_{\text{dcref}}}-{{U}_{\text{dc}}})+{{P}_{i\text{ref}}}$
式中,Pi ref 、P'i ref 分别为换流器有功功率参考值和新的参考值。
从式(7)可知,换流器的额定有功容量Pi max 越大,ki 越大即可调功率裕度越大,在直流电压变化时参与功率调节的能力越强,从而更有效地减轻主换流器的功率调节负担。
因此定义换流器的可调功率为额定有功容量与实际有功输出之差,并选取可调功率较大的从换流器采用改进定功率控制,选择条件如式(9)所示
(9) $\left\{ \begin{align} & \Delta {{P}_{i}}={{P}_{i\max }}-{{P}_{i}} \\ & \Delta {{P}_{j}}=\underset{i=1,2}{\mathop{\max }}\,\Delta {{P}_{i}} \\ \end{align} \right.$
同时,式(8)表明系统正常工作时,直流电压稳定,功率指令值不受影响,即改进后的控制结构不会对系统造成影响,且控制结构简单。
本文选取最大可调容量的MMC作为主控端,可调容量较大的MMC采用改进定功率控制。对于从换流器全是定功率控制的系统,只有主换流器参与功率调节,直流电压可能越限,主换流器功率可能过载。在本文提出的改进定功率控制下,有从换流器同时参与不平衡功率的调整,系统动态响应快,直流侧电压不会越限,主换流器功率不会过载。
综上所述,改进定功率控制的总体控制框图如图6 所示。
图6
4 仿真结果分析
为了验证所提出改进协调控制策略的有效性,基于PLECS仿真软件搭建如图1 所示的三端SOP仿真模型。其中MMC1作为主控换流器,采用定直流电压控制;MMC2采用改进定功率控制;MMC3采用定功率控制。考虑本文研究的SOP主要应用于中压配电网,系统仿真参数如表1 所示。
4.1 案例1
初始时刻,MMC2和MMC3的有功功率参考值分别设置为-4 MW和-2 MW,MMC1输出的有功功率为6 MW。系统传输功率平衡,直流电压稳定。MMC3的有功功率指令值在0.15 s时变为-4 MW,MMC2的有功功率指令值在0.3 s时变为-2 MW。直流电压的上限和下限分别为21 kV和19 kV。
在0.15 s时,MMC3的功率参考值由-2 MW变为-4 MW,系统送出的有功功率小于吸收的有功功率,直流电压下降。从图7 a和7b可以看出,定功率控制的MMC2在0.15 s时的功率输出没有受到影响;MMC1参与功率调节时,最高输出功率达到9 MW,存在功率越限的潜在威胁;直流电压暂态波动值为18.875 kV,电压低于下限,直流电压暂态调整时间为0.02 s。从图8 可以看出,在改进定功率控制方法下,MMC1在功率突变的瞬态过程中无超调量;MMC2根据自身功率裕度参与功率调节,不发生过载;直流电压波动值为19.551 kV,在允许波动范围内,直流侧电压瞬态调整时间为0.01 s,调整速度更快。
图7
图8
在0.3 s时,MMC2的功率参考值由-4 MW变为-2 MW,系统送出的有功功率大于系统吸收的有功功率,直流电压升高,直流系统有不平衡功率为2 MW,由MMC1进行功率调节。在图7 中,MMC1在平衡功率时有过冲现象;直流电压暂态波动值为21.125 kV,直流电压高于最大工作电压,恢复时间为0.02 s。在图8 中,MMC1没有发生功率超调;MMC2平滑切换并稳定在新的功率指令值;直流电压升至20.585 kV,在允许运行范围内,直流调压时间0.012 s。
在采用改进控制方法的系统中,当定功率控制换流器的功率参考值发生跃变,改进定功率控制的换流器和定直流电压控制的换流器参与系统功率和直流电压的稳定调节,且系统的动态响应更快;当用于改进定功率控制的换流器功率参考值发生变化时,换流器自身平滑切换到新的指令值,以获得良好的直流电压质量。
4.2 案例2
初始时刻,系统运行稳定,MMC2和MMC3的有功功率参考值均为-3 MW,MMC1的有功功率输出为-6 MW,系统功率平衡,直流电压稳定。MMC3交流侧的重要负载为1.5 MW。由于从站数量较多,故障概率较大。因此本文讨论MMC3交流侧0.2 s发生三相短路故障,0.205 s检测到故障并切换到定交流电压控制继续为重要负载 供电。
当MMC3交流侧馈线在0.2 s发生三相短路故障时,交流侧电压降为0,导致交流侧有功功率降为0。因为在MMC3内部有大量的储能电容,它可以继续接收直流侧送来的有功功率。因此,MMC1发出的有功功率不会突然下降。0.205 s时,MMC3切换到定交流电压控制,继续为重要负载供电。图9 中,从控端均采用定功率控制时,控制方式切换瞬间直流电压跃升至21.522 kV,超过最大工作电压,电压暂态波动时间为0.012 s;MMC1有功率过冲现象。图10 中,MMC2采用改进定功率控制,控制模式切换时直流电压为20.525 kV,电压暂态波动时间为0.008 s,系统运行在合理的电压波动范围内。
图9
图10
相比之下,采用改进定功率控制的SOP具有电压冲击小、瞬态过渡时间短、控制模式切换时功率平滑过渡等优点。可以看出,本文提出的策略可以实现了大功率波动时SOP的快速功率平衡和直流电压稳定。
5 结论
本文针对传统主从控制在功率波动时仅主控端参与功率调节,导致的功率过冲和直流电压越限问题,提出了一种控制结构简单的SOP改进协调控制策略。理论分析和仿真结果表明,本文所提策略能灵活应对以下工况。
(1) 为应对新能源接入带来的功率波动问题,设置可调功率较大的换流器为改进定功率控制,与主控换流器一起进行功率调节,从而保证系统的稳定性。
(2) 当系统出现小功率波动时,该策略可减小稳态直流电压偏差,缩短系统的暂态响应时间。
(3) 在系统出现大功率波动,如交流馈线三相短路,SOP需要控制模式切换时,该策略可以保证控制模式的平滑切换,且切换过程直流电压不越限。
参考文献
View Option
[1]
刘增训 , 游沛羽 , 周勤勇 . 适用高比例新能源系统广域消纳的输电技术研究综述
[J]. 电力工程技术 , 2020 , 39 (5 ):59 -70 .
[本文引用: 1]
LIU Zengxun , YOU Peiyu , ZHOU Qinyong . Summary of research on transmission technology suitable for wide area absorption of high proportion new energy system
[J]. Electric Power Engineering Technology , 2020 , 39 (5 ):59 -70 .
[本文引用: 1]
[2]
PAMSHETTI V B , SINGH S , THAKUR A K , et al. Multistage coordination Volt/VAR control with CVR in active distribution network in presence of inverter-based DG units and soft open points
[J]. IEEE Transactions on Industry Applications , 2021 , 57 (3 ):2035 -2047 .
DOI:10.1109/TIA.2021.3063667
URL
[本文引用: 1]
[3]
吴在军 , 谢兴峰 , 杨景刚 , 等 . 直流配电网电压控制技术综述
[J]. 电力工程技术 , 2021 , 40 (2 ):59 -67 .
[本文引用: 1]
WU Zaijun , XIE Xingfeng , YANG Jinggang , et al. A review on voltage control strategies in DC distribution network
[J]. Electric Power Engineering Technology , 2021 , 40 (2 ):59 -67 .
[本文引用: 1]
[4]
王成山 , 宋关羽 , 李鹏 , 等 . 基于智能软开关的智能配电网柔性互联技术及展望
[J]. 电力系统自动化 , 2016 , 40 (22 ):168 -175 .
[本文引用: 1]
WANG Chengshan , SONG Guanyu , LI Peng , et al. Research and prospect for soft open point based flexible interconnection technology for smart distribution network
[J]. Automation of Electric Power Systems , 2016 , 40 (22 ):168 -175 .
[本文引用: 1]
[5]
杨欢 , 蔡云旖 , 屈子森 , 等 . 配电网柔性开关设备关键技术及其发展趋势
[J]. 电力系统自动化 , 2018 , 42 (7 ):153 -165 .
[本文引用: 1]
YANG Huan , CAI Yunyi , QU Zisen , et al. Key techniques and development trend of soft open point for distribution network
[J]. Automation of Electric Power Systems , 2018 , 42 (7 ):153 -165 .
[本文引用: 1]
[6]
许涛 , 葛雪峰 , 窦竟铭 , 等 . 混合型背靠背智能软开关技术
[J]. 电力工程技术 , 2021 , 40 (4 ):130 -135 ,181.
[本文引用: 1]
XU Tao , GE Xuefeng , DOU Jingming , et al. Technology of hybrid back-to-back soft open point
[J]. Electric Power Engineering Technology , 2021 , 40 (4 ):130 -135 ,181.
[本文引用: 1]
[7]
TANG Y , RAN L , ALATISE O , et al. Capacitor selection for modular multilevel converter
[J]. IEEE Transactions on Industry Applications , 2016 , 52 (4 ):3279 -3293 .
DOI:10.1109/TIA.2016.2533620
URL
[本文引用: 1]
[8]
孙毅超 , 丁楠木 , 王琦 , 等 . 基于共载波调制的功率复合型模块化多电平固态变压器
[J]. 电力工程技术 , 2020 , 39 (4 ):2 -8 .
[本文引用: 1]
SUN Yichao , DING Nanmu , WANG Qi , et al. Power integrated modular multilevel solid-state transformer with common carrier modulation
[J]. Electric Power Engineering Technology , 2020 , 39 (4 ):2 -8 .
[本文引用: 1]
[9]
殷冠贤 , 朱铭炼 , 谢晔源 , 等 . 模块化多电平换流阀新型运行试验拓扑及其控制方法
[J]. 电力工程技术 , 2021 , 40 (4 ):26 -33 .
[本文引用: 1]
YIN Guanxian , ZHU Minglian , XIE Yeyuan , et al. New operation test topology and control method of modular multilevel converter valve
[J]. Electric Power Engineering Technology , 2021 , 40 (4 ):26 -33 .
[本文引用: 1]
[10]
阎发友 , 汤广福 , 贺之渊 , 等 . 基于MMC 的多端柔性直流输电系统改进下垂控制策略
[J]. 中国电机工程学报 , 2014 , 34 (3 ):397 -404 .
[本文引用: 1]
YAN Fayou , TANG Guangfu , HE Zhiyuan , et al. An improved droop control strategy for MMC-based VSC-MTDC systems
[J]. Proceedings of the CSEE , 2014 , 34 (3 ):397 -404 .
[本文引用: 1]
[11]
徐殿国 , 刘瑜超 , 武健 , 等 . 多端直流输电系统控制研究综述
[J]. 电工技术学报 , 2015 , 30 (17 ):1 -12 .
[本文引用: 1]
XU Dianguo , LIU Yuchao , WU Jian , et al. Review on control strategies of multi-terminal direct current transmission system
[J]. Transactions of China Electrotechnical Society , 2015 , 30 (17 ):1 -12 .
[本文引用: 1]
[12]
刘盼盼 , 荆龙 , 吴学智 , 等 . 一种 MMC-MTDC系统新型协调控制策略
[J]. 电网技术 , 2016 , 40 (1 ):64 -69 .
[本文引用: 1]
LIU Panpan , JING Long , WU Xuezhi , et al. A new coordinated control strategy for MMC-MTDC system and stability analysis
[J]. Power System Technology , 2016 , 40 (1 ):64 -69 .
[本文引用: 1]
[13]
BELLMUNT O G , LIANG J , EKANAYAKE J , et al. Topologies of multiterminal HVDC-VSC transmission for large offshore wind farms
[J]. Electric Power System Research , 2011 , 81 :271 -281 .
DOI:10.1016/j.epsr.2010.09.006
URL
[本文引用: 1]
[14]
宋平岗 , 董辉 , 周振邦 , 等 . 适用于 MMC-MTDC 的自适应斜率平坦控制策略
[J]. 高电压技术 , 2017 , 43 (10 ):3265 -3272 .
[本文引用: 1]
SONG Pinggang , DONG Hui , ZHOU Zhenbang , et al. Adaptive droop flatness control strategy for MMC-MTDC
[J]. High Voltage Engineering , 2017 , 43 (10 ):3265 -3272 .
[本文引用: 1]
[15]
张国荣 , 彭勃 , 解润生 , 等 . 柔性多状态开关模型预测协同控制策略
[J]. 电力系统自动化 , 2018 , 42 (10 ):123 -129 ,137.
[本文引用: 2]
ZHANG Guorong , PENG Bo , XIE Runsheng , et al. Predictive synergy control strategy for flexible multi-state switch model
[J]. Automation of Electric Power Systems , 2018 , 42 (10 ):123 -129 ,137.
[本文引用: 2]
[16]
张国荣 , 侯立凯 , 彭勃 , 等 . 柔性多状态开关反馈线性化滑模控制
[J]. 电力系统自动化 , 2020 , 44 (1 ):126 -133 .
[本文引用: 1]
ZHANG Guorong , HOU Likai , PENG Bo , et al. Feedback linearization sliding mode control strategy for soft open point
[J]. Automation of Electric Power Systems , 2020 , 44 (1 ):126 -133 .
[本文引用: 1]
[17]
沈聪 , 张国荣 , 彭勃 , 等 . 具备干扰抑制能力的柔性多状态开关直流电压控制策略
[J]. 高电压技术 , 2020 , 46 (1 ):1198 -1205 .
[本文引用: 1]
SHEN Cong , ZHANG Guorong , PENG Bo , et al. Flexible multistate switching DC voltage control strategy with interference suppression capability
[J]. High Voltage Engineering , 2020 , 46 (1 ):1198 -1205 .
[本文引用: 1]
[18]
张国荣 , 沈聪 , 彭勃 , 等 . 馈线故障下柔性多状态开关的平滑切换策略
[J]. 高电压技术 , 2019 , 45 (10 ):3050 -3058 .
[本文引用: 1]
ZHANG Guorong , SHEN Cong , PENG Po , et al. Smooth switching strategy of flexible multi-state switch in the case of feeder fault
[J]. High Voltage Engineering , 2019 , 45 (10 ):3050 -3058 .
[本文引用: 1]
[19]
张国荣 , 朱一鸣 , 彭勃 , 等 . 基于三端口柔性多状态开关不同运行模式间的切换技术
[J]. 电测与仪表 , 2020 , 57 (11 ):1 -8 .
[本文引用: 1]
ZHANG Guorong , ZHU Yiming , PENG Po , et al. Switching technology of different operating modes based on three-port flexible multi-state switch
[J]. Electrical Measurement & Instrumentation , 2020 , 57 (11 ):1 -8 .
[本文引用: 1]
[20]
ABDELRAHMAN M A , LONG C , WU J , et al. Optimal operation of multi-terminal soft open point to increase hosting capacity of distributed generation in medium voltage networks
[C]// 2018 53rd International Universities Power Engineering Conference (UPEC ). 2008 :1 -8 .
[本文引用: 1]
适用高比例新能源系统广域消纳的输电技术研究综述
1
2020
... 在“双碳”和“双高”的大背景下,分布式新能源在配电网中的渗透率不断提高.但是,高比例新能源的接入也给配电网带来了潮流倒送和电压越限等问题[1 -2 ] .为了解决这些问题,配电网通过网络重构,改变线路中联络开关的开合状态,进行功率的合理分布.然而传统联络开关灵活性较差、响应速度较慢,难以实现实时准确的潮流控制[3 ] .因此,英国帝国理工学院的研究学者用柔性多状态开关(Soft open point,SOP)来取代传统配电网中的联络开关[4 ] .SOP具有潮流调节灵活和响应快速等优点,可有效促进新能源的协同消纳,提高配电网电能质量[5 -6 ] .在各类SOP拓扑中,模块化多电平换流器(Modular multilevel converter,MMC)具有输出波形质量高、可扩展性好、开关损耗低等优点[7 ⇓ -9 ] ,在中压配电网中有较好的应用前景,因此本文以基于MMC的SOP为研究对象. ...
Summary of research on transmission technology suitable for wide area absorption of high proportion new energy system
1
2020
... 在“双碳”和“双高”的大背景下,分布式新能源在配电网中的渗透率不断提高.但是,高比例新能源的接入也给配电网带来了潮流倒送和电压越限等问题[1 -2 ] .为了解决这些问题,配电网通过网络重构,改变线路中联络开关的开合状态,进行功率的合理分布.然而传统联络开关灵活性较差、响应速度较慢,难以实现实时准确的潮流控制[3 ] .因此,英国帝国理工学院的研究学者用柔性多状态开关(Soft open point,SOP)来取代传统配电网中的联络开关[4 ] .SOP具有潮流调节灵活和响应快速等优点,可有效促进新能源的协同消纳,提高配电网电能质量[5 -6 ] .在各类SOP拓扑中,模块化多电平换流器(Modular multilevel converter,MMC)具有输出波形质量高、可扩展性好、开关损耗低等优点[7 ⇓ -9 ] ,在中压配电网中有较好的应用前景,因此本文以基于MMC的SOP为研究对象. ...
Multistage coordination Volt/VAR control with CVR in active distribution network in presence of inverter-based DG units and soft open points
1
2021
... 在“双碳”和“双高”的大背景下,分布式新能源在配电网中的渗透率不断提高.但是,高比例新能源的接入也给配电网带来了潮流倒送和电压越限等问题[1 -2 ] .为了解决这些问题,配电网通过网络重构,改变线路中联络开关的开合状态,进行功率的合理分布.然而传统联络开关灵活性较差、响应速度较慢,难以实现实时准确的潮流控制[3 ] .因此,英国帝国理工学院的研究学者用柔性多状态开关(Soft open point,SOP)来取代传统配电网中的联络开关[4 ] .SOP具有潮流调节灵活和响应快速等优点,可有效促进新能源的协同消纳,提高配电网电能质量[5 -6 ] .在各类SOP拓扑中,模块化多电平换流器(Modular multilevel converter,MMC)具有输出波形质量高、可扩展性好、开关损耗低等优点[7 ⇓ -9 ] ,在中压配电网中有较好的应用前景,因此本文以基于MMC的SOP为研究对象. ...
直流配电网电压控制技术综述
1
2021
... 在“双碳”和“双高”的大背景下,分布式新能源在配电网中的渗透率不断提高.但是,高比例新能源的接入也给配电网带来了潮流倒送和电压越限等问题[1 -2 ] .为了解决这些问题,配电网通过网络重构,改变线路中联络开关的开合状态,进行功率的合理分布.然而传统联络开关灵活性较差、响应速度较慢,难以实现实时准确的潮流控制[3 ] .因此,英国帝国理工学院的研究学者用柔性多状态开关(Soft open point,SOP)来取代传统配电网中的联络开关[4 ] .SOP具有潮流调节灵活和响应快速等优点,可有效促进新能源的协同消纳,提高配电网电能质量[5 -6 ] .在各类SOP拓扑中,模块化多电平换流器(Modular multilevel converter,MMC)具有输出波形质量高、可扩展性好、开关损耗低等优点[7 ⇓ -9 ] ,在中压配电网中有较好的应用前景,因此本文以基于MMC的SOP为研究对象. ...
A review on voltage control strategies in DC distribution network
1
2021
... 在“双碳”和“双高”的大背景下,分布式新能源在配电网中的渗透率不断提高.但是,高比例新能源的接入也给配电网带来了潮流倒送和电压越限等问题[1 -2 ] .为了解决这些问题,配电网通过网络重构,改变线路中联络开关的开合状态,进行功率的合理分布.然而传统联络开关灵活性较差、响应速度较慢,难以实现实时准确的潮流控制[3 ] .因此,英国帝国理工学院的研究学者用柔性多状态开关(Soft open point,SOP)来取代传统配电网中的联络开关[4 ] .SOP具有潮流调节灵活和响应快速等优点,可有效促进新能源的协同消纳,提高配电网电能质量[5 -6 ] .在各类SOP拓扑中,模块化多电平换流器(Modular multilevel converter,MMC)具有输出波形质量高、可扩展性好、开关损耗低等优点[7 ⇓ -9 ] ,在中压配电网中有较好的应用前景,因此本文以基于MMC的SOP为研究对象. ...
基于智能软开关的智能配电网柔性互联技术及展望
1
2016
... 在“双碳”和“双高”的大背景下,分布式新能源在配电网中的渗透率不断提高.但是,高比例新能源的接入也给配电网带来了潮流倒送和电压越限等问题[1 -2 ] .为了解决这些问题,配电网通过网络重构,改变线路中联络开关的开合状态,进行功率的合理分布.然而传统联络开关灵活性较差、响应速度较慢,难以实现实时准确的潮流控制[3 ] .因此,英国帝国理工学院的研究学者用柔性多状态开关(Soft open point,SOP)来取代传统配电网中的联络开关[4 ] .SOP具有潮流调节灵活和响应快速等优点,可有效促进新能源的协同消纳,提高配电网电能质量[5 -6 ] .在各类SOP拓扑中,模块化多电平换流器(Modular multilevel converter,MMC)具有输出波形质量高、可扩展性好、开关损耗低等优点[7 ⇓ -9 ] ,在中压配电网中有较好的应用前景,因此本文以基于MMC的SOP为研究对象. ...
Research and prospect for soft open point based flexible interconnection technology for smart distribution network
1
2016
... 在“双碳”和“双高”的大背景下,分布式新能源在配电网中的渗透率不断提高.但是,高比例新能源的接入也给配电网带来了潮流倒送和电压越限等问题[1 -2 ] .为了解决这些问题,配电网通过网络重构,改变线路中联络开关的开合状态,进行功率的合理分布.然而传统联络开关灵活性较差、响应速度较慢,难以实现实时准确的潮流控制[3 ] .因此,英国帝国理工学院的研究学者用柔性多状态开关(Soft open point,SOP)来取代传统配电网中的联络开关[4 ] .SOP具有潮流调节灵活和响应快速等优点,可有效促进新能源的协同消纳,提高配电网电能质量[5 -6 ] .在各类SOP拓扑中,模块化多电平换流器(Modular multilevel converter,MMC)具有输出波形质量高、可扩展性好、开关损耗低等优点[7 ⇓ -9 ] ,在中压配电网中有较好的应用前景,因此本文以基于MMC的SOP为研究对象. ...
配电网柔性开关设备关键技术及其发展趋势
1
2018
... 在“双碳”和“双高”的大背景下,分布式新能源在配电网中的渗透率不断提高.但是,高比例新能源的接入也给配电网带来了潮流倒送和电压越限等问题[1 -2 ] .为了解决这些问题,配电网通过网络重构,改变线路中联络开关的开合状态,进行功率的合理分布.然而传统联络开关灵活性较差、响应速度较慢,难以实现实时准确的潮流控制[3 ] .因此,英国帝国理工学院的研究学者用柔性多状态开关(Soft open point,SOP)来取代传统配电网中的联络开关[4 ] .SOP具有潮流调节灵活和响应快速等优点,可有效促进新能源的协同消纳,提高配电网电能质量[5 -6 ] .在各类SOP拓扑中,模块化多电平换流器(Modular multilevel converter,MMC)具有输出波形质量高、可扩展性好、开关损耗低等优点[7 ⇓ -9 ] ,在中压配电网中有较好的应用前景,因此本文以基于MMC的SOP为研究对象. ...
Key techniques and development trend of soft open point for distribution network
1
2018
... 在“双碳”和“双高”的大背景下,分布式新能源在配电网中的渗透率不断提高.但是,高比例新能源的接入也给配电网带来了潮流倒送和电压越限等问题[1 -2 ] .为了解决这些问题,配电网通过网络重构,改变线路中联络开关的开合状态,进行功率的合理分布.然而传统联络开关灵活性较差、响应速度较慢,难以实现实时准确的潮流控制[3 ] .因此,英国帝国理工学院的研究学者用柔性多状态开关(Soft open point,SOP)来取代传统配电网中的联络开关[4 ] .SOP具有潮流调节灵活和响应快速等优点,可有效促进新能源的协同消纳,提高配电网电能质量[5 -6 ] .在各类SOP拓扑中,模块化多电平换流器(Modular multilevel converter,MMC)具有输出波形质量高、可扩展性好、开关损耗低等优点[7 ⇓ -9 ] ,在中压配电网中有较好的应用前景,因此本文以基于MMC的SOP为研究对象. ...
混合型背靠背智能软开关技术
1
2021
... 在“双碳”和“双高”的大背景下,分布式新能源在配电网中的渗透率不断提高.但是,高比例新能源的接入也给配电网带来了潮流倒送和电压越限等问题[1 -2 ] .为了解决这些问题,配电网通过网络重构,改变线路中联络开关的开合状态,进行功率的合理分布.然而传统联络开关灵活性较差、响应速度较慢,难以实现实时准确的潮流控制[3 ] .因此,英国帝国理工学院的研究学者用柔性多状态开关(Soft open point,SOP)来取代传统配电网中的联络开关[4 ] .SOP具有潮流调节灵活和响应快速等优点,可有效促进新能源的协同消纳,提高配电网电能质量[5 -6 ] .在各类SOP拓扑中,模块化多电平换流器(Modular multilevel converter,MMC)具有输出波形质量高、可扩展性好、开关损耗低等优点[7 ⇓ -9 ] ,在中压配电网中有较好的应用前景,因此本文以基于MMC的SOP为研究对象. ...
Technology of hybrid back-to-back soft open point
1
2021
... 在“双碳”和“双高”的大背景下,分布式新能源在配电网中的渗透率不断提高.但是,高比例新能源的接入也给配电网带来了潮流倒送和电压越限等问题[1 -2 ] .为了解决这些问题,配电网通过网络重构,改变线路中联络开关的开合状态,进行功率的合理分布.然而传统联络开关灵活性较差、响应速度较慢,难以实现实时准确的潮流控制[3 ] .因此,英国帝国理工学院的研究学者用柔性多状态开关(Soft open point,SOP)来取代传统配电网中的联络开关[4 ] .SOP具有潮流调节灵活和响应快速等优点,可有效促进新能源的协同消纳,提高配电网电能质量[5 -6 ] .在各类SOP拓扑中,模块化多电平换流器(Modular multilevel converter,MMC)具有输出波形质量高、可扩展性好、开关损耗低等优点[7 ⇓ -9 ] ,在中压配电网中有较好的应用前景,因此本文以基于MMC的SOP为研究对象. ...
Capacitor selection for modular multilevel converter
1
2016
... 在“双碳”和“双高”的大背景下,分布式新能源在配电网中的渗透率不断提高.但是,高比例新能源的接入也给配电网带来了潮流倒送和电压越限等问题[1 -2 ] .为了解决这些问题,配电网通过网络重构,改变线路中联络开关的开合状态,进行功率的合理分布.然而传统联络开关灵活性较差、响应速度较慢,难以实现实时准确的潮流控制[3 ] .因此,英国帝国理工学院的研究学者用柔性多状态开关(Soft open point,SOP)来取代传统配电网中的联络开关[4 ] .SOP具有潮流调节灵活和响应快速等优点,可有效促进新能源的协同消纳,提高配电网电能质量[5 -6 ] .在各类SOP拓扑中,模块化多电平换流器(Modular multilevel converter,MMC)具有输出波形质量高、可扩展性好、开关损耗低等优点[7 ⇓ -9 ] ,在中压配电网中有较好的应用前景,因此本文以基于MMC的SOP为研究对象. ...
基于共载波调制的功率复合型模块化多电平固态变压器
1
2020
... 在“双碳”和“双高”的大背景下,分布式新能源在配电网中的渗透率不断提高.但是,高比例新能源的接入也给配电网带来了潮流倒送和电压越限等问题[1 -2 ] .为了解决这些问题,配电网通过网络重构,改变线路中联络开关的开合状态,进行功率的合理分布.然而传统联络开关灵活性较差、响应速度较慢,难以实现实时准确的潮流控制[3 ] .因此,英国帝国理工学院的研究学者用柔性多状态开关(Soft open point,SOP)来取代传统配电网中的联络开关[4 ] .SOP具有潮流调节灵活和响应快速等优点,可有效促进新能源的协同消纳,提高配电网电能质量[5 -6 ] .在各类SOP拓扑中,模块化多电平换流器(Modular multilevel converter,MMC)具有输出波形质量高、可扩展性好、开关损耗低等优点[7 ⇓ -9 ] ,在中压配电网中有较好的应用前景,因此本文以基于MMC的SOP为研究对象. ...
Power integrated modular multilevel solid-state transformer with common carrier modulation
1
2020
... 在“双碳”和“双高”的大背景下,分布式新能源在配电网中的渗透率不断提高.但是,高比例新能源的接入也给配电网带来了潮流倒送和电压越限等问题[1 -2 ] .为了解决这些问题,配电网通过网络重构,改变线路中联络开关的开合状态,进行功率的合理分布.然而传统联络开关灵活性较差、响应速度较慢,难以实现实时准确的潮流控制[3 ] .因此,英国帝国理工学院的研究学者用柔性多状态开关(Soft open point,SOP)来取代传统配电网中的联络开关[4 ] .SOP具有潮流调节灵活和响应快速等优点,可有效促进新能源的协同消纳,提高配电网电能质量[5 -6 ] .在各类SOP拓扑中,模块化多电平换流器(Modular multilevel converter,MMC)具有输出波形质量高、可扩展性好、开关损耗低等优点[7 ⇓ -9 ] ,在中压配电网中有较好的应用前景,因此本文以基于MMC的SOP为研究对象. ...
模块化多电平换流阀新型运行试验拓扑及其控制方法
1
2021
... 在“双碳”和“双高”的大背景下,分布式新能源在配电网中的渗透率不断提高.但是,高比例新能源的接入也给配电网带来了潮流倒送和电压越限等问题[1 -2 ] .为了解决这些问题,配电网通过网络重构,改变线路中联络开关的开合状态,进行功率的合理分布.然而传统联络开关灵活性较差、响应速度较慢,难以实现实时准确的潮流控制[3 ] .因此,英国帝国理工学院的研究学者用柔性多状态开关(Soft open point,SOP)来取代传统配电网中的联络开关[4 ] .SOP具有潮流调节灵活和响应快速等优点,可有效促进新能源的协同消纳,提高配电网电能质量[5 -6 ] .在各类SOP拓扑中,模块化多电平换流器(Modular multilevel converter,MMC)具有输出波形质量高、可扩展性好、开关损耗低等优点[7 ⇓ -9 ] ,在中压配电网中有较好的应用前景,因此本文以基于MMC的SOP为研究对象. ...
New operation test topology and control method of modular multilevel converter valve
1
2021
... 在“双碳”和“双高”的大背景下,分布式新能源在配电网中的渗透率不断提高.但是,高比例新能源的接入也给配电网带来了潮流倒送和电压越限等问题[1 -2 ] .为了解决这些问题,配电网通过网络重构,改变线路中联络开关的开合状态,进行功率的合理分布.然而传统联络开关灵活性较差、响应速度较慢,难以实现实时准确的潮流控制[3 ] .因此,英国帝国理工学院的研究学者用柔性多状态开关(Soft open point,SOP)来取代传统配电网中的联络开关[4 ] .SOP具有潮流调节灵活和响应快速等优点,可有效促进新能源的协同消纳,提高配电网电能质量[5 -6 ] .在各类SOP拓扑中,模块化多电平换流器(Modular multilevel converter,MMC)具有输出波形质量高、可扩展性好、开关损耗低等优点[7 ⇓ -9 ] ,在中压配电网中有较好的应用前景,因此本文以基于MMC的SOP为研究对象. ...
基于MMC 的多端柔性直流输电系统改进下垂控制策略
1
2014
... SOP中各换流器的功率协调控制对系统的稳定运行至关重要.协调控制的主要目标有以下2点:① 直流电压不能越限;② 受扰后功率快速平衡[10 ] .主从和下垂是两种典型的协调控制[11 -12 ] ,主从控制可准确控制各换流器功率,直流电压稳定性好,但依赖于各换流器间的通信[13 ] .下垂控制不依赖通信,但直流电压工作点不固定,无法精准调控各换流器功率[14 ] .因此,考虑到SOP中部分换流器需要定功率输出,且各换流器间的线路较短,本文针对主从控制展开研究. ...
An improved droop control strategy for MMC-based VSC-MTDC systems
1
2014
... SOP中各换流器的功率协调控制对系统的稳定运行至关重要.协调控制的主要目标有以下2点:① 直流电压不能越限;② 受扰后功率快速平衡[10 ] .主从和下垂是两种典型的协调控制[11 -12 ] ,主从控制可准确控制各换流器功率,直流电压稳定性好,但依赖于各换流器间的通信[13 ] .下垂控制不依赖通信,但直流电压工作点不固定,无法精准调控各换流器功率[14 ] .因此,考虑到SOP中部分换流器需要定功率输出,且各换流器间的线路较短,本文针对主从控制展开研究. ...
多端直流输电系统控制研究综述
1
2015
... SOP中各换流器的功率协调控制对系统的稳定运行至关重要.协调控制的主要目标有以下2点:① 直流电压不能越限;② 受扰后功率快速平衡[10 ] .主从和下垂是两种典型的协调控制[11 -12 ] ,主从控制可准确控制各换流器功率,直流电压稳定性好,但依赖于各换流器间的通信[13 ] .下垂控制不依赖通信,但直流电压工作点不固定,无法精准调控各换流器功率[14 ] .因此,考虑到SOP中部分换流器需要定功率输出,且各换流器间的线路较短,本文针对主从控制展开研究. ...
Review on control strategies of multi-terminal direct current transmission system
1
2015
... SOP中各换流器的功率协调控制对系统的稳定运行至关重要.协调控制的主要目标有以下2点:① 直流电压不能越限;② 受扰后功率快速平衡[10 ] .主从和下垂是两种典型的协调控制[11 -12 ] ,主从控制可准确控制各换流器功率,直流电压稳定性好,但依赖于各换流器间的通信[13 ] .下垂控制不依赖通信,但直流电压工作点不固定,无法精准调控各换流器功率[14 ] .因此,考虑到SOP中部分换流器需要定功率输出,且各换流器间的线路较短,本文针对主从控制展开研究. ...
一种 MMC-MTDC系统新型协调控制策略
1
2016
... SOP中各换流器的功率协调控制对系统的稳定运行至关重要.协调控制的主要目标有以下2点:① 直流电压不能越限;② 受扰后功率快速平衡[10 ] .主从和下垂是两种典型的协调控制[11 -12 ] ,主从控制可准确控制各换流器功率,直流电压稳定性好,但依赖于各换流器间的通信[13 ] .下垂控制不依赖通信,但直流电压工作点不固定,无法精准调控各换流器功率[14 ] .因此,考虑到SOP中部分换流器需要定功率输出,且各换流器间的线路较短,本文针对主从控制展开研究. ...
A new coordinated control strategy for MMC-MTDC system and stability analysis
1
2016
... SOP中各换流器的功率协调控制对系统的稳定运行至关重要.协调控制的主要目标有以下2点:① 直流电压不能越限;② 受扰后功率快速平衡[10 ] .主从和下垂是两种典型的协调控制[11 -12 ] ,主从控制可准确控制各换流器功率,直流电压稳定性好,但依赖于各换流器间的通信[13 ] .下垂控制不依赖通信,但直流电压工作点不固定,无法精准调控各换流器功率[14 ] .因此,考虑到SOP中部分换流器需要定功率输出,且各换流器间的线路较短,本文针对主从控制展开研究. ...
Topologies of multiterminal HVDC-VSC transmission for large offshore wind farms
1
2011
... SOP中各换流器的功率协调控制对系统的稳定运行至关重要.协调控制的主要目标有以下2点:① 直流电压不能越限;② 受扰后功率快速平衡[10 ] .主从和下垂是两种典型的协调控制[11 -12 ] ,主从控制可准确控制各换流器功率,直流电压稳定性好,但依赖于各换流器间的通信[13 ] .下垂控制不依赖通信,但直流电压工作点不固定,无法精准调控各换流器功率[14 ] .因此,考虑到SOP中部分换流器需要定功率输出,且各换流器间的线路较短,本文针对主从控制展开研究. ...
适用于 MMC-MTDC 的自适应斜率平坦控制策略
1
2017
... SOP中各换流器的功率协调控制对系统的稳定运行至关重要.协调控制的主要目标有以下2点:① 直流电压不能越限;② 受扰后功率快速平衡[10 ] .主从和下垂是两种典型的协调控制[11 -12 ] ,主从控制可准确控制各换流器功率,直流电压稳定性好,但依赖于各换流器间的通信[13 ] .下垂控制不依赖通信,但直流电压工作点不固定,无法精准调控各换流器功率[14 ] .因此,考虑到SOP中部分换流器需要定功率输出,且各换流器间的线路较短,本文针对主从控制展开研究. ...
Adaptive droop flatness control strategy for MMC-MTDC
1
2017
... SOP中各换流器的功率协调控制对系统的稳定运行至关重要.协调控制的主要目标有以下2点:① 直流电压不能越限;② 受扰后功率快速平衡[10 ] .主从和下垂是两种典型的协调控制[11 -12 ] ,主从控制可准确控制各换流器功率,直流电压稳定性好,但依赖于各换流器间的通信[13 ] .下垂控制不依赖通信,但直流电压工作点不固定,无法精准调控各换流器功率[14 ] .因此,考虑到SOP中部分换流器需要定功率输出,且各换流器间的线路较短,本文针对主从控制展开研究. ...
柔性多状态开关模型预测协同控制策略
2
2018
... 传统的主从控制中主控换流器采用定直流电压控制模式,其余从控换流器采用定功率控制模式;在系统出现功率波动时,依赖主控换流器调控系统功率平衡,存在直流电压越限和交流功率超调的隐患.文献[15 ]利用模型预测控制替代传统比例-积分(Proportional-integral,PI)控制,使SOP具有较好的抗干扰能力和动态恢复能力,但是该方法存在计算量大和谐波分布广的问题.文献[16 ]在文献[15 ]的基础上,提出了反馈线性化滑模控制策略,在保证SOP协调运行的同时减少计算量和谐波分布,但上述协调控制主要针对系统小功率波动.文献[17 ]采用干扰观测值前馈的方案抑制系统干扰对直流电压的影响,但是其电压外环的比例积分系数选取困难.文献[18 ]利用稳态逆模型生成的电流预估值修正内环电流参考值,使SOP能在大功率波动时减少功率超调量,降低电压过冲值.但该方法增加了计算量,且未考虑小功率波动时的稳态性能.文献[19 ]采用控制器状态跟踪控制方法,实现三端SOP并离网时的协调控制,但是其控制器结构复杂且小功率波动时依旧存在主换流器功率超调问题. ...
... ]在文献[15 ]的基础上,提出了反馈线性化滑模控制策略,在保证SOP协调运行的同时减少计算量和谐波分布,但上述协调控制主要针对系统小功率波动.文献[17 ]采用干扰观测值前馈的方案抑制系统干扰对直流电压的影响,但是其电压外环的比例积分系数选取困难.文献[18 ]利用稳态逆模型生成的电流预估值修正内环电流参考值,使SOP能在大功率波动时减少功率超调量,降低电压过冲值.但该方法增加了计算量,且未考虑小功率波动时的稳态性能.文献[19 ]采用控制器状态跟踪控制方法,实现三端SOP并离网时的协调控制,但是其控制器结构复杂且小功率波动时依旧存在主换流器功率超调问题. ...
Predictive synergy control strategy for flexible multi-state switch model
2
2018
... 传统的主从控制中主控换流器采用定直流电压控制模式,其余从控换流器采用定功率控制模式;在系统出现功率波动时,依赖主控换流器调控系统功率平衡,存在直流电压越限和交流功率超调的隐患.文献[15 ]利用模型预测控制替代传统比例-积分(Proportional-integral,PI)控制,使SOP具有较好的抗干扰能力和动态恢复能力,但是该方法存在计算量大和谐波分布广的问题.文献[16 ]在文献[15 ]的基础上,提出了反馈线性化滑模控制策略,在保证SOP协调运行的同时减少计算量和谐波分布,但上述协调控制主要针对系统小功率波动.文献[17 ]采用干扰观测值前馈的方案抑制系统干扰对直流电压的影响,但是其电压外环的比例积分系数选取困难.文献[18 ]利用稳态逆模型生成的电流预估值修正内环电流参考值,使SOP能在大功率波动时减少功率超调量,降低电压过冲值.但该方法增加了计算量,且未考虑小功率波动时的稳态性能.文献[19 ]采用控制器状态跟踪控制方法,实现三端SOP并离网时的协调控制,但是其控制器结构复杂且小功率波动时依旧存在主换流器功率超调问题. ...
... ]在文献[15 ]的基础上,提出了反馈线性化滑模控制策略,在保证SOP协调运行的同时减少计算量和谐波分布,但上述协调控制主要针对系统小功率波动.文献[17 ]采用干扰观测值前馈的方案抑制系统干扰对直流电压的影响,但是其电压外环的比例积分系数选取困难.文献[18 ]利用稳态逆模型生成的电流预估值修正内环电流参考值,使SOP能在大功率波动时减少功率超调量,降低电压过冲值.但该方法增加了计算量,且未考虑小功率波动时的稳态性能.文献[19 ]采用控制器状态跟踪控制方法,实现三端SOP并离网时的协调控制,但是其控制器结构复杂且小功率波动时依旧存在主换流器功率超调问题. ...
柔性多状态开关反馈线性化滑模控制
1
2020
... 传统的主从控制中主控换流器采用定直流电压控制模式,其余从控换流器采用定功率控制模式;在系统出现功率波动时,依赖主控换流器调控系统功率平衡,存在直流电压越限和交流功率超调的隐患.文献[15 ]利用模型预测控制替代传统比例-积分(Proportional-integral,PI)控制,使SOP具有较好的抗干扰能力和动态恢复能力,但是该方法存在计算量大和谐波分布广的问题.文献[16 ]在文献[15 ]的基础上,提出了反馈线性化滑模控制策略,在保证SOP协调运行的同时减少计算量和谐波分布,但上述协调控制主要针对系统小功率波动.文献[17 ]采用干扰观测值前馈的方案抑制系统干扰对直流电压的影响,但是其电压外环的比例积分系数选取困难.文献[18 ]利用稳态逆模型生成的电流预估值修正内环电流参考值,使SOP能在大功率波动时减少功率超调量,降低电压过冲值.但该方法增加了计算量,且未考虑小功率波动时的稳态性能.文献[19 ]采用控制器状态跟踪控制方法,实现三端SOP并离网时的协调控制,但是其控制器结构复杂且小功率波动时依旧存在主换流器功率超调问题. ...
Feedback linearization sliding mode control strategy for soft open point
1
2020
... 传统的主从控制中主控换流器采用定直流电压控制模式,其余从控换流器采用定功率控制模式;在系统出现功率波动时,依赖主控换流器调控系统功率平衡,存在直流电压越限和交流功率超调的隐患.文献[15 ]利用模型预测控制替代传统比例-积分(Proportional-integral,PI)控制,使SOP具有较好的抗干扰能力和动态恢复能力,但是该方法存在计算量大和谐波分布广的问题.文献[16 ]在文献[15 ]的基础上,提出了反馈线性化滑模控制策略,在保证SOP协调运行的同时减少计算量和谐波分布,但上述协调控制主要针对系统小功率波动.文献[17 ]采用干扰观测值前馈的方案抑制系统干扰对直流电压的影响,但是其电压外环的比例积分系数选取困难.文献[18 ]利用稳态逆模型生成的电流预估值修正内环电流参考值,使SOP能在大功率波动时减少功率超调量,降低电压过冲值.但该方法增加了计算量,且未考虑小功率波动时的稳态性能.文献[19 ]采用控制器状态跟踪控制方法,实现三端SOP并离网时的协调控制,但是其控制器结构复杂且小功率波动时依旧存在主换流器功率超调问题. ...
具备干扰抑制能力的柔性多状态开关直流电压控制策略
1
2020
... 传统的主从控制中主控换流器采用定直流电压控制模式,其余从控换流器采用定功率控制模式;在系统出现功率波动时,依赖主控换流器调控系统功率平衡,存在直流电压越限和交流功率超调的隐患.文献[15 ]利用模型预测控制替代传统比例-积分(Proportional-integral,PI)控制,使SOP具有较好的抗干扰能力和动态恢复能力,但是该方法存在计算量大和谐波分布广的问题.文献[16 ]在文献[15 ]的基础上,提出了反馈线性化滑模控制策略,在保证SOP协调运行的同时减少计算量和谐波分布,但上述协调控制主要针对系统小功率波动.文献[17 ]采用干扰观测值前馈的方案抑制系统干扰对直流电压的影响,但是其电压外环的比例积分系数选取困难.文献[18 ]利用稳态逆模型生成的电流预估值修正内环电流参考值,使SOP能在大功率波动时减少功率超调量,降低电压过冲值.但该方法增加了计算量,且未考虑小功率波动时的稳态性能.文献[19 ]采用控制器状态跟踪控制方法,实现三端SOP并离网时的协调控制,但是其控制器结构复杂且小功率波动时依旧存在主换流器功率超调问题. ...
Flexible multistate switching DC voltage control strategy with interference suppression capability
1
2020
... 传统的主从控制中主控换流器采用定直流电压控制模式,其余从控换流器采用定功率控制模式;在系统出现功率波动时,依赖主控换流器调控系统功率平衡,存在直流电压越限和交流功率超调的隐患.文献[15 ]利用模型预测控制替代传统比例-积分(Proportional-integral,PI)控制,使SOP具有较好的抗干扰能力和动态恢复能力,但是该方法存在计算量大和谐波分布广的问题.文献[16 ]在文献[15 ]的基础上,提出了反馈线性化滑模控制策略,在保证SOP协调运行的同时减少计算量和谐波分布,但上述协调控制主要针对系统小功率波动.文献[17 ]采用干扰观测值前馈的方案抑制系统干扰对直流电压的影响,但是其电压外环的比例积分系数选取困难.文献[18 ]利用稳态逆模型生成的电流预估值修正内环电流参考值,使SOP能在大功率波动时减少功率超调量,降低电压过冲值.但该方法增加了计算量,且未考虑小功率波动时的稳态性能.文献[19 ]采用控制器状态跟踪控制方法,实现三端SOP并离网时的协调控制,但是其控制器结构复杂且小功率波动时依旧存在主换流器功率超调问题. ...
馈线故障下柔性多状态开关的平滑切换策略
1
2019
... 传统的主从控制中主控换流器采用定直流电压控制模式,其余从控换流器采用定功率控制模式;在系统出现功率波动时,依赖主控换流器调控系统功率平衡,存在直流电压越限和交流功率超调的隐患.文献[15 ]利用模型预测控制替代传统比例-积分(Proportional-integral,PI)控制,使SOP具有较好的抗干扰能力和动态恢复能力,但是该方法存在计算量大和谐波分布广的问题.文献[16 ]在文献[15 ]的基础上,提出了反馈线性化滑模控制策略,在保证SOP协调运行的同时减少计算量和谐波分布,但上述协调控制主要针对系统小功率波动.文献[17 ]采用干扰观测值前馈的方案抑制系统干扰对直流电压的影响,但是其电压外环的比例积分系数选取困难.文献[18 ]利用稳态逆模型生成的电流预估值修正内环电流参考值,使SOP能在大功率波动时减少功率超调量,降低电压过冲值.但该方法增加了计算量,且未考虑小功率波动时的稳态性能.文献[19 ]采用控制器状态跟踪控制方法,实现三端SOP并离网时的协调控制,但是其控制器结构复杂且小功率波动时依旧存在主换流器功率超调问题. ...
Smooth switching strategy of flexible multi-state switch in the case of feeder fault
1
2019
... 传统的主从控制中主控换流器采用定直流电压控制模式,其余从控换流器采用定功率控制模式;在系统出现功率波动时,依赖主控换流器调控系统功率平衡,存在直流电压越限和交流功率超调的隐患.文献[15 ]利用模型预测控制替代传统比例-积分(Proportional-integral,PI)控制,使SOP具有较好的抗干扰能力和动态恢复能力,但是该方法存在计算量大和谐波分布广的问题.文献[16 ]在文献[15 ]的基础上,提出了反馈线性化滑模控制策略,在保证SOP协调运行的同时减少计算量和谐波分布,但上述协调控制主要针对系统小功率波动.文献[17 ]采用干扰观测值前馈的方案抑制系统干扰对直流电压的影响,但是其电压外环的比例积分系数选取困难.文献[18 ]利用稳态逆模型生成的电流预估值修正内环电流参考值,使SOP能在大功率波动时减少功率超调量,降低电压过冲值.但该方法增加了计算量,且未考虑小功率波动时的稳态性能.文献[19 ]采用控制器状态跟踪控制方法,实现三端SOP并离网时的协调控制,但是其控制器结构复杂且小功率波动时依旧存在主换流器功率超调问题. ...
基于三端口柔性多状态开关不同运行模式间的切换技术
1
2020
... 传统的主从控制中主控换流器采用定直流电压控制模式,其余从控换流器采用定功率控制模式;在系统出现功率波动时,依赖主控换流器调控系统功率平衡,存在直流电压越限和交流功率超调的隐患.文献[15 ]利用模型预测控制替代传统比例-积分(Proportional-integral,PI)控制,使SOP具有较好的抗干扰能力和动态恢复能力,但是该方法存在计算量大和谐波分布广的问题.文献[16 ]在文献[15 ]的基础上,提出了反馈线性化滑模控制策略,在保证SOP协调运行的同时减少计算量和谐波分布,但上述协调控制主要针对系统小功率波动.文献[17 ]采用干扰观测值前馈的方案抑制系统干扰对直流电压的影响,但是其电压外环的比例积分系数选取困难.文献[18 ]利用稳态逆模型生成的电流预估值修正内环电流参考值,使SOP能在大功率波动时减少功率超调量,降低电压过冲值.但该方法增加了计算量,且未考虑小功率波动时的稳态性能.文献[19 ]采用控制器状态跟踪控制方法,实现三端SOP并离网时的协调控制,但是其控制器结构复杂且小功率波动时依旧存在主换流器功率超调问题. ...
Switching technology of different operating modes based on three-port flexible multi-state switch
1
2020
... 传统的主从控制中主控换流器采用定直流电压控制模式,其余从控换流器采用定功率控制模式;在系统出现功率波动时,依赖主控换流器调控系统功率平衡,存在直流电压越限和交流功率超调的隐患.文献[15 ]利用模型预测控制替代传统比例-积分(Proportional-integral,PI)控制,使SOP具有较好的抗干扰能力和动态恢复能力,但是该方法存在计算量大和谐波分布广的问题.文献[16 ]在文献[15 ]的基础上,提出了反馈线性化滑模控制策略,在保证SOP协调运行的同时减少计算量和谐波分布,但上述协调控制主要针对系统小功率波动.文献[17 ]采用干扰观测值前馈的方案抑制系统干扰对直流电压的影响,但是其电压外环的比例积分系数选取困难.文献[18 ]利用稳态逆模型生成的电流预估值修正内环电流参考值,使SOP能在大功率波动时减少功率超调量,降低电压过冲值.但该方法增加了计算量,且未考虑小功率波动时的稳态性能.文献[19 ]采用控制器状态跟踪控制方法,实现三端SOP并离网时的协调控制,但是其控制器结构复杂且小功率波动时依旧存在主换流器功率超调问题. ...
Optimal operation of multi-terminal soft open point to increase hosting capacity of distributed generation in medium voltage networks
1
2008
... SOP是由两个及以上的MMC通过公共直流线路连接而成的.与两端SOP相比,三端SOP减少了网络能量损失,并使配电网络能够承载更多的分布式能源[20 ] .本文采用的三端SOP拓扑结构如图1 所示.SOP的各端换流器结构一致,同时各换流器采用的三相MMC换流器的每相具有对称结构.单相MMC的拓扑结构如图2 所示.MMC的每个相单元由上下桥臂组成,每个桥臂又由桥臂电抗器L 和n 个级联子模块组成. ...