柔性多状态开关的改进协调控制策略
*
周飞杨, 王楚扬, 张犁, 林金娇, 孔祥平, 郑俊超
Research on Improved Coordination Control Strategy for Soft Open Point
ZHOU Feiyang, WANG Chuyang, ZHANG Li, LIN Jinjiao, KONG Xiangping, ZHENG Junchao
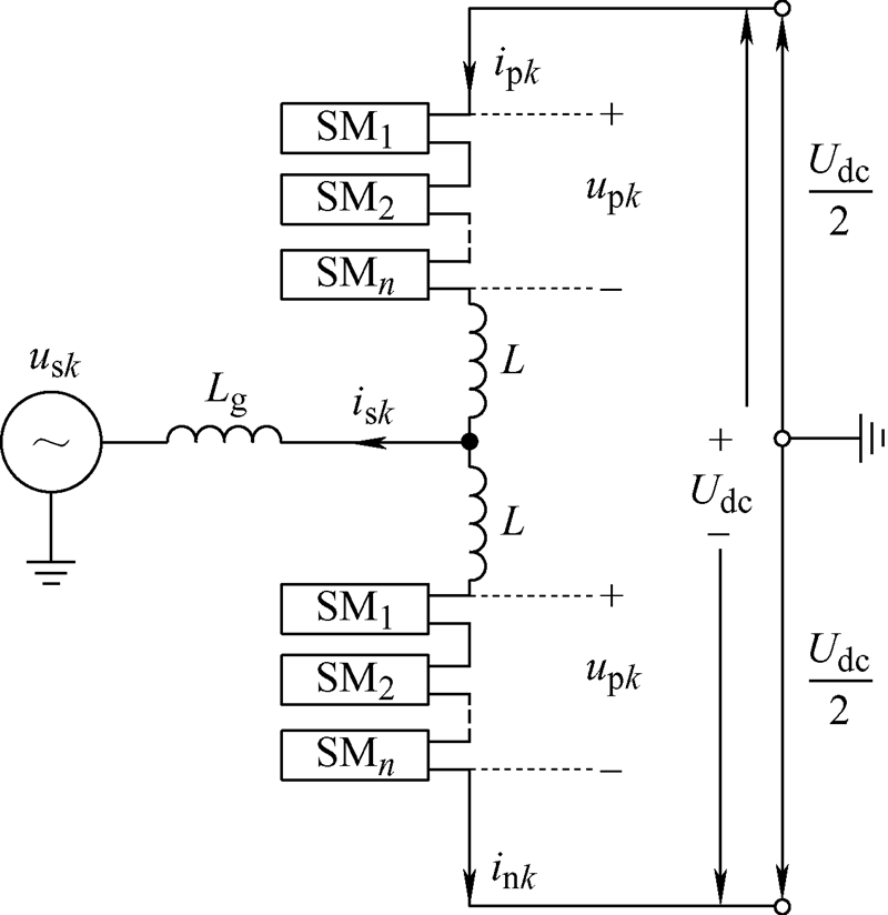
图2
MMC第
k
相单元结构图