柔性多状态开关的改进协调控制策略*
周飞杨, 王楚扬, 张犁, 林金娇, 孔祥平, 郑俊超

Research on Improved Coordination Control Strategy for Soft Open Point
ZHOU Feiyang, WANG Chuyang, ZHANG Li, LIN Jinjiao, KONG Xiangping, ZHENG Junchao
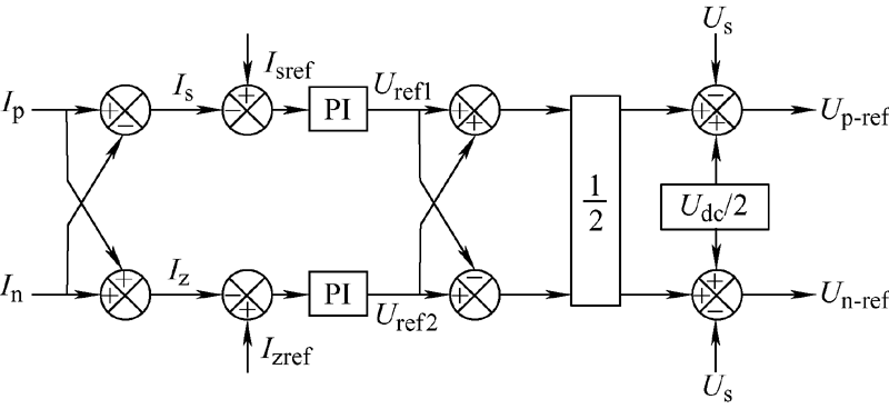
图3 电流内环控制结构图