1 引言
随着分布式电源、储能装置的不断发展,直流配电技术广泛地运用于新能源输电领域,直流配电网也成为国内外研究的一个热点。直流配电网相较于交流配电网有几个显著的优势:① 线路损耗小;② 不涉及相位、频率控制和无功功率及交流充电电流等问题;③ 便于分布式电源、储能装置的接入;④ 供电可靠性高[1 ,2 ,3 ,4 ] 。图1 所示为辐射状直流配电网,新能源发电的接入方便,但故障暂态特性较为复杂。因此有必要对直流配电网的故障特性进行分析。
图1
直流配电系统直流侧故障可以分为:接地故障、极间短路故障和断路故障。其中,极间短路故障对系统稳定性的危害最大,故障过程可以分为三个阶段:电容放电阶段、二极管依次导通阶段和二极管全部导通阶段[5 ] 。当故障发生,换流站出口电容存储的能量直接通过短路回路释放,导致线路电流迅速上升为额定电流的数倍,对直流配电网中的电力电子器件造成巨大的冲击。同时,换流站中电力电子器件较多,对大电流的承受能力较低,需要通过自身的保护将换流站闭锁。换流站闭锁后,故障回路发生变化,对于交流侧相当于三相短路故障,影响较大,所以需要通过断路器来实现故障隔离[6 ,7 ,8 ,9 ,10 ] 。
混合式直流断路器可以开断故障线路,具有快速动作的特点,但是现有的直流断路器开断直流电流时,仍需要一定的时间提高机械开关的绝缘强度来开断电流[11 ,12 ,13 ] 。随着直流电网电压等级和输送容量的不断提高,直流侧故障电流上升率进一步加快,在同样的时间内需要切断更大的电流。若分断时,故障电流超出断路器的设计能力,将发生断路器失效,严重危及系统安全。所以需要通过限流器抑制短路电流,配合断路器动作,延长可供断路器的动作准备时间[14 ,15 ,16 ] 。
近十年限流器的研究成果表明,直流限流器的研究主要分为超导限流器和固态限流器[17 ,18 ] 。文献[19 ]提出一种固态直流限流器拓扑结构,在出现故障时,该拓扑经过自然换流技术,将故障电流切换到限流电感上,通过电感充电作用来延缓电流的上升;文献[20 ]提出了阻容型混合限流器,通过负载换相开关(Load commutation switch,LCS)和超快速机械开关(Ultra-fast disconnector,UFD)将故障回路切换到阻容型限流支路;文献[21 ]提出一种新型多端口限流式直流故障保护方案,利用晶闸管器件耐压耐流等级、成本、阻断能力和可靠性等方面优势,设计了线路与断路器主支路间的换流桥臂;限流支路采用晶闸管作为控制元件,并利用直流电网给限流支路电容预充电。文献[22 ]提出一种适用于高压直流电网的模块化混合式限流器,具备限流和自旁路功能,可以有效降低直流系统中对断路器切断能力的需求。文献[23 ]提出一种新型电容换相混合式直流限流器,通过换相电容的充放电过程,可以控制H桥电路对应桥臂的导通,从而达到限流的效果。文献[24 ]分析了超导限流器的暂态特性和失超态电阻,验证了超导材料在故障限流方向的可行性。然而,电阻型超导限流器在作用之后需要一定的恢复时间,在恢复过程中,对重合闸会有一定的影响。这是超导限流器目前需要解决的一个难点。固态限流器中,电力电子器件较多,限流器的使用寿命受多个关键器件的影响,故障率较高。
在上述研究的基础上,文中提出了一种基于电阻型超导和整流器控制电感的桥型电路。结构简单,通过桥型电路的旁路作用将超导恢复过程对系统重合闸的影响降低。通过Matlab/Simulink仿真平台对直流配电网络进行仿真建模,验证该限流策略的有效性。
2 直流侧极间短路故障特性分析
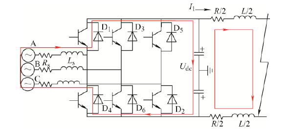
直流配电网典型的网络拓扑主要有三种类型:两端直流配电网、多端环状直流配电网和多端辐射状直流配电网。其中,两端直流配电网控制策略简单,故障识别容易,适用于点对点的供电形式,方便故障暂态特性的分析。在直流配电网的故障中,极间短路故障的危害最为严重。故以两电平VSC两端直流配电网中极间短路故障为例,分析短路故障的故障特征和暂态特性。
2.1 故障的阶段特性
故障第一阶段主要由直流侧出口电流向故障点放电,短路故障模型如图2 所示。
图2
故障发生时,交流侧和直流侧出口电容同时向故障点馈入电流。在工程实际中,换流站的IGBT具有可靠的自保护功能,使其在直流故障发生后能够立即关断,保证IGBT不会因流过故障电流而烧毁。但是由于续流二极管的存在,交流侧仍然会供给短路电流,不仅危害续流二极管本身也会导致直流侧故障不能完全隔离。
直流侧电压U dc 大于交流测的线电压,所以在这个阶段主要是出口电容向短路点放电,结合线路阻抗可以将放电回路等效为RLC二阶放电模型,如图3 所示。
图3
当出口电容电压释放至交流侧电压时,交流侧开始向故障点馈入电流。此时,二极管根据不控整流的换相原则,自然换相将电流输向直流侧故障点。该阶段,交流侧和出口电容同时向故障点放电。而且,此时二极管交替导通关断和换相的过程,每进行一次换相,动态过程则需要重新求解。以D1 、D2 导通为例,电流的流通路径如图4 所示。
图4
以图4 中i a 、I l 和U dc 为状态变量,可以求得该条件下交直流侧电流和直流侧电压的暂态解。
(1) $\left[ \begin{matrix} {{{\dot{i}}}_{\text{a}}} \\ {{{\dot{I}}}_{\text{l}}} \\ {{{\dot{U}}}_{\text{dc}}} \\\end{matrix} \right]=\left[ \begin{matrix} -\frac{{{R}_{\text{S}}}}{{{L}_{\text{S}}}} & 0 & -\frac{1}{2{{L}_{\text{S}}}} \\ 0 & -\frac{R}{L} & \frac{1}{L} \\ \frac{1}{C} & \frac{1}{C} & 0 \\\end{matrix} \right]\left[ \begin{matrix} {{i}_{\text{a}}} \\ {{i}_{\text{l}}} \\ {{U}_{\text{dc}}} \\\end{matrix} \right]+\left[ \begin{matrix} \frac{1}{2{{L}_{\text{S}}}} \\ 0 \\ 0 \\\end{matrix} \right]{{U}_{\text{dc}}}$
当直流电容电压U dc 衰减振荡过零时,直流线路短路电抗所带的反电动势将使VSC内6个二极管同时导通,从而在直流侧形成一个一阶放电回路,而直流电容电压则将被二极管钳位为0。由于短路电抗续电流的作用,6个续流二极管对交流侧电源不再表现出单向导通性,所以图5 a所示的电路完全对称,交流侧相当于发生了三相短路。故该阶段可以分为交流侧三相短路和直流侧放电两个部分,如图5 所示。
图5
2.2 故障的数学模型
由图3 可得,第一阶段等效电路的二阶放电模型的微分方程为
(2) $\left\{ \begin{align} & LC\frac{{{\text{d}}^{2}}{{U}_{c}}}{\text{d}{{t}^{2}}}+RC\frac{\text{d}{{U}_{c}}}{\text{d}t}+{{U}_{c}}=0 \\ & i=C\frac{\text{d}{{U}_{c}}}{\text{d}t} \\ \end{align} \right.$
式中,${{U}_{c}}$为极间电容电压;$i$为故障电流;$L$、$C$和$R$分别表示等效故障放电回路上的电感、电容和电阻。
(3) ${{\lambda }_{1,2}}=-\frac{R}{2L}\pm \sqrt{{{\left( \frac{R}{2L} \right)}^{2}}-\frac{1}{LC}}=-\sigma \pm j\omega$
(4) $\left\{ \begin{align} & \sigma =R/(2L) \\ & \omega =\sqrt{1/(LC)-{{[R/(2L)]}^{2}}} \\ \end{align} \right.$
由于直流配电网“低惯性、低阻抗”的特点,所以在故障的时候满足$R<2\sqrt{L/C}$,因此直流电容放电为欠阻尼振荡过程。故障出现后,电压电流幅值逐渐衰减并且振荡过零。直流侧故障电压和电流表达式为
(5) ${{U}_{\text{dc}}}=A\exp (-\sigma t)\sin (\omega t+\theta )$
(6) ${{i}_{l}}=A\sqrt{\frac{C}{L}}\exp (-\sigma t)\sin (\omega t+\theta -\beta )$
假设故障时电压和电流的初值分别为${{U}_{0}}$和${{I}_{0}}$,则根据这个初始条件可以求得
(7) $\left\{ \begin{align} & A=\sqrt{U_{0}^{2}+{{(\frac{{{U}_{0}}\sigma }{\omega }-\frac{{{I}_{0}}}{\omega })}^{2}}} \\ & \theta =\arctan (\frac{{{U}_{0}}}{\frac{{{U}_{0}}\sigma }{\omega }-\frac{{{I}_{0}}\omega }{C}}) \\ & \beta =\arctan (\frac{\omega }{\sigma }) \\ \end{align} \right.$
3 故障限流方法
3.1 通过超导增大回路电阻
由于直流系统阻尼较小,直流故障发生后故障电流上升速度很快,一般在几个毫秒之内就会上升到过流峰值,这对保护方案的动作速度提出了很高的要求。所以,增大直流故障回路的电阻R 对于限制故障电流和隔离故障有突出的优点:① 增大故障回路内的能量消耗速度;② 改变故障回路的阻尼情况。在改变阻尼情况后,两极故障时直流电容的放电过程将会变成一个衰减过程,直流电压不会再振荡过零。因此第三阶段就能够被完全避免,从而防止交流侧设备和换流器续流二极管出现严重过流,使得直流保护方案隔离故障线路的动作时间可以大大延后。
若在直接在回路中串接电阻,则会增大系统的通态损耗,对电能利用率有负面影响。因此,采用超导材料作为增大故障回路电阻的元件。高温超导带材(YBCO带材)是目前应用于高温超导电力设备的主要材料之一,其电阻率随电流密度变化而变化,其工作状态可以分为超导态和失超态。在系统正常运行的时候,超导处于超导态;出现故障时,由于电流密度的变化导致超导处于失超态。
超导体可根据其本身的自增过程,在电流密度超过临界电流密度的时候,增大超导的阻值。自增原理表现形式为
(8) $E={{E}_{\text{c}}}{{(\frac{J}{{{J}_{\text{CT}}}})}^{\alpha }}$
(9) ${{T}_{\text{t}2}}={{T}_{\text{t}1}}+\int_{{{\text{t}}_{1}}}^{{{\text{t}}_{2}}}{\frac{{{Q}_{\text{RS}}}-{{Q}_{\text{c}}}}{C}}\text{d}t$
(10) ${{J}_{\text{CT}}}={{J}_{\text{CT}(77)}}\frac{{{T}_{\text{c}}}-T}{{{T}_{\text{c}}}-77}$
式中,E c 为临界电压;J 为电流密度;J CT 为临界电流密度;α 为常数;T t1 、T t2 分别为t 1 、t 2 时刻超导体的温度;Q RS 为超导体产热;Q c 为超导体与周围的传导热量;C 为超导带材的比热容;J CT(77) 为温度为环境温度时的临界电流密度;T c 为临界温度。
超导体电阻值随着自增过程而增加,其产热和放热最终趋于平衡,超导阻值此时近似为一个常态的电阻。因此,在故障回路中串接超导材料能够消除普通电阻的通态损耗也能提供稳定的阻值。
3.2 由可控电感减小故障回路的放电电压
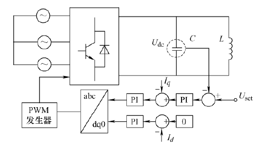
通过高温超导增大故障回路的电阻,可以改变直流侧故障的阻尼情况,限制故障电流。目前,超导材料的阻值变化没有明确的数值计算公式,但超导的电阻值上升率可以达到10 Ω/ms,满足快速增大故障回路电阻的要求。在工程运用中,超导材料体积容量较大,需要配备冷却系统,考虑到经济性和实用性,应选择超导体失超态阻值小的材料。在本文选取的低压直流配电模型中,超导的失超阻值在10 Ω以内,配合可控电感来限制故障电流。可控电感由整流器控制,给限流电感提供稳定斜率的电流,从而在故障回路中提供稳定的反向电压,在减小电流突变的同时从减小放电电压的角度来实现对故障电流的控制。
整流器控制的电感如图6 所示,由三相电源供电,采用传统PI控制,给整流器提供PWM信号,通过反馈将电感上的电压钳位在一个稳定可设定的值,达到柔性限流的效果,电容C 的作用是稳定电感上的电压。
图6
图7
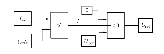
系统正常运行,直流侧电流I dc 小于1.4倍的额定电流,I =1,故U set =0,即若配电网中没有故障,限流电感上的电压为0 V;当系统出现极间短路故障,故障电流数值大于1.4倍的额定电流,I =0,故U set =U' set ,其中U' set 根据直流母线故障电流和设备用电情况设定,通过调节U' set 可调节U set 值,实现对电感电压的控制。
图8
当系统出现短路故障时,将整流器控制的电感串联在超导支路中,在超导失超限流的基础上,将稳定的反向电压接入故障回路中,减小回路的放电电压,从而减小短路故障电流。可以通过控制回路设置电感电压的大小,实现故障电流的柔性控制。
3.3 限流电感的选择
自激式限流器中直接的限流元件为电感,当电感磁场持续上升,达到饱和后,铁磁材料内的磁通的变化量会突然减少,导致在线圈中产生的感应恒定电场变小,在线圈中总的恒定电场场强会急剧上升,导致电流急剧上升且电感值无法维持。电流和磁通的关系如图9 所示。
图9
若电流超过饱和电流值,电感则无法保持稳定,其伏安特性也处于非线性的状态。
(11) $L({{i}_{\text{L}}})=\left\{ \begin{align} & {{L}_{\text{C}}}\ \ \ \ \ \ \ 0<{{i}_{\text{L}}}\le {{I}_{\text{K}}} \\ & ai_{\text{L}}^{2}+b{{i}_{\text{L}}}+c\ \ \ \ \ \ {{I}_{\text{K}}}<{{i}_{\text{L}}}<{{I}_{\text{sat}}} \\ \end{align} \right.$
式中,L C 为线性区电感值的大小,从式(11)可以看出,超过饱和电流之后,限流电感将无法满足限流要求。因此需要根据所建立系统模型和控制模型的实际运行情况,来对电感进行选取。
3.4 桥型电路结构
超导和限流电感从增大电阻和减小放电电压两个方面来限制故障电流,但是当故障切除后,超导材料需要恢复至超导态,而限流电感中的能量需要释放。这一过程对系统的正常运行会产生一定的影响,故障切除后重合闸的动作也会因恢复过程中电压和系统阻抗的异常而受阻。因此,引入桥型电路拓扑,在故障前和故障后将限流装置隔离。
图10
当系统正常运行时,i dc >0,由于在中间支路存在正偏的电压,故i b >i dc ,所以流过D1 和D4 的电流为(i b +i dc )/2>0,而流过D2 和D3 的电流为(i b -i dc )/2>0,因此四个二极管均导通,直流线路上的电流不会流过中间支路,限流装置被旁路。其中,偏压的最小值要高于一组二极管D1 、D4 或D2 、D3 的导通压降。但又要避免超导线圈在系统正常运行的时候失超,偏压产生的直流偏流则要小于超导线圈失超的临界电流。保证四个二极管在正常运行的时候均导通,中间支路被旁路。
当直流配网出现短路故障时,线路上的电流增大,导致i b <i dc ,此时二极管D2 和D3 上的电流为 (i b -i dc )/2<0,所以这时候只有D1 和D4 两个二极管导通,故障电流流经中间支路。又因为此时的电流密度较大,已经超过了超导的临界值,超导失超,起到限制短路电流的作用,在此基础上,通过自激式限流器的柔性调节,对短路电流进行灵活的控制。正常运行到故障出现再到故障切除的电流流通路径如图11 所示。
图11
在故障切除之后,超导线圈上的电流开始降低,超导开始恢复,同时负载已经接入直流线路,四个二极管均有电流流通,桥型电路再一次将中间支路旁路,因此限流支路上的限流器中限流电感的恢复过程和超导的恢复过程对系统均没有影响,很好地解决了传统电阻型超导在恢复过程中对重合闸产生影响的问题。如果是瞬时性故障,在该装置的桥路自然变换的作用下,电流不会发生较大的变化,因此不需要重合闸的动作,可以可靠地躲过瞬时性故障,提高系统的稳定性。
4 限流装置的作用分析
4.1 限流装置作用原理
限流装置直接串联在直流母线上,靠近网侧,如图12 所示。
图12
系统出现极间短路故障时,限流装置作用于电容放电阶段,减小放电回路中电容的放电电压,并且通过超导的失超态,增大回路的电阻。
图13
限流器投入运行后,在电容放电阶段开始的瞬间,便形成了如图13 所示的等效放电模型,其中电压U st 为整流器控制电感提供的钳位电压。而超导在故障的时候失超,呈现阻性,加大了等效模型中的电阻,因此各电压电流暂态特性较未加限流器时发生了变化。
(12) $\left\{ \begin{align} & {U}'={{U}_{\text{C}}}-{{U}_{\text{st}}} \\ & {L}'=L+{{L}_{\text{s}}} \\ & {R}'=R+{{R}_{\text{s}}} \\ \end{align} \right.$
式中,${{L}_{\text{s}}}$为整流器控制的电感大小,和原有电感串联;${{R}_{\text{s}}}$为超导失超时呈电阻性时的电阻大小,与原电阻串联。
图14
如图14 所示,在限流器投入运行之后,仍是一个二阶的放电模型。对比图3 和图14 可以发现,在限流装置投入运行之后,从两个方面对故障电流进行限制:① 由整流器控制电感所提供的钳位电压减小了电容放电的电压大小;② 由超导限流器的失超态在故障的等效放电模型中增加了放电回路的电阻。因此极间短路故障的暂态特性的变化均可减小短路电流。
4.2 故障切除的状态恢复
在故障切除之后,直流线路上的电流I dc 恢复至正常值,此时中间支路再一次被旁路,其直路上的限流装置也不会接入系统中。此时,装置中的超导材料可通过冷却系统进行恢复。在桥型电路的隔离作用下,超导材料恢复过程的快慢对系统重合闸、输电电流的稳定性没有影响。
由于自激式限流器中的电感电流由三相网络提供,通过整流器的PI控制在故障时来给电感提供线性上升的电流。所以在故障期间,电感上的电流会持续线性上升。因此,完成一次限流动作之后,需要将电感上的电流恢复至动作前的状态,否则电感电流达到饱和状态就无法维持稳定的电感值,最终无法提供稳定的电压,自激式限流器失去作用。因此,在故障切除后,电感上的电流通过整流桥实现逆变,通过向网侧释放能量,逐渐降低电感上的电流。由于自激式限流器也被旁路,该恢复过程也不会对系统产生影响。
5 仿真验证
在Matlab/Simulink仿真平台,建立单端直流配电模型,通过极间短路故障来检验该限流装置的限流效果。
5.1 仿真实例
直流配电模型选取放射状直流配电网中的低压直流母线。在配电线路正常运行时,直流侧电压为750 V,电流为40.2 A。
在限流装置中,桥型电路中间支路上的直流偏压只需要满足其大小大于一组二极管压降即可(D2 、D3 或D1 、D4 ),所以选取通过单相整流桥提供大小为1.5 V的直流电源。故障出现后,超导材料失超的阻值为2 Ω。由于电感在电流饱和之后无法保持原有电感的大小,所以在电感电流值大于饱和电流的时候,钳位电压无法维持。由于限流装置由超导和自激式限流器配合,所以限流电感在故障时只需要提供200 V以内的电压。选择电感的大小为200 mH,可满足电感电流持续线性上升足够的时间,以躲开瞬时性故障和保证对故障电流的限制时间。各技术参数的选择如表1 所示。
5.2 桥型电路导通情况
如前文分析,当系统正常运行时,桥型电路的四个二极管均导通,将限流装置旁路,限流装置不会对直流线路产生影响。
出现故障后,由于二极管D2 、D3 不导通,将限流装置接入直流线路中,起到限流的效果。若故障切除,由于直流线路电流的恢复,D2 、D3 重新导通,将限流装置旁路。这样超导材料和自激式限流器电感电流的恢复对直流线路不会产生影响,很好地保证线路的正常运行。二极管D2 、D3 电流波形如图15 所示。
图15
5.3 极间短路故障特征
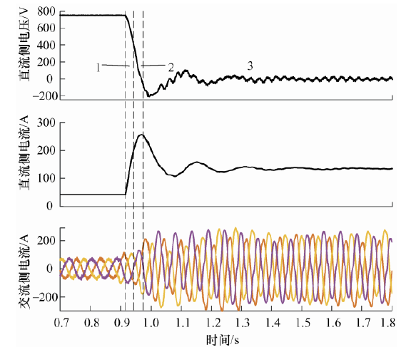
如图16 所示分别为直流侧极间短路故障的直流电压、电流和交流侧电流。故障可分为三个阶段。
图16
阶段1:该阶段为出口电容放电阶段,此时直流侧电压大于交流侧电压,电容向故障点快速放电,直流电流迅速上升到一个较高的水平,而此时因交流侧馈入故障点的电流仅为二极管的续流电流,因此该数值较低。
阶段2:此时换流站二极管依次导通,交流侧和出口电容同时向故障点放电。所以直流侧电压持续下降,每一次二极管的换相后的暂态特性可由式(1)进行计算。
阶段3:由于直流系统的阻抗较低,放电回路处于欠阻尼状态,因此直流侧的电压会振荡过零。这一阶段,二极管全部导通,故障点之于交流侧可等效为三相短路故障,故障电流的水平较高。
5.4 增大故障回路电阻
如前文所分析,故障回路的电阻增大,可改善故障回路的阻尼情况,甚至可以由欠阻尼转变为过阻尼。所以这一情况下,直流侧电压不再振荡过零,故阶段3二极管全部导通的状态不会出现。图17 为增大故障回路电阻后的仿真波形。
图17
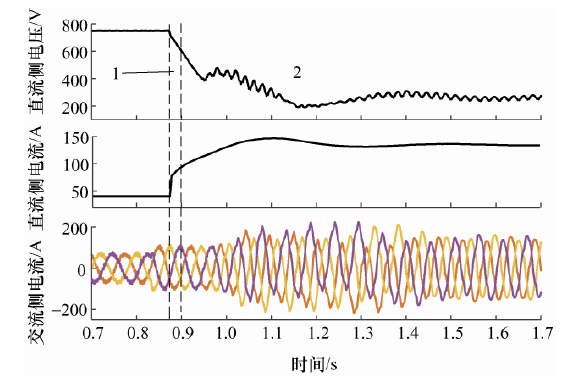
在增大故障回路电阻之后,直流侧电压不会过零,因此阶段3不会出现,可减小极间短路故障的危害。直流侧电流因电阻增大而被抑制,电流的最大值减小了一半,消除了电流冲击。但是考虑到超导运用的经济性等原因,没有采用太大阻值的超导体,因此在故障的阶段2,电流值仍为正常运行电流的2~3倍。
5.5 减小故障回路放电电压
在增大了故障回路电阻的基础上,通过桥型电路将带有反向电压的限流电感串接在故障回路中,来减小放电电压。其仿真波形如图18 所示。
图18
可以看出,在减小故障回路的放电电压后,直流侧电压能够钳位在一个较为稳定的数值。同时由于超导和限流电感的作用,直流侧故障电流得到很好的抑制,并且能够稳定在一个续流二极管允许的较低数值。交流侧电流在故障发生后不会产生过大的突变,实现了直流侧的故障隔离。
通过调节控制回路的U set 值,可以控制整流器提供给电感电流的斜率,改变电感电压值。在配电网中,不同的用电设备对于故障电流的耐受等级不同,通过该方法实现由故障点出现位置不同,引起不同故障电流的可调节控制。
如图19 所示,为限流电感上控制不同电压得到的直流侧电压电流波形。其中若电感电压调节至200 V时,直流侧的母线电压接近正常工作电压,降低对非故障部分用电设备的影响。
图19
为进一步验证柔性限流的可行性,使其能够在故障阶段针对不同的用电设备,对直流侧电流进行微调(图20 )。调节方法仍为在控制回路中对U set 值进行调节。
图20
上图调节前电感电压为100 V,分别在节点1将电压调节为110 V,在节点2将电压调节为120 V。由图19 、20可以看出,该限流装置在应对不同耐受电流等级的用电设备时具有很好的灵活性,加强了对直流母线设备的保护,最终有能力实现在故障时隔离故障同时保证非故障部分继续正常运行。
5.6 限流装置的恢复
故障切除后,需要保证系统能够快速恢复,超导限流器的失超态是由电流密度触发的,当故障切除,电流密度降低,小于超导失超的临界电流密度,故超导限流器恢复至超导态;而整流器通过控制回路在故障切除后给电感提供的电流斜率变为零,将电感上的能量通过变换器向网侧释放。因为在故障切除后,直流母线电流恢复至正常值,根据桥型电路的作用分析,此时中间支路再次被旁路,超导和限流电感的恢复过程对直流侧电压电流均没有影响。
限流电感充放电电流如图21 所示,共可分为四个阶段。
图21
(1) 在正常运行时,图21 中阶段1限流电感因串接在中间支路而被旁路,没有电流流过。
(2) 故障出现时,因桥型电流将中间支路串入直流母线,图中阶段2,电感电流线性上升。
(3) 故障切除后,为保证限流电感的循环使用,需要释放电感能量。此时,阶段3、4桥型电路再次将中间支路旁路,电感能量通过逆变器向网侧释放能量,因旁路作用,该电流变化产生的电感电压不会串在直流侧回路中,能够很好地完成电感的恢复。
6 结论
文中提出基于电阻型超导和整流器控制电感的桥型电路,验证该限流装置在极间短路故障下的实用性,结论如下。
(1) 桥型电路可以很好地完成故障时导通支路的自然切换:系统正常运行时,将限流装置旁路,不影响系统正常运行,故障时通过电流的变化而自然换路。
(2) 限流装置运行的时候,通过两种方式对故障电流进行限制:① 超导限流器在故障时失超,呈现阻型并串联在直流线路中,对线路进行限流;② 整流器控制的电感在出现极间短路故障的同时产生稳定的钳位电压,减小了电容的放电,并且可以做到柔性控制。两种方式相互补充,提高限流的效果,促进直流侧故障的隔离,增强了系统的稳定性。
(3) 当故障切除,限流装置再次被桥型电路旁路,超导可以很好地恢复超导状态,限流电感的能量能够及时释放,便于下一次的动作。
参考文献
View Option
[1]
宋强 , 赵彪 , 刘文华 , 等 . 智能直流配电网研究综述
[J]. 中国电机工程学报 , 2013 (25 ):38 -48 .
[本文引用: 1]
SONG Qiang , ZHAO Biao , LIU Wenhua , et al . Summary of research on intelligent DC distribution network
[J]. Proceedings of the CSEE , 2013 (25 ):38 -48 .
[本文引用: 1]
[2]
曾嘉思 , 徐习东 , 赵宇明 . 交直流配电网可靠性对比
[J]. 电网技术 , 2014 (9 ):2582 -2589 .
DOI:10.13335/j.1000-3673.pst.2014.09.042
URL
[本文引用: 1]
为探索高可靠性配电网的发展方向,首次就中压柔性直流配电网的可靠性进行深入研究。建立了换流站、直流变压器和直流断路器的可靠性模型,考虑直流负荷、备用电源和分布式电源的影响,对最小割集法进行改进使其同时适用于交、直流配电网的可靠性评估。以“手拉手”环状网络为例,对比了现有技术条件下交、直流配电网的可靠性。研究表明,现阶段直流配电网的可靠性低于交流配电网;随着直流负荷比例的增大,直流配电网可靠性将得到提高,但效果有限;直流断路器和直流变压器的高故障率才是制约现阶段直流配电网可靠性提高的关键因素。随着电力电子元件的发展,直流配电网的可靠性将逐步接近甚至超越交流配电网。
ZENG Jiasi , XU Xidong , ZHAO Yuming . Reliability comparison of AC and DC distribution networks
[J]. Power System Technology , 2014 (9 ):2582 -2589 .
[本文引用: 1]
[3]
薛士敏 , 陈超超 , 金毅 , 等 . 直流配电系统保护技术研究综述
[J]. 中国电机工程学报 , 2014 ,38 (19 ):3114 -3122 .
[本文引用: 1]
XUE Shimin , CHEN Chaochao , JIN Yi , et al . Summary of research on protection technology of DC distribution system
[J]. Proceedings of the CSEE , 2014 ,38 (19 ):3114 -3122 .
[本文引用: 1]
[4]
李斌 , 刘海金 , 孔祥平 , 等 . 直流配电网运行控制策略分析及展望
[J]. 电力建设 , 2018 ,39 (11 ):105 -117 .
[本文引用: 1]
LI Bin , LIU Haijin , KONG Xiangping , et al . Analysis and prospect of DC distribution network operation control strategy
[J]. Electric Power Construction , 2018 ,39 (11 ):105 -117 .
[本文引用: 1]
[5]
李斌 , 何佳伟 . 柔性直流配电系统故障分析及限流方法
[J]. 中国电机工程学报 , 2015 ,35 (12 ):3026 -3037 .
DOI:10.13334/j.0258-8013.pcsee.2015.12.013
URL
[本文引用: 1]
直流配电系统的故障隔离是保障直流系统供电可靠性的关键技术。分析直流配电系统直流故障时的暂态特性,指出故障持续过程中直流电容放电、续流二极管自然换向导通和二极管同时导通三个阶段对交流系统、换流器以及直流侧的影响,并以此为依据提出直流系统故障隔离对保护和直流断路器动作的技术要求和难点。提出基于电阻型超导限流器的直流故障限流方法,对直流线路、交流系统和换流器内部续流二极管均可起到限流作用,从而降低直流系统对直流故障保护方案的速动性要求和设计难度,同时也降低对直流断路器的动作时间和开断容量要求。利用Matlab/Simulink对直流配电系统短路故障进行仿真测试,验证了直流系统的故障暂态特征和所提限流方法的有效性。
LI Bin , HE Jiawei . Fault analysis and current limiting method of flexible DC distribution system
[J]. Proceedings of the CSEE , 2015 ,35 (12 ):3026 -3037 .
[本文引用: 1]
[6]
刘思源 , 徐东旭 , 梅念 , 等 . 直流侧故障对模块化多电平换流器的影响研究
[J]. 电力系统保护与控制 , 2017 ,45 (10 ):48 -54 .
[本文引用: 1]
LIU Siyuan , XU Dongxu , MEI Nian , et al . Study on the influence of DC side fault on modular multilevel converter
[J]. Power System Protection and Control , 2017 ,45 (10 ):48 -54 .
[本文引用: 1]
[7]
李斌 , 何佳伟 . 多端柔性直流电网故障隔离技术研究
[J]. 中国电机工程学报 , 2016 ,36 (1 ):87 -95 .
DOI:10.13334/j.0258-8013.pcsee.2016.01.009
URL
[本文引用: 1]
直流故障隔离技术是多端柔性直流输、配电系统发展的关键技术。然而,直流系统直流侧故障存在电流快速上升、过流幅值大等特点,对隔离技术提出了极为苛刻的要求。该文针对工程实际中最为典型的两电平电压源换流器(two-level voltage source converter,two-level VSC)型和模块化多电平换流器(modular multi-level converter,MMC)型直流系统,结合国内外研究成果,以交流断路器、换流器和直流断路器为分类依据,归纳、阐述了各自适用的隔离措施。同时,对各种隔离措施的优缺点进行了分析说明。基于Matlab/Simulink仿真平台,分别搭建了基于两电平VSC和MMC的直流系统,对相关隔离方法进行了仿真测试、验证与比较,为工程实际中隔离措施的配置提供理论依据。
LI Bin , HE Jiawei . Research on fault isolation technology of multi terminal flexible DC power grid
[J]. Proceedings of the CSEE , 2016 ,36 (1 ):87 -95 .
[本文引用: 1]
[8]
李斌 , 李晔 , 何佳伟 , 等 . 基于模块化多电平的柔性直流系统故障稳态特性分析
[J]. 电力系统保护与控制 , 2016 ,44 (21 ):1 -8 .
[本文引用: 1]
LI Bin , LI Ye , HE Jiawei , et al . Fault steady-state characteristic analysis of flexible DC system based on modular multilevel
[J]. Power System Protection and Control , 2016 ,44 (21 ):1 -8 .
[本文引用: 1]
[9]
于春风 , 李伟林 , 王雨峰 . 一种基于Z源的双向直流固态断路器
[J]. 电气工程学报 , 2020 ,15 (2 ):34 -40 .
[本文引用: 1]
YU Chunfeng , LI Weilin , WANG Yufeng . A bidirectional DC solid-state circuit breaker based on Z-source
[J]. Journal of Electrical Engineering , 2020 ,15 (2 ):34 -40 .
[本文引用: 1]
[10]
彭昊 , 夏向阳 , 杨银 , 等 . 基于耦合负压电路的混合式直流断路器拓扑研究
[J]. 电气工程学报 , 2019 ,14 (4 ):46 -50 .
[本文引用: 1]
PENG Hao , XIA Xiangyang , YANG Yin , et al . Hybrid DC circuit breaker based on coupled negative pressure circuit research of topological analysis
[J]. Journal of Electrical Engineering , 2019 ,14 (4 ):46 -50 .
[本文引用: 1]
[11]
CHEN D , XU L , YU J . Adaptive DC stabilizer with reduced DC fault current for active distribution power system application
[J]. IEEE Transactions on Power Systems , 2016 ,32 (2 ):1430 -1439 .
[本文引用: 1]
[12]
杨海倩 , 王玮 , 荆龙 , 等 . MMC-HVDC系统直流侧故障暂态特性分析
[J]. 电网技术 , 2016 ,40 (1 ):50 -56 .
[本文引用: 1]
YANG Haiqian , WANG Wei , JING Long , et al . Analysis of DC side fault transient characteristics of MMC-HVDC system
[J]. Power System Technology , 2016 ,40 (1 ):50 -56 .
[本文引用: 1]
[13]
HU Jingjing , GAO Yibo , YAN Yuting , et al . DC side short-circuit fault analysis of VSC
[J]. Journal of Mechanical & Electrical Engineering , 2014 ,31 (4 ):512 -516 .
[本文引用: 1]
[14]
吕家乐 , 吴在军 , 窦晓波 , 等 . 基于MMC的中压直流配电网极间短路故障保护策略
[J]. 电力工程技术 , 2019 (4 ):2 -9 .
[本文引用: 1]
LÜ Jiale , WU Zaijun , DOU Xiaobo , et al . Short circuit protection strategy between poles in medium voltage DC distribution network based on MMC
[J]. Electric Power Engineering Technology , 2019 (4 ):2 -9 .
[本文引用: 1]
[15]
周猛 , 向往 , 左文平 , 等 . 柔性直流电网主动限流开断直流故障研究
[J]. 中国电机工程学报 , 2019 ,39 (23 ):6852 -6866,7099 .
[本文引用: 1]
ZHOU Meng , XIANG Wang , ZUO Wenping , et al . Research on active current limiting and breaking DC fault of flexible DC power grid
[J]. Proceedings of the CSEE , 2019 ,39 (23 ):6852 -6866,7099 .
[本文引用: 1]
[16]
袁帅 , 唐宗华 , 丁建明 , 等 . 复合型故障限流器对断路器瞬态恢复电压特性的影响与分析
[J]. 电气工程学报 , 2016 ,11 (9 ):15 -24 .
[本文引用: 1]
YUAN Shuai , TANG Zonghua , DING Jianming , et al . Impact of comprehensive fault current limiter on the transient recovery voltage property of circuit breakers and its analysis
[J]. Journal of Electrical Engineering , 2016 ,11 (9 ):15 -24 .
[本文引用: 1]
[17]
帅智康 , 姚鹏 , 涂春鸣 , 等 . 一种新型多功能电力电子限流器的工作机理及仿真分析
[J]. 电力系统自动化 , 2014 ,38 (23 ):85 -90 .
DOI:10.7500/AEPS20130630004
URL
[本文引用: 1]
传统故障限流装置常存在利用率低下、功能单一和一定程度上影响系统电能质量的问题。文中结合现有问题与电力电子装置的优势,提出了一种新型多功能电力电子限流器(MF-PECL)的拓扑结构。该拓扑可实现电能质量优化和故障限流的双工模式;通过对绝缘栅双极型晶体管(IGBT)和晶闸管支路的控制实现对新型MF-PECL的双工控制与切换控制。通过建立限流器阻抗等效模型,分析了其限流模式下的阻抗特性。最后,通过仿真验证了所提出的拓扑结构和控制方式的可行性。
SHUAI Zhikang , YAO Peng , TU Chunming , et al . Working mechanism and simulation analysis of a new multifunctional power electronic current limiter
[J]. Automation of Electric Power Systems , 2014 ,38 (23 ):85 -90 .
[本文引用: 1]
[18]
韩乃峥 , 樊强 , 贾秀芳 , 等 . 一种具备限流能力的多端口直流断路器
[J]. 中国电机工程学报 , 2019 ,39 (17 ):5172 -5181 .
[本文引用: 1]
HAN Naizheng , FAN Qiang , JIA Xiufang , et al . A multi port DC circuit breaker with current limiting capability
[J]. Proceedings of the CSEE , 2019 ,39 (17 ):5172 -5181 .
[本文引用: 1]
[19]
官二勇 , 董新洲 , 冯腾 , 等 . 一种固态直流限流器拓扑结构
[J]. 中国电机工程学报 , 2017 ,37 (4 ):978 -985 .
[本文引用: 1]
GUAN Eryong , DONG Xinzhou , FENG Teng , et al . A topological structure of solid-state DC current limiter
[J]. Proceedings of the CSEE , 2017 ,37 (4 ):978 -985 .
[本文引用: 1]
[20]
李健涛 , 郭彦勋 , 李海锋 , 等 . 一种适用于直流电网的阻容型混合式限流器
[J]. 南方电网技术 , 2018 ,12 (4 ):16 -23 .
[本文引用: 1]
LI Jiantao , GUO Yanxun , LI Haifeng , et al . A resistance capacitance hybrid current limiter for DC power grid
[J]. Southern Power System Technology , 2018 ,12 (4 ):16 -23 .
[本文引用: 1]
[21]
宋冰倩 , 赵成勇 , 许建中 . 适用于直流电网的多端口限流式直流故障保护方案
[J]. 中国电机工程学报 , 2020 ,40 (4 ):1185 -1195,1410 .
[本文引用: 1]
SONG Bingqian , ZHAO Chengyong , XU Jianzhong . Multi port current limiting DC fault protection scheme for DC power grid
[J]. Proceedings of the CSEE , 2020 ,40 (4 ):1185 -1195,1410 .
[本文引用: 1]
[22]
赵西贝 , 宋冰倩 , 许建中 , 等 . 适用于直流电网的自旁路型故障限流器研究
[J]. 中国电机工程学报 , 2019 ,39 (19 ):5724 -5731,5900 .
[本文引用: 1]
ZHAO Xibei , SONG Bingqian , XU Jianzhong , et al . Research on self bypass fault current limiter for DC power grid
[J]. Proceedings of the CSEE , 2019 ,39 (19 ):5724 -5731,5900 .
[本文引用: 1]
[23]
赵西贝 , 许建中 , 苑津莎 , 等 . 一种新型电容换相混合式直流限流器
[J]. 中国电机工程学报 , 2018 ,38 (23 ):6915 -6923 .
[本文引用: 1]
ZHAO Xibei , XU Jianzhong , YUAN Jinsha , et al . A new type of capacitor commutation hybrid DC current limiter
[J]. Proceedings of the CSEE , 2018 ,38 (23 ):6915 -6923 .
[本文引用: 1]
[24]
龚珺 , 诸嘉慧 , 方进 , 等 . 电阻型高温超导限流器暂态电阻特性分析
[J]. 电工技术学报 , 2018 ,33 (9 ):2130 -2138 .
[本文引用: 1]
GONG Jun , ZHU Jiahui , FANG Jin , et al . Transient resistance analysis of resistance type high temperature superconducting current limiter
[J]. Acta Electrotechnica , 2018 ,33 (9 ):2130 -2138 .
[本文引用: 1]
智能直流配电网研究综述
1
2013
... 随着分布式电源、储能装置的不断发展,直流配电技术广泛地运用于新能源输电领域,直流配电网也成为国内外研究的一个热点.直流配电网相较于交流配电网有几个显著的优势:① 线路损耗小;② 不涉及相位、频率控制和无功功率及交流充电电流等问题;③ 便于分布式电源、储能装置的接入;④ 供电可靠性高[1 ,2 ,3 ,4 ] .图1 所示为辐射状直流配电网,新能源发电的接入方便,但故障暂态特性较为复杂.因此有必要对直流配电网的故障特性进行分析. ...
智能直流配电网研究综述
1
2013
... 随着分布式电源、储能装置的不断发展,直流配电技术广泛地运用于新能源输电领域,直流配电网也成为国内外研究的一个热点.直流配电网相较于交流配电网有几个显著的优势:① 线路损耗小;② 不涉及相位、频率控制和无功功率及交流充电电流等问题;③ 便于分布式电源、储能装置的接入;④ 供电可靠性高[1 ,2 ,3 ,4 ] .图1 所示为辐射状直流配电网,新能源发电的接入方便,但故障暂态特性较为复杂.因此有必要对直流配电网的故障特性进行分析. ...
交直流配电网可靠性对比
1
2014
... 随着分布式电源、储能装置的不断发展,直流配电技术广泛地运用于新能源输电领域,直流配电网也成为国内外研究的一个热点.直流配电网相较于交流配电网有几个显著的优势:① 线路损耗小;② 不涉及相位、频率控制和无功功率及交流充电电流等问题;③ 便于分布式电源、储能装置的接入;④ 供电可靠性高[1 ,2 ,3 ,4 ] .图1 所示为辐射状直流配电网,新能源发电的接入方便,但故障暂态特性较为复杂.因此有必要对直流配电网的故障特性进行分析. ...
交直流配电网可靠性对比
1
2014
... 随着分布式电源、储能装置的不断发展,直流配电技术广泛地运用于新能源输电领域,直流配电网也成为国内外研究的一个热点.直流配电网相较于交流配电网有几个显著的优势:① 线路损耗小;② 不涉及相位、频率控制和无功功率及交流充电电流等问题;③ 便于分布式电源、储能装置的接入;④ 供电可靠性高[1 ,2 ,3 ,4 ] .图1 所示为辐射状直流配电网,新能源发电的接入方便,但故障暂态特性较为复杂.因此有必要对直流配电网的故障特性进行分析. ...
直流配电系统保护技术研究综述
1
2014
... 随着分布式电源、储能装置的不断发展,直流配电技术广泛地运用于新能源输电领域,直流配电网也成为国内外研究的一个热点.直流配电网相较于交流配电网有几个显著的优势:① 线路损耗小;② 不涉及相位、频率控制和无功功率及交流充电电流等问题;③ 便于分布式电源、储能装置的接入;④ 供电可靠性高[1 ,2 ,3 ,4 ] .图1 所示为辐射状直流配电网,新能源发电的接入方便,但故障暂态特性较为复杂.因此有必要对直流配电网的故障特性进行分析. ...
直流配电系统保护技术研究综述
1
2014
... 随着分布式电源、储能装置的不断发展,直流配电技术广泛地运用于新能源输电领域,直流配电网也成为国内外研究的一个热点.直流配电网相较于交流配电网有几个显著的优势:① 线路损耗小;② 不涉及相位、频率控制和无功功率及交流充电电流等问题;③ 便于分布式电源、储能装置的接入;④ 供电可靠性高[1 ,2 ,3 ,4 ] .图1 所示为辐射状直流配电网,新能源发电的接入方便,但故障暂态特性较为复杂.因此有必要对直流配电网的故障特性进行分析. ...
直流配电网运行控制策略分析及展望
1
2018
... 随着分布式电源、储能装置的不断发展,直流配电技术广泛地运用于新能源输电领域,直流配电网也成为国内外研究的一个热点.直流配电网相较于交流配电网有几个显著的优势:① 线路损耗小;② 不涉及相位、频率控制和无功功率及交流充电电流等问题;③ 便于分布式电源、储能装置的接入;④ 供电可靠性高[1 ,2 ,3 ,4 ] .图1 所示为辐射状直流配电网,新能源发电的接入方便,但故障暂态特性较为复杂.因此有必要对直流配电网的故障特性进行分析. ...
直流配电网运行控制策略分析及展望
1
2018
... 随着分布式电源、储能装置的不断发展,直流配电技术广泛地运用于新能源输电领域,直流配电网也成为国内外研究的一个热点.直流配电网相较于交流配电网有几个显著的优势:① 线路损耗小;② 不涉及相位、频率控制和无功功率及交流充电电流等问题;③ 便于分布式电源、储能装置的接入;④ 供电可靠性高[1 ,2 ,3 ,4 ] .图1 所示为辐射状直流配电网,新能源发电的接入方便,但故障暂态特性较为复杂.因此有必要对直流配电网的故障特性进行分析. ...
柔性直流配电系统故障分析及限流方法
1
2015
... 直流配电系统直流侧故障可以分为:接地故障、极间短路故障和断路故障.其中,极间短路故障对系统稳定性的危害最大,故障过程可以分为三个阶段:电容放电阶段、二极管依次导通阶段和二极管全部导通阶段[5 ] .当故障发生,换流站出口电容存储的能量直接通过短路回路释放,导致线路电流迅速上升为额定电流的数倍,对直流配电网中的电力电子器件造成巨大的冲击.同时,换流站中电力电子器件较多,对大电流的承受能力较低,需要通过自身的保护将换流站闭锁.换流站闭锁后,故障回路发生变化,对于交流侧相当于三相短路故障,影响较大,所以需要通过断路器来实现故障隔离[6 ,7 ,8 ,9 ,10 ] . ...
柔性直流配电系统故障分析及限流方法
1
2015
... 直流配电系统直流侧故障可以分为:接地故障、极间短路故障和断路故障.其中,极间短路故障对系统稳定性的危害最大,故障过程可以分为三个阶段:电容放电阶段、二极管依次导通阶段和二极管全部导通阶段[5 ] .当故障发生,换流站出口电容存储的能量直接通过短路回路释放,导致线路电流迅速上升为额定电流的数倍,对直流配电网中的电力电子器件造成巨大的冲击.同时,换流站中电力电子器件较多,对大电流的承受能力较低,需要通过自身的保护将换流站闭锁.换流站闭锁后,故障回路发生变化,对于交流侧相当于三相短路故障,影响较大,所以需要通过断路器来实现故障隔离[6 ,7 ,8 ,9 ,10 ] . ...
直流侧故障对模块化多电平换流器的影响研究
1
2017
... 直流配电系统直流侧故障可以分为:接地故障、极间短路故障和断路故障.其中,极间短路故障对系统稳定性的危害最大,故障过程可以分为三个阶段:电容放电阶段、二极管依次导通阶段和二极管全部导通阶段[5 ] .当故障发生,换流站出口电容存储的能量直接通过短路回路释放,导致线路电流迅速上升为额定电流的数倍,对直流配电网中的电力电子器件造成巨大的冲击.同时,换流站中电力电子器件较多,对大电流的承受能力较低,需要通过自身的保护将换流站闭锁.换流站闭锁后,故障回路发生变化,对于交流侧相当于三相短路故障,影响较大,所以需要通过断路器来实现故障隔离[6 ,7 ,8 ,9 ,10 ] . ...
直流侧故障对模块化多电平换流器的影响研究
1
2017
... 直流配电系统直流侧故障可以分为:接地故障、极间短路故障和断路故障.其中,极间短路故障对系统稳定性的危害最大,故障过程可以分为三个阶段:电容放电阶段、二极管依次导通阶段和二极管全部导通阶段[5 ] .当故障发生,换流站出口电容存储的能量直接通过短路回路释放,导致线路电流迅速上升为额定电流的数倍,对直流配电网中的电力电子器件造成巨大的冲击.同时,换流站中电力电子器件较多,对大电流的承受能力较低,需要通过自身的保护将换流站闭锁.换流站闭锁后,故障回路发生变化,对于交流侧相当于三相短路故障,影响较大,所以需要通过断路器来实现故障隔离[6 ,7 ,8 ,9 ,10 ] . ...
多端柔性直流电网故障隔离技术研究
1
2016
... 直流配电系统直流侧故障可以分为:接地故障、极间短路故障和断路故障.其中,极间短路故障对系统稳定性的危害最大,故障过程可以分为三个阶段:电容放电阶段、二极管依次导通阶段和二极管全部导通阶段[5 ] .当故障发生,换流站出口电容存储的能量直接通过短路回路释放,导致线路电流迅速上升为额定电流的数倍,对直流配电网中的电力电子器件造成巨大的冲击.同时,换流站中电力电子器件较多,对大电流的承受能力较低,需要通过自身的保护将换流站闭锁.换流站闭锁后,故障回路发生变化,对于交流侧相当于三相短路故障,影响较大,所以需要通过断路器来实现故障隔离[6 ,7 ,8 ,9 ,10 ] . ...
多端柔性直流电网故障隔离技术研究
1
2016
... 直流配电系统直流侧故障可以分为:接地故障、极间短路故障和断路故障.其中,极间短路故障对系统稳定性的危害最大,故障过程可以分为三个阶段:电容放电阶段、二极管依次导通阶段和二极管全部导通阶段[5 ] .当故障发生,换流站出口电容存储的能量直接通过短路回路释放,导致线路电流迅速上升为额定电流的数倍,对直流配电网中的电力电子器件造成巨大的冲击.同时,换流站中电力电子器件较多,对大电流的承受能力较低,需要通过自身的保护将换流站闭锁.换流站闭锁后,故障回路发生变化,对于交流侧相当于三相短路故障,影响较大,所以需要通过断路器来实现故障隔离[6 ,7 ,8 ,9 ,10 ] . ...
基于模块化多电平的柔性直流系统故障稳态特性分析
1
2016
... 直流配电系统直流侧故障可以分为:接地故障、极间短路故障和断路故障.其中,极间短路故障对系统稳定性的危害最大,故障过程可以分为三个阶段:电容放电阶段、二极管依次导通阶段和二极管全部导通阶段[5 ] .当故障发生,换流站出口电容存储的能量直接通过短路回路释放,导致线路电流迅速上升为额定电流的数倍,对直流配电网中的电力电子器件造成巨大的冲击.同时,换流站中电力电子器件较多,对大电流的承受能力较低,需要通过自身的保护将换流站闭锁.换流站闭锁后,故障回路发生变化,对于交流侧相当于三相短路故障,影响较大,所以需要通过断路器来实现故障隔离[6 ,7 ,8 ,9 ,10 ] . ...
基于模块化多电平的柔性直流系统故障稳态特性分析
1
2016
... 直流配电系统直流侧故障可以分为:接地故障、极间短路故障和断路故障.其中,极间短路故障对系统稳定性的危害最大,故障过程可以分为三个阶段:电容放电阶段、二极管依次导通阶段和二极管全部导通阶段[5 ] .当故障发生,换流站出口电容存储的能量直接通过短路回路释放,导致线路电流迅速上升为额定电流的数倍,对直流配电网中的电力电子器件造成巨大的冲击.同时,换流站中电力电子器件较多,对大电流的承受能力较低,需要通过自身的保护将换流站闭锁.换流站闭锁后,故障回路发生变化,对于交流侧相当于三相短路故障,影响较大,所以需要通过断路器来实现故障隔离[6 ,7 ,8 ,9 ,10 ] . ...
一种基于Z源的双向直流固态断路器
1
2020
... 直流配电系统直流侧故障可以分为:接地故障、极间短路故障和断路故障.其中,极间短路故障对系统稳定性的危害最大,故障过程可以分为三个阶段:电容放电阶段、二极管依次导通阶段和二极管全部导通阶段[5 ] .当故障发生,换流站出口电容存储的能量直接通过短路回路释放,导致线路电流迅速上升为额定电流的数倍,对直流配电网中的电力电子器件造成巨大的冲击.同时,换流站中电力电子器件较多,对大电流的承受能力较低,需要通过自身的保护将换流站闭锁.换流站闭锁后,故障回路发生变化,对于交流侧相当于三相短路故障,影响较大,所以需要通过断路器来实现故障隔离[6 ,7 ,8 ,9 ,10 ] . ...
一种基于Z源的双向直流固态断路器
1
2020
... 直流配电系统直流侧故障可以分为:接地故障、极间短路故障和断路故障.其中,极间短路故障对系统稳定性的危害最大,故障过程可以分为三个阶段:电容放电阶段、二极管依次导通阶段和二极管全部导通阶段[5 ] .当故障发生,换流站出口电容存储的能量直接通过短路回路释放,导致线路电流迅速上升为额定电流的数倍,对直流配电网中的电力电子器件造成巨大的冲击.同时,换流站中电力电子器件较多,对大电流的承受能力较低,需要通过自身的保护将换流站闭锁.换流站闭锁后,故障回路发生变化,对于交流侧相当于三相短路故障,影响较大,所以需要通过断路器来实现故障隔离[6 ,7 ,8 ,9 ,10 ] . ...
基于耦合负压电路的混合式直流断路器拓扑研究
1
2019
... 直流配电系统直流侧故障可以分为:接地故障、极间短路故障和断路故障.其中,极间短路故障对系统稳定性的危害最大,故障过程可以分为三个阶段:电容放电阶段、二极管依次导通阶段和二极管全部导通阶段[5 ] .当故障发生,换流站出口电容存储的能量直接通过短路回路释放,导致线路电流迅速上升为额定电流的数倍,对直流配电网中的电力电子器件造成巨大的冲击.同时,换流站中电力电子器件较多,对大电流的承受能力较低,需要通过自身的保护将换流站闭锁.换流站闭锁后,故障回路发生变化,对于交流侧相当于三相短路故障,影响较大,所以需要通过断路器来实现故障隔离[6 ,7 ,8 ,9 ,10 ] . ...
基于耦合负压电路的混合式直流断路器拓扑研究
1
2019
... 直流配电系统直流侧故障可以分为:接地故障、极间短路故障和断路故障.其中,极间短路故障对系统稳定性的危害最大,故障过程可以分为三个阶段:电容放电阶段、二极管依次导通阶段和二极管全部导通阶段[5 ] .当故障发生,换流站出口电容存储的能量直接通过短路回路释放,导致线路电流迅速上升为额定电流的数倍,对直流配电网中的电力电子器件造成巨大的冲击.同时,换流站中电力电子器件较多,对大电流的承受能力较低,需要通过自身的保护将换流站闭锁.换流站闭锁后,故障回路发生变化,对于交流侧相当于三相短路故障,影响较大,所以需要通过断路器来实现故障隔离[6 ,7 ,8 ,9 ,10 ] . ...
Adaptive DC stabilizer with reduced DC fault current for active distribution power system application
1
2016
... 混合式直流断路器可以开断故障线路,具有快速动作的特点,但是现有的直流断路器开断直流电流时,仍需要一定的时间提高机械开关的绝缘强度来开断电流[11 ,12 ,13 ] .随着直流电网电压等级和输送容量的不断提高,直流侧故障电流上升率进一步加快,在同样的时间内需要切断更大的电流.若分断时,故障电流超出断路器的设计能力,将发生断路器失效,严重危及系统安全.所以需要通过限流器抑制短路电流,配合断路器动作,延长可供断路器的动作准备时间[14 ,15 ,16 ] . ...
MMC-HVDC系统直流侧故障暂态特性分析
1
2016
... 混合式直流断路器可以开断故障线路,具有快速动作的特点,但是现有的直流断路器开断直流电流时,仍需要一定的时间提高机械开关的绝缘强度来开断电流[11 ,12 ,13 ] .随着直流电网电压等级和输送容量的不断提高,直流侧故障电流上升率进一步加快,在同样的时间内需要切断更大的电流.若分断时,故障电流超出断路器的设计能力,将发生断路器失效,严重危及系统安全.所以需要通过限流器抑制短路电流,配合断路器动作,延长可供断路器的动作准备时间[14 ,15 ,16 ] . ...
MMC-HVDC系统直流侧故障暂态特性分析
1
2016
... 混合式直流断路器可以开断故障线路,具有快速动作的特点,但是现有的直流断路器开断直流电流时,仍需要一定的时间提高机械开关的绝缘强度来开断电流[11 ,12 ,13 ] .随着直流电网电压等级和输送容量的不断提高,直流侧故障电流上升率进一步加快,在同样的时间内需要切断更大的电流.若分断时,故障电流超出断路器的设计能力,将发生断路器失效,严重危及系统安全.所以需要通过限流器抑制短路电流,配合断路器动作,延长可供断路器的动作准备时间[14 ,15 ,16 ] . ...
DC side short-circuit fault analysis of VSC
1
2014
... 混合式直流断路器可以开断故障线路,具有快速动作的特点,但是现有的直流断路器开断直流电流时,仍需要一定的时间提高机械开关的绝缘强度来开断电流[11 ,12 ,13 ] .随着直流电网电压等级和输送容量的不断提高,直流侧故障电流上升率进一步加快,在同样的时间内需要切断更大的电流.若分断时,故障电流超出断路器的设计能力,将发生断路器失效,严重危及系统安全.所以需要通过限流器抑制短路电流,配合断路器动作,延长可供断路器的动作准备时间[14 ,15 ,16 ] . ...
基于MMC的中压直流配电网极间短路故障保护策略
1
2019
... 混合式直流断路器可以开断故障线路,具有快速动作的特点,但是现有的直流断路器开断直流电流时,仍需要一定的时间提高机械开关的绝缘强度来开断电流[11 ,12 ,13 ] .随着直流电网电压等级和输送容量的不断提高,直流侧故障电流上升率进一步加快,在同样的时间内需要切断更大的电流.若分断时,故障电流超出断路器的设计能力,将发生断路器失效,严重危及系统安全.所以需要通过限流器抑制短路电流,配合断路器动作,延长可供断路器的动作准备时间[14 ,15 ,16 ] . ...
基于MMC的中压直流配电网极间短路故障保护策略
1
2019
... 混合式直流断路器可以开断故障线路,具有快速动作的特点,但是现有的直流断路器开断直流电流时,仍需要一定的时间提高机械开关的绝缘强度来开断电流[11 ,12 ,13 ] .随着直流电网电压等级和输送容量的不断提高,直流侧故障电流上升率进一步加快,在同样的时间内需要切断更大的电流.若分断时,故障电流超出断路器的设计能力,将发生断路器失效,严重危及系统安全.所以需要通过限流器抑制短路电流,配合断路器动作,延长可供断路器的动作准备时间[14 ,15 ,16 ] . ...
柔性直流电网主动限流开断直流故障研究
1
2019
... 混合式直流断路器可以开断故障线路,具有快速动作的特点,但是现有的直流断路器开断直流电流时,仍需要一定的时间提高机械开关的绝缘强度来开断电流[11 ,12 ,13 ] .随着直流电网电压等级和输送容量的不断提高,直流侧故障电流上升率进一步加快,在同样的时间内需要切断更大的电流.若分断时,故障电流超出断路器的设计能力,将发生断路器失效,严重危及系统安全.所以需要通过限流器抑制短路电流,配合断路器动作,延长可供断路器的动作准备时间[14 ,15 ,16 ] . ...
柔性直流电网主动限流开断直流故障研究
1
2019
... 混合式直流断路器可以开断故障线路,具有快速动作的特点,但是现有的直流断路器开断直流电流时,仍需要一定的时间提高机械开关的绝缘强度来开断电流[11 ,12 ,13 ] .随着直流电网电压等级和输送容量的不断提高,直流侧故障电流上升率进一步加快,在同样的时间内需要切断更大的电流.若分断时,故障电流超出断路器的设计能力,将发生断路器失效,严重危及系统安全.所以需要通过限流器抑制短路电流,配合断路器动作,延长可供断路器的动作准备时间[14 ,15 ,16 ] . ...
复合型故障限流器对断路器瞬态恢复电压特性的影响与分析
1
2016
... 混合式直流断路器可以开断故障线路,具有快速动作的特点,但是现有的直流断路器开断直流电流时,仍需要一定的时间提高机械开关的绝缘强度来开断电流[11 ,12 ,13 ] .随着直流电网电压等级和输送容量的不断提高,直流侧故障电流上升率进一步加快,在同样的时间内需要切断更大的电流.若分断时,故障电流超出断路器的设计能力,将发生断路器失效,严重危及系统安全.所以需要通过限流器抑制短路电流,配合断路器动作,延长可供断路器的动作准备时间[14 ,15 ,16 ] . ...
复合型故障限流器对断路器瞬态恢复电压特性的影响与分析
1
2016
... 混合式直流断路器可以开断故障线路,具有快速动作的特点,但是现有的直流断路器开断直流电流时,仍需要一定的时间提高机械开关的绝缘强度来开断电流[11 ,12 ,13 ] .随着直流电网电压等级和输送容量的不断提高,直流侧故障电流上升率进一步加快,在同样的时间内需要切断更大的电流.若分断时,故障电流超出断路器的设计能力,将发生断路器失效,严重危及系统安全.所以需要通过限流器抑制短路电流,配合断路器动作,延长可供断路器的动作准备时间[14 ,15 ,16 ] . ...
一种新型多功能电力电子限流器的工作机理及仿真分析
1
2014
... 近十年限流器的研究成果表明,直流限流器的研究主要分为超导限流器和固态限流器[17 ,18 ] .文献[19 ]提出一种固态直流限流器拓扑结构,在出现故障时,该拓扑经过自然换流技术,将故障电流切换到限流电感上,通过电感充电作用来延缓电流的上升;文献[20 ]提出了阻容型混合限流器,通过负载换相开关(Load commutation switch,LCS)和超快速机械开关(Ultra-fast disconnector,UFD)将故障回路切换到阻容型限流支路;文献[21 ]提出一种新型多端口限流式直流故障保护方案,利用晶闸管器件耐压耐流等级、成本、阻断能力和可靠性等方面优势,设计了线路与断路器主支路间的换流桥臂;限流支路采用晶闸管作为控制元件,并利用直流电网给限流支路电容预充电.文献[22 ]提出一种适用于高压直流电网的模块化混合式限流器,具备限流和自旁路功能,可以有效降低直流系统中对断路器切断能力的需求.文献[23 ]提出一种新型电容换相混合式直流限流器,通过换相电容的充放电过程,可以控制H桥电路对应桥臂的导通,从而达到限流的效果.文献[24 ]分析了超导限流器的暂态特性和失超态电阻,验证了超导材料在故障限流方向的可行性.然而,电阻型超导限流器在作用之后需要一定的恢复时间,在恢复过程中,对重合闸会有一定的影响.这是超导限流器目前需要解决的一个难点.固态限流器中,电力电子器件较多,限流器的使用寿命受多个关键器件的影响,故障率较高. ...
一种新型多功能电力电子限流器的工作机理及仿真分析
1
2014
... 近十年限流器的研究成果表明,直流限流器的研究主要分为超导限流器和固态限流器[17 ,18 ] .文献[19 ]提出一种固态直流限流器拓扑结构,在出现故障时,该拓扑经过自然换流技术,将故障电流切换到限流电感上,通过电感充电作用来延缓电流的上升;文献[20 ]提出了阻容型混合限流器,通过负载换相开关(Load commutation switch,LCS)和超快速机械开关(Ultra-fast disconnector,UFD)将故障回路切换到阻容型限流支路;文献[21 ]提出一种新型多端口限流式直流故障保护方案,利用晶闸管器件耐压耐流等级、成本、阻断能力和可靠性等方面优势,设计了线路与断路器主支路间的换流桥臂;限流支路采用晶闸管作为控制元件,并利用直流电网给限流支路电容预充电.文献[22 ]提出一种适用于高压直流电网的模块化混合式限流器,具备限流和自旁路功能,可以有效降低直流系统中对断路器切断能力的需求.文献[23 ]提出一种新型电容换相混合式直流限流器,通过换相电容的充放电过程,可以控制H桥电路对应桥臂的导通,从而达到限流的效果.文献[24 ]分析了超导限流器的暂态特性和失超态电阻,验证了超导材料在故障限流方向的可行性.然而,电阻型超导限流器在作用之后需要一定的恢复时间,在恢复过程中,对重合闸会有一定的影响.这是超导限流器目前需要解决的一个难点.固态限流器中,电力电子器件较多,限流器的使用寿命受多个关键器件的影响,故障率较高. ...
一种具备限流能力的多端口直流断路器
1
2019
... 近十年限流器的研究成果表明,直流限流器的研究主要分为超导限流器和固态限流器[17 ,18 ] .文献[19 ]提出一种固态直流限流器拓扑结构,在出现故障时,该拓扑经过自然换流技术,将故障电流切换到限流电感上,通过电感充电作用来延缓电流的上升;文献[20 ]提出了阻容型混合限流器,通过负载换相开关(Load commutation switch,LCS)和超快速机械开关(Ultra-fast disconnector,UFD)将故障回路切换到阻容型限流支路;文献[21 ]提出一种新型多端口限流式直流故障保护方案,利用晶闸管器件耐压耐流等级、成本、阻断能力和可靠性等方面优势,设计了线路与断路器主支路间的换流桥臂;限流支路采用晶闸管作为控制元件,并利用直流电网给限流支路电容预充电.文献[22 ]提出一种适用于高压直流电网的模块化混合式限流器,具备限流和自旁路功能,可以有效降低直流系统中对断路器切断能力的需求.文献[23 ]提出一种新型电容换相混合式直流限流器,通过换相电容的充放电过程,可以控制H桥电路对应桥臂的导通,从而达到限流的效果.文献[24 ]分析了超导限流器的暂态特性和失超态电阻,验证了超导材料在故障限流方向的可行性.然而,电阻型超导限流器在作用之后需要一定的恢复时间,在恢复过程中,对重合闸会有一定的影响.这是超导限流器目前需要解决的一个难点.固态限流器中,电力电子器件较多,限流器的使用寿命受多个关键器件的影响,故障率较高. ...
一种具备限流能力的多端口直流断路器
1
2019
... 近十年限流器的研究成果表明,直流限流器的研究主要分为超导限流器和固态限流器[17 ,18 ] .文献[19 ]提出一种固态直流限流器拓扑结构,在出现故障时,该拓扑经过自然换流技术,将故障电流切换到限流电感上,通过电感充电作用来延缓电流的上升;文献[20 ]提出了阻容型混合限流器,通过负载换相开关(Load commutation switch,LCS)和超快速机械开关(Ultra-fast disconnector,UFD)将故障回路切换到阻容型限流支路;文献[21 ]提出一种新型多端口限流式直流故障保护方案,利用晶闸管器件耐压耐流等级、成本、阻断能力和可靠性等方面优势,设计了线路与断路器主支路间的换流桥臂;限流支路采用晶闸管作为控制元件,并利用直流电网给限流支路电容预充电.文献[22 ]提出一种适用于高压直流电网的模块化混合式限流器,具备限流和自旁路功能,可以有效降低直流系统中对断路器切断能力的需求.文献[23 ]提出一种新型电容换相混合式直流限流器,通过换相电容的充放电过程,可以控制H桥电路对应桥臂的导通,从而达到限流的效果.文献[24 ]分析了超导限流器的暂态特性和失超态电阻,验证了超导材料在故障限流方向的可行性.然而,电阻型超导限流器在作用之后需要一定的恢复时间,在恢复过程中,对重合闸会有一定的影响.这是超导限流器目前需要解决的一个难点.固态限流器中,电力电子器件较多,限流器的使用寿命受多个关键器件的影响,故障率较高. ...
一种固态直流限流器拓扑结构
1
2017
... 近十年限流器的研究成果表明,直流限流器的研究主要分为超导限流器和固态限流器[17 ,18 ] .文献[19 ]提出一种固态直流限流器拓扑结构,在出现故障时,该拓扑经过自然换流技术,将故障电流切换到限流电感上,通过电感充电作用来延缓电流的上升;文献[20 ]提出了阻容型混合限流器,通过负载换相开关(Load commutation switch,LCS)和超快速机械开关(Ultra-fast disconnector,UFD)将故障回路切换到阻容型限流支路;文献[21 ]提出一种新型多端口限流式直流故障保护方案,利用晶闸管器件耐压耐流等级、成本、阻断能力和可靠性等方面优势,设计了线路与断路器主支路间的换流桥臂;限流支路采用晶闸管作为控制元件,并利用直流电网给限流支路电容预充电.文献[22 ]提出一种适用于高压直流电网的模块化混合式限流器,具备限流和自旁路功能,可以有效降低直流系统中对断路器切断能力的需求.文献[23 ]提出一种新型电容换相混合式直流限流器,通过换相电容的充放电过程,可以控制H桥电路对应桥臂的导通,从而达到限流的效果.文献[24 ]分析了超导限流器的暂态特性和失超态电阻,验证了超导材料在故障限流方向的可行性.然而,电阻型超导限流器在作用之后需要一定的恢复时间,在恢复过程中,对重合闸会有一定的影响.这是超导限流器目前需要解决的一个难点.固态限流器中,电力电子器件较多,限流器的使用寿命受多个关键器件的影响,故障率较高. ...
一种固态直流限流器拓扑结构
1
2017
... 近十年限流器的研究成果表明,直流限流器的研究主要分为超导限流器和固态限流器[17 ,18 ] .文献[19 ]提出一种固态直流限流器拓扑结构,在出现故障时,该拓扑经过自然换流技术,将故障电流切换到限流电感上,通过电感充电作用来延缓电流的上升;文献[20 ]提出了阻容型混合限流器,通过负载换相开关(Load commutation switch,LCS)和超快速机械开关(Ultra-fast disconnector,UFD)将故障回路切换到阻容型限流支路;文献[21 ]提出一种新型多端口限流式直流故障保护方案,利用晶闸管器件耐压耐流等级、成本、阻断能力和可靠性等方面优势,设计了线路与断路器主支路间的换流桥臂;限流支路采用晶闸管作为控制元件,并利用直流电网给限流支路电容预充电.文献[22 ]提出一种适用于高压直流电网的模块化混合式限流器,具备限流和自旁路功能,可以有效降低直流系统中对断路器切断能力的需求.文献[23 ]提出一种新型电容换相混合式直流限流器,通过换相电容的充放电过程,可以控制H桥电路对应桥臂的导通,从而达到限流的效果.文献[24 ]分析了超导限流器的暂态特性和失超态电阻,验证了超导材料在故障限流方向的可行性.然而,电阻型超导限流器在作用之后需要一定的恢复时间,在恢复过程中,对重合闸会有一定的影响.这是超导限流器目前需要解决的一个难点.固态限流器中,电力电子器件较多,限流器的使用寿命受多个关键器件的影响,故障率较高. ...
一种适用于直流电网的阻容型混合式限流器
1
2018
... 近十年限流器的研究成果表明,直流限流器的研究主要分为超导限流器和固态限流器[17 ,18 ] .文献[19 ]提出一种固态直流限流器拓扑结构,在出现故障时,该拓扑经过自然换流技术,将故障电流切换到限流电感上,通过电感充电作用来延缓电流的上升;文献[20 ]提出了阻容型混合限流器,通过负载换相开关(Load commutation switch,LCS)和超快速机械开关(Ultra-fast disconnector,UFD)将故障回路切换到阻容型限流支路;文献[21 ]提出一种新型多端口限流式直流故障保护方案,利用晶闸管器件耐压耐流等级、成本、阻断能力和可靠性等方面优势,设计了线路与断路器主支路间的换流桥臂;限流支路采用晶闸管作为控制元件,并利用直流电网给限流支路电容预充电.文献[22 ]提出一种适用于高压直流电网的模块化混合式限流器,具备限流和自旁路功能,可以有效降低直流系统中对断路器切断能力的需求.文献[23 ]提出一种新型电容换相混合式直流限流器,通过换相电容的充放电过程,可以控制H桥电路对应桥臂的导通,从而达到限流的效果.文献[24 ]分析了超导限流器的暂态特性和失超态电阻,验证了超导材料在故障限流方向的可行性.然而,电阻型超导限流器在作用之后需要一定的恢复时间,在恢复过程中,对重合闸会有一定的影响.这是超导限流器目前需要解决的一个难点.固态限流器中,电力电子器件较多,限流器的使用寿命受多个关键器件的影响,故障率较高. ...
一种适用于直流电网的阻容型混合式限流器
1
2018
... 近十年限流器的研究成果表明,直流限流器的研究主要分为超导限流器和固态限流器[17 ,18 ] .文献[19 ]提出一种固态直流限流器拓扑结构,在出现故障时,该拓扑经过自然换流技术,将故障电流切换到限流电感上,通过电感充电作用来延缓电流的上升;文献[20 ]提出了阻容型混合限流器,通过负载换相开关(Load commutation switch,LCS)和超快速机械开关(Ultra-fast disconnector,UFD)将故障回路切换到阻容型限流支路;文献[21 ]提出一种新型多端口限流式直流故障保护方案,利用晶闸管器件耐压耐流等级、成本、阻断能力和可靠性等方面优势,设计了线路与断路器主支路间的换流桥臂;限流支路采用晶闸管作为控制元件,并利用直流电网给限流支路电容预充电.文献[22 ]提出一种适用于高压直流电网的模块化混合式限流器,具备限流和自旁路功能,可以有效降低直流系统中对断路器切断能力的需求.文献[23 ]提出一种新型电容换相混合式直流限流器,通过换相电容的充放电过程,可以控制H桥电路对应桥臂的导通,从而达到限流的效果.文献[24 ]分析了超导限流器的暂态特性和失超态电阻,验证了超导材料在故障限流方向的可行性.然而,电阻型超导限流器在作用之后需要一定的恢复时间,在恢复过程中,对重合闸会有一定的影响.这是超导限流器目前需要解决的一个难点.固态限流器中,电力电子器件较多,限流器的使用寿命受多个关键器件的影响,故障率较高. ...
适用于直流电网的多端口限流式直流故障保护方案
1
2020
... 近十年限流器的研究成果表明,直流限流器的研究主要分为超导限流器和固态限流器[17 ,18 ] .文献[19 ]提出一种固态直流限流器拓扑结构,在出现故障时,该拓扑经过自然换流技术,将故障电流切换到限流电感上,通过电感充电作用来延缓电流的上升;文献[20 ]提出了阻容型混合限流器,通过负载换相开关(Load commutation switch,LCS)和超快速机械开关(Ultra-fast disconnector,UFD)将故障回路切换到阻容型限流支路;文献[21 ]提出一种新型多端口限流式直流故障保护方案,利用晶闸管器件耐压耐流等级、成本、阻断能力和可靠性等方面优势,设计了线路与断路器主支路间的换流桥臂;限流支路采用晶闸管作为控制元件,并利用直流电网给限流支路电容预充电.文献[22 ]提出一种适用于高压直流电网的模块化混合式限流器,具备限流和自旁路功能,可以有效降低直流系统中对断路器切断能力的需求.文献[23 ]提出一种新型电容换相混合式直流限流器,通过换相电容的充放电过程,可以控制H桥电路对应桥臂的导通,从而达到限流的效果.文献[24 ]分析了超导限流器的暂态特性和失超态电阻,验证了超导材料在故障限流方向的可行性.然而,电阻型超导限流器在作用之后需要一定的恢复时间,在恢复过程中,对重合闸会有一定的影响.这是超导限流器目前需要解决的一个难点.固态限流器中,电力电子器件较多,限流器的使用寿命受多个关键器件的影响,故障率较高. ...
适用于直流电网的多端口限流式直流故障保护方案
1
2020
... 近十年限流器的研究成果表明,直流限流器的研究主要分为超导限流器和固态限流器[17 ,18 ] .文献[19 ]提出一种固态直流限流器拓扑结构,在出现故障时,该拓扑经过自然换流技术,将故障电流切换到限流电感上,通过电感充电作用来延缓电流的上升;文献[20 ]提出了阻容型混合限流器,通过负载换相开关(Load commutation switch,LCS)和超快速机械开关(Ultra-fast disconnector,UFD)将故障回路切换到阻容型限流支路;文献[21 ]提出一种新型多端口限流式直流故障保护方案,利用晶闸管器件耐压耐流等级、成本、阻断能力和可靠性等方面优势,设计了线路与断路器主支路间的换流桥臂;限流支路采用晶闸管作为控制元件,并利用直流电网给限流支路电容预充电.文献[22 ]提出一种适用于高压直流电网的模块化混合式限流器,具备限流和自旁路功能,可以有效降低直流系统中对断路器切断能力的需求.文献[23 ]提出一种新型电容换相混合式直流限流器,通过换相电容的充放电过程,可以控制H桥电路对应桥臂的导通,从而达到限流的效果.文献[24 ]分析了超导限流器的暂态特性和失超态电阻,验证了超导材料在故障限流方向的可行性.然而,电阻型超导限流器在作用之后需要一定的恢复时间,在恢复过程中,对重合闸会有一定的影响.这是超导限流器目前需要解决的一个难点.固态限流器中,电力电子器件较多,限流器的使用寿命受多个关键器件的影响,故障率较高. ...
适用于直流电网的自旁路型故障限流器研究
1
2019
... 近十年限流器的研究成果表明,直流限流器的研究主要分为超导限流器和固态限流器[17 ,18 ] .文献[19 ]提出一种固态直流限流器拓扑结构,在出现故障时,该拓扑经过自然换流技术,将故障电流切换到限流电感上,通过电感充电作用来延缓电流的上升;文献[20 ]提出了阻容型混合限流器,通过负载换相开关(Load commutation switch,LCS)和超快速机械开关(Ultra-fast disconnector,UFD)将故障回路切换到阻容型限流支路;文献[21 ]提出一种新型多端口限流式直流故障保护方案,利用晶闸管器件耐压耐流等级、成本、阻断能力和可靠性等方面优势,设计了线路与断路器主支路间的换流桥臂;限流支路采用晶闸管作为控制元件,并利用直流电网给限流支路电容预充电.文献[22 ]提出一种适用于高压直流电网的模块化混合式限流器,具备限流和自旁路功能,可以有效降低直流系统中对断路器切断能力的需求.文献[23 ]提出一种新型电容换相混合式直流限流器,通过换相电容的充放电过程,可以控制H桥电路对应桥臂的导通,从而达到限流的效果.文献[24 ]分析了超导限流器的暂态特性和失超态电阻,验证了超导材料在故障限流方向的可行性.然而,电阻型超导限流器在作用之后需要一定的恢复时间,在恢复过程中,对重合闸会有一定的影响.这是超导限流器目前需要解决的一个难点.固态限流器中,电力电子器件较多,限流器的使用寿命受多个关键器件的影响,故障率较高. ...
适用于直流电网的自旁路型故障限流器研究
1
2019
... 近十年限流器的研究成果表明,直流限流器的研究主要分为超导限流器和固态限流器[17 ,18 ] .文献[19 ]提出一种固态直流限流器拓扑结构,在出现故障时,该拓扑经过自然换流技术,将故障电流切换到限流电感上,通过电感充电作用来延缓电流的上升;文献[20 ]提出了阻容型混合限流器,通过负载换相开关(Load commutation switch,LCS)和超快速机械开关(Ultra-fast disconnector,UFD)将故障回路切换到阻容型限流支路;文献[21 ]提出一种新型多端口限流式直流故障保护方案,利用晶闸管器件耐压耐流等级、成本、阻断能力和可靠性等方面优势,设计了线路与断路器主支路间的换流桥臂;限流支路采用晶闸管作为控制元件,并利用直流电网给限流支路电容预充电.文献[22 ]提出一种适用于高压直流电网的模块化混合式限流器,具备限流和自旁路功能,可以有效降低直流系统中对断路器切断能力的需求.文献[23 ]提出一种新型电容换相混合式直流限流器,通过换相电容的充放电过程,可以控制H桥电路对应桥臂的导通,从而达到限流的效果.文献[24 ]分析了超导限流器的暂态特性和失超态电阻,验证了超导材料在故障限流方向的可行性.然而,电阻型超导限流器在作用之后需要一定的恢复时间,在恢复过程中,对重合闸会有一定的影响.这是超导限流器目前需要解决的一个难点.固态限流器中,电力电子器件较多,限流器的使用寿命受多个关键器件的影响,故障率较高. ...
一种新型电容换相混合式直流限流器
1
2018
... 近十年限流器的研究成果表明,直流限流器的研究主要分为超导限流器和固态限流器[17 ,18 ] .文献[19 ]提出一种固态直流限流器拓扑结构,在出现故障时,该拓扑经过自然换流技术,将故障电流切换到限流电感上,通过电感充电作用来延缓电流的上升;文献[20 ]提出了阻容型混合限流器,通过负载换相开关(Load commutation switch,LCS)和超快速机械开关(Ultra-fast disconnector,UFD)将故障回路切换到阻容型限流支路;文献[21 ]提出一种新型多端口限流式直流故障保护方案,利用晶闸管器件耐压耐流等级、成本、阻断能力和可靠性等方面优势,设计了线路与断路器主支路间的换流桥臂;限流支路采用晶闸管作为控制元件,并利用直流电网给限流支路电容预充电.文献[22 ]提出一种适用于高压直流电网的模块化混合式限流器,具备限流和自旁路功能,可以有效降低直流系统中对断路器切断能力的需求.文献[23 ]提出一种新型电容换相混合式直流限流器,通过换相电容的充放电过程,可以控制H桥电路对应桥臂的导通,从而达到限流的效果.文献[24 ]分析了超导限流器的暂态特性和失超态电阻,验证了超导材料在故障限流方向的可行性.然而,电阻型超导限流器在作用之后需要一定的恢复时间,在恢复过程中,对重合闸会有一定的影响.这是超导限流器目前需要解决的一个难点.固态限流器中,电力电子器件较多,限流器的使用寿命受多个关键器件的影响,故障率较高. ...
一种新型电容换相混合式直流限流器
1
2018
... 近十年限流器的研究成果表明,直流限流器的研究主要分为超导限流器和固态限流器[17 ,18 ] .文献[19 ]提出一种固态直流限流器拓扑结构,在出现故障时,该拓扑经过自然换流技术,将故障电流切换到限流电感上,通过电感充电作用来延缓电流的上升;文献[20 ]提出了阻容型混合限流器,通过负载换相开关(Load commutation switch,LCS)和超快速机械开关(Ultra-fast disconnector,UFD)将故障回路切换到阻容型限流支路;文献[21 ]提出一种新型多端口限流式直流故障保护方案,利用晶闸管器件耐压耐流等级、成本、阻断能力和可靠性等方面优势,设计了线路与断路器主支路间的换流桥臂;限流支路采用晶闸管作为控制元件,并利用直流电网给限流支路电容预充电.文献[22 ]提出一种适用于高压直流电网的模块化混合式限流器,具备限流和自旁路功能,可以有效降低直流系统中对断路器切断能力的需求.文献[23 ]提出一种新型电容换相混合式直流限流器,通过换相电容的充放电过程,可以控制H桥电路对应桥臂的导通,从而达到限流的效果.文献[24 ]分析了超导限流器的暂态特性和失超态电阻,验证了超导材料在故障限流方向的可行性.然而,电阻型超导限流器在作用之后需要一定的恢复时间,在恢复过程中,对重合闸会有一定的影响.这是超导限流器目前需要解决的一个难点.固态限流器中,电力电子器件较多,限流器的使用寿命受多个关键器件的影响,故障率较高. ...
电阻型高温超导限流器暂态电阻特性分析
1
2018
... 近十年限流器的研究成果表明,直流限流器的研究主要分为超导限流器和固态限流器[17 ,18 ] .文献[19 ]提出一种固态直流限流器拓扑结构,在出现故障时,该拓扑经过自然换流技术,将故障电流切换到限流电感上,通过电感充电作用来延缓电流的上升;文献[20 ]提出了阻容型混合限流器,通过负载换相开关(Load commutation switch,LCS)和超快速机械开关(Ultra-fast disconnector,UFD)将故障回路切换到阻容型限流支路;文献[21 ]提出一种新型多端口限流式直流故障保护方案,利用晶闸管器件耐压耐流等级、成本、阻断能力和可靠性等方面优势,设计了线路与断路器主支路间的换流桥臂;限流支路采用晶闸管作为控制元件,并利用直流电网给限流支路电容预充电.文献[22 ]提出一种适用于高压直流电网的模块化混合式限流器,具备限流和自旁路功能,可以有效降低直流系统中对断路器切断能力的需求.文献[23 ]提出一种新型电容换相混合式直流限流器,通过换相电容的充放电过程,可以控制H桥电路对应桥臂的导通,从而达到限流的效果.文献[24 ]分析了超导限流器的暂态特性和失超态电阻,验证了超导材料在故障限流方向的可行性.然而,电阻型超导限流器在作用之后需要一定的恢复时间,在恢复过程中,对重合闸会有一定的影响.这是超导限流器目前需要解决的一个难点.固态限流器中,电力电子器件较多,限流器的使用寿命受多个关键器件的影响,故障率较高. ...
电阻型高温超导限流器暂态电阻特性分析
1
2018
... 近十年限流器的研究成果表明,直流限流器的研究主要分为超导限流器和固态限流器[17 ,18 ] .文献[19 ]提出一种固态直流限流器拓扑结构,在出现故障时,该拓扑经过自然换流技术,将故障电流切换到限流电感上,通过电感充电作用来延缓电流的上升;文献[20 ]提出了阻容型混合限流器,通过负载换相开关(Load commutation switch,LCS)和超快速机械开关(Ultra-fast disconnector,UFD)将故障回路切换到阻容型限流支路;文献[21 ]提出一种新型多端口限流式直流故障保护方案,利用晶闸管器件耐压耐流等级、成本、阻断能力和可靠性等方面优势,设计了线路与断路器主支路间的换流桥臂;限流支路采用晶闸管作为控制元件,并利用直流电网给限流支路电容预充电.文献[22 ]提出一种适用于高压直流电网的模块化混合式限流器,具备限流和自旁路功能,可以有效降低直流系统中对断路器切断能力的需求.文献[23 ]提出一种新型电容换相混合式直流限流器,通过换相电容的充放电过程,可以控制H桥电路对应桥臂的导通,从而达到限流的效果.文献[24 ]分析了超导限流器的暂态特性和失超态电阻,验证了超导材料在故障限流方向的可行性.然而,电阻型超导限流器在作用之后需要一定的恢复时间,在恢复过程中,对重合闸会有一定的影响.这是超导限流器目前需要解决的一个难点.固态限流器中,电力电子器件较多,限流器的使用寿命受多个关键器件的影响,故障率较高. ...