基于混合型柔性限流器直流配网故障暂态特性研究 *
李清波, 林佳壕

Study on Fault Transient Characteristics of DC Distribution Network Based on Hybrid Flexible Current Limiter
LI Qingbo, LIN Jiahao
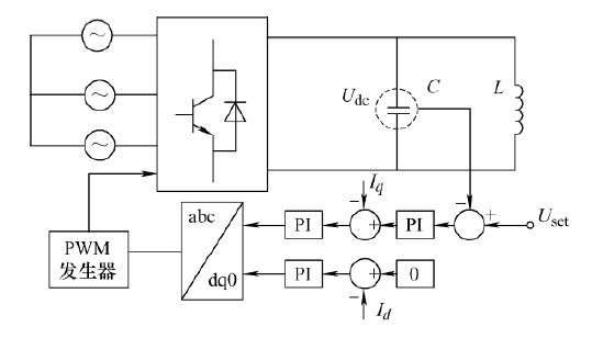
图6 整流器控制模型