具备高压解耦电路的新型无电解电容微逆变器研究
江苏大学电气信息工程学院 镇江 212013
A Novel Electrolytic Capacitor-less Micro-inverter with High Voltage Gain Power Decoupling Circuit
Jiangsu University Zhenjiang 212013 China
收稿日期: 2014-12-2 网络出版日期: 2015-10-16
Received: 2014-12-2 Online: 2015-10-16
作者简介 About authors
张超:男,1973年生,副教授,研究方向为新能源逆变 。
韦庭:男,1989年生,硕士研究生,研究方向为新能源逆变 。
提出了一种新颖的单相无电解电容光伏并网微逆变器。该微逆变器主电路拓扑由光伏器件输出侧功率解耦电路和反激式逆变器构成。解耦电路将光伏器件输出能量储存在高电压电容中,以减小解耦电容容量,实现小容量薄膜电容替代大容量电解电容。反激式变换器以薄膜电容为主要电源,避免光伏器件工作受逆变干扰,简化了微逆变器控制策略。同时,详细分析微逆变器电路的工作原理,并阐述电路主要参数的设计依据。最后,搭建一台100W并网微逆变器样机,实验结果验证了所提出微逆变器及控制策略的有效性。
关键词:
A novel micro-inverter topology without electrolytic capacitor is proposed, which is applied in a single stage photovoltaic power conversion system. The topology is based on a conventional flyback combining with decoupling circuit located in the photovoltaic module output side. The power decoupling circuit can store the PV output power in high voltage capacitor, which reduces the decoupling capacitance, thus allowing for long lifetime film capacitor to be used. The flyback inverter uses the film capacitor as main power source and avoids interference with the photovoltaic module, which simple the control strategy of micro-inverter. Operation principle of the novel micro-inverter is analyzed in detail and the design principle of the main parameters is presented in this paper. A 100W prototype of the proposed micro-inverter has been built and tested. Experimental results are provided to demonstrate the validity of the proposed circuit and its control scheme.
Keywords:
本文引用格式
张超, 韦庭, 张舒辉.
Zhang Chao.
1 引言
随着光伏发电成本下降,光伏并网发电系统装机容量逐年增加。作为光伏并网发电系统的核心,串行逆变器无法解决在局部阴影工况下光伏阵列输出效率大幅度下降的问题[1,2]。微逆变器采用单块光伏模块供电,避免了上述问题,成为光伏并网发电系统研究的热点[3,4,5]。目前,微逆变器在单位功率成本和系统效率等方面均有明显改善,但是在系统可靠性及使用寿命上仍存在较大的不足,成为制约微逆变器推广使用的关键因素[6,7,8,9]。究其原因在于受光伏器件工作电压及功率的限制,微逆变器需要大容量电解电容用于光伏器件与逆变器之间的功率解耦。对于电解电容而言,工作温度直接影响到其使用寿命,而微逆变器工作环境温度较高这一特点缩短了电解电容的使用寿命,进而降低了微逆变器的可靠性。
薄膜电容在高温环境下的寿命远大于电解电容,但也存在单位体积容量较小,价格较高的缺点。若用薄膜电容替代电解电容用于功率解耦,则需要薄膜电容较多,增加了微逆变器的体积和单位功率造价[10]。为了实现小容值薄膜电容替代大容量电解电容,学者们开展了许多研究工作,提出了新型微逆变器拓扑。
与两级式逆变器相比,单级式逆变器结构简单,所需器件少。但是,单级式逆变器没有高压直流母线,其逆变过程会在光伏器件输出端造成两倍电网频率的扰动[15]。为了解决这一问题,文献[16]提出了一种具有有源功率解耦电路的单级式逆变器。它通过变压器励磁电感,将光伏器件输出能量存储在高压解耦电容中,为后级逆变器提供能量,避免了对光伏器件工作的干扰,但功率器件均为高频开关,最大工作效率仅为70%。根据光伏、逆变器瞬时输出功率之间的大小,将光伏器件部分能量直接供给逆变器,可减小储能环节的功率损耗,从而提高电路工作效率[17]。上述单级式微逆变器仅需4个有源器件,但控制策略较复杂。三端口功率变换器则将最大功率点跟踪、功率解耦分配到不同的端口中,功率流动途径清晰、控制易于实现,但增加了微逆变器的复杂程度[18,19]。可见,就无电解电容微逆变器而言,降低单位功率成本、提高转换效率和简化控制策略是其研究的重点。
在不降低微逆变器可靠性的前提下,为进一步提高其效率、降低成本,本文提出了新型无电解电容微逆变器,它由高电压增益功率解耦电路及反激式逆变器构成。解耦电路结构简单,所用电容容量仅为传统单级式微逆变器的1/30,为薄膜电容的使用提供了技术条件。此外,该电路还具备结构简单、所用功率器件少、控制策略易于实现且效率高等优点。在阐述新型微逆变器拓扑结构的基础上,详细分析其工作原理,并给出具体实现及关键参数设计方法。最后,在搭建的实验平台上,验证了所提出的新型微逆变器的有效性。
2 主电路拓扑
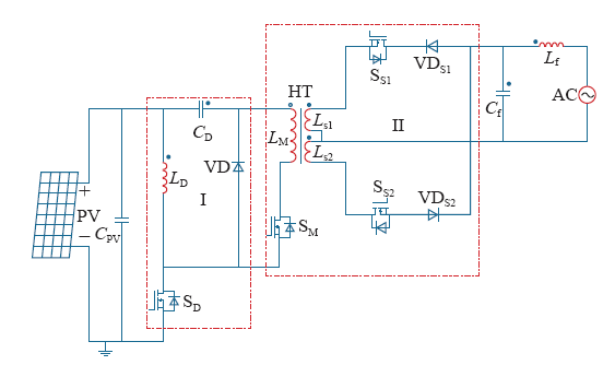
新型微逆变器结构如图1所示。光伏器件通过功率解耦电路,将输出能量存储在高电压薄膜电容(解耦电容)中,实现最大功率点跟踪控制,并与薄膜电容串联向逆变器供电,实现并网发电。由于逆变器能量主要由薄膜电容提供,避免了逆变过程干扰光伏器件工作状态,实现系统功率解耦。
图1
电路拓扑如图2所示,它由解耦电路Ⅰ和反激式逆变器Ⅱ构成。解耦电路由功率器件SD、电感LD、二极管VD和薄膜电容CD组成。
图2
图3是电路主要器件时序及波形,稳态时SD占空比不变,为电感LM提供励磁回路,SD、SM同时开通,且SD的导通时间大于SM。反激式逆变器采用峰值电流闭环控制,励磁电感LM工作在电流断续模式,SM占空比按正弦规律变化,将光伏器件、薄膜电容CD上的直流电转变为整流正弦半波,再经SS1、SS2展开为交流电。SS1、SS2开关频率等于电网频率,并根据电网电压交替开通。串联二极管VDS1、VDS2防止电流反向流动,电容Cf、电感Lf为滤波器,用于滤除高频开关分量。
图3
2.1 工作原理
为了简化分析,假设电路中均为理想元件,电路处于稳定工作状态,且在一个开关周期内,光伏器件工作电压UPV、电容CD电压稳定不变。相应器件控制信号及电路主要波形如图4所示,具体工作过程如下所示。
图4
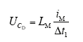
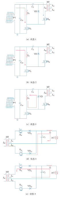
[t0〜t1]:t0时刻SD、SM同时开通,图5a显示光伏器件分两个回路给相关元件供电:经SD向电感LD充电,电流iD从零线性上升;与电容CD串联经SM、SD向励磁电感LM供电。在SM导通过程中,有下列关系

式中,UCD为电容CD工作电压;iM为励磁电感电流;Δt1为SM导通时间。由于实际工作时UCD远大于UPV,因而式(1)可近似为

控制Δt1满足

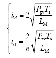
式中,M为调制度;TS为SD开关周期;ω为电网角频率。则励磁电感峰值电流iM、平均电流IM均按照正弦整流半波规律变化。根据功率平衡原理可知,上述电流均远小于光伏器件额定输出电流,因此对光伏器件工作状态的影响可忽略不计,从而实现系统功率解耦。
[t1〜t2]:t1时刻SM断开,存储在LM中的能量向变压器二次侧传递,如图5b所示。该阶段光伏器件继续给电感LD充电,t2时SD断开,电感LD电流达到最大值

图5
式中,Δt2为器件导通时间(Δt2=t2–t0)。该式表明当电感工作在电流断续模式下,光伏器件输出功率仅与Δt2有关,与SM工作状态无关,从而可通过控制SD实现最大功率点跟踪。
[t2〜t3]:如图5c所示,SD断开后电感LM经二极管VD向电容CD充电。根据伏秒平衡原理

式中,Δt3为电感LD电流下降到零的时间。因UCD远高于光伏器件输出端电压,放电时间小于充电时间,从而保证电感LD工作在电流断续模式。
上述工作过程中,从t1时刻励磁电感LM中能量向变压器二次侧传递,一个开关周期内输出的能量为

忽略电路功率损耗,上述能量等于逆变器输出能量

式中,Ug、Io分别是电网电压峰值、逆变器输出电流峰值。对比式(3)和式(7)可知,根据电网相位调节SM占空比变化即可控制逆变器功率输出。
2.2 控制策略
微逆变器控制原理框图如图6所示。为了实现最大功率点跟踪算法,根据UPV和IPV计算SD占空比;根据解耦电容电压UCD和逆变器输出参考电流iref,可以计算出励磁电感的工作电流imref。

图6
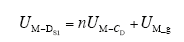
式中,Ugrid是电网电压有效值;η是逆变器的效率;iref是逆变器输出参考电流;n为变压器匝比。逆变器采用峰值电流控制策略,当励磁电感工作电流低于参考电流时SM导通,反之关断。为了保证解耦电容电压在设定范围内,同时克服因系统效率变化造成控制准确度下降,在上述控制策略的基础上,增加了UCD直流电压稳定控制环节以调节励磁电感参考电流,Uref为解耦电容工作参考电压,如图6所示。
2.3 电路比较
提出的新型微逆变器拓扑与常见微逆变器拓扑的比较见表1。可见,引入有源功率解耦电路后,单级式微逆变器均可以显著降低电容容量。与其他电路相比,本文提出的电路在器件数目和控制实现上均有一定的优势,有利于提高微逆变器功率密度,便于实现。二次侧功率器件工频开关则可提高系统效率。
表1 拓扑结构参数比较
Tab.1
| 解耦电容/μF | 器件数目 | 控制方法 | 开关频率 | |
|---|---|---|---|---|
| 本文拓扑 | 20 | 4开关管 +3二极管 | 简单 | 2高频 +2工频 |
| 参考文献18 | 40 | 4开关管 +3二极管 | 较难 | 2高频 +2局部高频 |
| 参考文献19 | 85 | 4开关管 +4二极管 | 较难 | 4高频 |
| 参考文献20 | 40 | 4开关管 +4二极管 | 复杂 | 1高频 +3局部高频 |
| 参考文献21 | 40 | 4开关管 +5二极管 | 复杂 | 1高频 +3局部高频 |
3 电路参数设计
3.1 功率器件电压应力
解耦电容电压以2倍电网频率变化,其最大值为UM–CD。由电路图5c可知,当SD关断时,电感LD放电过程中其承受的最大反向电压为

SM关断时,其承受的最大反向电压为

式中,UM_g为电网电压峰值。
SD导通时,二极管VD阻断电压等于解耦电容峰值电压。VDS1(VDS2)承受的最大电压应力对应于SS1(SS2)导通时

当SS1(SS2)开通,SS2(SS1)断开时,电网电压达到最大值,SS2(SS1)承受的反向电压最大,且与VDS1(VDS2)相同。
3.2 解耦电容
解耦电容容量可根据下式计算[20]

式中,P为逆变器输出功率;ω为电网电压角频率;UCD为该电容平均直流工作电压;∆UD为纹波电压。
如果解耦电容与光伏器件直接并联,UCD等于UPV,为了保证光伏器件输出效率,其输出纹波电压应控制在2%左右。而本文解耦电容电压UCD为200V,因该电容电压允许有较大的变化,故纹波电压可设计为10%UCD。根据式(12)可知,与传统解耦策略相比,本电路可大幅度减小解耦电容的容量,因此可使用薄膜电容实现功率解耦。
根据能量守恒原理可得

3.3 电感LD、LM
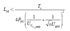
根据2.1小节分析,设计电感LM工作在电流断续模式,应满足公式

在式(14)左侧,Δt1和Δt4分别是该电感充、放电时间,为了满足电感工作在电流断续模式下,上述时间和应小于器件开关周期。Ls1

将式(14)代入式(15)得

电感LD一个开关周期内存储的能量满足

根据电路工作要求,SD占空比应大于SM,则有

又因LD工作于电流断续模式下,综合电感放电时间远小于充电时间

联立式(17)〜式(19)得

4 仿真及实验结果
运用PSIM软件,建立所提出的微逆变器仿真模型,其中电路主要参数见表2。
表2 仿真关键电路参数
Tab.2
| 电路参数 | 数值 |
|---|---|
| 额定功率/W | 100 |
| 最大功率点工作电压/V | 30 |
| 最大功率点工作电流/A | 3.3 |
| 开关频率/kHz | 20 |
| 变压器匝比 | 64∶130∶130 |
| Cpv/μF | 50 |
| CD/μF | 20 |
| LD/mH | 0.15 |
| LM/mH | 1 |
图7
图7
驱动信号时序图以及电感电流波形
Fig.7
Drive sequence diagram and waveforms of inductor current
图8
为进一步验证所提出新型微逆变器,构建了额定功率100W的样机。样机参数与仿真相同,光伏器件额定功率120W,最大功率点对应工作电压为38V,所使用功率器件见表3。
表3 实验电路主要器件
Tab.3
| 电路参数 | 器件型号 |
|---|---|
| VDS1、VDS2 | FR307 |
| VD | RHRP3060 |
| SD 、SM | HGTG30N60A |
| SS1、SS2 | FGW40N120VD |
图9是SD、SM驱动信号及储能电感LD两端工作电压波形。在一个开关周期内,上述器件同时导通,SD导通时间大于SM,为励磁电感提供充电回路。当SD导通时,电感两端电压等于光伏器件输出电压,且处于稳定状态。SD断开后,电感中能量转移至解耦电容CD中。由于LD两端电压远大于光伏器件工作电压,保证该电容工作在较高的电压等级,有助于电容容量减小。
图9
SD、SM器件工作电压及电感两端电压波形如图10所示。SD、SM导通时,两者管压降近似等于零。SM关断后器件承受反向电压为光伏器件、解耦电容以及变压器一次电压之和,LM电能全部释放变压器绕组电压为零,其承受电压下降。SD关断后电感LD放电,器件两端电压等于解耦电容CD工作电压,放电结束后二极管VD分担了部分电压,SD承受反向电压大幅度下降。上述器件波形与电路工作原理分析一致。
图10
图11是光伏器件的输出电压、解耦电容两端的电压、电网电压以及逆变器输出电流波形。由图可知:光伏器件工作电压稳定在34V,基本消除工频分量,满足最大功率点跟踪控制要求。解耦电容两端的电压纹波以2倍的电网频率变化,其直流平均电压以200V为中心上下20V波动输出。逆变器输出电流与电网电压同步,实现功率因数为1的并网发电。
图11
图12是微逆变器在不同功率下的效率曲线,虽然SD、SM零电流开通,且SS1、SS2为工频开关,但是反激式逆变器固有的变压器漏感损耗导致系统最大转换效率为88.2%。
图12
5 结论
论文提出了一种新型的无电解电容微逆变器。该拓扑所需功率器件少,降低了微逆变器单位功率成本;采用长寿命、低容值薄膜电容代替电解电容,显著提高了逆变器的使用寿命。逆变器由高电压解耦电容供电,降低了工作电流,避免了逆变过程对光伏器件输出功率的干扰,确保光伏器件稳定工作在最大功率点[24]。该逆变器最大功率点跟踪控制与电能逆变均独立可控,简化了系统控制。为避免逆变器系统效率变化导致控制精度下降,设置了直流母线电压稳定环节。实验表明,该逆变器控制易于实现,控制效果满足并网要求,整机效率在较宽的输出功率范围均大于83%。
(编辑:崔文静)
参考文献
Weighted-efficiency enhancement control for a photovoltaic AC module interleaved flyback inverter using a synchronous rectifier
[J].
A review of the single phase photovoltaic module integrated converter topologies with three different DC link configuratiions
[J].
A hybrid control method for photovoltaic grid-connected interleaved flyback micro inverter to achieve high efficiency in wide lode range
[C].
Design and analysis of the synchronization control method for BCM/DCM current-mode flyback micro-inverter
[C].
Forward type micro-inverter with power decoupling
[C].
Derivation, analysis, and implementaion of a boost-buck converter based high-efficiency PV inverter
[J].
A low cost flyback CCM inverter for as module application
[J].
Efficiency improvement of grid-tied inverters at low input power using pulse skipping control strategy
[J].
Topologies of single-phase inverters for small distributed power generators:An overview
[J].
A single phase grid-connected inverter with a power decoupling function
[C].
Low cost transformer isolated boost half-bridge micro-inverter for single-phase grid-connected photovoltaic system
[C].
Micro-inverter for integrated grid-tie PV module using resonant controller
[C].
A new quasi resonant DC link for single phase micro inverter
[C].
A dual-active-bridge based bi-directional micro-inverter with integrated short-term Li-Ion ultra-capacitor storage and active power smoothing for mofular PV systems
[C].
Analysis and design of decoupling capacitor for single phase flyback-inverter with active power decoupling circuit
[J].
Soft-switching flyback inverter with enhanced power decoupling for photovoltaic applications
[J].
A three-port flyback for PV pulsation decoupling capability
[J].
Flyback-type single-phase utility interactive inverter with power pulsation decoupling on the DC input for an AC photovoltaic module system
[J].
A modified modulation control of a single-phase inverter with enhanced power decoupling for a photovoltaic AC module
[C].
A single-stage micro inverter without using eletrolytic capacitors
[J].
A single stage micro-inverter based on a three-port flyback with power decoupling capability
[C].
级联型光伏并网逆变器在光照不均匀条件下的功率平衡控制
[J].
Power balanced controlling of cascaded inverter for grid-connected photovoltaic systems under unequal irradiance conditions
[J].
单级式光伏并网逆变器的非线性控制
[J].
Single-stage grid-connected PV inverter with nonlinear controller
[J].
/
| 〈 |
|
〉 |