具备高压解耦电路的新型无电解电容微逆变器研究
张超,韦庭,张舒辉

A Novel Electrolytic Capacitor-less Micro-inverter with High Voltage Gain Power Decoupling Circuit
Zhang Chao,Wei Ting,Zhang Shuhui
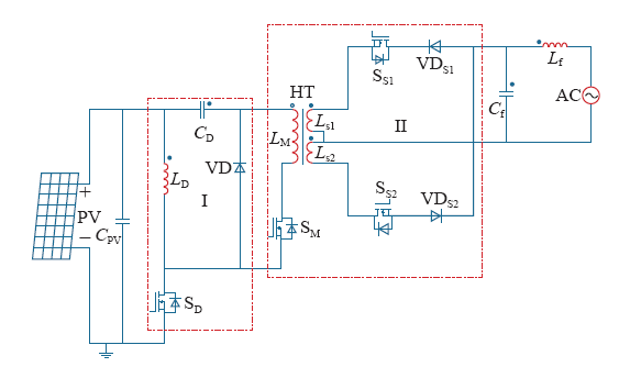
图2 新型微逆变器拓扑结构
Fig.2 The proposed micro-inverter topology