具备高压解耦电路的新型无电解电容微逆变器研究 |
| 张超,韦庭,张舒辉 |
|
A Novel Electrolytic Capacitor-less Micro-inverter with High Voltage Gain Power Decoupling Circuit |
| Zhang Chao,Wei Ting,Zhang Shuhui |
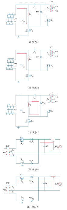
| 图5 微逆变器工作状态 |
| Fig.5 Operation stages of the proposed micro-inverter |
|