1 引言
单/多导体传输线的数学模型—传输线方程,作为一阶双曲型偏微分方程组,并没有固定的求解方式,利用现有的数学手段并不能得到其精确的解析解[1 -2 ] ,但是可以利用数值计算方式,得到其较为准确的数值解。
用于求解传输线方程的数值方法分为两类:频域法和时域法。对于频域分析方法,就是利用拉普拉斯变换将传输线方程转化为纯代数方程,在频域内求得电压、电流的频率响应,再通过拉氏反变换得到其时域解[3 -4 ] 。
对于大规模集成电路电压、电流的计算,频域分析法存在计算量较大的问题。因此一般考虑在时域内求解传输线方程。比较常用的时域分析方法有时域有限差分法、Lax差分法、Upwind差分法和Lax-Wendroff差分法等。上述方法均需要利用一定的离散方法将传输线方程转换成一阶拟线性偏微分方程组,然后进行计算,其推导过程较为复杂,并且在计算过程中涉及到大量状态矩阵求逆运算,数值计算精度以及计算效率较低,并且对离散的时间步长和空间步长有一定的稳定性要求[5 ⇓ -7 ] 。
为解决传统数值运算中出现的推导过程复杂、大量的状态矩阵求逆运算以及计算时间、空间步长影响数值稳定性等问题,本文提出利用求解一阶线性常微分方程组的数值方法对单/多传输线的数学模型-传输线方程进行数值分析[8 ] 。求解过程主要有两个步骤:一是将传输线方程利用紧致有限差分法进行空间四阶离散,将得到的状态方程组利用矩阵转换得到一阶线性常微分方程组[9 ] ;二是利用精细积分法与微分求积法(Differential quadrature method, DQM)相结合的高精度单步积分法对一阶线性常微分方程组进行求解[10 -11 ] 。通过理论分析可以得出,本文算法有固定的计算格式,且没有涉及到状态矩阵的求逆运算,其稳定性和计算时间步长无关等优势,可提高计算精度以及计算效率,最后通过仿真实例验证本文算法的优越性。
2 高精度单步积分法
(1) X ˙ t = f t , X t t ∈ t 0 , t f X t 0 = X 0 ![]()
式中,t 、tf 分别为时间变量和截止时间;f t , X t ![]()
为时间变量t 对状态变量X ![]()
的函数;X 0 为状态变量X ![]()
在初始时间t 0 ![]()
的函数值。
经过一系列的数值变换可将式(1)变成常系数微分方程形式
式中,H 为n 阶定常数矩阵;r X , t ![]()
为关于X 、t 的非线性函数。
在一个时间积分区间t k , t k + 1 ![]()
,运用矩阵指数函数和卷积运算可得到式(3)精确的时域动态响应[13 ] 。
(3) X k + 1 = exp ( t k + 1 − t k ) H X k + ∫ t k t k + 1 exp ( t k + 1 − τ ) H r ( τ , X ( τ ) ) d τ ![]()
式中,τ 为时间积分区间t k , t k + 1 ![]()
内任意时刻;Xk 为时间tk 时刻函数值,为给定值。Xk+ 1 为tk+ 1 时刻函数值,为待求值。
将式(3)等号右边第一项用精细积分法计算[10 ] ,可得Xk+ 1 计算公式为
(4) X k + 1 = T X k + ∫ t k t k + 1 exp ( ( t k + 1 − τ ) H ) r ( τ , X ( τ ) ) d τ ![]()
其中,T =exp[(tk+ 1 -tk )H ]=exp(ΔtH )可用精细积分法求得,等式右边第一项计算精度可以达到计算机精度,故数值误差主要来源于等式右边的第二项积分,此积分又被称为Duhamel积分。本文采用时域微分求积法对Duhamel积分项进行近似求解。
2.1 Duhamel积分项计算格式
对于式(1)中一阶常微分方程的初值问题,s ![]()
阶时域微分求积法可以表示为[11 ]
(5) z ˜ i = z k + Δ t ∑ j = 1 s m i j f ( t k + c j Δ t , z ˜ j ) z k + 1 = z k + Δ t ∑ j = 1 s n j f ( t k + c j Δ t , z ˜ j ) i = 1 , 2 , ⋯ , s ![]()
式中,Δ t ![]()
是积分时间步长;cj 是网格点;m i j ![]()
和n j ![]()
是与网格点相关的积分系数[14 ] 。
故式(4)中Duhamel积分项X ¯ k + 1 ![]()
的计算公式可写为
(6) X ¯ k + 1 = Δ t ∑ i = 1 s n i exp [ ( t k + 1 − t i ) H ] r ( X ^ k + i / s , t i ) ![]()
式中,i =1,2,…,s ;t i = t k + i × Δ t / s ![]()
。
对于式(6)中的X ^ k + i / s ![]()
,采用4阶Runge-Kutta进行预估,此时s =4,故i =1,2,3,4。X ^ k + i / s ![]()
计算公式为[15 ]
(7) X ^ k + 1 / 4 = X k + Δ t 4 × 6 S 1 + 2 S 2 + 2 S 3 + S 4 ![]()
S 1 = H X k + r ( X k , t k )
S 2 = H X k + Δ t 4 × 2 S 1 + r X k + Δ t 4 × 2 S 1 , t k + Δ t 4 × 2
S 3 = H X k + Δ t 4 × 2 S 2 + r X k + Δ t 4 × 2 S 2 , t k + Δ t 4 × 2
S 4 = H X k + Δ t 4 S 3 + r X k + Δ t 4 S 3 , t k + Δ t 4
其余X ^ k + 1 、X ^ k + 3 / 4 ![]()
、X ^ k + 1 / 2 ![]()
的值按照式(7)计算即可。Duhamel积分项的近似值X ¯ k + 1 ![]()
(8) X ¯ k + 1 = Δ t ( 2 3 K 1 − 1 3 K 2 + 2 3 K 3 ) ![]()
式中,K 1 = T 1 r ( X ^ k + 1 / 4 , t 1 ) , K 2 = T 2 r ( X ^ k + 1 / 2 , t 2 ) , K 3 = ![]()
T 3 r ( X ^ k + 3 / 4 , t 3 ) , ![]()
T 1 = exp ( 3 H Δ t / 4 ) , T 2 = exp ( H Δ t / 2 ) , T 3 = exp ( H Δ t / 4 ) ![]()
。
(9) T 2 = T 3 × T 3 T 1 = T 2 × T 3 T = T 1 × T 3 ![]()
再次利用精细单步求积法计算指数矩阵T 3 =exp(H Δt /4),然后利用式(9)的方法求得T 1 ![]()
、T 2 ![]()
。当求出Duhamel积分项的近似值X ¯ k + 1 ![]()
后,将其代入式(4)得到X k + 1 ![]()
。
尤为注意的是,上述算法不涉及到矩阵的求逆,不会因多次求逆而导致数值误差,并且对于线性常微分方程组,式(7)的预估过程可以省略,因此在很大程度上提高了计算效率。
2.2 算法稳定性分析
根据傅里叶方法可得迭代公式的稳定性条件,故本文方法稳定性条件为[16 -17 ]
从式(10)可知只要R e Δ t ⋅ λ i ≤ 0 ![]()
即能满足算法的稳定性要求。其中λ i ![]()
为矩阵H 的特征值;Δ t ![]()
为计算时间步长,是正实数。所以本文算法稳定只需要R e λ i ≤ 0 ![]()
,即时间步长Δ t ![]()
的取值并不影响算法的稳定性。
3 电报方程空间离散格式
(11) ∂ u ( x , t ) ∂ x = − L 0 ∂ i ( x , t ) ∂ t − R 0 i ( x , t ) ∂ i ( x , t ) ∂ x = − C 0 ∂ u ( x , t ) ∂ t − G 0 u ( x , t ) ![]()
式中,L 0 、G 0 、C 0 、R 0 分别为变压器绕组的单位长度电感、电导、电容、电阻参数;t 为时间变量;x 为空间变量;u ( x , t ) 、 i ( x , t ) ![]()
为传输线上关于空间、时间的电压和电流列矢量。
为了获得线路沿线的电压和电流变量,将整条传输线均匀分成N 段。假设传输线长度为L ,则每段长度Δx =L /N ,设un 为x = n ⋅ Δ x ![]()
处的电压值,n ∈[0, N ],i n − 1 / 2 ![]()
为x = ( n − 1 / 2 ) ⋅ Δ x ![]()
处的电流值,n ∈[1, N ],如图1 所示。
图1
本文采用紧致有限差分法(Compact finite difference, CFD)对电报方程进行离散,基于CFD的空间四阶差分公式为
(12) k 1 ∂ Y x ∂ x n + 1 + k 2 ∂ Y x ∂ x n + k 1 ∂ Y x ∂ x n − 1 = Y n + 1 / 2 − Y n − 1 / 2 Δ x ![]()
式中,Y x ![]()
为u x ![]()
或i x ![]()
,k 1 = 1 / 24 ![]()
,k 2 = 1 − 2 k 1 ![]()
。
(13) k 1 G 0 u n − 1 + C 0 u ˙ n − 1 + k 2 G 0 u n + C 0 u ˙ n + k 1 G 0 u n + 1 + C 0 u ˙ n + 1 = i n − 1 / 2 − i n + 1 / 2 Δ x n = 1 , 2 , ⋯ , N − 1 k 1 R 0 i n − 1 / 2 + L 0 i ˙ n − 1 / 2 + k 2 R 0 i n + 1 / 2 + L 0 i ˙ n + 1 / 2 + k 1 R 0 i n + 3 / 2 + L 0 i ˙ n + 3 / 2 = u n − u n + 1 Δ x n = 1 , 2 , ⋯ , N − 2 ![]()
(14) k 3 ∂ Y x ∂ x n + k 1 ∂ Y x ∂ x n − 1 = Y n + 1 / 2 − Y n − 1 / 2 Δ x k 4 ∂ Y x ∂ x n + k 1 ∂ Y x ∂ x n − 1 = Y n − Y n − 1 / 2 Δ x k 3 = 1 − k 1 k 4 = 1 / 2 − k 1 ![]()
(15) k 4 G 0 u 0 + C 0 u ˙ 0 + k 1 ( G 0 u 1 + C 0 u ˙ 1 ) = i 0 − i 1 / 2 Δ x k 3 R 0 i 1 / 2 + L 0 i ˙ 1 / 2 + k 1 R 0 i 3 / 2 + L 0 i ˙ 3 / 2 = u 0 − u 1 Δ x ![]()
(16) k 4 G 0 u n + C 0 u ˙ n + k 1 ( G 0 u n − 1 + C 0 u ˙ n − 1 ) = i n − 1 / 2 − i n Δ x k 3 R 0 i n − 1 / 2 + L 0 i ˙ n − 1 / 2 + k 1 R 0 i n − 3 / 2 + L 0 i ˙ n − 3 / 2 = u n − 1 − u n Δ x ![]()
根据式(13)、(15)、(16)可得2 N + 1 ![]()
个状态方程,故可得其矩阵形式的线性常微分方程组
H 1 = B 4 B 1 B 1 B 2 B 1 ⋱ ⋱ ⋱ B 1 B 2 B 1 B 1 B 4 0 0 F 3 F 1 F 1 F 2 F 1 ⋱ ⋱ ⋱ F 1 F 2 F 1 F 1 F 3
H 2 = A 4 A 1 A 1 A 2 A 1 ⋱ ⋱ ⋱ A 1 A 2 A 1 A 1 A 4 1 − 1 1 ⋱ ⋱ − 1 1 − 1 − 1 1 − 1 1 ⋱ ⋱ − 1 1 E 3 E 1 E 1 E 2 E 1 ⋱ ⋱ E 1 E 3
s ( t ) = [ − i 0 0 ⋯ i n ⋯ 0 0 ] T
B 1 = Δ x ⋅ C 0 ⋅ k 1 , B 2 = Δ x ⋅ C 0 ⋅ k 2 , B 4 = Δ x ⋅ C 0 ⋅ k 4 A 1 = Δ x ⋅ G 0 ⋅ k 1 , A 2 = Δ x ⋅ G 0 ⋅ k 2 , A 4 = Δ x ⋅ G 0 ⋅ k 4 E 1 = Δ x ⋅ R 0 ⋅ k 1 , E 2 = Δ x ⋅ R 0 ⋅ k 2 , E 3 = Δ x ⋅ R 0 ⋅ k 3 F 1 = Δ x ⋅ L 0 ⋅ k 1 , F 2 = Δ x ⋅ L 0 ⋅ k 2 , F 3 = Δ x ⋅ L 0 ⋅ k 3
式中,r ( t ) ![]()
为离散后的源项;X = u i ![]()
,H 为常数矩阵,H = − H 1 − 1 , r ( t ) = H 1 − 1 s ( t ) ![]()
。
以上推导没有结合实际线路的边界条件,下文将给出具体线路的边界条件。
4 仿真算例
4.1 单导体传输线模型
如图2 所示,单相高压长输电线路系统在t =0.0 s时断路器接通,实际输电线路空载,在空载线路首尾两端分别连接电阻Rs 和RL ,电阻值为10 Ω。空载输电线路长度为l ,假设输电线路为均匀线路,其参数R 0 、L 0 、C 0 分别为输电线路单位长度的电阻、电感和电容值。为了计算空载输电线路的末端电压uN ,采用传输线方程对输电线路系统进行建模。
图2
将整个线路平均分成30段,即N = 30 ![]()
。系统输入正弦电压信号US ,其初始相位ω 0 = π / 2 ![]()
。
采用本文方法对上面空载线路的末端电压uN 进行计算,计算时间步长为Δ t ![]()
,并在不同的时间步长内与时域有限差分法(Finite difference time domain,FDTD)结果做对比,具体仿真结果如图3 ~6 所示。
图3
图3
空载线路末端电压uN 仿真结果(Δt =1 μs)
图4
图4
空载线路末端电压uN 仿真结果(Δt =40 μs)
图5
图5
本文方法在不同时间步长下空载线路末端电压uN 仿真结果
图6
图6
两种方法在不同时间步长下空载线路末端电压uN 仿真结果(本文方法Δt =40 μs,FDTD Δt =1 μs)
由图3 ~6 仿真结果可得如下结论:① 本文方法所得结果与FDTD所得结果基本一致,可验证本文方法的有效性;② 无论使用本文方法还是FDTD计算线路的末端电压,都会产生一定的数值振荡。不同的是,本文所用方法产生数值振荡较小,计算精度较高;③ 本文方法使用于FDTD的40倍仿真时间步长时,本文所用方法的仿真结果基本没有变化,但是采用FDTD得出的计算结果,其振荡会加剧,验证了本文算法的稳定性并没有受到仿真步长的影响,以及可利用大步长进行仿真计算,提高计算效率。
4.2 多导体传输线模型
为扩展本文算法适用性,将本文算法用于实际大型变压器绕组暂态过电压的计算。
特快速暂态过电压(Very fast transient overvoltage,VFTO)进入大型电力变压器会对其绕组产生绝缘损坏,因此计算在VFTO下大型电力变压器绕组的匝间过电压能有效预防绕组的绝缘损坏。
在不考虑变压器组件频变效应情况下,将变压器绕组等效成一根根首尾相连的传输线,如图7 所示,故可用描述多导体传输线的电报方程进行建模研究[19 -20 ] 。
图7
图7 中,uS 和uR 表示每匝绕组的输入端电压与输出端电压;iS 和iR 表示每匝绕组的输入端电流与输出端电流。
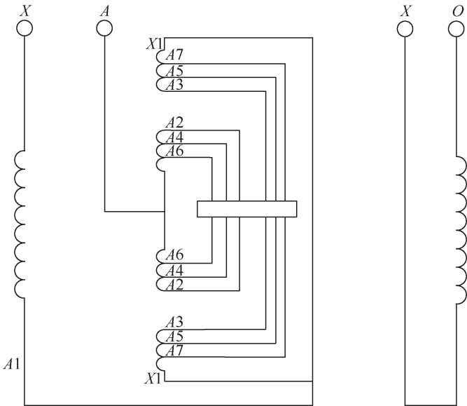
大型电力变压器绕组的多导体传输线模型对应的电报方程中R 0 、L 0 、C 0 、G 0 分别是单位长度的电阻、电感、电容、电导矩阵。变压器模型及其基本参数如表1 所示。
本文所用大型电力变压器模型是由保定天威集团提供的江西丰城SFP-800000/500自耦变压器,双线圈高低高结构,自铁心向外绕组排列:内高压(Hi )、低压和外高压(Ho );单相接线方式为YNd11三相牵引;其铁心形式为单相三柱式结构,如图8 所示。其中A 到X 1为外高压绕组,采用内屏蔽连续式,上下对称,具体线段数及段内匝数如表1 所示。A 1到X 为内高压绕组,分为4饼,每饼7 41 44 ![]()
匝。
图8
变压器绕组首端接入50 Ω电阻,即RS =50 Ω,尾端接地。可得绕组的边界条件为
冲击电压源e 0 为上升时间4 ns,峰值639 kV的冲击电压源,如图9 所示。利用本文方法与FDTD计算在同一变压器模型下A段8匝绕组的末端过电压,如图10 ~12 所示。
图9
图10
图11
图12
(1) 本文方法仿真波形与FDTD仿真波形基本一致,可验证本文算法在大型电力变压器绕组电磁暂态计算模型的实用性。然而由于计算过程中出现大量的矩阵求逆运算,影响了数值计算精度,FDTD仿真结果局部出现了较为轻微的数值振荡。
(2) 从大型变压器绕组自身分析:① 前几匝绕组的末端过电压的最大值出现在第一匝末端,为冲击电压源幅值的47%;② 随着匝数的增加,绕组末端过电压幅值在不断减小。并且在每一匝仿真时间内,电压值随着时间的增加而逐渐衰减。
5 结论
本文提出结合精细积分法与时域微分求积法对传输线方程进行求解。通过对算法的推导以及仿真实例验证,可得出以下结论。
(1) 由算法稳定性条件可知,本文方法稳定性条件与时间步长无关。FDTD的计算时间步长则要满足稳定条件:Δt ≤Δx /c (c =3×108 m/s),因此本文算法可利用大步长进行仿真计算,提高计算效率。
(2) 本文方法避免了因状态矩阵求逆而带来的数值误差,抑制了数值振荡,提高了计算精度。
(3) 首次将本文方法用于计算VFTO下大型电力变压器绕组的过电压,由仿真结果可知,变压器第一匝绕组中VFTO的幅值最大,并随着匝数的增加,VFTO的幅值呈递减状态,在实际工程中,应注重变压器绕组首端的绝缘保护。
参考文献
View Option
[1]
CLAYTON R P . Analysis of multiconductor transmission lines [M]. Sebastopol : Wiley-IEEE Press , 2008 :89 -109 .
[本文引用: 1]
[2]
闫涛 . 特快速暂态过电压下大型电力变压器绕组的时域算法研究 [D]. 天津 : 河北工业大学 , 2016 .
[本文引用: 1]
YAN Tao . Time domain algorithm research on windings of large power transformers under ultra-fast transient overvoltage [D]. Tianjin : Hebei University of Technology , 2016 .
[本文引用: 1]
[3]
孙韬 , 刘宗行 . 传输线方程解析解求解方法的探讨
[J]. 华北电力大学学报 , 2005 (S1 ):25 -28 .
[本文引用: 1]
SUN Tao , LIU Zongxing . Analytical solution method for transmission line equation
[J]. Journal of North China Electric Power University , 2005 (S1 ):25 -28 .
[本文引用: 1]
[4]
NURICUMBO-GUILLEN R , GOMEZ P , ESPINO-CORTES F P , et al. Accurate computation of transient profiles along multiconductor transmission systems by means of the numerical Laplace transform
[J]. IEEE Transactions on Power Delivery , 2014 , 29 (5 ):2385 -2393 .
DOI:10.1109/TPWRD.2014.2313526
URL
[本文引用: 1]
[5]
张希 , 刘宗行 , 孙韬 . 传输线方程的一种数值解法
[J]. 重庆大学学报 , 2004 (2 ):116 -119 ,131.
[本文引用: 1]
ZHANG Xi , LIU Zongxing , SUN Tao . A numerical solution of transmission line equation
[J]. Journal of Chongqing University , 2004 (2 ):116 -119 ,131.
[本文引用: 1]
[6]
张萍 , 汪友华 , 聂鑫鹏 , 等 . 基于Lax-Wendroff算法的变压器绕组高频模型的时域分析
[J]. 高压电器 , 2012 , 48 (6 ):23 -27 .
[本文引用: 1]
ZHANG Ping , WANG Youhua , NIE Xinpeng , et al. Time domain analysis of transformer winding high frequency model based on Lax-Wendroff algorithm
[J]. High Voltage Apparatus , 2012 , 48 (6 ):23 -27 .
[本文引用: 1]
[7]
高方平 , 姚缨英 , 季苏蕾 . 用FDTD法求解传输线方程
[J]. 华北电力大学学报 , 2012 , 39 (2 ):12 -16 .
[本文引用: 1]
GAO Fangping , YAO Yingying , JI Sulei . Solving transmission line equation by FDTD method
[J]. Journal of North China Electric Power University , 2012 , 39 (2 ):12 -16 .
[本文引用: 1]
[8]
王旭桐 , 周辉 , 马良 , 等 . 传输线方程的高精度龙格-库塔数值求解方法
[J]. 强激光与粒子束 , 2020 , 32 (3 ):97 -103 .
[本文引用: 1]
WANG Xutong , ZHOU Hui , MA Liang , et al. High precision Runge-Kutta numerical method for transmission line equation
[J]. High Intensity Laser and Particle Beam , 2020 , 32 (3 ):97 -103 .
[本文引用: 1]
[9]
CANGELLARIS A C , PASHA S , PRINCE J L , et al. A new discrete transmission line model for passive model order reduction and macro modeling of high-speed interconnections
[J]. IEEE Transactions on Advanced Packaging , 1999 , 22 (3 ):356 -364 .
DOI:10.1109/6040.784485
URL
[本文引用: 1]
[10]
钟万勰 . 暂态历程的精细计算方法
[J]. 计算结构力学及其应用 , 1995 (1 ):1 -6 .
[本文引用: 2]
ZHONG Wanxie . A detailed calculation method of transient course
[J]. Computational Structural Mechanics and Its Application , 1995 (1 ):1 -6 .
[本文引用: 2]
[11]
汪芳宗 , 廖小兵 , 谢雄 . 微分求积法的特性及其改进
[J]. 计算力学学报 , 2015 , 32 (6 ):765 -771 .
[本文引用: 2]
WANG Fangzong , LIAO Xiaobing , XIE Xiong . Characteristics and improvement of differential quadrature method
[J]. Chinese Journal of Computational Mechanics , 2015 , 32 (6 ):765 -771 .
[本文引用: 2]
[12]
郭瑞 , 李慧 , 赵琰 , 等 . 基于高精度直接积分法的输电线路过电压电磁暂态快速计算
[J]. 智慧电力 , 2020 , 48 (4 ):91 -96 .
[本文引用: 1]
GUO Rui , LI Hui , ZHAO Yan , et al. Rapid calculation of transmission line overvoltage electromagnetic transient based on high precision direct integral method
[J]. Smart Power , 2020 , 48 (4 ):91 -96 .
[本文引用: 1]
[13]
刘磊 , 律方成 , 刘云鹏 , 等 . 基于递归卷积法在变压器单绕组多导体传输线模型时域求解的初步研究
[C]// 全国电工理论与新技术学术年会论文集 , 2005 :375 -378 .
[本文引用: 1]
LIU Lei , LÜ Fangcheng , LIU Yunpeng , et al. A preliminary study on time domain solution of transformer single-winding multi-conductor transmission line model based on recursive convolution
[C]// 2005 Annual Conference of National Electrical Theory and New Technology , 2005 :375 -378 .
[本文引用: 1]
[14]
王永 , 汪芳宗 . 拟谱-微分求积混合方法求解一类双曲电报方程
[J]. 计算力学学报 , 2018 , 35 (1 ):69 -75 .
[本文引用: 1]
WANG Yong , WANG Fangzong . Hybrid method of quasi-spectral differential quadrature to solve a class of hyperbolic telegraph equations
[J]. Journal of Computational Mechanics , 2015 , 35 (1 ):69 -75 .
[本文引用: 1]
[15]
王永 , 马骏 , 李靖翔 , 等 . 非齐次动力学方程的一种精细积分单步方法
[J]. 计算力学学报 , 2020 , 37 (2 ):212 -217 .
[本文引用: 1]
WANG Yong , MA Jun , LI Jingxiang , et al. A precise integration single-step method for inhomogeneous kinetic equations
[J]. Chinese Journal of Computational Mechanics , 2020 , 37 (2 ):212 -217 .
[本文引用: 1]
[16]
MA X , ZHAO X , ZHAO Y . A 3-D precise integration time-domain method without the restraints of the Courant-Friedrich-Levy stability condition for the numerical solution of Maxwell’s equations
[J]. IEEE Transactions on Microwave Theory and Techniques , 2006 , 54 (7 ):3026 -3037 .
DOI:10.1109/TMTT.2006.877427
URL
[本文引用: 1]
[17]
贾磊 , 张亚婷 , 赵训君 , 等 . 非均匀传输线中电磁暂态过程的新型时域算法
[J]. 高电压技术 , 2009 , 35 (2 ):430 -434 .
[本文引用: 1]
JIA Lei , ZHANG Yating , ZHAO Xunjun , et al. A new time domain algorithm for electromagnetic transient processes in non-uniform transmission lines
[J]. High Voltage Engineering , 2009 , 35 (2 ):430 -434 .
[本文引用: 1]
[18]
付倩倩 , 陈胜泉 , 汪赳羚 . 一种基于经典帕德逼近的传输线瞬态响应数值计算方法
[J]. 电力科学与技术学报 , 2019 , 34 (4 ):184 -188 .
[本文引用: 1]
FU Qianqian , CHEN Shengquan , WANG Jiuling . A numerical method for transient response of transmission line based on classical Parder approximation
[J]. Journal of Electric Power Science and Technology , 2019 , 34 (4 ):184 -188 .
[本文引用: 1]
[19]
王赞基 , 杨钰 . 大型电力变压器线圈中特快速暂态电压分布的计算
[J]. 高电压技术 , 2010 , 36 (4 ):918 -925 .
[本文引用: 1]
WANG Zanji , YANG Yu . Calculation of extra-fast transient voltage distribution in coils of large power transformers
[J]. High Voltage Engineering , 2010 , 36 (4 ):918 -925 .
[本文引用: 1]
[20]
梁利辉 , 董华英 , 梁贵书 , 等 . VFTO下变压器绕组电位分布的计算
[J]. 华北电力大学学报 , 2009 , 36 (2 ):13 -17 ,22.
[本文引用: 1]
LIANG Lihui , DONG Huaying , LIANG Guishu , et al. Calculation of transformer winding potential distribution under VFTO
[J]. Journal of North China Electric Power University , 2009 , 36 (2 ):13 -17 ,22.
[本文引用: 1]
1
2008
... 单/多导体传输线的数学模型—传输线方程,作为一阶双曲型偏微分方程组,并没有固定的求解方式,利用现有的数学手段并不能得到其精确的解析解[1 -2 ] ,但是可以利用数值计算方式,得到其较为准确的数值解. ...
1
2016
... 单/多导体传输线的数学模型—传输线方程,作为一阶双曲型偏微分方程组,并没有固定的求解方式,利用现有的数学手段并不能得到其精确的解析解[1 -2 ] ,但是可以利用数值计算方式,得到其较为准确的数值解. ...
1
2016
... 单/多导体传输线的数学模型—传输线方程,作为一阶双曲型偏微分方程组,并没有固定的求解方式,利用现有的数学手段并不能得到其精确的解析解[1 -2 ] ,但是可以利用数值计算方式,得到其较为准确的数值解. ...
传输线方程解析解求解方法的探讨
1
2005
... 用于求解传输线方程的数值方法分为两类:频域法和时域法.对于频域分析方法,就是利用拉普拉斯变换将传输线方程转化为纯代数方程,在频域内求得电压、电流的频率响应,再通过拉氏反变换得到其时域解[3 -4 ] . ...
Analytical solution method for transmission line equation
1
2005
... 用于求解传输线方程的数值方法分为两类:频域法和时域法.对于频域分析方法,就是利用拉普拉斯变换将传输线方程转化为纯代数方程,在频域内求得电压、电流的频率响应,再通过拉氏反变换得到其时域解[3 -4 ] . ...
Accurate computation of transient profiles along multiconductor transmission systems by means of the numerical Laplace transform
1
2014
... 用于求解传输线方程的数值方法分为两类:频域法和时域法.对于频域分析方法,就是利用拉普拉斯变换将传输线方程转化为纯代数方程,在频域内求得电压、电流的频率响应,再通过拉氏反变换得到其时域解[3 -4 ] . ...
传输线方程的一种数值解法
1
2004
... 对于大规模集成电路电压、电流的计算,频域分析法存在计算量较大的问题.因此一般考虑在时域内求解传输线方程.比较常用的时域分析方法有时域有限差分法、Lax差分法、Upwind差分法和Lax-Wendroff差分法等.上述方法均需要利用一定的离散方法将传输线方程转换成一阶拟线性偏微分方程组,然后进行计算,其推导过程较为复杂,并且在计算过程中涉及到大量状态矩阵求逆运算,数值计算精度以及计算效率较低,并且对离散的时间步长和空间步长有一定的稳定性要求[5 ⇓ -7 ] . ...
A numerical solution of transmission line equation
1
2004
... 对于大规模集成电路电压、电流的计算,频域分析法存在计算量较大的问题.因此一般考虑在时域内求解传输线方程.比较常用的时域分析方法有时域有限差分法、Lax差分法、Upwind差分法和Lax-Wendroff差分法等.上述方法均需要利用一定的离散方法将传输线方程转换成一阶拟线性偏微分方程组,然后进行计算,其推导过程较为复杂,并且在计算过程中涉及到大量状态矩阵求逆运算,数值计算精度以及计算效率较低,并且对离散的时间步长和空间步长有一定的稳定性要求[5 ⇓ -7 ] . ...
基于Lax-Wendroff算法的变压器绕组高频模型的时域分析
1
2012
... 对于大规模集成电路电压、电流的计算,频域分析法存在计算量较大的问题.因此一般考虑在时域内求解传输线方程.比较常用的时域分析方法有时域有限差分法、Lax差分法、Upwind差分法和Lax-Wendroff差分法等.上述方法均需要利用一定的离散方法将传输线方程转换成一阶拟线性偏微分方程组,然后进行计算,其推导过程较为复杂,并且在计算过程中涉及到大量状态矩阵求逆运算,数值计算精度以及计算效率较低,并且对离散的时间步长和空间步长有一定的稳定性要求[5 ⇓ -7 ] . ...
Time domain analysis of transformer winding high frequency model based on Lax-Wendroff algorithm
1
2012
... 对于大规模集成电路电压、电流的计算,频域分析法存在计算量较大的问题.因此一般考虑在时域内求解传输线方程.比较常用的时域分析方法有时域有限差分法、Lax差分法、Upwind差分法和Lax-Wendroff差分法等.上述方法均需要利用一定的离散方法将传输线方程转换成一阶拟线性偏微分方程组,然后进行计算,其推导过程较为复杂,并且在计算过程中涉及到大量状态矩阵求逆运算,数值计算精度以及计算效率较低,并且对离散的时间步长和空间步长有一定的稳定性要求[5 ⇓ -7 ] . ...
用FDTD法求解传输线方程
1
2012
... 对于大规模集成电路电压、电流的计算,频域分析法存在计算量较大的问题.因此一般考虑在时域内求解传输线方程.比较常用的时域分析方法有时域有限差分法、Lax差分法、Upwind差分法和Lax-Wendroff差分法等.上述方法均需要利用一定的离散方法将传输线方程转换成一阶拟线性偏微分方程组,然后进行计算,其推导过程较为复杂,并且在计算过程中涉及到大量状态矩阵求逆运算,数值计算精度以及计算效率较低,并且对离散的时间步长和空间步长有一定的稳定性要求[5 ⇓ -7 ] . ...
Solving transmission line equation by FDTD method
1
2012
... 对于大规模集成电路电压、电流的计算,频域分析法存在计算量较大的问题.因此一般考虑在时域内求解传输线方程.比较常用的时域分析方法有时域有限差分法、Lax差分法、Upwind差分法和Lax-Wendroff差分法等.上述方法均需要利用一定的离散方法将传输线方程转换成一阶拟线性偏微分方程组,然后进行计算,其推导过程较为复杂,并且在计算过程中涉及到大量状态矩阵求逆运算,数值计算精度以及计算效率较低,并且对离散的时间步长和空间步长有一定的稳定性要求[5 ⇓ -7 ] . ...
传输线方程的高精度龙格-库塔数值求解方法
1
2020
... 为解决传统数值运算中出现的推导过程复杂、大量的状态矩阵求逆运算以及计算时间、空间步长影响数值稳定性等问题,本文提出利用求解一阶线性常微分方程组的数值方法对单/多传输线的数学模型-传输线方程进行数值分析[8 ] .求解过程主要有两个步骤:一是将传输线方程利用紧致有限差分法进行空间四阶离散,将得到的状态方程组利用矩阵转换得到一阶线性常微分方程组[9 ] ;二是利用精细积分法与微分求积法(Differential quadrature method, DQM)相结合的高精度单步积分法对一阶线性常微分方程组进行求解[10 -11 ] .通过理论分析可以得出,本文算法有固定的计算格式,且没有涉及到状态矩阵的求逆运算,其稳定性和计算时间步长无关等优势,可提高计算精度以及计算效率,最后通过仿真实例验证本文算法的优越性. ...
High precision Runge-Kutta numerical method for transmission line equation
1
2020
... 为解决传统数值运算中出现的推导过程复杂、大量的状态矩阵求逆运算以及计算时间、空间步长影响数值稳定性等问题,本文提出利用求解一阶线性常微分方程组的数值方法对单/多传输线的数学模型-传输线方程进行数值分析[8 ] .求解过程主要有两个步骤:一是将传输线方程利用紧致有限差分法进行空间四阶离散,将得到的状态方程组利用矩阵转换得到一阶线性常微分方程组[9 ] ;二是利用精细积分法与微分求积法(Differential quadrature method, DQM)相结合的高精度单步积分法对一阶线性常微分方程组进行求解[10 -11 ] .通过理论分析可以得出,本文算法有固定的计算格式,且没有涉及到状态矩阵的求逆运算,其稳定性和计算时间步长无关等优势,可提高计算精度以及计算效率,最后通过仿真实例验证本文算法的优越性. ...
A new discrete transmission line model for passive model order reduction and macro modeling of high-speed interconnections
1
1999
... 为解决传统数值运算中出现的推导过程复杂、大量的状态矩阵求逆运算以及计算时间、空间步长影响数值稳定性等问题,本文提出利用求解一阶线性常微分方程组的数值方法对单/多传输线的数学模型-传输线方程进行数值分析[8 ] .求解过程主要有两个步骤:一是将传输线方程利用紧致有限差分法进行空间四阶离散,将得到的状态方程组利用矩阵转换得到一阶线性常微分方程组[9 ] ;二是利用精细积分法与微分求积法(Differential quadrature method, DQM)相结合的高精度单步积分法对一阶线性常微分方程组进行求解[10 -11 ] .通过理论分析可以得出,本文算法有固定的计算格式,且没有涉及到状态矩阵的求逆运算,其稳定性和计算时间步长无关等优势,可提高计算精度以及计算效率,最后通过仿真实例验证本文算法的优越性. ...
暂态历程的精细计算方法
2
1995
... 为解决传统数值运算中出现的推导过程复杂、大量的状态矩阵求逆运算以及计算时间、空间步长影响数值稳定性等问题,本文提出利用求解一阶线性常微分方程组的数值方法对单/多传输线的数学模型-传输线方程进行数值分析[8 ] .求解过程主要有两个步骤:一是将传输线方程利用紧致有限差分法进行空间四阶离散,将得到的状态方程组利用矩阵转换得到一阶线性常微分方程组[9 ] ;二是利用精细积分法与微分求积法(Differential quadrature method, DQM)相结合的高精度单步积分法对一阶线性常微分方程组进行求解[10 -11 ] .通过理论分析可以得出,本文算法有固定的计算格式,且没有涉及到状态矩阵的求逆运算,其稳定性和计算时间步长无关等优势,可提高计算精度以及计算效率,最后通过仿真实例验证本文算法的优越性. ...
... 将式(3)等号右边第一项用精细积分法计算[10 ] ,可得Xk+ 1 计算公式为 ...
A detailed calculation method of transient course
2
1995
... 为解决传统数值运算中出现的推导过程复杂、大量的状态矩阵求逆运算以及计算时间、空间步长影响数值稳定性等问题,本文提出利用求解一阶线性常微分方程组的数值方法对单/多传输线的数学模型-传输线方程进行数值分析[8 ] .求解过程主要有两个步骤:一是将传输线方程利用紧致有限差分法进行空间四阶离散,将得到的状态方程组利用矩阵转换得到一阶线性常微分方程组[9 ] ;二是利用精细积分法与微分求积法(Differential quadrature method, DQM)相结合的高精度单步积分法对一阶线性常微分方程组进行求解[10 -11 ] .通过理论分析可以得出,本文算法有固定的计算格式,且没有涉及到状态矩阵的求逆运算,其稳定性和计算时间步长无关等优势,可提高计算精度以及计算效率,最后通过仿真实例验证本文算法的优越性. ...
... 将式(3)等号右边第一项用精细积分法计算[10 ] ,可得Xk+ 1 计算公式为 ...
微分求积法的特性及其改进
2
2015
... 为解决传统数值运算中出现的推导过程复杂、大量的状态矩阵求逆运算以及计算时间、空间步长影响数值稳定性等问题,本文提出利用求解一阶线性常微分方程组的数值方法对单/多传输线的数学模型-传输线方程进行数值分析[8 ] .求解过程主要有两个步骤:一是将传输线方程利用紧致有限差分法进行空间四阶离散,将得到的状态方程组利用矩阵转换得到一阶线性常微分方程组[9 ] ;二是利用精细积分法与微分求积法(Differential quadrature method, DQM)相结合的高精度单步积分法对一阶线性常微分方程组进行求解[10 -11 ] .通过理论分析可以得出,本文算法有固定的计算格式,且没有涉及到状态矩阵的求逆运算,其稳定性和计算时间步长无关等优势,可提高计算精度以及计算效率,最后通过仿真实例验证本文算法的优越性. ...
... 对于式(1)中一阶常微分方程的初值问题,
s ![]()
阶时域微分求积法可以表示为
[11 ] ...
Characteristics and improvement of differential quadrature method
2
2015
... 为解决传统数值运算中出现的推导过程复杂、大量的状态矩阵求逆运算以及计算时间、空间步长影响数值稳定性等问题,本文提出利用求解一阶线性常微分方程组的数值方法对单/多传输线的数学模型-传输线方程进行数值分析[8 ] .求解过程主要有两个步骤:一是将传输线方程利用紧致有限差分法进行空间四阶离散,将得到的状态方程组利用矩阵转换得到一阶线性常微分方程组[9 ] ;二是利用精细积分法与微分求积法(Differential quadrature method, DQM)相结合的高精度单步积分法对一阶线性常微分方程组进行求解[10 -11 ] .通过理论分析可以得出,本文算法有固定的计算格式,且没有涉及到状态矩阵的求逆运算,其稳定性和计算时间步长无关等优势,可提高计算精度以及计算效率,最后通过仿真实例验证本文算法的优越性. ...
... 对于式(1)中一阶常微分方程的初值问题,
s ![]()
阶时域微分求积法可以表示为
[11 ] ...
基于高精度直接积分法的输电线路过电压电磁暂态快速计算
1
2020
... 针对一阶常系数微分方程的初值问题[12 ] ...
Rapid calculation of transmission line overvoltage electromagnetic transient based on high precision direct integral method
1
2020
... 针对一阶常系数微分方程的初值问题[12 ] ...
基于递归卷积法在变压器单绕组多导体传输线模型时域求解的初步研究
1
2005
... 在一个时间积分区间
t k , t k + 1 ![]()
,运用矩阵指数函数和卷积运算可得到式(3)精确的时域动态响应
[13 ] . ...
A preliminary study on time domain solution of transformer single-winding multi-conductor transmission line model based on recursive convolution
1
2005
... 在一个时间积分区间
t k , t k + 1 ![]()
,运用矩阵指数函数和卷积运算可得到式(3)精确的时域动态响应
[13 ] . ...
拟谱-微分求积混合方法求解一类双曲电报方程
1
2018
... 式中,
Δ t ![]()
是积分时间步长;
cj 是网格点;
m i j ![]()
和
n j ![]()
是与网格点相关的积分系数
[14 ] . ...
Hybrid method of quasi-spectral differential quadrature to solve a class of hyperbolic telegraph equations
1
2015
... 式中,
Δ t ![]()
是积分时间步长;
cj 是网格点;
m i j ![]()
和
n j ![]()
是与网格点相关的积分系数
[14 ] . ...
非齐次动力学方程的一种精细积分单步方法
1
2020
... 对于式(6)中的
X ^ k + i / s ![]()
,采用4阶Runge-Kutta进行预估,此时
s =4,故
i =1,2,3,4.
X ^ k + i / s ![]()
计算公式为
[15 ] ...
A precise integration single-step method for inhomogeneous kinetic equations
1
2020
... 对于式(6)中的
X ^ k + i / s ![]()
,采用4阶Runge-Kutta进行预估,此时
s =4,故
i =1,2,3,4.
X ^ k + i / s ![]()
计算公式为
[15 ] ...
A 3-D precise integration time-domain method without the restraints of the Courant-Friedrich-Levy stability condition for the numerical solution of Maxwell’s equations
1
2006
... 根据傅里叶方法可得迭代公式的稳定性条件,故本文方法稳定性条件为[16 -17 ] ...
非均匀传输线中电磁暂态过程的新型时域算法
1
2009
... 根据傅里叶方法可得迭代公式的稳定性条件,故本文方法稳定性条件为[16 -17 ] ...
A new time domain algorithm for electromagnetic transient processes in non-uniform transmission lines
1
2009
... 根据傅里叶方法可得迭代公式的稳定性条件,故本文方法稳定性条件为[16 -17 ] ...
一种基于经典帕德逼近的传输线瞬态响应数值计算方法
1
2019
... 描述传输线的电报方程时域形式为[18 ] ...
A numerical method for transient response of transmission line based on classical Parder approximation
1
2019
... 描述传输线的电报方程时域形式为[18 ] ...
大型电力变压器线圈中特快速暂态电压分布的计算
1
2010
... 在不考虑变压器组件频变效应情况下,将变压器绕组等效成一根根首尾相连的传输线,如图7 所示,故可用描述多导体传输线的电报方程进行建模研究[19 -20 ] . ...
Calculation of extra-fast transient voltage distribution in coils of large power transformers
1
2010
... 在不考虑变压器组件频变效应情况下,将变压器绕组等效成一根根首尾相连的传输线,如图7 所示,故可用描述多导体传输线的电报方程进行建模研究[19 -20 ] . ...
VFTO下变压器绕组电位分布的计算
1
2009
... 在不考虑变压器组件频变效应情况下,将变压器绕组等效成一根根首尾相连的传输线,如图7 所示,故可用描述多导体传输线的电报方程进行建模研究[19 -20 ] . ...
Calculation of transformer winding potential distribution under VFTO
1
2009
... 在不考虑变压器组件频变效应情况下,将变压器绕组等效成一根根首尾相连的传输线,如图7 所示,故可用描述多导体传输线的电报方程进行建模研究[19 -20 ] . ...