传输线方程高精度直接积分的数值求解方法*
张萍, 刘宁, 聂鑫鹏, 吉增强

High Precision Numerical Method for Direct Integration of Transmission Line Equation
ZHANG Ping, LIU Ning, NIE Xinpeng, JI Zengqiang
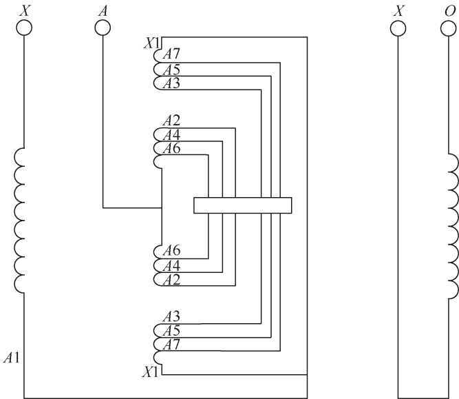
图8 变压器物理模型