1
2021
... 电能作为一种清洁、实用且容易控制和转换的能源形式,是国民经济快速发展的重要支撑.为缓和社会发展进程中日益增长的能源消耗需求与能源紧缺、环境保护三方面之间的矛盾,我国持续深化电力能源清洁化转型,大力开发风电、光伏等可再生能源,推进新能源发、输、配、用的一系列相关技术[1].在“碳达峰”“碳中和”愿景下,我国电力系统中新能源占比将持续攀升,预计到2030年,风、光可再生能源发电总装机容量达12亿kW以上;到2060年,新能源装机总占比将达约66%,总发电量占比逼近57%[2].这预示着高比例可再生能源并网将成为未来我国电网发展的重要趋势和基本特征[3]. ...
1
2021
... 电能作为一种清洁、实用且容易控制和转换的能源形式,是国民经济快速发展的重要支撑.为缓和社会发展进程中日益增长的能源消耗需求与能源紧缺、环境保护三方面之间的矛盾,我国持续深化电力能源清洁化转型,大力开发风电、光伏等可再生能源,推进新能源发、输、配、用的一系列相关技术[1].在“碳达峰”“碳中和”愿景下,我国电力系统中新能源占比将持续攀升,预计到2030年,风、光可再生能源发电总装机容量达12亿kW以上;到2060年,新能源装机总占比将达约66%,总发电量占比逼近57%[2].这预示着高比例可再生能源并网将成为未来我国电网发展的重要趋势和基本特征[3]. ...
1
2020
... 电能作为一种清洁、实用且容易控制和转换的能源形式,是国民经济快速发展的重要支撑.为缓和社会发展进程中日益增长的能源消耗需求与能源紧缺、环境保护三方面之间的矛盾,我国持续深化电力能源清洁化转型,大力开发风电、光伏等可再生能源,推进新能源发、输、配、用的一系列相关技术[1].在“碳达峰”“碳中和”愿景下,我国电力系统中新能源占比将持续攀升,预计到2030年,风、光可再生能源发电总装机容量达12亿kW以上;到2060年,新能源装机总占比将达约66%,总发电量占比逼近57%[2].这预示着高比例可再生能源并网将成为未来我国电网发展的重要趋势和基本特征[3]. ...
1
2020
... 电能作为一种清洁、实用且容易控制和转换的能源形式,是国民经济快速发展的重要支撑.为缓和社会发展进程中日益增长的能源消耗需求与能源紧缺、环境保护三方面之间的矛盾,我国持续深化电力能源清洁化转型,大力开发风电、光伏等可再生能源,推进新能源发、输、配、用的一系列相关技术[1].在“碳达峰”“碳中和”愿景下,我国电力系统中新能源占比将持续攀升,预计到2030年,风、光可再生能源发电总装机容量达12亿kW以上;到2060年,新能源装机总占比将达约66%,总发电量占比逼近57%[2].这预示着高比例可再生能源并网将成为未来我国电网发展的重要趋势和基本特征[3]. ...
高比例可再生能源电力系统的关键科学问题与理论研究框架
1
2017
... 电能作为一种清洁、实用且容易控制和转换的能源形式,是国民经济快速发展的重要支撑.为缓和社会发展进程中日益增长的能源消耗需求与能源紧缺、环境保护三方面之间的矛盾,我国持续深化电力能源清洁化转型,大力开发风电、光伏等可再生能源,推进新能源发、输、配、用的一系列相关技术[1].在“碳达峰”“碳中和”愿景下,我国电力系统中新能源占比将持续攀升,预计到2030年,风、光可再生能源发电总装机容量达12亿kW以上;到2060年,新能源装机总占比将达约66%,总发电量占比逼近57%[2].这预示着高比例可再生能源并网将成为未来我国电网发展的重要趋势和基本特征[3]. ...
Key scientific issues and theoretical research framework for power system with high proportion of renewable energy
1
2017
... 电能作为一种清洁、实用且容易控制和转换的能源形式,是国民经济快速发展的重要支撑.为缓和社会发展进程中日益增长的能源消耗需求与能源紧缺、环境保护三方面之间的矛盾,我国持续深化电力能源清洁化转型,大力开发风电、光伏等可再生能源,推进新能源发、输、配、用的一系列相关技术[1].在“碳达峰”“碳中和”愿景下,我国电力系统中新能源占比将持续攀升,预计到2030年,风、光可再生能源发电总装机容量达12亿kW以上;到2060年,新能源装机总占比将达约66%,总发电量占比逼近57%[2].这预示着高比例可再生能源并网将成为未来我国电网发展的重要趋势和基本特征[3]. ...
一种提高LCL型并网逆变器电流控制性能的延时补偿方法
1
2020
... 由于可再生能源发电系统常使用电力电子变换器作为并网接口[4],随着其在电网中渗透率的升高,整个电力系统呈现电力电子化趋势[5].传统的旋转式同步发电机具有高质量机械转子,因而整个能量变换系统的时间常数大,控制带宽窄,对于来自网侧的中高频扰动并不敏感[6].然而,电力电子装备常包含多个动态响应时间常数不同的控制环路,如光伏并网发电系统就有直流母线电压环、网侧电流控制环和同步锁相环[7],系统频带覆盖范围广,对电网中包括中、高频动态在内的宽频带扰动反应灵敏;此外,并网变换器出口处与电网之间设置有高频滤波器.电感电容元件、变换器控制系统及电网三者之间的交互作用导致严重的谐振现象[8],涉及频段可达数千Hz.近年来,含高比例可再生能源电力系统谐振不稳定事故频发,如我国青海某50 MV·A光伏电站和内蒙古东山风电场出现的20次以上谐波放大[9]、沽源风电场与临近串补装置相互作用激发频率为3~10 Hz的次同步振荡[10]、德国Borwin1风电柔直工程中100 Hz~1 kHz范围的谐波谐振[11]、光伏电站远距接入电网受传输线分布电容影响引发谐振[12]等.由此可见,在同步发电机被可再生能源机组大量替代的背景下,整个电力系统的动态特性发生了深刻变化,稳定机理高度复杂化.因此,深入研究复杂电网工况下可保证并网变换器稳定运行的控制策略,对于促进电力系统高比例可再生能源发展进程至关重要. ...
A delay compensation method to improve the current control performance of the LCL-type grid-connected inverter
1
2020
... 由于可再生能源发电系统常使用电力电子变换器作为并网接口[4],随着其在电网中渗透率的升高,整个电力系统呈现电力电子化趋势[5].传统的旋转式同步发电机具有高质量机械转子,因而整个能量变换系统的时间常数大,控制带宽窄,对于来自网侧的中高频扰动并不敏感[6].然而,电力电子装备常包含多个动态响应时间常数不同的控制环路,如光伏并网发电系统就有直流母线电压环、网侧电流控制环和同步锁相环[7],系统频带覆盖范围广,对电网中包括中、高频动态在内的宽频带扰动反应灵敏;此外,并网变换器出口处与电网之间设置有高频滤波器.电感电容元件、变换器控制系统及电网三者之间的交互作用导致严重的谐振现象[8],涉及频段可达数千Hz.近年来,含高比例可再生能源电力系统谐振不稳定事故频发,如我国青海某50 MV·A光伏电站和内蒙古东山风电场出现的20次以上谐波放大[9]、沽源风电场与临近串补装置相互作用激发频率为3~10 Hz的次同步振荡[10]、德国Borwin1风电柔直工程中100 Hz~1 kHz范围的谐波谐振[11]、光伏电站远距接入电网受传输线分布电容影响引发谐振[12]等.由此可见,在同步发电机被可再生能源机组大量替代的背景下,整个电力系统的动态特性发生了深刻变化,稳定机理高度复杂化.因此,深入研究复杂电网工况下可保证并网变换器稳定运行的控制策略,对于促进电力系统高比例可再生能源发展进程至关重要. ...
电力电子化电力系统暂态稳定性分析综述
1
2017
... 由于可再生能源发电系统常使用电力电子变换器作为并网接口[4],随着其在电网中渗透率的升高,整个电力系统呈现电力电子化趋势[5].传统的旋转式同步发电机具有高质量机械转子,因而整个能量变换系统的时间常数大,控制带宽窄,对于来自网侧的中高频扰动并不敏感[6].然而,电力电子装备常包含多个动态响应时间常数不同的控制环路,如光伏并网发电系统就有直流母线电压环、网侧电流控制环和同步锁相环[7],系统频带覆盖范围广,对电网中包括中、高频动态在内的宽频带扰动反应灵敏;此外,并网变换器出口处与电网之间设置有高频滤波器.电感电容元件、变换器控制系统及电网三者之间的交互作用导致严重的谐振现象[8],涉及频段可达数千Hz.近年来,含高比例可再生能源电力系统谐振不稳定事故频发,如我国青海某50 MV·A光伏电站和内蒙古东山风电场出现的20次以上谐波放大[9]、沽源风电场与临近串补装置相互作用激发频率为3~10 Hz的次同步振荡[10]、德国Borwin1风电柔直工程中100 Hz~1 kHz范围的谐波谐振[11]、光伏电站远距接入电网受传输线分布电容影响引发谐振[12]等.由此可见,在同步发电机被可再生能源机组大量替代的背景下,整个电力系统的动态特性发生了深刻变化,稳定机理高度复杂化.因此,深入研究复杂电网工况下可保证并网变换器稳定运行的控制策略,对于促进电力系统高比例可再生能源发展进程至关重要. ...
Analysis of transient stability of power electronics dominated power system:An overview
1
2017
... 由于可再生能源发电系统常使用电力电子变换器作为并网接口[4],随着其在电网中渗透率的升高,整个电力系统呈现电力电子化趋势[5].传统的旋转式同步发电机具有高质量机械转子,因而整个能量变换系统的时间常数大,控制带宽窄,对于来自网侧的中高频扰动并不敏感[6].然而,电力电子装备常包含多个动态响应时间常数不同的控制环路,如光伏并网发电系统就有直流母线电压环、网侧电流控制环和同步锁相环[7],系统频带覆盖范围广,对电网中包括中、高频动态在内的宽频带扰动反应灵敏;此外,并网变换器出口处与电网之间设置有高频滤波器.电感电容元件、变换器控制系统及电网三者之间的交互作用导致严重的谐振现象[8],涉及频段可达数千Hz.近年来,含高比例可再生能源电力系统谐振不稳定事故频发,如我国青海某50 MV·A光伏电站和内蒙古东山风电场出现的20次以上谐波放大[9]、沽源风电场与临近串补装置相互作用激发频率为3~10 Hz的次同步振荡[10]、德国Borwin1风电柔直工程中100 Hz~1 kHz范围的谐波谐振[11]、光伏电站远距接入电网受传输线分布电容影响引发谐振[12]等.由此可见,在同步发电机被可再生能源机组大量替代的背景下,整个电力系统的动态特性发生了深刻变化,稳定机理高度复杂化.因此,深入研究复杂电网工况下可保证并网变换器稳定运行的控制策略,对于促进电力系统高比例可再生能源发展进程至关重要. ...
“双高”电力系统稳定性的新问题及分类探讨
1
2021
... 由于可再生能源发电系统常使用电力电子变换器作为并网接口[4],随着其在电网中渗透率的升高,整个电力系统呈现电力电子化趋势[5].传统的旋转式同步发电机具有高质量机械转子,因而整个能量变换系统的时间常数大,控制带宽窄,对于来自网侧的中高频扰动并不敏感[6].然而,电力电子装备常包含多个动态响应时间常数不同的控制环路,如光伏并网发电系统就有直流母线电压环、网侧电流控制环和同步锁相环[7],系统频带覆盖范围广,对电网中包括中、高频动态在内的宽频带扰动反应灵敏;此外,并网变换器出口处与电网之间设置有高频滤波器.电感电容元件、变换器控制系统及电网三者之间的交互作用导致严重的谐振现象[8],涉及频段可达数千Hz.近年来,含高比例可再生能源电力系统谐振不稳定事故频发,如我国青海某50 MV·A光伏电站和内蒙古东山风电场出现的20次以上谐波放大[9]、沽源风电场与临近串补装置相互作用激发频率为3~10 Hz的次同步振荡[10]、德国Borwin1风电柔直工程中100 Hz~1 kHz范围的谐波谐振[11]、光伏电站远距接入电网受传输线分布电容影响引发谐振[12]等.由此可见,在同步发电机被可再生能源机组大量替代的背景下,整个电力系统的动态特性发生了深刻变化,稳定机理高度复杂化.因此,深入研究复杂电网工况下可保证并网变换器稳定运行的控制策略,对于促进电力系统高比例可再生能源发展进程至关重要. ...
New issues and classification of power system stability with high shares of renewables and power electronics
1
2021
... 由于可再生能源发电系统常使用电力电子变换器作为并网接口[4],随着其在电网中渗透率的升高,整个电力系统呈现电力电子化趋势[5].传统的旋转式同步发电机具有高质量机械转子,因而整个能量变换系统的时间常数大,控制带宽窄,对于来自网侧的中高频扰动并不敏感[6].然而,电力电子装备常包含多个动态响应时间常数不同的控制环路,如光伏并网发电系统就有直流母线电压环、网侧电流控制环和同步锁相环[7],系统频带覆盖范围广,对电网中包括中、高频动态在内的宽频带扰动反应灵敏;此外,并网变换器出口处与电网之间设置有高频滤波器.电感电容元件、变换器控制系统及电网三者之间的交互作用导致严重的谐振现象[8],涉及频段可达数千Hz.近年来,含高比例可再生能源电力系统谐振不稳定事故频发,如我国青海某50 MV·A光伏电站和内蒙古东山风电场出现的20次以上谐波放大[9]、沽源风电场与临近串补装置相互作用激发频率为3~10 Hz的次同步振荡[10]、德国Borwin1风电柔直工程中100 Hz~1 kHz范围的谐波谐振[11]、光伏电站远距接入电网受传输线分布电容影响引发谐振[12]等.由此可见,在同步发电机被可再生能源机组大量替代的背景下,整个电力系统的动态特性发生了深刻变化,稳定机理高度复杂化.因此,深入研究复杂电网工况下可保证并网变换器稳定运行的控制策略,对于促进电力系统高比例可再生能源发展进程至关重要. ...
基于扰动式MPPT控制的光伏并网系统间谐波分析模型
1
2018
... 由于可再生能源发电系统常使用电力电子变换器作为并网接口[4],随着其在电网中渗透率的升高,整个电力系统呈现电力电子化趋势[5].传统的旋转式同步发电机具有高质量机械转子,因而整个能量变换系统的时间常数大,控制带宽窄,对于来自网侧的中高频扰动并不敏感[6].然而,电力电子装备常包含多个动态响应时间常数不同的控制环路,如光伏并网发电系统就有直流母线电压环、网侧电流控制环和同步锁相环[7],系统频带覆盖范围广,对电网中包括中、高频动态在内的宽频带扰动反应灵敏;此外,并网变换器出口处与电网之间设置有高频滤波器.电感电容元件、变换器控制系统及电网三者之间的交互作用导致严重的谐振现象[8],涉及频段可达数千Hz.近年来,含高比例可再生能源电力系统谐振不稳定事故频发,如我国青海某50 MV·A光伏电站和内蒙古东山风电场出现的20次以上谐波放大[9]、沽源风电场与临近串补装置相互作用激发频率为3~10 Hz的次同步振荡[10]、德国Borwin1风电柔直工程中100 Hz~1 kHz范围的谐波谐振[11]、光伏电站远距接入电网受传输线分布电容影响引发谐振[12]等.由此可见,在同步发电机被可再生能源机组大量替代的背景下,整个电力系统的动态特性发生了深刻变化,稳定机理高度复杂化.因此,深入研究复杂电网工况下可保证并网变换器稳定运行的控制策略,对于促进电力系统高比例可再生能源发展进程至关重要. ...
Interharmonic analysis model of photovoltaic grid-connected system based on perturbed MPPT control
1
2018
... 由于可再生能源发电系统常使用电力电子变换器作为并网接口[4],随着其在电网中渗透率的升高,整个电力系统呈现电力电子化趋势[5].传统的旋转式同步发电机具有高质量机械转子,因而整个能量变换系统的时间常数大,控制带宽窄,对于来自网侧的中高频扰动并不敏感[6].然而,电力电子装备常包含多个动态响应时间常数不同的控制环路,如光伏并网发电系统就有直流母线电压环、网侧电流控制环和同步锁相环[7],系统频带覆盖范围广,对电网中包括中、高频动态在内的宽频带扰动反应灵敏;此外,并网变换器出口处与电网之间设置有高频滤波器.电感电容元件、变换器控制系统及电网三者之间的交互作用导致严重的谐振现象[8],涉及频段可达数千Hz.近年来,含高比例可再生能源电力系统谐振不稳定事故频发,如我国青海某50 MV·A光伏电站和内蒙古东山风电场出现的20次以上谐波放大[9]、沽源风电场与临近串补装置相互作用激发频率为3~10 Hz的次同步振荡[10]、德国Borwin1风电柔直工程中100 Hz~1 kHz范围的谐波谐振[11]、光伏电站远距接入电网受传输线分布电容影响引发谐振[12]等.由此可见,在同步发电机被可再生能源机组大量替代的背景下,整个电力系统的动态特性发生了深刻变化,稳定机理高度复杂化.因此,深入研究复杂电网工况下可保证并网变换器稳定运行的控制策略,对于促进电力系统高比例可再生能源发展进程至关重要. ...
高比例电力电子电力系统宽频带振荡研究综述
1
2021
... 由于可再生能源发电系统常使用电力电子变换器作为并网接口[4],随着其在电网中渗透率的升高,整个电力系统呈现电力电子化趋势[5].传统的旋转式同步发电机具有高质量机械转子,因而整个能量变换系统的时间常数大,控制带宽窄,对于来自网侧的中高频扰动并不敏感[6].然而,电力电子装备常包含多个动态响应时间常数不同的控制环路,如光伏并网发电系统就有直流母线电压环、网侧电流控制环和同步锁相环[7],系统频带覆盖范围广,对电网中包括中、高频动态在内的宽频带扰动反应灵敏;此外,并网变换器出口处与电网之间设置有高频滤波器.电感电容元件、变换器控制系统及电网三者之间的交互作用导致严重的谐振现象[8],涉及频段可达数千Hz.近年来,含高比例可再生能源电力系统谐振不稳定事故频发,如我国青海某50 MV·A光伏电站和内蒙古东山风电场出现的20次以上谐波放大[9]、沽源风电场与临近串补装置相互作用激发频率为3~10 Hz的次同步振荡[10]、德国Borwin1风电柔直工程中100 Hz~1 kHz范围的谐波谐振[11]、光伏电站远距接入电网受传输线分布电容影响引发谐振[12]等.由此可见,在同步发电机被可再生能源机组大量替代的背景下,整个电力系统的动态特性发生了深刻变化,稳定机理高度复杂化.因此,深入研究复杂电网工况下可保证并网变换器稳定运行的控制策略,对于促进电力系统高比例可再生能源发展进程至关重要. ...
A survey on wide-frequency oscillation for power systems with high penetration of power electronics
1
2021
... 由于可再生能源发电系统常使用电力电子变换器作为并网接口[4],随着其在电网中渗透率的升高,整个电力系统呈现电力电子化趋势[5].传统的旋转式同步发电机具有高质量机械转子,因而整个能量变换系统的时间常数大,控制带宽窄,对于来自网侧的中高频扰动并不敏感[6].然而,电力电子装备常包含多个动态响应时间常数不同的控制环路,如光伏并网发电系统就有直流母线电压环、网侧电流控制环和同步锁相环[7],系统频带覆盖范围广,对电网中包括中、高频动态在内的宽频带扰动反应灵敏;此外,并网变换器出口处与电网之间设置有高频滤波器.电感电容元件、变换器控制系统及电网三者之间的交互作用导致严重的谐振现象[8],涉及频段可达数千Hz.近年来,含高比例可再生能源电力系统谐振不稳定事故频发,如我国青海某50 MV·A光伏电站和内蒙古东山风电场出现的20次以上谐波放大[9]、沽源风电场与临近串补装置相互作用激发频率为3~10 Hz的次同步振荡[10]、德国Borwin1风电柔直工程中100 Hz~1 kHz范围的谐波谐振[11]、光伏电站远距接入电网受传输线分布电容影响引发谐振[12]等.由此可见,在同步发电机被可再生能源机组大量替代的背景下,整个电力系统的动态特性发生了深刻变化,稳定机理高度复杂化.因此,深入研究复杂电网工况下可保证并网变换器稳定运行的控制策略,对于促进电力系统高比例可再生能源发展进程至关重要. ...
大型光伏电站与电网谐波交互影响
1
2013
... 由于可再生能源发电系统常使用电力电子变换器作为并网接口[4],随着其在电网中渗透率的升高,整个电力系统呈现电力电子化趋势[5].传统的旋转式同步发电机具有高质量机械转子,因而整个能量变换系统的时间常数大,控制带宽窄,对于来自网侧的中高频扰动并不敏感[6].然而,电力电子装备常包含多个动态响应时间常数不同的控制环路,如光伏并网发电系统就有直流母线电压环、网侧电流控制环和同步锁相环[7],系统频带覆盖范围广,对电网中包括中、高频动态在内的宽频带扰动反应灵敏;此外,并网变换器出口处与电网之间设置有高频滤波器.电感电容元件、变换器控制系统及电网三者之间的交互作用导致严重的谐振现象[8],涉及频段可达数千Hz.近年来,含高比例可再生能源电力系统谐振不稳定事故频发,如我国青海某50 MV·A光伏电站和内蒙古东山风电场出现的20次以上谐波放大[9]、沽源风电场与临近串补装置相互作用激发频率为3~10 Hz的次同步振荡[10]、德国Borwin1风电柔直工程中100 Hz~1 kHz范围的谐波谐振[11]、光伏电站远距接入电网受传输线分布电容影响引发谐振[12]等.由此可见,在同步发电机被可再生能源机组大量替代的背景下,整个电力系统的动态特性发生了深刻变化,稳定机理高度复杂化.因此,深入研究复杂电网工况下可保证并网变换器稳定运行的控制策略,对于促进电力系统高比例可再生能源发展进程至关重要. ...
Harmonic interaction between large-scale photovoltaic power stations and grid
1
2013
... 由于可再生能源发电系统常使用电力电子变换器作为并网接口[4],随着其在电网中渗透率的升高,整个电力系统呈现电力电子化趋势[5].传统的旋转式同步发电机具有高质量机械转子,因而整个能量变换系统的时间常数大,控制带宽窄,对于来自网侧的中高频扰动并不敏感[6].然而,电力电子装备常包含多个动态响应时间常数不同的控制环路,如光伏并网发电系统就有直流母线电压环、网侧电流控制环和同步锁相环[7],系统频带覆盖范围广,对电网中包括中、高频动态在内的宽频带扰动反应灵敏;此外,并网变换器出口处与电网之间设置有高频滤波器.电感电容元件、变换器控制系统及电网三者之间的交互作用导致严重的谐振现象[8],涉及频段可达数千Hz.近年来,含高比例可再生能源电力系统谐振不稳定事故频发,如我国青海某50 MV·A光伏电站和内蒙古东山风电场出现的20次以上谐波放大[9]、沽源风电场与临近串补装置相互作用激发频率为3~10 Hz的次同步振荡[10]、德国Borwin1风电柔直工程中100 Hz~1 kHz范围的谐波谐振[11]、光伏电站远距接入电网受传输线分布电容影响引发谐振[12]等.由此可见,在同步发电机被可再生能源机组大量替代的背景下,整个电力系统的动态特性发生了深刻变化,稳定机理高度复杂化.因此,深入研究复杂电网工况下可保证并网变换器稳定运行的控制策略,对于促进电力系统高比例可再生能源发展进程至关重要. ...
Characteristic analysis of sub-synchronous resonance in practical wind farms connected to series-compensated transmissions
1
2017
... 由于可再生能源发电系统常使用电力电子变换器作为并网接口[4],随着其在电网中渗透率的升高,整个电力系统呈现电力电子化趋势[5].传统的旋转式同步发电机具有高质量机械转子,因而整个能量变换系统的时间常数大,控制带宽窄,对于来自网侧的中高频扰动并不敏感[6].然而,电力电子装备常包含多个动态响应时间常数不同的控制环路,如光伏并网发电系统就有直流母线电压环、网侧电流控制环和同步锁相环[7],系统频带覆盖范围广,对电网中包括中、高频动态在内的宽频带扰动反应灵敏;此外,并网变换器出口处与电网之间设置有高频滤波器.电感电容元件、变换器控制系统及电网三者之间的交互作用导致严重的谐振现象[8],涉及频段可达数千Hz.近年来,含高比例可再生能源电力系统谐振不稳定事故频发,如我国青海某50 MV·A光伏电站和内蒙古东山风电场出现的20次以上谐波放大[9]、沽源风电场与临近串补装置相互作用激发频率为3~10 Hz的次同步振荡[10]、德国Borwin1风电柔直工程中100 Hz~1 kHz范围的谐波谐振[11]、光伏电站远距接入电网受传输线分布电容影响引发谐振[12]等.由此可见,在同步发电机被可再生能源机组大量替代的背景下,整个电力系统的动态特性发生了深刻变化,稳定机理高度复杂化.因此,深入研究复杂电网工况下可保证并网变换器稳定运行的控制策略,对于促进电力系统高比例可再生能源发展进程至关重要. ...
BorWin1-first experiences with harmonic interactions in converter dominated grids
1
2015
... 由于可再生能源发电系统常使用电力电子变换器作为并网接口[4],随着其在电网中渗透率的升高,整个电力系统呈现电力电子化趋势[5].传统的旋转式同步发电机具有高质量机械转子,因而整个能量变换系统的时间常数大,控制带宽窄,对于来自网侧的中高频扰动并不敏感[6].然而,电力电子装备常包含多个动态响应时间常数不同的控制环路,如光伏并网发电系统就有直流母线电压环、网侧电流控制环和同步锁相环[7],系统频带覆盖范围广,对电网中包括中、高频动态在内的宽频带扰动反应灵敏;此外,并网变换器出口处与电网之间设置有高频滤波器.电感电容元件、变换器控制系统及电网三者之间的交互作用导致严重的谐振现象[8],涉及频段可达数千Hz.近年来,含高比例可再生能源电力系统谐振不稳定事故频发,如我国青海某50 MV·A光伏电站和内蒙古东山风电场出现的20次以上谐波放大[9]、沽源风电场与临近串补装置相互作用激发频率为3~10 Hz的次同步振荡[10]、德国Borwin1风电柔直工程中100 Hz~1 kHz范围的谐波谐振[11]、光伏电站远距接入电网受传输线分布电容影响引发谐振[12]等.由此可见,在同步发电机被可再生能源机组大量替代的背景下,整个电力系统的动态特性发生了深刻变化,稳定机理高度复杂化.因此,深入研究复杂电网工况下可保证并网变换器稳定运行的控制策略,对于促进电力系统高比例可再生能源发展进程至关重要. ...
考虑传输线分布电容影响的光伏并网系统谐波谐振抑制策略
1
2020
... 由于可再生能源发电系统常使用电力电子变换器作为并网接口[4],随着其在电网中渗透率的升高,整个电力系统呈现电力电子化趋势[5].传统的旋转式同步发电机具有高质量机械转子,因而整个能量变换系统的时间常数大,控制带宽窄,对于来自网侧的中高频扰动并不敏感[6].然而,电力电子装备常包含多个动态响应时间常数不同的控制环路,如光伏并网发电系统就有直流母线电压环、网侧电流控制环和同步锁相环[7],系统频带覆盖范围广,对电网中包括中、高频动态在内的宽频带扰动反应灵敏;此外,并网变换器出口处与电网之间设置有高频滤波器.电感电容元件、变换器控制系统及电网三者之间的交互作用导致严重的谐振现象[8],涉及频段可达数千Hz.近年来,含高比例可再生能源电力系统谐振不稳定事故频发,如我国青海某50 MV·A光伏电站和内蒙古东山风电场出现的20次以上谐波放大[9]、沽源风电场与临近串补装置相互作用激发频率为3~10 Hz的次同步振荡[10]、德国Borwin1风电柔直工程中100 Hz~1 kHz范围的谐波谐振[11]、光伏电站远距接入电网受传输线分布电容影响引发谐振[12]等.由此可见,在同步发电机被可再生能源机组大量替代的背景下,整个电力系统的动态特性发生了深刻变化,稳定机理高度复杂化.因此,深入研究复杂电网工况下可保证并网变换器稳定运行的控制策略,对于促进电力系统高比例可再生能源发展进程至关重要. ...
Resonances and harmonic propagation suppression strategy considering distributed capacitance of feeder
1
2020
... 由于可再生能源发电系统常使用电力电子变换器作为并网接口[4],随着其在电网中渗透率的升高,整个电力系统呈现电力电子化趋势[5].传统的旋转式同步发电机具有高质量机械转子,因而整个能量变换系统的时间常数大,控制带宽窄,对于来自网侧的中高频扰动并不敏感[6].然而,电力电子装备常包含多个动态响应时间常数不同的控制环路,如光伏并网发电系统就有直流母线电压环、网侧电流控制环和同步锁相环[7],系统频带覆盖范围广,对电网中包括中、高频动态在内的宽频带扰动反应灵敏;此外,并网变换器出口处与电网之间设置有高频滤波器.电感电容元件、变换器控制系统及电网三者之间的交互作用导致严重的谐振现象[8],涉及频段可达数千Hz.近年来,含高比例可再生能源电力系统谐振不稳定事故频发,如我国青海某50 MV·A光伏电站和内蒙古东山风电场出现的20次以上谐波放大[9]、沽源风电场与临近串补装置相互作用激发频率为3~10 Hz的次同步振荡[10]、德国Borwin1风电柔直工程中100 Hz~1 kHz范围的谐波谐振[11]、光伏电站远距接入电网受传输线分布电容影响引发谐振[12]等.由此可见,在同步发电机被可再生能源机组大量替代的背景下,整个电力系统的动态特性发生了深刻变化,稳定机理高度复杂化.因此,深入研究复杂电网工况下可保证并网变换器稳定运行的控制策略,对于促进电力系统高比例可再生能源发展进程至关重要. ...
Damping methods for resonances caused by LCL-filter-based current-controlled grid-tied power inverters:An overview
1
2017
... 基于旋转坐标变换和锁相环(Phase locked loop,PLL)的电流闭环矢量控制方法被广泛应用于风电、光伏并网系统[13-14],采用此控制方式的并网变换器常被称为跟网型并网变换器[14].由于我国能源与负荷分布特点,大规模新能源场站常远距接入电网,传输线路阻抗较大;此外,随新能源渗透率升高,电网呈现“弱电网”特性[15],网络等效阻抗大范围波动[16].研究发现,当电网等效阻抗不可忽略时,锁相环同步跟网型并网变换器与电网之间的多时间尺度动态交互作用会导致新能源机组注入电网的电流发生谐振,严重时甚至脱网.近十几年来,针对弱电网下跟网型并网变换器的谐振不稳定问题,国内外学者开展了大量研究工作.通过对跟网型并网变换器控制系统中的锁相环、脉宽调制环节等非线性环节进行局部线性化处理,得到并网系统的小信号模型,进而形成了基于线性系统理论的稳定性分析和控制设计方法[17].对于小扰动范畴的并网稳定控制已初具系统性解决思路. ...
Tuning method of a grid-following converter for the extremely-weak-grid connection
2
2022
... 基于旋转坐标变换和锁相环(Phase locked loop,PLL)的电流闭环矢量控制方法被广泛应用于风电、光伏并网系统[13-14],采用此控制方式的并网变换器常被称为跟网型并网变换器[14].由于我国能源与负荷分布特点,大规模新能源场站常远距接入电网,传输线路阻抗较大;此外,随新能源渗透率升高,电网呈现“弱电网”特性[15],网络等效阻抗大范围波动[16].研究发现,当电网等效阻抗不可忽略时,锁相环同步跟网型并网变换器与电网之间的多时间尺度动态交互作用会导致新能源机组注入电网的电流发生谐振,严重时甚至脱网.近十几年来,针对弱电网下跟网型并网变换器的谐振不稳定问题,国内外学者开展了大量研究工作.通过对跟网型并网变换器控制系统中的锁相环、脉宽调制环节等非线性环节进行局部线性化处理,得到并网系统的小信号模型,进而形成了基于线性系统理论的稳定性分析和控制设计方法[17].对于小扰动范畴的并网稳定控制已初具系统性解决思路. ...
... [14].由于我国能源与负荷分布特点,大规模新能源场站常远距接入电网,传输线路阻抗较大;此外,随新能源渗透率升高,电网呈现“弱电网”特性[15],网络等效阻抗大范围波动[16].研究发现,当电网等效阻抗不可忽略时,锁相环同步跟网型并网变换器与电网之间的多时间尺度动态交互作用会导致新能源机组注入电网的电流发生谐振,严重时甚至脱网.近十几年来,针对弱电网下跟网型并网变换器的谐振不稳定问题,国内外学者开展了大量研究工作.通过对跟网型并网变换器控制系统中的锁相环、脉宽调制环节等非线性环节进行局部线性化处理,得到并网系统的小信号模型,进而形成了基于线性系统理论的稳定性分析和控制设计方法[17].对于小扰动范畴的并网稳定控制已初具系统性解决思路. ...
新能源并网逆变器控制策略研究综述与展望
1
2021
... 基于旋转坐标变换和锁相环(Phase locked loop,PLL)的电流闭环矢量控制方法被广泛应用于风电、光伏并网系统[13-14],采用此控制方式的并网变换器常被称为跟网型并网变换器[14].由于我国能源与负荷分布特点,大规模新能源场站常远距接入电网,传输线路阻抗较大;此外,随新能源渗透率升高,电网呈现“弱电网”特性[15],网络等效阻抗大范围波动[16].研究发现,当电网等效阻抗不可忽略时,锁相环同步跟网型并网变换器与电网之间的多时间尺度动态交互作用会导致新能源机组注入电网的电流发生谐振,严重时甚至脱网.近十几年来,针对弱电网下跟网型并网变换器的谐振不稳定问题,国内外学者开展了大量研究工作.通过对跟网型并网变换器控制系统中的锁相环、脉宽调制环节等非线性环节进行局部线性化处理,得到并网系统的小信号模型,进而形成了基于线性系统理论的稳定性分析和控制设计方法[17].对于小扰动范畴的并网稳定控制已初具系统性解决思路. ...
Review and perspectives on control strategies for renewable energy grid-connected inverters
1
2021
... 基于旋转坐标变换和锁相环(Phase locked loop,PLL)的电流闭环矢量控制方法被广泛应用于风电、光伏并网系统[13-14],采用此控制方式的并网变换器常被称为跟网型并网变换器[14].由于我国能源与负荷分布特点,大规模新能源场站常远距接入电网,传输线路阻抗较大;此外,随新能源渗透率升高,电网呈现“弱电网”特性[15],网络等效阻抗大范围波动[16].研究发现,当电网等效阻抗不可忽略时,锁相环同步跟网型并网变换器与电网之间的多时间尺度动态交互作用会导致新能源机组注入电网的电流发生谐振,严重时甚至脱网.近十几年来,针对弱电网下跟网型并网变换器的谐振不稳定问题,国内外学者开展了大量研究工作.通过对跟网型并网变换器控制系统中的锁相环、脉宽调制环节等非线性环节进行局部线性化处理,得到并网系统的小信号模型,进而形成了基于线性系统理论的稳定性分析和控制设计方法[17].对于小扰动范畴的并网稳定控制已初具系统性解决思路. ...
A multivariable controller in synchronous frame integrating phase-locked loop to enhance performance of three-phase grid-connected inverters in weak grids
1
2022
... 基于旋转坐标变换和锁相环(Phase locked loop,PLL)的电流闭环矢量控制方法被广泛应用于风电、光伏并网系统[13-14],采用此控制方式的并网变换器常被称为跟网型并网变换器[14].由于我国能源与负荷分布特点,大规模新能源场站常远距接入电网,传输线路阻抗较大;此外,随新能源渗透率升高,电网呈现“弱电网”特性[15],网络等效阻抗大范围波动[16].研究发现,当电网等效阻抗不可忽略时,锁相环同步跟网型并网变换器与电网之间的多时间尺度动态交互作用会导致新能源机组注入电网的电流发生谐振,严重时甚至脱网.近十几年来,针对弱电网下跟网型并网变换器的谐振不稳定问题,国内外学者开展了大量研究工作.通过对跟网型并网变换器控制系统中的锁相环、脉宽调制环节等非线性环节进行局部线性化处理,得到并网系统的小信号模型,进而形成了基于线性系统理论的稳定性分析和控制设计方法[17].对于小扰动范畴的并网稳定控制已初具系统性解决思路. ...
Small-signal stability assessment of power electronics based power systems:A discussion of impedance-and eigenvalue-based methods
1
2017
... 基于旋转坐标变换和锁相环(Phase locked loop,PLL)的电流闭环矢量控制方法被广泛应用于风电、光伏并网系统[13-14],采用此控制方式的并网变换器常被称为跟网型并网变换器[14].由于我国能源与负荷分布特点,大规模新能源场站常远距接入电网,传输线路阻抗较大;此外,随新能源渗透率升高,电网呈现“弱电网”特性[15],网络等效阻抗大范围波动[16].研究发现,当电网等效阻抗不可忽略时,锁相环同步跟网型并网变换器与电网之间的多时间尺度动态交互作用会导致新能源机组注入电网的电流发生谐振,严重时甚至脱网.近十几年来,针对弱电网下跟网型并网变换器的谐振不稳定问题,国内外学者开展了大量研究工作.通过对跟网型并网变换器控制系统中的锁相环、脉宽调制环节等非线性环节进行局部线性化处理,得到并网系统的小信号模型,进而形成了基于线性系统理论的稳定性分析和控制设计方法[17].对于小扰动范畴的并网稳定控制已初具系统性解决思路. ...
新能源低电压穿越无功电流对暂态电压安全约束的影响
1
2022
... 另一方面,早期风、光等可再生能源在电力系统中占比较低,仅承担辅助能源的角色.当电网发生短路等故障时,由于耐受能力较弱,新能源机组为保证自身安全可选择脱网运行.然而,在高比例可再生能源电力系统中,为保证电网安全运行,防止大规模连锁故障事故发生,要求新能源机组具备较强的故障穿越能力,在故障期间保持一定的输出功率连续性,甚至为电网提供动态无功支撑[18-19].因此,跟网型并网变换器在电网短路故障等大扰动下的暂态稳定运行问题正逐步引起关注[20-21].由于此类问题的分析需要计及变换器控制系统的非线性,因此,小扰动稳定性分析方法将不再适用.基于数值积分的逆轨迹法、李雅普诺夫能量函数法等大信号分析方法被研究人员广泛采用[22].因并网变换器控制系统具有多时间尺度耦合特性,且在应对电网故障时存在控制策略切换行为,整个并网系统动态特性异常复杂,针对其暂态稳定控制的研究目前尚处于初步阶段[23],远未成体系. ...
LVRT reactive current index of renewable units based on the constraints of transient voltage
1
2022
... 另一方面,早期风、光等可再生能源在电力系统中占比较低,仅承担辅助能源的角色.当电网发生短路等故障时,由于耐受能力较弱,新能源机组为保证自身安全可选择脱网运行.然而,在高比例可再生能源电力系统中,为保证电网安全运行,防止大规模连锁故障事故发生,要求新能源机组具备较强的故障穿越能力,在故障期间保持一定的输出功率连续性,甚至为电网提供动态无功支撑[18-19].因此,跟网型并网变换器在电网短路故障等大扰动下的暂态稳定运行问题正逐步引起关注[20-21].由于此类问题的分析需要计及变换器控制系统的非线性,因此,小扰动稳定性分析方法将不再适用.基于数值积分的逆轨迹法、李雅普诺夫能量函数法等大信号分析方法被研究人员广泛采用[22].因并网变换器控制系统具有多时间尺度耦合特性,且在应对电网故障时存在控制策略切换行为,整个并网系统动态特性异常复杂,针对其暂态稳定控制的研究目前尚处于初步阶段[23],远未成体系. ...
基于显式模型预测控制和改进虚拟阻抗的双馈风机低电压穿越策略
1
2021
... 另一方面,早期风、光等可再生能源在电力系统中占比较低,仅承担辅助能源的角色.当电网发生短路等故障时,由于耐受能力较弱,新能源机组为保证自身安全可选择脱网运行.然而,在高比例可再生能源电力系统中,为保证电网安全运行,防止大规模连锁故障事故发生,要求新能源机组具备较强的故障穿越能力,在故障期间保持一定的输出功率连续性,甚至为电网提供动态无功支撑[18-19].因此,跟网型并网变换器在电网短路故障等大扰动下的暂态稳定运行问题正逐步引起关注[20-21].由于此类问题的分析需要计及变换器控制系统的非线性,因此,小扰动稳定性分析方法将不再适用.基于数值积分的逆轨迹法、李雅普诺夫能量函数法等大信号分析方法被研究人员广泛采用[22].因并网变换器控制系统具有多时间尺度耦合特性,且在应对电网故障时存在控制策略切换行为,整个并网系统动态特性异常复杂,针对其暂态稳定控制的研究目前尚处于初步阶段[23],远未成体系. ...
LVRT strategy for DFIG based on explicit model predictive control and improved virtual impedance
1
2021
... 另一方面,早期风、光等可再生能源在电力系统中占比较低,仅承担辅助能源的角色.当电网发生短路等故障时,由于耐受能力较弱,新能源机组为保证自身安全可选择脱网运行.然而,在高比例可再生能源电力系统中,为保证电网安全运行,防止大规模连锁故障事故发生,要求新能源机组具备较强的故障穿越能力,在故障期间保持一定的输出功率连续性,甚至为电网提供动态无功支撑[18-19].因此,跟网型并网变换器在电网短路故障等大扰动下的暂态稳定运行问题正逐步引起关注[20-21].由于此类问题的分析需要计及变换器控制系统的非线性,因此,小扰动稳定性分析方法将不再适用.基于数值积分的逆轨迹法、李雅普诺夫能量函数法等大信号分析方法被研究人员广泛采用[22].因并网变换器控制系统具有多时间尺度耦合特性,且在应对电网故障时存在控制策略切换行为,整个并网系统动态特性异常复杂,针对其暂态稳定控制的研究目前尚处于初步阶段[23],远未成体系. ...
Large-signal grid-synchronization stability analysis of PLL-based VSCs using Lyapunov’s direct method
2
2022
... 另一方面,早期风、光等可再生能源在电力系统中占比较低,仅承担辅助能源的角色.当电网发生短路等故障时,由于耐受能力较弱,新能源机组为保证自身安全可选择脱网运行.然而,在高比例可再生能源电力系统中,为保证电网安全运行,防止大规模连锁故障事故发生,要求新能源机组具备较强的故障穿越能力,在故障期间保持一定的输出功率连续性,甚至为电网提供动态无功支撑[18-19].因此,跟网型并网变换器在电网短路故障等大扰动下的暂态稳定运行问题正逐步引起关注[20-21].由于此类问题的分析需要计及变换器控制系统的非线性,因此,小扰动稳定性分析方法将不再适用.基于数值积分的逆轨迹法、李雅普诺夫能量函数法等大信号分析方法被研究人员广泛采用[22].因并网变换器控制系统具有多时间尺度耦合特性,且在应对电网故障时存在控制策略切换行为,整个并网系统动态特性异常复杂,针对其暂态稳定控制的研究目前尚处于初步阶段[23],远未成体系. ...
... 为判断跟网型并网变换器的暂态稳定性,目前主要的分析方法包括时域仿真法[72]、等面积法[21]以及李雅普诺夫第二法[20,72].时域仿真法基于数值积分计算,通过在给定暂态场景下模拟一种或几种故障发生时系统状态的运行轨迹来判别系统稳定性,具有准确可靠的优点.然而,一次时域仿真模拟只能给出某一情景及特定控制参数下的稳定性结论,无法从整体上给出系统运行状态的评价,如关键控制参数的可行域、系统当前状态离稳定边界的距离等信息.虽然可通过多次仿真测试刻画出系统平衡点的吸引域,但耗时巨大[72]. ...
Large signal synchronizing instability of PLL-based VSC connected to weak AC grid
3
2019
... 另一方面,早期风、光等可再生能源在电力系统中占比较低,仅承担辅助能源的角色.当电网发生短路等故障时,由于耐受能力较弱,新能源机组为保证自身安全可选择脱网运行.然而,在高比例可再生能源电力系统中,为保证电网安全运行,防止大规模连锁故障事故发生,要求新能源机组具备较强的故障穿越能力,在故障期间保持一定的输出功率连续性,甚至为电网提供动态无功支撑[18-19].因此,跟网型并网变换器在电网短路故障等大扰动下的暂态稳定运行问题正逐步引起关注[20-21].由于此类问题的分析需要计及变换器控制系统的非线性,因此,小扰动稳定性分析方法将不再适用.基于数值积分的逆轨迹法、李雅普诺夫能量函数法等大信号分析方法被研究人员广泛采用[22].因并网变换器控制系统具有多时间尺度耦合特性,且在应对电网故障时存在控制策略切换行为,整个并网系统动态特性异常复杂,针对其暂态稳定控制的研究目前尚处于初步阶段[23],远未成体系. ...
... 为判断跟网型并网变换器的暂态稳定性,目前主要的分析方法包括时域仿真法[72]、等面积法[21]以及李雅普诺夫第二法[20,72].时域仿真法基于数值积分计算,通过在给定暂态场景下模拟一种或几种故障发生时系统状态的运行轨迹来判别系统稳定性,具有准确可靠的优点.然而,一次时域仿真模拟只能给出某一情景及特定控制参数下的稳定性结论,无法从整体上给出系统运行状态的评价,如关键控制参数的可行域、系统当前状态离稳定边界的距离等信息.虽然可通过多次仿真测试刻画出系统平衡点的吸引域,但耗时巨大[72]. ...
... 由式(16)可知,暂态场景下的跟网型并网变换器可描述为二阶动态系统,因此,有学者借鉴传统同步发电机功角稳定性分析经验,将等面积法应用于变换器的暂态稳定分析,能比较清晰地揭示并网变换器的失稳机理[21]. ...
Large-signal stability of grid-forming and grid-following controls in voltage source converter:A comparative study
1
2021
... 另一方面,早期风、光等可再生能源在电力系统中占比较低,仅承担辅助能源的角色.当电网发生短路等故障时,由于耐受能力较弱,新能源机组为保证自身安全可选择脱网运行.然而,在高比例可再生能源电力系统中,为保证电网安全运行,防止大规模连锁故障事故发生,要求新能源机组具备较强的故障穿越能力,在故障期间保持一定的输出功率连续性,甚至为电网提供动态无功支撑[18-19].因此,跟网型并网变换器在电网短路故障等大扰动下的暂态稳定运行问题正逐步引起关注[20-21].由于此类问题的分析需要计及变换器控制系统的非线性,因此,小扰动稳定性分析方法将不再适用.基于数值积分的逆轨迹法、李雅普诺夫能量函数法等大信号分析方法被研究人员广泛采用[22].因并网变换器控制系统具有多时间尺度耦合特性,且在应对电网故障时存在控制策略切换行为,整个并网系统动态特性异常复杂,针对其暂态稳定控制的研究目前尚处于初步阶段[23],远未成体系. ...
电力电子并网装备的同步稳定分析与统一同步控制结构
2
2020
... 另一方面,早期风、光等可再生能源在电力系统中占比较低,仅承担辅助能源的角色.当电网发生短路等故障时,由于耐受能力较弱,新能源机组为保证自身安全可选择脱网运行.然而,在高比例可再生能源电力系统中,为保证电网安全运行,防止大规模连锁故障事故发生,要求新能源机组具备较强的故障穿越能力,在故障期间保持一定的输出功率连续性,甚至为电网提供动态无功支撑[18-19].因此,跟网型并网变换器在电网短路故障等大扰动下的暂态稳定运行问题正逐步引起关注[20-21].由于此类问题的分析需要计及变换器控制系统的非线性,因此,小扰动稳定性分析方法将不再适用.基于数值积分的逆轨迹法、李雅普诺夫能量函数法等大信号分析方法被研究人员广泛采用[22].因并网变换器控制系统具有多时间尺度耦合特性,且在应对电网故障时存在控制策略切换行为,整个并网系统动态特性异常复杂,针对其暂态稳定控制的研究目前尚处于初步阶段[23],远未成体系. ...
... 除自身含有非线性环节这一因素外,变换器控制系统在大扰动下表现出的控制策略切换行为也极大增加了对其进行暂态稳定性分析的难度.因此,目前对于跟网型并网变换器暂态失稳机理的探讨仍处于初级阶段[71],远未形成完整体系.众多学者对于暂态场景下跟网型并网变换器是否仍能通过锁相环与电网保持同步这一问题展开了讨论,即跟网型并网变换器的暂态同步稳定性(有关于暂态同步稳定性的详细解释及定义请参见文献[23]),本节将对这一课题下的研究工作进行总结与归纳. ...
Synchronization stability analysis and unified synchronization control structure of grid-connected power electronic devices
2
2020
... 另一方面,早期风、光等可再生能源在电力系统中占比较低,仅承担辅助能源的角色.当电网发生短路等故障时,由于耐受能力较弱,新能源机组为保证自身安全可选择脱网运行.然而,在高比例可再生能源电力系统中,为保证电网安全运行,防止大规模连锁故障事故发生,要求新能源机组具备较强的故障穿越能力,在故障期间保持一定的输出功率连续性,甚至为电网提供动态无功支撑[18-19].因此,跟网型并网变换器在电网短路故障等大扰动下的暂态稳定运行问题正逐步引起关注[20-21].由于此类问题的分析需要计及变换器控制系统的非线性,因此,小扰动稳定性分析方法将不再适用.基于数值积分的逆轨迹法、李雅普诺夫能量函数法等大信号分析方法被研究人员广泛采用[22].因并网变换器控制系统具有多时间尺度耦合特性,且在应对电网故障时存在控制策略切换行为,整个并网系统动态特性异常复杂,针对其暂态稳定控制的研究目前尚处于初步阶段[23],远未成体系. ...
... 除自身含有非线性环节这一因素外,变换器控制系统在大扰动下表现出的控制策略切换行为也极大增加了对其进行暂态稳定性分析的难度.因此,目前对于跟网型并网变换器暂态失稳机理的探讨仍处于初级阶段[71],远未形成完整体系.众多学者对于暂态场景下跟网型并网变换器是否仍能通过锁相环与电网保持同步这一问题展开了讨论,即跟网型并网变换器的暂态同步稳定性(有关于暂态同步稳定性的详细解释及定义请参见文献[23]),本节将对这一课题下的研究工作进行总结与归纳. ...
弱电网下锁相环对三相LCL型并网逆变器小扰动建模影响及稳定性分析
3
2018
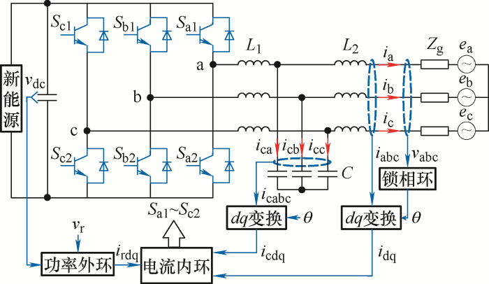
... 典型的锁相环同步跟网型并网变换器如图1所示[24-25]. ...
... 强电网下,即网络等效阻抗Zg可忽略不计时,图1所示并网系统具有并网功率调节快速、控制稳定、鲁棒性强等优点.虽然包含多个控制环路,但是依照一定的设计规则,可使得各环路动态解耦,从而每个环路可独立进行控制参数调整,系统实现大大简化.然而,随着风、光新能源发电的大力发展,并网点网络已不再呈现无穷大电网特性,等效阻抗Zg较大且大幅波动,即电网表现出“弱电网”特性[27].弱电网条件下,跟网型并网变换器与电网之间将存在多时间尺度动态耦合效应,若仍采用基于强电网假设形成的并网控制设计方案,则整个并网系统存在失稳风险[24,28 -29].此外,大规模新能源发电系统常采用集群方式并网,邻近变换器会传递宽频域的干扰,严重时引发集群并网谐振事故[30-31].最后,由于并网变换器自身的物理耐受性较差,电网故障情况下保持并网需要进行一系列控制策略的切换,整个并网变换器的暂态稳定问题凸显. ...
... 对于三相系统,其d轴和q轴的控制通道之间存在耦合[24].然而,一般情况下,滤波电容C和网侧滤波电感L2的值较小,耦合通道的增益小;另一方面,是否考虑耦合通道并不影响网络阻抗的影响机理分析.因此,为突出重点,本文忽略耦合通道,认为d、q轴近似解耦.如此,d轴和q轴即具有相同的控制系统模型,图5中选取d轴为例进行说明. ...
Effect of phase locked loop on the small-signal perturbation modeling and stability analysis for three-phase LCL-type grid-connected inverter in weak grid
3
2018
... 典型的锁相环同步跟网型并网变换器如图1所示[24-25]. ...
... 强电网下,即网络等效阻抗Zg可忽略不计时,图1所示并网系统具有并网功率调节快速、控制稳定、鲁棒性强等优点.虽然包含多个控制环路,但是依照一定的设计规则,可使得各环路动态解耦,从而每个环路可独立进行控制参数调整,系统实现大大简化.然而,随着风、光新能源发电的大力发展,并网点网络已不再呈现无穷大电网特性,等效阻抗Zg较大且大幅波动,即电网表现出“弱电网”特性[27].弱电网条件下,跟网型并网变换器与电网之间将存在多时间尺度动态耦合效应,若仍采用基于强电网假设形成的并网控制设计方案,则整个并网系统存在失稳风险[24,28 -29].此外,大规模新能源发电系统常采用集群方式并网,邻近变换器会传递宽频域的干扰,严重时引发集群并网谐振事故[30-31].最后,由于并网变换器自身的物理耐受性较差,电网故障情况下保持并网需要进行一系列控制策略的切换,整个并网变换器的暂态稳定问题凸显. ...
... 对于三相系统,其d轴和q轴的控制通道之间存在耦合[24].然而,一般情况下,滤波电容C和网侧滤波电感L2的值较小,耦合通道的增益小;另一方面,是否考虑耦合通道并不影响网络阻抗的影响机理分析.因此,为突出重点,本文忽略耦合通道,认为d、q轴近似解耦.如此,d轴和q轴即具有相同的控制系统模型,图5中选取d轴为例进行说明. ...
Overview of control and grid synchronization for distributed power generation systems
1
2006
... 典型的锁相环同步跟网型并网变换器如图1所示[24-25]. ...
Impact of PLL frequency limiter on synchronization stability of grid feeding converter
1
2022
... 旋转坐标系电流闭环矢量控制方法的一个核心关键在于准确获取并网点电压的相位,实现与交流电网的同步.图4所示单同步坐标系锁相环(SRF-PLL)是用于实现与电网同步的经典方案[26],因其具有原理简单、实现方便、响应快速等优点而被广泛采用.图4中,vabc是变换器并网点三相电压采样值,vd和vq对应并网点电压在dq坐标系中的分量,θ为计算所得电网电压相位.kp和ki是PI控制器的比例增益和积分增益,xi代表积分器的输出. ...
弱电网下具有新型PLL结构的并网逆变器阻抗相位重塑控制
1
2020
... 强电网下,即网络等效阻抗Zg可忽略不计时,图1所示并网系统具有并网功率调节快速、控制稳定、鲁棒性强等优点.虽然包含多个控制环路,但是依照一定的设计规则,可使得各环路动态解耦,从而每个环路可独立进行控制参数调整,系统实现大大简化.然而,随着风、光新能源发电的大力发展,并网点网络已不再呈现无穷大电网特性,等效阻抗Zg较大且大幅波动,即电网表现出“弱电网”特性[27].弱电网条件下,跟网型并网变换器与电网之间将存在多时间尺度动态耦合效应,若仍采用基于强电网假设形成的并网控制设计方案,则整个并网系统存在失稳风险[24,28 -29].此外,大规模新能源发电系统常采用集群方式并网,邻近变换器会传递宽频域的干扰,严重时引发集群并网谐振事故[30-31].最后,由于并网变换器自身的物理耐受性较差,电网故障情况下保持并网需要进行一系列控制策略的切换,整个并网变换器的暂态稳定问题凸显. ...
Grid connected inverter impedance phase reshaping control with novel PLL structure in weak grid
1
2020
... 强电网下,即网络等效阻抗Zg可忽略不计时,图1所示并网系统具有并网功率调节快速、控制稳定、鲁棒性强等优点.虽然包含多个控制环路,但是依照一定的设计规则,可使得各环路动态解耦,从而每个环路可独立进行控制参数调整,系统实现大大简化.然而,随着风、光新能源发电的大力发展,并网点网络已不再呈现无穷大电网特性,等效阻抗Zg较大且大幅波动,即电网表现出“弱电网”特性[27].弱电网条件下,跟网型并网变换器与电网之间将存在多时间尺度动态耦合效应,若仍采用基于强电网假设形成的并网控制设计方案,则整个并网系统存在失稳风险[24,28 -29].此外,大规模新能源发电系统常采用集群方式并网,邻近变换器会传递宽频域的干扰,严重时引发集群并网谐振事故[30-31].最后,由于并网变换器自身的物理耐受性较差,电网故障情况下保持并网需要进行一系列控制策略的切换,整个并网变换器的暂态稳定问题凸显. ...
LCL型并网逆变器的鲁棒并网电流反馈有源阻尼控制方法
1
2016
... 强电网下,即网络等效阻抗Zg可忽略不计时,图1所示并网系统具有并网功率调节快速、控制稳定、鲁棒性强等优点.虽然包含多个控制环路,但是依照一定的设计规则,可使得各环路动态解耦,从而每个环路可独立进行控制参数调整,系统实现大大简化.然而,随着风、光新能源发电的大力发展,并网点网络已不再呈现无穷大电网特性,等效阻抗Zg较大且大幅波动,即电网表现出“弱电网”特性[27].弱电网条件下,跟网型并网变换器与电网之间将存在多时间尺度动态耦合效应,若仍采用基于强电网假设形成的并网控制设计方案,则整个并网系统存在失稳风险[24,28 -29].此外,大规模新能源发电系统常采用集群方式并网,邻近变换器会传递宽频域的干扰,严重时引发集群并网谐振事故[30-31].最后,由于并网变换器自身的物理耐受性较差,电网故障情况下保持并网需要进行一系列控制策略的切换,整个并网变换器的暂态稳定问题凸显. ...
A robust grid-current-feedback-active-damping method for LCL-type grid-connected inverters
1
2016
... 强电网下,即网络等效阻抗Zg可忽略不计时,图1所示并网系统具有并网功率调节快速、控制稳定、鲁棒性强等优点.虽然包含多个控制环路,但是依照一定的设计规则,可使得各环路动态解耦,从而每个环路可独立进行控制参数调整,系统实现大大简化.然而,随着风、光新能源发电的大力发展,并网点网络已不再呈现无穷大电网特性,等效阻抗Zg较大且大幅波动,即电网表现出“弱电网”特性[27].弱电网条件下,跟网型并网变换器与电网之间将存在多时间尺度动态耦合效应,若仍采用基于强电网假设形成的并网控制设计方案,则整个并网系统存在失稳风险[24,28 -29].此外,大规模新能源发电系统常采用集群方式并网,邻近变换器会传递宽频域的干扰,严重时引发集群并网谐振事故[30-31].最后,由于并网变换器自身的物理耐受性较差,电网故障情况下保持并网需要进行一系列控制策略的切换,整个并网变换器的暂态稳定问题凸显. ...
The dual-current control strategy of grid-connected inverter with LCL filter
6
2019
... 强电网下,即网络等效阻抗Zg可忽略不计时,图1所示并网系统具有并网功率调节快速、控制稳定、鲁棒性强等优点.虽然包含多个控制环路,但是依照一定的设计规则,可使得各环路动态解耦,从而每个环路可独立进行控制参数调整,系统实现大大简化.然而,随着风、光新能源发电的大力发展,并网点网络已不再呈现无穷大电网特性,等效阻抗Zg较大且大幅波动,即电网表现出“弱电网”特性[27].弱电网条件下,跟网型并网变换器与电网之间将存在多时间尺度动态耦合效应,若仍采用基于强电网假设形成的并网控制设计方案,则整个并网系统存在失稳风险[24,28 -29].此外,大规模新能源发电系统常采用集群方式并网,邻近变换器会传递宽频域的干扰,严重时引发集群并网谐振事故[30-31].最后,由于并网变换器自身的物理耐受性较差,电网故障情况下保持并网需要进行一系列控制策略的切换,整个并网变换器的暂态稳定问题凸显. ...
... 从控制系统理论角度来看,可以通过在谐振频率处降低幅值增益或者补偿相位,改善并网系统的稳定性,提升并网系统对Zg变化的适应能力.基于此,为应对LCL滤波器谐振效应在高频段引发的电流控制失稳问题,文献[29]报道了包括无源阻尼、有源阻尼、基于前向通道附加数字滤波器、基于电网阻抗在线监测以及基于模型降阶等方案. ...
... 无源阻尼方案虽然实现简单且鲁棒性强,但其无法避免地会造成额外损耗.为此,研究人员提出基于电压/电流反馈的有源阻尼方案.通过增加电压、电流传感器,以改变软件控制策略的方式实现LCL滤波器谐振峰的有效衰减[29].实际上,基于电路状态变量反馈的有源阻尼方法可以理解成,通过控制算法在滤波器电路中串联或者并联接入了一个“虚拟阻抗”,从而达到类似于无源阻尼的谐振峰抑制效果.常用的有源阻尼方案包括反馈滤波电容电流[40-41]、反馈滤波电容电压[42]及反馈逆变侧电感(图8中L1)电流[29].此外,有学者对多变量组合反馈[43]的方案也进行了探讨. ...
... [29].此外,有学者对多变量组合反馈[43]的方案也进行了探讨. ...
... 对于基于逆变侧电感电流反馈的方案,文献[29]开展了详细的理论与试验研究.分析结果表明,此方法能有效阻尼LCL滤波器谐振效应,同时对系统参数变化表现出较强的鲁棒性.然而,反馈逆变侧电感电流相当于在逆变侧电感串联了一个“虚拟电阻”,降低了滤波器的低频增益.因而,为取得良好的电流控制性能,对于控制器的设计提出了较高要求. ...
... 虽然基于前向通道附加数字滤波器的方案既不会造成附加损耗,也无需增设电压/电流反馈通道,但是此类方法的设计依赖于准确获知系统参数,鲁棒性较差[29].例如,陷波滤波器仅在其特征频率附近呈现出显著的幅值衰减特性.然而,由图7可知,LCL滤波器的谐振频率会随着电网等效阻抗波动而产生大幅变化.此时,基于陷波滤波器的谐振抑制方案很可能失效. ...
多变流器并联时谐振特性及最优虚拟阻尼方法
1
2017
... 强电网下,即网络等效阻抗Zg可忽略不计时,图1所示并网系统具有并网功率调节快速、控制稳定、鲁棒性强等优点.虽然包含多个控制环路,但是依照一定的设计规则,可使得各环路动态解耦,从而每个环路可独立进行控制参数调整,系统实现大大简化.然而,随着风、光新能源发电的大力发展,并网点网络已不再呈现无穷大电网特性,等效阻抗Zg较大且大幅波动,即电网表现出“弱电网”特性[27].弱电网条件下,跟网型并网变换器与电网之间将存在多时间尺度动态耦合效应,若仍采用基于强电网假设形成的并网控制设计方案,则整个并网系统存在失稳风险[24,28 -29].此外,大规模新能源发电系统常采用集群方式并网,邻近变换器会传递宽频域的干扰,严重时引发集群并网谐振事故[30-31].最后,由于并网变换器自身的物理耐受性较差,电网故障情况下保持并网需要进行一系列控制策略的切换,整个并网变换器的暂态稳定问题凸显. ...
Resonance analysis of multi-paralleled converter systems and research on optimal virtual resistor damping methods
1
2017
... 强电网下,即网络等效阻抗Zg可忽略不计时,图1所示并网系统具有并网功率调节快速、控制稳定、鲁棒性强等优点.虽然包含多个控制环路,但是依照一定的设计规则,可使得各环路动态解耦,从而每个环路可独立进行控制参数调整,系统实现大大简化.然而,随着风、光新能源发电的大力发展,并网点网络已不再呈现无穷大电网特性,等效阻抗Zg较大且大幅波动,即电网表现出“弱电网”特性[27].弱电网条件下,跟网型并网变换器与电网之间将存在多时间尺度动态耦合效应,若仍采用基于强电网假设形成的并网控制设计方案,则整个并网系统存在失稳风险[24,28 -29].此外,大规模新能源发电系统常采用集群方式并网,邻近变换器会传递宽频域的干扰,严重时引发集群并网谐振事故[30-31].最后,由于并网变换器自身的物理耐受性较差,电网故障情况下保持并网需要进行一系列控制策略的切换,整个并网变换器的暂态稳定问题凸显. ...
光伏集群逆变器的谐振机理及抑制技术研究
1
2018
... 强电网下,即网络等效阻抗Zg可忽略不计时,图1所示并网系统具有并网功率调节快速、控制稳定、鲁棒性强等优点.虽然包含多个控制环路,但是依照一定的设计规则,可使得各环路动态解耦,从而每个环路可独立进行控制参数调整,系统实现大大简化.然而,随着风、光新能源发电的大力发展,并网点网络已不再呈现无穷大电网特性,等效阻抗Zg较大且大幅波动,即电网表现出“弱电网”特性[27].弱电网条件下,跟网型并网变换器与电网之间将存在多时间尺度动态耦合效应,若仍采用基于强电网假设形成的并网控制设计方案,则整个并网系统存在失稳风险[24,28 -29].此外,大规模新能源发电系统常采用集群方式并网,邻近变换器会传递宽频域的干扰,严重时引发集群并网谐振事故[30-31].最后,由于并网变换器自身的物理耐受性较差,电网故障情况下保持并网需要进行一系列控制策略的切换,整个并网变换器的暂态稳定问题凸显. ...
Research on resonance mechanism and suppression technology of photovoltaic cluster inverter
1
2018
... 强电网下,即网络等效阻抗Zg可忽略不计时,图1所示并网系统具有并网功率调节快速、控制稳定、鲁棒性强等优点.虽然包含多个控制环路,但是依照一定的设计规则,可使得各环路动态解耦,从而每个环路可独立进行控制参数调整,系统实现大大简化.然而,随着风、光新能源发电的大力发展,并网点网络已不再呈现无穷大电网特性,等效阻抗Zg较大且大幅波动,即电网表现出“弱电网”特性[27].弱电网条件下,跟网型并网变换器与电网之间将存在多时间尺度动态耦合效应,若仍采用基于强电网假设形成的并网控制设计方案,则整个并网系统存在失稳风险[24,28 -29].此外,大规模新能源发电系统常采用集群方式并网,邻近变换器会传递宽频域的干扰,严重时引发集群并网谐振事故[30-31].最后,由于并网变换器自身的物理耐受性较差,电网故障情况下保持并网需要进行一系列控制策略的切换,整个并网变换器的暂态稳定问题凸显. ...
Impedance-based stability criterion for grid-connected inverters
3
2011
... 如图1所示,跟网型并网变换器控制系统中含有多个动态响应时间不同的控制环路,频带覆盖范围较广,涉及高频段的电流控制以及低频段的功率控制.由于功率外环和电流内环近似动态解耦,因此,在小扰动范畴的并网稳定性研究工作中一般不考虑功率外环与电流内环之间的交互作用.聚焦于弱电网条件下的电流稳定控制,基于小信号线性化模型,形成了以特征值理论和阻抗法[32⇓-34]为核心的稳定性分析理论体系. ...
... 基于阻抗模型的稳定判据是另一种常用的分析方法[32].在阻抗法中,以PCC点为分界,将并网变换器和电网划分为两个子系统.对并网变换器采用诺顿等效电路,即电流源并联阻抗;电网则采用戴维南等效电路.具体地,对应到图5所示模型,为建立并网变换器这一子系统模型,需要推导出ird到id的闭环传递函数以及vd(并网点电压)到id的闭环传递函数. ...
... 满足广义奈奎斯特判据时[32],并网变换器可以保持稳定工作. ...
Admittance modeling and stability analysis of grid-connected inverter with LADRC-PLL
2
2021
... 如图1所示,跟网型并网变换器控制系统中含有多个动态响应时间不同的控制环路,频带覆盖范围较广,涉及高频段的电流控制以及低频段的功率控制.由于功率外环和电流内环近似动态解耦,因此,在小扰动范畴的并网稳定性研究工作中一般不考虑功率外环与电流内环之间的交互作用.聚焦于弱电网条件下的电流稳定控制,基于小信号线性化模型,形成了以特征值理论和阻抗法[32⇓-34]为核心的稳定性分析理论体系. ...
... 除优化SRF-PLL参数外,采用改进型锁相方案也受到众多学者关注.文献[61]中对比分析了SRF-PLL和基于二阶广义积分器锁相环在弱电网下的阻抗特性,指出采用基于二阶广义积分器的锁相方案更有利于并网变换器的稳定运行.通过将SRF-PLL与延时环节相串联所构成的延时锁相方案也引起研究人员兴趣[65].文献[66]中对采用延时锁相方案的并网变换器控制系统进行研究,发现当电网阻抗较大时,并网变换器入网电流的谐波畸变率上升,系统可能失稳,并分析指出可通过降低并网有功功率、降低电流控制器低频增益或者限制延时锁相环带宽来改善并网系统稳定性.由于并网有功功率无法随意调节,且电流控制器带宽决定控制性能,因此,文献[66]中提出在延时环节之前再增加低通滤波器的改进型锁相方案.此外,还有学者研究提出将SRF-PLL与自抗扰控制相结合的改进型锁相方案[33].虽然各类改进型锁相方案相比于单纯的SRF-PLL可在一定程度上改善并网系统稳定性,但是,正如文献[66]中所指出,改进型锁相方案从本质上来说是通过牺牲锁相环动态特性来换取稳定裕度的提升. ...
Unified impedance model of grid-connected voltage-source converters
1
2018
... 如图1所示,跟网型并网变换器控制系统中含有多个动态响应时间不同的控制环路,频带覆盖范围较广,涉及高频段的电流控制以及低频段的功率控制.由于功率外环和电流内环近似动态解耦,因此,在小扰动范畴的并网稳定性研究工作中一般不考虑功率外环与电流内环之间的交互作用.聚焦于弱电网条件下的电流稳定控制,基于小信号线性化模型,形成了以特征值理论和阻抗法[32⇓-34]为核心的稳定性分析理论体系. ...
开关变换器及其控制环路的建模综述
1
2020
... 针对跟网型并网变换器控制系统,以图1和图3为例,常用的分析模型如图5所示,其中,变换器和PWM模块被等效为比例增益环节kpwm,Gpi(s)为PI控制器传递函数,r为滤波电容等效串联电阻.值得指出的是,对于采用其他控制器的并网变换器,均可采用小扰动原理建立起类似的线性化数学模型[35]. ...
A review on modeling of switching converters and their control loops
1
2020
... 针对跟网型并网变换器控制系统,以图1和图3为例,常用的分析模型如图5所示,其中,变换器和PWM模块被等效为比例增益环节kpwm,Gpi(s)为PI控制器传递函数,r为滤波电容等效串联电阻.值得指出的是,对于采用其他控制器的并网变换器,均可采用小扰动原理建立起类似的线性化数学模型[35]. ...
弱电网条件下LCL型并网逆变器谐振前馈控制策略研究
1
2016
... 根据图5所示线性系统模型,通过求解闭环传递函数(ird到id的传递函数)的特征值可对并网系统进行较深入的稳定特性研究.例如,采用特征值灵敏度分析方法可得到影响系统稳定性的主导因素[36].需要说明的一点是,在特征值法的运用当中,电网和并网变换器被视为一个整体,如图5所示,电压输入为ed,而非公共连接点(Point of common coupling, PCC)电压vd. ...
Resonant feedforward control strategy for LCL-type grid-connected inverters in weak grid condition
1
2016
... 根据图5所示线性系统模型,通过求解闭环传递函数(ird到id的传递函数)的特征值可对并网系统进行较深入的稳定特性研究.例如,采用特征值灵敏度分析方法可得到影响系统稳定性的主导因素[36].需要说明的一点是,在特征值法的运用当中,电网和并网变换器被视为一个整体,如图5所示,电压输入为ed,而非公共连接点(Point of common coupling, PCC)电压vd. ...
Robust design of LCL filters for single-current-loop-controlled grid-connected power converters with unit PCC voltage feedforward
3
2018
... 在高频段,并网变换器与电网的交互作用主要体现在电流内环.LCL滤波器为一三阶欠阻尼系统,其在电流控制环中引入谐振点.阻抗Zg的波动会引起此谐振频率大范围变化,在其他控制参数固定不变的情况下,这可能导致注入电网的电流发生高频谐振[37].以图5为例,采用特征值法对该谐振不稳定现象进行机理分析. ...
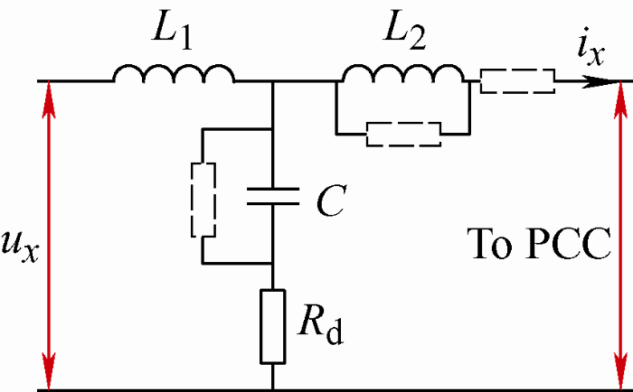
... 为衰减滤波器与电网交互导致的谐振峰值,可在滤波电路中串、并联电阻元件,以增加系统阻尼[37-38].基本的无源阻尼方案如图8所示[39],包括网侧电感(L2)串电阻、网侧电感并电阻、滤波电容串电阻、滤波电容并电阻四种. ...
... 基于上述分析讨论,综合考虑功耗、滤波特性以及阻尼效果,滤波电容串电阻的方案较优于其他三种方案,因此,工程中常采用这一无源阻尼方法.当设置阻尼电阻Rd=1 Ω时,图10展示了采用无源阻尼后Go(s)的频率特性随Zg波动的变化情况.对比图7可见,滤波电容串电阻的无源阻尼方案能有效降低谐振峰值,保持系统稳定.近年来,为进一步降低由电阻造成的有功损耗,一些高阶无源阻尼方案被相继提出[37],但与此同时,滤波电路复杂度上升,系统的体积变大以及成本增加. ...
Optimal design of high-order passive-damped filters for grid-connected applications
1
2016
... 为衰减滤波器与电网交互导致的谐振峰值,可在滤波电路中串、并联电阻元件,以增加系统阻尼[37-38].基本的无源阻尼方案如图8所示[39],包括网侧电感(L2)串电阻、网侧电感并电阻、滤波电容串电阻、滤波电容并电阻四种. ...
1
2011
... 为衰减滤波器与电网交互导致的谐振峰值,可在滤波电路中串、并联电阻元件,以增加系统阻尼[37-38].基本的无源阻尼方案如图8所示[39],包括网侧电感(L2)串电阻、网侧电感并电阻、滤波电容串电阻、滤波电容并电阻四种. ...
1
2011
... 为衰减滤波器与电网交互导致的谐振峰值,可在滤波电路中串、并联电阻元件,以增加系统阻尼[37-38].基本的无源阻尼方案如图8所示[39],包括网侧电感(L2)串电阻、网侧电感并电阻、滤波电容串电阻、滤波电容并电阻四种. ...
Capacitor current feedback with phase-lead compensator to eliminate resonant frequency forbidden region for LCL-type grid-connected inverter in weak grid
1
2021
... 无源阻尼方案虽然实现简单且鲁棒性强,但其无法避免地会造成额外损耗.为此,研究人员提出基于电压/电流反馈的有源阻尼方案.通过增加电压、电流传感器,以改变软件控制策略的方式实现LCL滤波器谐振峰的有效衰减[29].实际上,基于电路状态变量反馈的有源阻尼方法可以理解成,通过控制算法在滤波器电路中串联或者并联接入了一个“虚拟阻抗”,从而达到类似于无源阻尼的谐振峰抑制效果.常用的有源阻尼方案包括反馈滤波电容电流[40-41]、反馈滤波电容电压[42]及反馈逆变侧电感(图8中L1)电流[29].此外,有学者对多变量组合反馈[43]的方案也进行了探讨. ...
Step-by-step controller design for LCL-type grid-connected inverter with capacitor-current-feedback active-damping
2
2014
... 无源阻尼方案虽然实现简单且鲁棒性强,但其无法避免地会造成额外损耗.为此,研究人员提出基于电压/电流反馈的有源阻尼方案.通过增加电压、电流传感器,以改变软件控制策略的方式实现LCL滤波器谐振峰的有效衰减[29].实际上,基于电路状态变量反馈的有源阻尼方法可以理解成,通过控制算法在滤波器电路中串联或者并联接入了一个“虚拟阻抗”,从而达到类似于无源阻尼的谐振峰抑制效果.常用的有源阻尼方案包括反馈滤波电容电流[40-41]、反馈滤波电容电压[42]及反馈逆变侧电感(图8中L1)电流[29].此外,有学者对多变量组合反馈[43]的方案也进行了探讨. ...
... 基于滤波电容电流的有源阻尼方法常采用比例反馈方式,算法实现简单.文献[41]中指出,经控制框图等效变换可以发现,反馈滤波电容电流相当于在滤波电容两端并联了一个“虚拟电阻”.根据第3.2.2节的分析可知,该有源阻尼方法可以在不影响滤波器高、低频段滤波性能的情况下有效抑制谐振. ...
Capacitor-voltage feedforward with full delay compensation to improve weak grids adaptability of LCL-filtered grid-connected converters for distributed generation systems
1
2018
... 无源阻尼方案虽然实现简单且鲁棒性强,但其无法避免地会造成额外损耗.为此,研究人员提出基于电压/电流反馈的有源阻尼方案.通过增加电压、电流传感器,以改变软件控制策略的方式实现LCL滤波器谐振峰的有效衰减[29].实际上,基于电路状态变量反馈的有源阻尼方法可以理解成,通过控制算法在滤波器电路中串联或者并联接入了一个“虚拟阻抗”,从而达到类似于无源阻尼的谐振峰抑制效果.常用的有源阻尼方案包括反馈滤波电容电流[40-41]、反馈滤波电容电压[42]及反馈逆变侧电感(图8中L1)电流[29].此外,有学者对多变量组合反馈[43]的方案也进行了探讨. ...
Hybrid active damping combining capacitor current feedback and point of common coupling voltage feedforward for LCL-type grid-connected inverter
1
2021
... 无源阻尼方案虽然实现简单且鲁棒性强,但其无法避免地会造成额外损耗.为此,研究人员提出基于电压/电流反馈的有源阻尼方案.通过增加电压、电流传感器,以改变软件控制策略的方式实现LCL滤波器谐振峰的有效衰减[29].实际上,基于电路状态变量反馈的有源阻尼方法可以理解成,通过控制算法在滤波器电路中串联或者并联接入了一个“虚拟阻抗”,从而达到类似于无源阻尼的谐振峰抑制效果.常用的有源阻尼方案包括反馈滤波电容电流[40-41]、反馈滤波电容电压[42]及反馈逆变侧电感(图8中L1)电流[29].此外,有学者对多变量组合反馈[43]的方案也进行了探讨. ...
Analysis and comparison of notch filter and capacitor voltage feedforward active damping techniques for LCL grid-connected converters
1
2019
... 常用的校正环节有3种:陷波滤波器[44-45]、低通滤波器[46]和超前-滞后滤波器[47].陷波滤波器会在其自身特征频率附近呈现极强的幅值衰减效应,通过参数设计,将陷波器的特征频率配置到并网控制系统的谐振频率附近,从而提升并网系统的幅值裕度,保证弱电网下并网变换器的稳定运行.与陷波器不同,超前-滞后滤波器主要是通过修正并网系统在谐振频率附近的相频特性来提升并网系统的相位裕度.对于低通滤波器而言,其兼具幅频特性和相频特性重塑功能,因而在设计时需要进行多方面考虑. ...
Design and analysis of robust active damping for LCL filters using digital notch filters
1
2017
... 常用的校正环节有3种:陷波滤波器[44-45]、低通滤波器[46]和超前-滞后滤波器[47].陷波滤波器会在其自身特征频率附近呈现极强的幅值衰减效应,通过参数设计,将陷波器的特征频率配置到并网控制系统的谐振频率附近,从而提升并网系统的幅值裕度,保证弱电网下并网变换器的稳定运行.与陷波器不同,超前-滞后滤波器主要是通过修正并网系统在谐振频率附近的相频特性来提升并网系统的相位裕度.对于低通滤波器而言,其兼具幅频特性和相频特性重塑功能,因而在设计时需要进行多方面考虑. ...
Digital low-pass-filter-based single-loop damping for LCL-filtered grid-tied inverters
1
2018
... 常用的校正环节有3种:陷波滤波器[44-45]、低通滤波器[46]和超前-滞后滤波器[47].陷波滤波器会在其自身特征频率附近呈现极强的幅值衰减效应,通过参数设计,将陷波器的特征频率配置到并网控制系统的谐振频率附近,从而提升并网系统的幅值裕度,保证弱电网下并网变换器的稳定运行.与陷波器不同,超前-滞后滤波器主要是通过修正并网系统在谐振频率附近的相频特性来提升并网系统的相位裕度.对于低通滤波器而言,其兼具幅频特性和相频特性重塑功能,因而在设计时需要进行多方面考虑. ...
Systematic design of the lead-lag network method for active damping in LCL-filter based three phase converters
1
2014
... 常用的校正环节有3种:陷波滤波器[44-45]、低通滤波器[46]和超前-滞后滤波器[47].陷波滤波器会在其自身特征频率附近呈现极强的幅值衰减效应,通过参数设计,将陷波器的特征频率配置到并网控制系统的谐振频率附近,从而提升并网系统的幅值裕度,保证弱电网下并网变换器的稳定运行.与陷波器不同,超前-滞后滤波器主要是通过修正并网系统在谐振频率附近的相频特性来提升并网系统的相位裕度.对于低通滤波器而言,其兼具幅频特性和相频特性重塑功能,因而在设计时需要进行多方面考虑. ...
Active disturbance rejection control based single current feedback resonance damping strategy for LCL-type grid-connected inverter
1
2021
... 除前述三大类方案,一些学者还研究了单电流闭环控制方案[48]、基于电网阻抗在线监测的方案[49]及基于模型降阶的方案[50].对于单电流闭环控制方案,其最大优势在于可以减少传感器的使用[51-52],降低系统成本.然而,由于反馈信息的缺失,其难以兼顾电流跟踪性能与谐振抑制效果.相比于第3.2.3节中所介绍基于单变量反馈的有源阻尼方案,基于模型降阶的方案并未减少传感器的使用,通过采样不同位置的电流,经过加权加和运算对三阶被控对象进行等效降阶[53],从而消除谐振峰.然而,基于模型降阶的方案依赖于系统参数的准确匹配.理论上来说,通过实时测量电网阻抗和在线更新控制参数的方式,可以使并网系统具备优良的稳定鲁棒性.但是,电网阻抗的在线监测需要附加硬件装置.另一方面,在线监测的实现需要向电网注入谐波电流[54],恶化了并网变换器输出电流的电能质量. ...
弱电网下具有定稳定裕度的并网逆变器阻抗重塑分析与设计
1
2020
... 除前述三大类方案,一些学者还研究了单电流闭环控制方案[48]、基于电网阻抗在线监测的方案[49]及基于模型降阶的方案[50].对于单电流闭环控制方案,其最大优势在于可以减少传感器的使用[51-52],降低系统成本.然而,由于反馈信息的缺失,其难以兼顾电流跟踪性能与谐振抑制效果.相比于第3.2.3节中所介绍基于单变量反馈的有源阻尼方案,基于模型降阶的方案并未减少传感器的使用,通过采样不同位置的电流,经过加权加和运算对三阶被控对象进行等效降阶[53],从而消除谐振峰.然而,基于模型降阶的方案依赖于系统参数的准确匹配.理论上来说,通过实时测量电网阻抗和在线更新控制参数的方式,可以使并网系统具备优良的稳定鲁棒性.但是,电网阻抗的在线监测需要附加硬件装置.另一方面,在线监测的实现需要向电网注入谐波电流[54],恶化了并网变换器输出电流的电能质量. ...
Analysis and design of grid-connected inverter impedance remodeling with fixed stability margin in weak grid
1
2020
... 除前述三大类方案,一些学者还研究了单电流闭环控制方案[48]、基于电网阻抗在线监测的方案[49]及基于模型降阶的方案[50].对于单电流闭环控制方案,其最大优势在于可以减少传感器的使用[51-52],降低系统成本.然而,由于反馈信息的缺失,其难以兼顾电流跟踪性能与谐振抑制效果.相比于第3.2.3节中所介绍基于单变量反馈的有源阻尼方案,基于模型降阶的方案并未减少传感器的使用,通过采样不同位置的电流,经过加权加和运算对三阶被控对象进行等效降阶[53],从而消除谐振峰.然而,基于模型降阶的方案依赖于系统参数的准确匹配.理论上来说,通过实时测量电网阻抗和在线更新控制参数的方式,可以使并网系统具备优良的稳定鲁棒性.但是,电网阻抗的在线监测需要附加硬件装置.另一方面,在线监测的实现需要向电网注入谐波电流[54],恶化了并网变换器输出电流的电能质量. ...
Stability enhancement of grid-connected inverters using weighted average current control method
1
2022
... 除前述三大类方案,一些学者还研究了单电流闭环控制方案[48]、基于电网阻抗在线监测的方案[49]及基于模型降阶的方案[50].对于单电流闭环控制方案,其最大优势在于可以减少传感器的使用[51-52],降低系统成本.然而,由于反馈信息的缺失,其难以兼顾电流跟踪性能与谐振抑制效果.相比于第3.2.3节中所介绍基于单变量反馈的有源阻尼方案,基于模型降阶的方案并未减少传感器的使用,通过采样不同位置的电流,经过加权加和运算对三阶被控对象进行等效降阶[53],从而消除谐振峰.然而,基于模型降阶的方案依赖于系统参数的准确匹配.理论上来说,通过实时测量电网阻抗和在线更新控制参数的方式,可以使并网系统具备优良的稳定鲁棒性.但是,电网阻抗的在线监测需要附加硬件装置.另一方面,在线监测的实现需要向电网注入谐波电流[54],恶化了并网变换器输出电流的电能质量. ...
Current control of grid-connected inverter with LCL filter based on extended-state observer estimations using single sensor and achieving improved robust observation dynamics
1
2017
... 除前述三大类方案,一些学者还研究了单电流闭环控制方案[48]、基于电网阻抗在线监测的方案[49]及基于模型降阶的方案[50].对于单电流闭环控制方案,其最大优势在于可以减少传感器的使用[51-52],降低系统成本.然而,由于反馈信息的缺失,其难以兼顾电流跟踪性能与谐振抑制效果.相比于第3.2.3节中所介绍基于单变量反馈的有源阻尼方案,基于模型降阶的方案并未减少传感器的使用,通过采样不同位置的电流,经过加权加和运算对三阶被控对象进行等效降阶[53],从而消除谐振峰.然而,基于模型降阶的方案依赖于系统参数的准确匹配.理论上来说,通过实时测量电网阻抗和在线更新控制参数的方式,可以使并网系统具备优良的稳定鲁棒性.但是,电网阻抗的在线监测需要附加硬件装置.另一方面,在线监测的实现需要向电网注入谐波电流[54],恶化了并网变换器输出电流的电能质量. ...
Resonance damping for an LCL filter type grid-connected inverter with active disturbance rejection control under grid impedance uncertainty
1
2019
... 除前述三大类方案,一些学者还研究了单电流闭环控制方案[48]、基于电网阻抗在线监测的方案[49]及基于模型降阶的方案[50].对于单电流闭环控制方案,其最大优势在于可以减少传感器的使用[51-52],降低系统成本.然而,由于反馈信息的缺失,其难以兼顾电流跟踪性能与谐振抑制效果.相比于第3.2.3节中所介绍基于单变量反馈的有源阻尼方案,基于模型降阶的方案并未减少传感器的使用,通过采样不同位置的电流,经过加权加和运算对三阶被控对象进行等效降阶[53],从而消除谐振峰.然而,基于模型降阶的方案依赖于系统参数的准确匹配.理论上来说,通过实时测量电网阻抗和在线更新控制参数的方式,可以使并网系统具备优良的稳定鲁棒性.但是,电网阻抗的在线监测需要附加硬件装置.另一方面,在线监测的实现需要向电网注入谐波电流[54],恶化了并网变换器输出电流的电能质量. ...
弱电网下LCL型并网逆变器的高鲁棒性加权平均电流控制策略
1
2020
... 除前述三大类方案,一些学者还研究了单电流闭环控制方案[48]、基于电网阻抗在线监测的方案[49]及基于模型降阶的方案[50].对于单电流闭环控制方案,其最大优势在于可以减少传感器的使用[51-52],降低系统成本.然而,由于反馈信息的缺失,其难以兼顾电流跟踪性能与谐振抑制效果.相比于第3.2.3节中所介绍基于单变量反馈的有源阻尼方案,基于模型降阶的方案并未减少传感器的使用,通过采样不同位置的电流,经过加权加和运算对三阶被控对象进行等效降阶[53],从而消除谐振峰.然而,基于模型降阶的方案依赖于系统参数的准确匹配.理论上来说,通过实时测量电网阻抗和在线更新控制参数的方式,可以使并网系统具备优良的稳定鲁棒性.但是,电网阻抗的在线监测需要附加硬件装置.另一方面,在线监测的实现需要向电网注入谐波电流[54],恶化了并网变换器输出电流的电能质量. ...
High robustness weighted average current control for LCL-type grid-connected inverter in a weak grid
1
2020
... 除前述三大类方案,一些学者还研究了单电流闭环控制方案[48]、基于电网阻抗在线监测的方案[49]及基于模型降阶的方案[50].对于单电流闭环控制方案,其最大优势在于可以减少传感器的使用[51-52],降低系统成本.然而,由于反馈信息的缺失,其难以兼顾电流跟踪性能与谐振抑制效果.相比于第3.2.3节中所介绍基于单变量反馈的有源阻尼方案,基于模型降阶的方案并未减少传感器的使用,通过采样不同位置的电流,经过加权加和运算对三阶被控对象进行等效降阶[53],从而消除谐振峰.然而,基于模型降阶的方案依赖于系统参数的准确匹配.理论上来说,通过实时测量电网阻抗和在线更新控制参数的方式,可以使并网系统具备优良的稳定鲁棒性.但是,电网阻抗的在线监测需要附加硬件装置.另一方面,在线监测的实现需要向电网注入谐波电流[54],恶化了并网变换器输出电流的电能质量. ...
A magnetic-sensing-based wide-bandwidth grid impedance measurement technique with small perturbation injection
1
2022
... 除前述三大类方案,一些学者还研究了单电流闭环控制方案[48]、基于电网阻抗在线监测的方案[49]及基于模型降阶的方案[50].对于单电流闭环控制方案,其最大优势在于可以减少传感器的使用[51-52],降低系统成本.然而,由于反馈信息的缺失,其难以兼顾电流跟踪性能与谐振抑制效果.相比于第3.2.3节中所介绍基于单变量反馈的有源阻尼方案,基于模型降阶的方案并未减少传感器的使用,通过采样不同位置的电流,经过加权加和运算对三阶被控对象进行等效降阶[53],从而消除谐振峰.然而,基于模型降阶的方案依赖于系统参数的准确匹配.理论上来说,通过实时测量电网阻抗和在线更新控制参数的方式,可以使并网系统具备优良的稳定鲁棒性.但是,电网阻抗的在线监测需要附加硬件装置.另一方面,在线监测的实现需要向电网注入谐波电流[54],恶化了并网变换器输出电流的电能质量. ...
弱电网下基于电网电流前馈的单相逆变器锁相环
2
2020
... 针对弱电网下跟网型并网变换器在几百Hz以上频段的电流稳定控制问题,第3.2节详述了近十几年来的工作进展.随着研究深入,Zg对并网系统低频段动态特性的影响也逐步引起重视[55].相关科研人员发现,弱电网下并网系统中的低带宽环路,即锁相环与功率环,也会影响整个系统的稳定性.各环路间的交互作用引发形态各异的失稳现象[56]. ...
... 无论是优化SRF-PLL参数,还是改进锁相环结构,为保证并网系统在弱电网下稳定运行,锁相环的带宽终究会受到电流环带宽的制约.因此,有学者提出采用解耦设计来减弱SRF-PLL与电流内环之间的动态交互.通过对采用SRF-PLL的并网变换器进行小信号建模研究,可以定量分析SRF-PLL与电流控制环路之间的耦合项.因此,基于前馈补偿的思想,文献[67⇓⇓-70]提出基于并网点电压前馈的扰动补偿控制方案,从而可在不降低锁相环带宽的前提下,提升并网系统对电网阻抗变化的适应性.文献[55]则通过在锁相环中引入并网电流的一阶微分前馈项来减弱锁相环与电流环之间的动态耦合,使并网系统稳定性得以改善.值得指出的是,此类前馈补偿方案的设计依赖于系统参数,且前馈通道中所含有的相位超前环节在物理上较难实现,因此,其鲁棒性和实际应用效果仍有待进一步探究. ...
Grid current feedforward-based phase-locked loop for single-phase-inverters in weak grid case
2
2020
... 针对弱电网下跟网型并网变换器在几百Hz以上频段的电流稳定控制问题,第3.2节详述了近十几年来的工作进展.随着研究深入,Zg对并网系统低频段动态特性的影响也逐步引起重视[55].相关科研人员发现,弱电网下并网系统中的低带宽环路,即锁相环与功率环,也会影响整个系统的稳定性.各环路间的交互作用引发形态各异的失稳现象[56]. ...
... 无论是优化SRF-PLL参数,还是改进锁相环结构,为保证并网系统在弱电网下稳定运行,锁相环的带宽终究会受到电流环带宽的制约.因此,有学者提出采用解耦设计来减弱SRF-PLL与电流内环之间的动态交互.通过对采用SRF-PLL的并网变换器进行小信号建模研究,可以定量分析SRF-PLL与电流控制环路之间的耦合项.因此,基于前馈补偿的思想,文献[67⇓⇓-70]提出基于并网点电压前馈的扰动补偿控制方案,从而可在不降低锁相环带宽的前提下,提升并网系统对电网阻抗变化的适应性.文献[55]则通过在锁相环中引入并网电流的一阶微分前馈项来减弱锁相环与电流环之间的动态耦合,使并网系统稳定性得以改善.值得指出的是,此类前馈补偿方案的设计依赖于系统参数,且前馈通道中所含有的相位超前环节在物理上较难实现,因此,其鲁棒性和实际应用效果仍有待进一步探究. ...
弱连接条件下并网VSC系统稳定性分析研究综述
1
2018
... 针对弱电网下跟网型并网变换器在几百Hz以上频段的电流稳定控制问题,第3.2节详述了近十几年来的工作进展.随着研究深入,Zg对并网系统低频段动态特性的影响也逐步引起重视[55].相关科研人员发现,弱电网下并网系统中的低带宽环路,即锁相环与功率环,也会影响整个系统的稳定性.各环路间的交互作用引发形态各异的失稳现象[56]. ...
Stability analysis of grid-tied VSC systems under weak connection conditions
1
2018
... 针对弱电网下跟网型并网变换器在几百Hz以上频段的电流稳定控制问题,第3.2节详述了近十几年来的工作进展.随着研究深入,Zg对并网系统低频段动态特性的影响也逐步引起重视[55].相关科研人员发现,弱电网下并网系统中的低带宽环路,即锁相环与功率环,也会影响整个系统的稳定性.各环路间的交互作用引发形态各异的失稳现象[56]. ...
Modeling of VSC connected to weak grid for stability analysis of DC-link voltage control
2
2015
... 由于在并网变换器控制系统设计时,功率环与电流环之间已设置有足够的带宽差异[57],因而,在分析中一般不考虑功率环与电流环之间的交互作用[58-59].根据所研究问题时间尺度的不同,可将相关研究划分为两大类:① 考虑锁相环与电流环交互作用;② 考虑锁相环与功率环交互作用. ...
... 相比于电流环稳定控制的研究,目前,有关于锁相环与功率外环交互作用的文献报道尚较少[68],主要集中于锁相环与功率外环交互作用对并网系统稳定性影响的定性分析,相对应的稳定控制策略研究工作则鲜见.国内研究者以华中科技大学袁小明团队为代表.针对单个并网变换器,文献[57]的研究工作指出,弱电网下,PLL带宽以及输出有功功率的大小是影响直流母线电压控制稳定性的重要因素.其中,当PLL带宽与直流电压控制环路带宽接近时,两环路间的耦合作用接近最大,系统极易失稳.随并网有功功率的增大,直流电压控制稳定性恶化.进一步地,当将研究场景推广到多变换器并网,文献[58]所得结论表明,对于并联的多变换器,当其中某一变换器的有功输出增加时,整个多变换器并联系统的稳定性降低,并且有功出力相对较少的变换器具备更好的稳定性.此外,当各变换器的锁相环带宽越接近时,整个变换器并联系统的稳定性越差. ...
Modeling and stability analysis of DC-link voltage control in multi-VSCs with integrated to weak grid
2
2017
... 由于在并网变换器控制系统设计时,功率环与电流环之间已设置有足够的带宽差异[57],因而,在分析中一般不考虑功率环与电流环之间的交互作用[58-59].根据所研究问题时间尺度的不同,可将相关研究划分为两大类:① 考虑锁相环与电流环交互作用;② 考虑锁相环与功率环交互作用. ...
... 相比于电流环稳定控制的研究,目前,有关于锁相环与功率外环交互作用的文献报道尚较少[68],主要集中于锁相环与功率外环交互作用对并网系统稳定性影响的定性分析,相对应的稳定控制策略研究工作则鲜见.国内研究者以华中科技大学袁小明团队为代表.针对单个并网变换器,文献[57]的研究工作指出,弱电网下,PLL带宽以及输出有功功率的大小是影响直流母线电压控制稳定性的重要因素.其中,当PLL带宽与直流电压控制环路带宽接近时,两环路间的耦合作用接近最大,系统极易失稳.随并网有功功率的增大,直流电压控制稳定性恶化.进一步地,当将研究场景推广到多变换器并网,文献[58]所得结论表明,对于并联的多变换器,当其中某一变换器的有功输出增加时,整个多变换器并联系统的稳定性降低,并且有功出力相对较少的变换器具备更好的稳定性.此外,当各变换器的锁相环带宽越接近时,整个变换器并联系统的稳定性越差. ...
Modeling of grid-connected VSCs for power system small-signal stability analysis in DC-link voltage control timescale
1
2017
... 由于在并网变换器控制系统设计时,功率环与电流环之间已设置有足够的带宽差异[57],因而,在分析中一般不考虑功率环与电流环之间的交互作用[58-59].根据所研究问题时间尺度的不同,可将相关研究划分为两大类:① 考虑锁相环与电流环交互作用;② 考虑锁相环与功率环交互作用. ...
弱电网条件下锁相环对LCL型并网逆变器稳定性的影响研究及锁相环参数设计
3
2014
... 为揭示锁相环与电流环交互作用导致系统失稳的机理,本节将基于第3.1.2节所介绍的阻抗法从阻抗概念层面进行剖析.计及锁相环动态时,并网系统的等效电路模型如图13所示[60-61].对比图6可以发现,此时,并网变换器这一子系统中不再包含有理想电流源,取而代之的是与锁相环密切相关的等效阻抗Zpll(s).也就是说,锁相环的引入使得并网变换器的等效输出阻抗模型中新增了一条并联阻抗支路. ...
... 对于条件①,只需要在控制设计时保证电流环和锁相环分别稳定,即可满足[60].因此,在强电网条件下,即Zg≈0时,锁相环与电流环之间不存在交互作用,两者可独立进行分析设计,并网系统的稳定性可等同于电流内环的稳定性.这也从一个方面给出了经典电流闭环矢量控制方法广受欢迎的原因. ...
... 在优化设计锁相环参数方面,文献[60]经研究指出,SRF-PLL带宽、并网电流参考值大小以及并网功率因数均对并网系统的稳定性产生影响.SRF-PLL带宽越大,系统对弱电网的适应性越差.因此,该文给出一种可综合考虑SRF-PLL动态响应速度指标和系统稳定裕度要求的锁相环参数设计方法.进一步地,文献[62-63]定量化讨论了SRF-PLL带宽与电流环带宽的配比问题,给出了在电流环带宽确定的情况之下,SRF-PLL带宽的系统性设计方法.虽然通过优化设计SRF-PLL带宽是改善弱电网下跟网型并网变换器稳定性的一种有效方案,但是应用此类方案在指导设计时,为保证并网系统在最严苛电网工况下仍稳定运行,导致SRF-PLL的带宽选取往往可能过于保守.文献[64]提出了自适应调整SRF-PLL带宽的方案,在电网阻抗实时监测能简单实现的条件下,自适应调整带宽应是一种更具潜力的手段. ...
Research on the stability caused by phase-locked loop for LCL-type grid-connected inverter in weak grid condition
3
2014
... 为揭示锁相环与电流环交互作用导致系统失稳的机理,本节将基于第3.1.2节所介绍的阻抗法从阻抗概念层面进行剖析.计及锁相环动态时,并网系统的等效电路模型如图13所示[60-61].对比图6可以发现,此时,并网变换器这一子系统中不再包含有理想电流源,取而代之的是与锁相环密切相关的等效阻抗Zpll(s).也就是说,锁相环的引入使得并网变换器的等效输出阻抗模型中新增了一条并联阻抗支路. ...
... 对于条件①,只需要在控制设计时保证电流环和锁相环分别稳定,即可满足[60].因此,在强电网条件下,即Zg≈0时,锁相环与电流环之间不存在交互作用,两者可独立进行分析设计,并网系统的稳定性可等同于电流内环的稳定性.这也从一个方面给出了经典电流闭环矢量控制方法广受欢迎的原因. ...
... 在优化设计锁相环参数方面,文献[60]经研究指出,SRF-PLL带宽、并网电流参考值大小以及并网功率因数均对并网系统的稳定性产生影响.SRF-PLL带宽越大,系统对弱电网的适应性越差.因此,该文给出一种可综合考虑SRF-PLL动态响应速度指标和系统稳定裕度要求的锁相环参数设计方法.进一步地,文献[62-63]定量化讨论了SRF-PLL带宽与电流环带宽的配比问题,给出了在电流环带宽确定的情况之下,SRF-PLL带宽的系统性设计方法.虽然通过优化设计SRF-PLL带宽是改善弱电网下跟网型并网变换器稳定性的一种有效方案,但是应用此类方案在指导设计时,为保证并网系统在最严苛电网工况下仍稳定运行,导致SRF-PLL的带宽选取往往可能过于保守.文献[64]提出了自适应调整SRF-PLL带宽的方案,在电网阻抗实时监测能简单实现的条件下,自适应调整带宽应是一种更具潜力的手段. ...
三相并网逆变器锁相环频率特性分析及其稳定性研究
2
2017
... 为揭示锁相环与电流环交互作用导致系统失稳的机理,本节将基于第3.1.2节所介绍的阻抗法从阻抗概念层面进行剖析.计及锁相环动态时,并网系统的等效电路模型如图13所示[60-61].对比图6可以发现,此时,并网变换器这一子系统中不再包含有理想电流源,取而代之的是与锁相环密切相关的等效阻抗Zpll(s).也就是说,锁相环的引入使得并网变换器的等效输出阻抗模型中新增了一条并联阻抗支路. ...
... 除优化SRF-PLL参数外,采用改进型锁相方案也受到众多学者关注.文献[61]中对比分析了SRF-PLL和基于二阶广义积分器锁相环在弱电网下的阻抗特性,指出采用基于二阶广义积分器的锁相方案更有利于并网变换器的稳定运行.通过将SRF-PLL与延时环节相串联所构成的延时锁相方案也引起研究人员兴趣[65].文献[66]中对采用延时锁相方案的并网变换器控制系统进行研究,发现当电网阻抗较大时,并网变换器入网电流的谐波畸变率上升,系统可能失稳,并分析指出可通过降低并网有功功率、降低电流控制器低频增益或者限制延时锁相环带宽来改善并网系统稳定性.由于并网有功功率无法随意调节,且电流控制器带宽决定控制性能,因此,文献[66]中提出在延时环节之前再增加低通滤波器的改进型锁相方案.此外,还有学者研究提出将SRF-PLL与自抗扰控制相结合的改进型锁相方案[33].虽然各类改进型锁相方案相比于单纯的SRF-PLL可在一定程度上改善并网系统稳定性,但是,正如文献[66]中所指出,改进型锁相方案从本质上来说是通过牺牲锁相环动态特性来换取稳定裕度的提升. ...
Frequency characteristics analysis and stability research of phase locked loop for three-phase grid-connected inverters
2
2017
... 为揭示锁相环与电流环交互作用导致系统失稳的机理,本节将基于第3.1.2节所介绍的阻抗法从阻抗概念层面进行剖析.计及锁相环动态时,并网系统的等效电路模型如图13所示[60-61].对比图6可以发现,此时,并网变换器这一子系统中不再包含有理想电流源,取而代之的是与锁相环密切相关的等效阻抗Zpll(s).也就是说,锁相环的引入使得并网变换器的等效输出阻抗模型中新增了一条并联阻抗支路. ...
... 除优化SRF-PLL参数外,采用改进型锁相方案也受到众多学者关注.文献[61]中对比分析了SRF-PLL和基于二阶广义积分器锁相环在弱电网下的阻抗特性,指出采用基于二阶广义积分器的锁相方案更有利于并网变换器的稳定运行.通过将SRF-PLL与延时环节相串联所构成的延时锁相方案也引起研究人员兴趣[65].文献[66]中对采用延时锁相方案的并网变换器控制系统进行研究,发现当电网阻抗较大时,并网变换器入网电流的谐波畸变率上升,系统可能失稳,并分析指出可通过降低并网有功功率、降低电流控制器低频增益或者限制延时锁相环带宽来改善并网系统稳定性.由于并网有功功率无法随意调节,且电流控制器带宽决定控制性能,因此,文献[66]中提出在延时环节之前再增加低通滤波器的改进型锁相方案.此外,还有学者研究提出将SRF-PLL与自抗扰控制相结合的改进型锁相方案[33].虽然各类改进型锁相方案相比于单纯的SRF-PLL可在一定程度上改善并网系统稳定性,但是,正如文献[66]中所指出,改进型锁相方案从本质上来说是通过牺牲锁相环动态特性来换取稳定裕度的提升. ...
Improved design of PLL controller for LCL-type grid-connected converter in weak grid
1
2020
... 在优化设计锁相环参数方面,文献[60]经研究指出,SRF-PLL带宽、并网电流参考值大小以及并网功率因数均对并网系统的稳定性产生影响.SRF-PLL带宽越大,系统对弱电网的适应性越差.因此,该文给出一种可综合考虑SRF-PLL动态响应速度指标和系统稳定裕度要求的锁相环参数设计方法.进一步地,文献[62-63]定量化讨论了SRF-PLL带宽与电流环带宽的配比问题,给出了在电流环带宽确定的情况之下,SRF-PLL带宽的系统性设计方法.虽然通过优化设计SRF-PLL带宽是改善弱电网下跟网型并网变换器稳定性的一种有效方案,但是应用此类方案在指导设计时,为保证并网系统在最严苛电网工况下仍稳定运行,导致SRF-PLL的带宽选取往往可能过于保守.文献[64]提出了自适应调整SRF-PLL带宽的方案,在电网阻抗实时监测能简单实现的条件下,自适应调整带宽应是一种更具潜力的手段. ...
A design method of phase-locked loop for grid-connected converters considering the influence of current loops in weak grid
1
2020
... 在优化设计锁相环参数方面,文献[60]经研究指出,SRF-PLL带宽、并网电流参考值大小以及并网功率因数均对并网系统的稳定性产生影响.SRF-PLL带宽越大,系统对弱电网的适应性越差.因此,该文给出一种可综合考虑SRF-PLL动态响应速度指标和系统稳定裕度要求的锁相环参数设计方法.进一步地,文献[62-63]定量化讨论了SRF-PLL带宽与电流环带宽的配比问题,给出了在电流环带宽确定的情况之下,SRF-PLL带宽的系统性设计方法.虽然通过优化设计SRF-PLL带宽是改善弱电网下跟网型并网变换器稳定性的一种有效方案,但是应用此类方案在指导设计时,为保证并网系统在最严苛电网工况下仍稳定运行,导致SRF-PLL的带宽选取往往可能过于保守.文献[64]提出了自适应调整SRF-PLL带宽的方案,在电网阻抗实时监测能简单实现的条件下,自适应调整带宽应是一种更具潜力的手段. ...
Adaptive control of grid-connected inverters based on online grid impedance measurements
1
2014
... 在优化设计锁相环参数方面,文献[60]经研究指出,SRF-PLL带宽、并网电流参考值大小以及并网功率因数均对并网系统的稳定性产生影响.SRF-PLL带宽越大,系统对弱电网的适应性越差.因此,该文给出一种可综合考虑SRF-PLL动态响应速度指标和系统稳定裕度要求的锁相环参数设计方法.进一步地,文献[62-63]定量化讨论了SRF-PLL带宽与电流环带宽的配比问题,给出了在电流环带宽确定的情况之下,SRF-PLL带宽的系统性设计方法.虽然通过优化设计SRF-PLL带宽是改善弱电网下跟网型并网变换器稳定性的一种有效方案,但是应用此类方案在指导设计时,为保证并网系统在最严苛电网工况下仍稳定运行,导致SRF-PLL的带宽选取往往可能过于保守.文献[64]提出了自适应调整SRF-PLL带宽的方案,在电网阻抗实时监测能简单实现的条件下,自适应调整带宽应是一种更具潜力的手段. ...
1
2019
... 除优化SRF-PLL参数外,采用改进型锁相方案也受到众多学者关注.文献[61]中对比分析了SRF-PLL和基于二阶广义积分器锁相环在弱电网下的阻抗特性,指出采用基于二阶广义积分器的锁相方案更有利于并网变换器的稳定运行.通过将SRF-PLL与延时环节相串联所构成的延时锁相方案也引起研究人员兴趣[65].文献[66]中对采用延时锁相方案的并网变换器控制系统进行研究,发现当电网阻抗较大时,并网变换器入网电流的谐波畸变率上升,系统可能失稳,并分析指出可通过降低并网有功功率、降低电流控制器低频增益或者限制延时锁相环带宽来改善并网系统稳定性.由于并网有功功率无法随意调节,且电流控制器带宽决定控制性能,因此,文献[66]中提出在延时环节之前再增加低通滤波器的改进型锁相方案.此外,还有学者研究提出将SRF-PLL与自抗扰控制相结合的改进型锁相方案[33].虽然各类改进型锁相方案相比于单纯的SRF-PLL可在一定程度上改善并网系统稳定性,但是,正如文献[66]中所指出,改进型锁相方案从本质上来说是通过牺牲锁相环动态特性来换取稳定裕度的提升. ...
1
2019
... 除优化SRF-PLL参数外,采用改进型锁相方案也受到众多学者关注.文献[61]中对比分析了SRF-PLL和基于二阶广义积分器锁相环在弱电网下的阻抗特性,指出采用基于二阶广义积分器的锁相方案更有利于并网变换器的稳定运行.通过将SRF-PLL与延时环节相串联所构成的延时锁相方案也引起研究人员兴趣[65].文献[66]中对采用延时锁相方案的并网变换器控制系统进行研究,发现当电网阻抗较大时,并网变换器入网电流的谐波畸变率上升,系统可能失稳,并分析指出可通过降低并网有功功率、降低电流控制器低频增益或者限制延时锁相环带宽来改善并网系统稳定性.由于并网有功功率无法随意调节,且电流控制器带宽决定控制性能,因此,文献[66]中提出在延时环节之前再增加低通滤波器的改进型锁相方案.此外,还有学者研究提出将SRF-PLL与自抗扰控制相结合的改进型锁相方案[33].虽然各类改进型锁相方案相比于单纯的SRF-PLL可在一定程度上改善并网系统稳定性,但是,正如文献[66]中所指出,改进型锁相方案从本质上来说是通过牺牲锁相环动态特性来换取稳定裕度的提升. ...
弱电网下单相并网逆变器延时锁相环的鲁棒控制及优化方法
3
2020
... 除优化SRF-PLL参数外,采用改进型锁相方案也受到众多学者关注.文献[61]中对比分析了SRF-PLL和基于二阶广义积分器锁相环在弱电网下的阻抗特性,指出采用基于二阶广义积分器的锁相方案更有利于并网变换器的稳定运行.通过将SRF-PLL与延时环节相串联所构成的延时锁相方案也引起研究人员兴趣[65].文献[66]中对采用延时锁相方案的并网变换器控制系统进行研究,发现当电网阻抗较大时,并网变换器入网电流的谐波畸变率上升,系统可能失稳,并分析指出可通过降低并网有功功率、降低电流控制器低频增益或者限制延时锁相环带宽来改善并网系统稳定性.由于并网有功功率无法随意调节,且电流控制器带宽决定控制性能,因此,文献[66]中提出在延时环节之前再增加低通滤波器的改进型锁相方案.此外,还有学者研究提出将SRF-PLL与自抗扰控制相结合的改进型锁相方案[33].虽然各类改进型锁相方案相比于单纯的SRF-PLL可在一定程度上改善并网系统稳定性,但是,正如文献[66]中所指出,改进型锁相方案从本质上来说是通过牺牲锁相环动态特性来换取稳定裕度的提升. ...
... ]中对采用延时锁相方案的并网变换器控制系统进行研究,发现当电网阻抗较大时,并网变换器入网电流的谐波畸变率上升,系统可能失稳,并分析指出可通过降低并网有功功率、降低电流控制器低频增益或者限制延时锁相环带宽来改善并网系统稳定性.由于并网有功功率无法随意调节,且电流控制器带宽决定控制性能,因此,文献[66]中提出在延时环节之前再增加低通滤波器的改进型锁相方案.此外,还有学者研究提出将SRF-PLL与自抗扰控制相结合的改进型锁相方案[33].虽然各类改进型锁相方案相比于单纯的SRF-PLL可在一定程度上改善并网系统稳定性,但是,正如文献[66]中所指出,改进型锁相方案从本质上来说是通过牺牲锁相环动态特性来换取稳定裕度的提升. ...
... .虽然各类改进型锁相方案相比于单纯的SRF-PLL可在一定程度上改善并网系统稳定性,但是,正如文献[66]中所指出,改进型锁相方案从本质上来说是通过牺牲锁相环动态特性来换取稳定裕度的提升. ...
Robust control and optimization of delay-based phase-locked loop of single-phase grid-connected inverters under weak grid conditions
3
2020
... 除优化SRF-PLL参数外,采用改进型锁相方案也受到众多学者关注.文献[61]中对比分析了SRF-PLL和基于二阶广义积分器锁相环在弱电网下的阻抗特性,指出采用基于二阶广义积分器的锁相方案更有利于并网变换器的稳定运行.通过将SRF-PLL与延时环节相串联所构成的延时锁相方案也引起研究人员兴趣[65].文献[66]中对采用延时锁相方案的并网变换器控制系统进行研究,发现当电网阻抗较大时,并网变换器入网电流的谐波畸变率上升,系统可能失稳,并分析指出可通过降低并网有功功率、降低电流控制器低频增益或者限制延时锁相环带宽来改善并网系统稳定性.由于并网有功功率无法随意调节,且电流控制器带宽决定控制性能,因此,文献[66]中提出在延时环节之前再增加低通滤波器的改进型锁相方案.此外,还有学者研究提出将SRF-PLL与自抗扰控制相结合的改进型锁相方案[33].虽然各类改进型锁相方案相比于单纯的SRF-PLL可在一定程度上改善并网系统稳定性,但是,正如文献[66]中所指出,改进型锁相方案从本质上来说是通过牺牲锁相环动态特性来换取稳定裕度的提升. ...
... ]中对采用延时锁相方案的并网变换器控制系统进行研究,发现当电网阻抗较大时,并网变换器入网电流的谐波畸变率上升,系统可能失稳,并分析指出可通过降低并网有功功率、降低电流控制器低频增益或者限制延时锁相环带宽来改善并网系统稳定性.由于并网有功功率无法随意调节,且电流控制器带宽决定控制性能,因此,文献[66]中提出在延时环节之前再增加低通滤波器的改进型锁相方案.此外,还有学者研究提出将SRF-PLL与自抗扰控制相结合的改进型锁相方案[33].虽然各类改进型锁相方案相比于单纯的SRF-PLL可在一定程度上改善并网系统稳定性,但是,正如文献[66]中所指出,改进型锁相方案从本质上来说是通过牺牲锁相环动态特性来换取稳定裕度的提升. ...
... .虽然各类改进型锁相方案相比于单纯的SRF-PLL可在一定程度上改善并网系统稳定性,但是,正如文献[66]中所指出,改进型锁相方案从本质上来说是通过牺牲锁相环动态特性来换取稳定裕度的提升. ...
弱电网下考虑锁相环影响的三相并网系统相角补偿控制方法
1
2018
... 无论是优化SRF-PLL参数,还是改进锁相环结构,为保证并网系统在弱电网下稳定运行,锁相环的带宽终究会受到电流环带宽的制约.因此,有学者提出采用解耦设计来减弱SRF-PLL与电流内环之间的动态交互.通过对采用SRF-PLL的并网变换器进行小信号建模研究,可以定量分析SRF-PLL与电流控制环路之间的耦合项.因此,基于前馈补偿的思想,文献[67⇓⇓-70]提出基于并网点电压前馈的扰动补偿控制方案,从而可在不降低锁相环带宽的前提下,提升并网系统对电网阻抗变化的适应性.文献[55]则通过在锁相环中引入并网电流的一阶微分前馈项来减弱锁相环与电流环之间的动态耦合,使并网系统稳定性得以改善.值得指出的是,此类前馈补偿方案的设计依赖于系统参数,且前馈通道中所含有的相位超前环节在物理上较难实现,因此,其鲁棒性和实际应用效果仍有待进一步探究. ...
The phase compensation control method considering the effect of phase locked loop for three-phase grid-connected system in the weak grid
1
2018
... 无论是优化SRF-PLL参数,还是改进锁相环结构,为保证并网系统在弱电网下稳定运行,锁相环的带宽终究会受到电流环带宽的制约.因此,有学者提出采用解耦设计来减弱SRF-PLL与电流内环之间的动态交互.通过对采用SRF-PLL的并网变换器进行小信号建模研究,可以定量分析SRF-PLL与电流控制环路之间的耦合项.因此,基于前馈补偿的思想,文献[67⇓⇓-70]提出基于并网点电压前馈的扰动补偿控制方案,从而可在不降低锁相环带宽的前提下,提升并网系统对电网阻抗变化的适应性.文献[55]则通过在锁相环中引入并网电流的一阶微分前馈项来减弱锁相环与电流环之间的动态耦合,使并网系统稳定性得以改善.值得指出的是,此类前馈补偿方案的设计依赖于系统参数,且前馈通道中所含有的相位超前环节在物理上较难实现,因此,其鲁棒性和实际应用效果仍有待进一步探究. ...
弱电网下基于电压扰动补偿的并网变换器改进控制方法
2
2019
... 无论是优化SRF-PLL参数,还是改进锁相环结构,为保证并网系统在弱电网下稳定运行,锁相环的带宽终究会受到电流环带宽的制约.因此,有学者提出采用解耦设计来减弱SRF-PLL与电流内环之间的动态交互.通过对采用SRF-PLL的并网变换器进行小信号建模研究,可以定量分析SRF-PLL与电流控制环路之间的耦合项.因此,基于前馈补偿的思想,文献[67⇓⇓-70]提出基于并网点电压前馈的扰动补偿控制方案,从而可在不降低锁相环带宽的前提下,提升并网系统对电网阻抗变化的适应性.文献[55]则通过在锁相环中引入并网电流的一阶微分前馈项来减弱锁相环与电流环之间的动态耦合,使并网系统稳定性得以改善.值得指出的是,此类前馈补偿方案的设计依赖于系统参数,且前馈通道中所含有的相位超前环节在物理上较难实现,因此,其鲁棒性和实际应用效果仍有待进一步探究. ...
... 相比于电流环稳定控制的研究,目前,有关于锁相环与功率外环交互作用的文献报道尚较少[68],主要集中于锁相环与功率外环交互作用对并网系统稳定性影响的定性分析,相对应的稳定控制策略研究工作则鲜见.国内研究者以华中科技大学袁小明团队为代表.针对单个并网变换器,文献[57]的研究工作指出,弱电网下,PLL带宽以及输出有功功率的大小是影响直流母线电压控制稳定性的重要因素.其中,当PLL带宽与直流电压控制环路带宽接近时,两环路间的耦合作用接近最大,系统极易失稳.随并网有功功率的增大,直流电压控制稳定性恶化.进一步地,当将研究场景推广到多变换器并网,文献[58]所得结论表明,对于并联的多变换器,当其中某一变换器的有功输出增加时,整个多变换器并联系统的稳定性降低,并且有功出力相对较少的变换器具备更好的稳定性.此外,当各变换器的锁相环带宽越接近时,整个变换器并联系统的稳定性越差. ...
Improved control method of grid-connected converter based on voltage disturbance compensation in weak grid
2
2019
... 无论是优化SRF-PLL参数,还是改进锁相环结构,为保证并网系统在弱电网下稳定运行,锁相环的带宽终究会受到电流环带宽的制约.因此,有学者提出采用解耦设计来减弱SRF-PLL与电流内环之间的动态交互.通过对采用SRF-PLL的并网变换器进行小信号建模研究,可以定量分析SRF-PLL与电流控制环路之间的耦合项.因此,基于前馈补偿的思想,文献[67⇓⇓-70]提出基于并网点电压前馈的扰动补偿控制方案,从而可在不降低锁相环带宽的前提下,提升并网系统对电网阻抗变化的适应性.文献[55]则通过在锁相环中引入并网电流的一阶微分前馈项来减弱锁相环与电流环之间的动态耦合,使并网系统稳定性得以改善.值得指出的是,此类前馈补偿方案的设计依赖于系统参数,且前馈通道中所含有的相位超前环节在物理上较难实现,因此,其鲁棒性和实际应用效果仍有待进一步探究. ...
... 相比于电流环稳定控制的研究,目前,有关于锁相环与功率外环交互作用的文献报道尚较少[68],主要集中于锁相环与功率外环交互作用对并网系统稳定性影响的定性分析,相对应的稳定控制策略研究工作则鲜见.国内研究者以华中科技大学袁小明团队为代表.针对单个并网变换器,文献[57]的研究工作指出,弱电网下,PLL带宽以及输出有功功率的大小是影响直流母线电压控制稳定性的重要因素.其中,当PLL带宽与直流电压控制环路带宽接近时,两环路间的耦合作用接近最大,系统极易失稳.随并网有功功率的增大,直流电压控制稳定性恶化.进一步地,当将研究场景推广到多变换器并网,文献[58]所得结论表明,对于并联的多变换器,当其中某一变换器的有功输出增加时,整个多变换器并联系统的稳定性降低,并且有功出力相对较少的变换器具备更好的稳定性.此外,当各变换器的锁相环带宽越接近时,整个变换器并联系统的稳定性越差. ...
弱电网下考虑锁相环影响的并网逆变器改进控制方法
1
2018
... 无论是优化SRF-PLL参数,还是改进锁相环结构,为保证并网系统在弱电网下稳定运行,锁相环的带宽终究会受到电流环带宽的制约.因此,有学者提出采用解耦设计来减弱SRF-PLL与电流内环之间的动态交互.通过对采用SRF-PLL的并网变换器进行小信号建模研究,可以定量分析SRF-PLL与电流控制环路之间的耦合项.因此,基于前馈补偿的思想,文献[67⇓⇓-70]提出基于并网点电压前馈的扰动补偿控制方案,从而可在不降低锁相环带宽的前提下,提升并网系统对电网阻抗变化的适应性.文献[55]则通过在锁相环中引入并网电流的一阶微分前馈项来减弱锁相环与电流环之间的动态耦合,使并网系统稳定性得以改善.值得指出的是,此类前馈补偿方案的设计依赖于系统参数,且前馈通道中所含有的相位超前环节在物理上较难实现,因此,其鲁棒性和实际应用效果仍有待进一步探究. ...
An improved control method for grid-connected inverters considering impact of phase-locked loop under weak grid condition
1
2018
... 无论是优化SRF-PLL参数,还是改进锁相环结构,为保证并网系统在弱电网下稳定运行,锁相环的带宽终究会受到电流环带宽的制约.因此,有学者提出采用解耦设计来减弱SRF-PLL与电流内环之间的动态交互.通过对采用SRF-PLL的并网变换器进行小信号建模研究,可以定量分析SRF-PLL与电流控制环路之间的耦合项.因此,基于前馈补偿的思想,文献[67⇓⇓-70]提出基于并网点电压前馈的扰动补偿控制方案,从而可在不降低锁相环带宽的前提下,提升并网系统对电网阻抗变化的适应性.文献[55]则通过在锁相环中引入并网电流的一阶微分前馈项来减弱锁相环与电流环之间的动态耦合,使并网系统稳定性得以改善.值得指出的是,此类前馈补偿方案的设计依赖于系统参数,且前馈通道中所含有的相位超前环节在物理上较难实现,因此,其鲁棒性和实际应用效果仍有待进一步探究. ...
Stability enhancing voltage feed-forward inverter control method to reduce the effects of phase-locked loop and grid impedance
1
2021
... 无论是优化SRF-PLL参数,还是改进锁相环结构,为保证并网系统在弱电网下稳定运行,锁相环的带宽终究会受到电流环带宽的制约.因此,有学者提出采用解耦设计来减弱SRF-PLL与电流内环之间的动态交互.通过对采用SRF-PLL的并网变换器进行小信号建模研究,可以定量分析SRF-PLL与电流控制环路之间的耦合项.因此,基于前馈补偿的思想,文献[67⇓⇓-70]提出基于并网点电压前馈的扰动补偿控制方案,从而可在不降低锁相环带宽的前提下,提升并网系统对电网阻抗变化的适应性.文献[55]则通过在锁相环中引入并网电流的一阶微分前馈项来减弱锁相环与电流环之间的动态耦合,使并网系统稳定性得以改善.值得指出的是,此类前馈补偿方案的设计依赖于系统参数,且前馈通道中所含有的相位超前环节在物理上较难实现,因此,其鲁棒性和实际应用效果仍有待进一步探究. ...
并网变换器的暂态同步稳定性研究综述
1
2021
... 除自身含有非线性环节这一因素外,变换器控制系统在大扰动下表现出的控制策略切换行为也极大增加了对其进行暂态稳定性分析的难度.因此,目前对于跟网型并网变换器暂态失稳机理的探讨仍处于初级阶段[71],远未形成完整体系.众多学者对于暂态场景下跟网型并网变换器是否仍能通过锁相环与电网保持同步这一问题展开了讨论,即跟网型并网变换器的暂态同步稳定性(有关于暂态同步稳定性的详细解释及定义请参见文献[23]),本节将对这一课题下的研究工作进行总结与归纳. ...
Transient synchronization stability analysis of voltage source converters:A review
1
2021
... 除自身含有非线性环节这一因素外,变换器控制系统在大扰动下表现出的控制策略切换行为也极大增加了对其进行暂态稳定性分析的难度.因此,目前对于跟网型并网变换器暂态失稳机理的探讨仍处于初级阶段[71],远未形成完整体系.众多学者对于暂态场景下跟网型并网变换器是否仍能通过锁相环与电网保持同步这一问题展开了讨论,即跟网型并网变换器的暂态同步稳定性(有关于暂态同步稳定性的详细解释及定义请参见文献[23]),本节将对这一课题下的研究工作进行总结与归纳. ...
Domain of attraction’s estimation for grid connected converters with phase-locked loop
4
2022
... 对于跟网型并网变换器,其电流内环的动态响应时间(毫秒级)通常远小于锁相环(百毫秒级);另一方面,在电网短路故障等大扰动下,并网变换器一般切换为定电流控制模式,功率外环被暂时闭锁.基于以上事实,暂态场景下,整个变换器控制系统的动态特性将由锁相环主导[72].从而,大扰动下,图1~4所示跟网型并网变换器可等效为由锁相环动态主导的受控电流源[73]. ...
... 为判断跟网型并网变换器的暂态稳定性,目前主要的分析方法包括时域仿真法[72]、等面积法[21]以及李雅普诺夫第二法[20,72].时域仿真法基于数值积分计算,通过在给定暂态场景下模拟一种或几种故障发生时系统状态的运行轨迹来判别系统稳定性,具有准确可靠的优点.然而,一次时域仿真模拟只能给出某一情景及特定控制参数下的稳定性结论,无法从整体上给出系统运行状态的评价,如关键控制参数的可行域、系统当前状态离稳定边界的距离等信息.虽然可通过多次仿真测试刻画出系统平衡点的吸引域,但耗时巨大[72]. ...
... ,72].时域仿真法基于数值积分计算,通过在给定暂态场景下模拟一种或几种故障发生时系统状态的运行轨迹来判别系统稳定性,具有准确可靠的优点.然而,一次时域仿真模拟只能给出某一情景及特定控制参数下的稳定性结论,无法从整体上给出系统运行状态的评价,如关键控制参数的可行域、系统当前状态离稳定边界的距离等信息.虽然可通过多次仿真测试刻画出系统平衡点的吸引域,但耗时巨大[72]. ...
... [72]. ...
并网变换器的暂态同步稳定性分析:稳定域估计与镇定控制
3
2022
... 对于跟网型并网变换器,其电流内环的动态响应时间(毫秒级)通常远小于锁相环(百毫秒级);另一方面,在电网短路故障等大扰动下,并网变换器一般切换为定电流控制模式,功率外环被暂时闭锁.基于以上事实,暂态场景下,整个变换器控制系统的动态特性将由锁相环主导[72].从而,大扰动下,图1~4所示跟网型并网变换器可等效为由锁相环动态主导的受控电流源[73]. ...
... 假定矢量形式的电网电压和阻抗表示为[73] ...
... 由式(13)~(15)可得由锁相环动态主导的系统模型如图14所示[73],图14中,U0=LgIgd. ...
Transient grid-synchronization stability analysis of grid-tied voltage source converters:Stability region estimation and stabilization control
3
2022
... 对于跟网型并网变换器,其电流内环的动态响应时间(毫秒级)通常远小于锁相环(百毫秒级);另一方面,在电网短路故障等大扰动下,并网变换器一般切换为定电流控制模式,功率外环被暂时闭锁.基于以上事实,暂态场景下,整个变换器控制系统的动态特性将由锁相环主导[72].从而,大扰动下,图1~4所示跟网型并网变换器可等效为由锁相环动态主导的受控电流源[73]. ...
... 假定矢量形式的电网电压和阻抗表示为[73] ...
... 由式(13)~(15)可得由锁相环动态主导的系统模型如图14所示[73],图14中,U0=LgIgd. ...
An overview of assessment methods for synchronization stability of grid-connected converters under severe symmetrical grid faults
1
2019
... 虽然等面积法的应用当中存在物理概念清晰的加速面积与减速面积,易于理解,但是在并网系统的大范围稳定性定量分析方面,李雅普诺夫第二法(也称能量函数法)体现出更大的优势[74].利用该法可估计系统平衡点的最大吸引域,从而给出系统运行状态离稳定边界的定量信息,衡量暂态稳定裕度.不过,由于目前李雅普诺夫函数的构造并无一般性方法,得到合适的能量函数具有较大的挑战性. ...
Grid-synchronization stability improvement of large scale wind farm during severe grid fault
3
2018
... (1) 变换器注入电网的电流对并网点电压的影响程度.故障期间,如果并网电流ig的变化能引起并网点电压幅值、相位的较大变化,则变换器的同步稳定能力越差.基于这一认识,电压跌落深度越深以及电网等效短路比越小都将对变换器的暂态同步稳定性造成不利影响[75-76]. ...
... (2) 变换器注入电网的有功、无功电流大小.暂态期间锁相环的同步稳定性主要受有功电流影响,减小有功电流有利于提升暂态同步稳定性[77].另一方面,发出无功电流可抬升并网点电压,因此,无功电流的增大有利于并网变换器暂态同步稳定.事实上,文献[75]指出,当电流功率因数角与网络阻抗角相匹配时,最有利于并网变换器的暂态同步稳定. ...
... (1) 削弱并网电流和锁相环之间的耦合.低压故障期间,并网点电压有效值很小,其幅值、相位易受并网电流影响,进而给锁相环造成扰动,不利于并网变换器暂态同步稳定.因此,若设定故障期间有功/无功电流功率因数角与线路阻抗角互为相反数,即可避免并网电流大小变化造成并网点电压的相位改变[75],从而减弱并网电流和锁相环之间的耦合.更直接地,通过计算并网电流在线路阻抗上产生的压降,将其叠加到锁相环的电压输入信号中,以前馈补偿的方式消除掉并网电流和锁相环之间的耦合[80-81].此类耦合补偿方案在理论上具备良好的有效性,但在实际实现中均依赖于线路阻抗参数. ...
全功率变换风电机组的暂态稳定性分析
1
2017
... (1) 变换器注入电网的电流对并网点电压的影响程度.故障期间,如果并网电流ig的变化能引起并网点电压幅值、相位的较大变化,则变换器的同步稳定能力越差.基于这一认识,电压跌落深度越深以及电网等效短路比越小都将对变换器的暂态同步稳定性造成不利影响[75-76]. ...
Transient stability analysis of wind turbines with full-scale voltage source converter
1
2017
... (1) 变换器注入电网的电流对并网点电压的影响程度.故障期间,如果并网电流ig的变化能引起并网点电压幅值、相位的较大变化,则变换器的同步稳定能力越差.基于这一认识,电压跌落深度越深以及电网等效短路比越小都将对变换器的暂态同步稳定性造成不利影响[75-76]. ...
Effect of wind turbine output current during faults on grid voltage and the transient stability of wind parks
2
2009
... (2) 变换器注入电网的有功、无功电流大小.暂态期间锁相环的同步稳定性主要受有功电流影响,减小有功电流有利于提升暂态同步稳定性[77].另一方面,发出无功电流可抬升并网点电压,因此,无功电流的增大有利于并网变换器暂态同步稳定.事实上,文献[75]指出,当电流功率因数角与网络阻抗角相匹配时,最有利于并网变换器的暂态同步稳定. ...
... (2) 减小故障期间注入电网的有功电流.在一定程度上来说,此类方案也是为了减小并网电流和锁相环之间的耦合.由于网络阻抗中的感性成分一般远大于阻性成分,因此,有功电流对并网点电压的相位影响较大,即对锁相环造成扰动.基于这一认识,文献[77]提出一种自适应有功电流控制策略,根据电压跌落深度减小有功电流指令.文献[82]中指出,在故障发生时立即减小并网有功电流,间隔一定时间后再注入无功电流的方式有利于提升并网变换器暂态同步稳定性.此外,根据故障期间锁相环捕获的电网频率偏移值动态调整有功电流大小的方式也可有效增强并网变换器的暂态同步稳定性[83]. ...
Design-oriented transient stability analysis of PLL-synchronized voltage-source converters
2
2020
... (3) 并网变换器的控制参数对暂态同步稳定性造成影响.如第4.1节中分析谈到,跟网型并网变换器的暂态同步稳定性由PLL的非线性动态主导,因此,锁相环的参数配置对并网变换器的暂态同步稳定性影响显著.锁相环带宽越高,暂态过程中造成的频率超调越大,等效增加了线路感抗,不利于并网变换器的暂态同步稳定[78].此外,对于SRF-PLL而言,调整比例增益和积分增益以增加锁相环等效阻尼比可提升并网变换器的暂态同步稳定性[78].除锁相环外,文献[79]指出电流内环带宽的减小将不利于并网变换器的暂态同步稳定. ...
... [78].除锁相环外,文献[79]指出电流内环带宽的减小将不利于并网变换器的暂态同步稳定. ...
Impact of current transients on the synchronization stability assessment of grid-feeding converters
1
2020
... (3) 并网变换器的控制参数对暂态同步稳定性造成影响.如第4.1节中分析谈到,跟网型并网变换器的暂态同步稳定性由PLL的非线性动态主导,因此,锁相环的参数配置对并网变换器的暂态同步稳定性影响显著.锁相环带宽越高,暂态过程中造成的频率超调越大,等效增加了线路感抗,不利于并网变换器的暂态同步稳定[78].此外,对于SRF-PLL而言,调整比例增益和积分增益以增加锁相环等效阻尼比可提升并网变换器的暂态同步稳定性[78].除锁相环外,文献[79]指出电流内环带宽的减小将不利于并网变换器的暂态同步稳定. ...
Impedance-compensated grid synchronisation for extending the stability range of weak grids with voltage source converters
1
2016
... (1) 削弱并网电流和锁相环之间的耦合.低压故障期间,并网点电压有效值很小,其幅值、相位易受并网电流影响,进而给锁相环造成扰动,不利于并网变换器暂态同步稳定.因此,若设定故障期间有功/无功电流功率因数角与线路阻抗角互为相反数,即可避免并网电流大小变化造成并网点电压的相位改变[75],从而减弱并网电流和锁相环之间的耦合.更直接地,通过计算并网电流在线路阻抗上产生的压降,将其叠加到锁相环的电压输入信号中,以前馈补偿的方式消除掉并网电流和锁相环之间的耦合[80-81].此类耦合补偿方案在理论上具备良好的有效性,但在实际实现中均依赖于线路阻抗参数. ...
Minimizing inverter self-synchronization due to reactive power injection on weak grids
1
2015
... (1) 削弱并网电流和锁相环之间的耦合.低压故障期间,并网点电压有效值很小,其幅值、相位易受并网电流影响,进而给锁相环造成扰动,不利于并网变换器暂态同步稳定.因此,若设定故障期间有功/无功电流功率因数角与线路阻抗角互为相反数,即可避免并网电流大小变化造成并网点电压的相位改变[75],从而减弱并网电流和锁相环之间的耦合.更直接地,通过计算并网电流在线路阻抗上产生的压降,将其叠加到锁相环的电压输入信号中,以前馈补偿的方式消除掉并网电流和锁相环之间的耦合[80-81].此类耦合补偿方案在理论上具备良好的有效性,但在实际实现中均依赖于线路阻抗参数. ...
电网短路故障引发的全功率风电机组频率失稳机理与控制方法
1
2018
... (2) 减小故障期间注入电网的有功电流.在一定程度上来说,此类方案也是为了减小并网电流和锁相环之间的耦合.由于网络阻抗中的感性成分一般远大于阻性成分,因此,有功电流对并网点电压的相位影响较大,即对锁相环造成扰动.基于这一认识,文献[77]提出一种自适应有功电流控制策略,根据电压跌落深度减小有功电流指令.文献[82]中指出,在故障发生时立即减小并网有功电流,间隔一定时间后再注入无功电流的方式有利于提升并网变换器暂态同步稳定性.此外,根据故障期间锁相环捕获的电网频率偏移值动态调整有功电流大小的方式也可有效增强并网变换器的暂态同步稳定性[83]. ...
Mechanism of frequency instability of full-scale wind turbines caused by grid short circuit fault and its control method
1
2018
... (2) 减小故障期间注入电网的有功电流.在一定程度上来说,此类方案也是为了减小并网电流和锁相环之间的耦合.由于网络阻抗中的感性成分一般远大于阻性成分,因此,有功电流对并网点电压的相位影响较大,即对锁相环造成扰动.基于这一认识,文献[77]提出一种自适应有功电流控制策略,根据电压跌落深度减小有功电流指令.文献[82]中指出,在故障发生时立即减小并网有功电流,间隔一定时间后再注入无功电流的方式有利于提升并网变换器暂态同步稳定性.此外,根据故障期间锁相环捕获的电网频率偏移值动态调整有功电流大小的方式也可有效增强并网变换器的暂态同步稳定性[83]. ...
Transient stability analysis and enhancement of renewable energy conversion system during LVRT
1
2020
... (2) 减小故障期间注入电网的有功电流.在一定程度上来说,此类方案也是为了减小并网电流和锁相环之间的耦合.由于网络阻抗中的感性成分一般远大于阻性成分,因此,有功电流对并网点电压的相位影响较大,即对锁相环造成扰动.基于这一认识,文献[77]提出一种自适应有功电流控制策略,根据电压跌落深度减小有功电流指令.文献[82]中指出,在故障发生时立即减小并网有功电流,间隔一定时间后再注入无功电流的方式有利于提升并网变换器暂态同步稳定性.此外,根据故障期间锁相环捕获的电网频率偏移值动态调整有功电流大小的方式也可有效增强并网变换器的暂态同步稳定性[83]. ...
A fast recovery technique for grid-connected converters after short dips using a hybrid structure PLL
1
2018
... (3) 自适应调整锁相环的动态特性.暂态期间,并网变换器控制系统的动态特性由锁相环主导,可从优化锁相环动态这一方面入手.文献[84]提出当检测发现电网低电压故障时,可采用模糊控制逻辑替换锁相环中原本的PI控制器,以缩短锁相环受扰后的过渡时间.文献[85]的研究工作表明,利用锁相环检测到的并网点电压的vd和vq分量计算出vq/vd,根据该值自适应调整锁相环的积分增益,可有效增强同步稳定性.文献[86]则提出一种在线修改PI控制器比例和积分增益的方案.该方案在实现时,先离线确定某一故障情景下锁相环的最优PI参数并存储;在线控制中,视具体故障类型,通过动态查表的方式修改PI参数,使得锁相环的动态特性最优. ...
Problems of startup and phase jumps in PLL systems
1
2012
... (3) 自适应调整锁相环的动态特性.暂态期间,并网变换器控制系统的动态特性由锁相环主导,可从优化锁相环动态这一方面入手.文献[84]提出当检测发现电网低电压故障时,可采用模糊控制逻辑替换锁相环中原本的PI控制器,以缩短锁相环受扰后的过渡时间.文献[85]的研究工作表明,利用锁相环检测到的并网点电压的vd和vq分量计算出vq/vd,根据该值自适应调整锁相环的积分增益,可有效增强同步稳定性.文献[86]则提出一种在线修改PI控制器比例和积分增益的方案.该方案在实现时,先离线确定某一故障情景下锁相环的最优PI参数并存储;在线控制中,视具体故障类型,通过动态查表的方式修改PI参数,使得锁相环的动态特性最优. ...
An adaptive tuning mechanism for phase-locked loop algorithms for faster time performance of interconnected renewable energy sources
1
2015
... (3) 自适应调整锁相环的动态特性.暂态期间,并网变换器控制系统的动态特性由锁相环主导,可从优化锁相环动态这一方面入手.文献[84]提出当检测发现电网低电压故障时,可采用模糊控制逻辑替换锁相环中原本的PI控制器,以缩短锁相环受扰后的过渡时间.文献[85]的研究工作表明,利用锁相环检测到的并网点电压的vd和vq分量计算出vq/vd,根据该值自适应调整锁相环的积分增益,可有效增强同步稳定性.文献[86]则提出一种在线修改PI控制器比例和积分增益的方案.该方案在实现时,先离线确定某一故障情景下锁相环的最优PI参数并存储;在线控制中,视具体故障类型,通过动态查表的方式修改PI参数,使得锁相环的动态特性最优. ...
1
2021
... (2) 对于小扰动意义下的稳定控制研究,目前文献中所提方案大多是从优化变换器动态特性入手,适用于单台并网变换器运行稳定性的改善.如前所述,新能源并网系统的稳定控制其实是一个装备-电网协调控制问题,随着新能源渗透率的日渐升高,电网特性持续变化,装备的并网规模也不断扩大,如何从“网”侧入手,增强规模化并网装备的运行稳定性值得深入思考.如文献[87]中指出,通过在跟网型并网变换器装备群中加入组网型装备,可以提升整个装备群的并网稳定性. ...
1
2021
... (2) 对于小扰动意义下的稳定控制研究,目前文献中所提方案大多是从优化变换器动态特性入手,适用于单台并网变换器运行稳定性的改善.如前所述,新能源并网系统的稳定控制其实是一个装备-电网协调控制问题,随着新能源渗透率的日渐升高,电网特性持续变化,装备的并网规模也不断扩大,如何从“网”侧入手,增强规模化并网装备的运行稳定性值得深入思考.如文献[87]中指出,通过在跟网型并网变换器装备群中加入组网型装备,可以提升整个装备群的并网稳定性. ...