1 引言
并网逆变器需要获得高质量的电能来输送到电网,因此,在并网过程中常使用锁相环进行控制。锁相环是一种广泛应用于并网逆变器中检测频率和电网电压相位的一种方法,它能够很好地控制电能传输[1 -2 ] 。实际上,电网中总存在一些不理想的情况,包括电网电压不平衡、失真和频率变化。电压的不平衡和谐波干扰会使得到的电流质量效果较差。近十年来,锁相环(Phase-locked loop,PLL)技术已被广泛应用于电网同步和监控中。逆变器与电网相连时,两者同步最为重要[3 ] 。
同步旋转坐标系锁相环(Synchronous-reference frame phase-locked loop,SRF-PLL)常用来提取电网中的相位、频率,但在电网电压不平衡、谐波污染等状态下,SRF-PLL的检测能力不准确且存在较大误差[4 -5 ] 。文献[6 ]采用改进型锁相环SRF-PLL,虽然在电网出现故障的情况下锁相的准确性得到了提升,但是不能削弱电网中负序分量。解耦双同步旋转坐标系的锁相环(Decoupled double synchronous referonce-frame phase-locked loop,DDSRF-PLL)能够削弱电网中负序分量的影响,但其抑制谐波能力较差[7 ] 。双二阶广义积分器锁相环(Double second-order generalized integrator phase-locked loop,DSOGI-PLL)可在电网电压含负序分量或谐波含量较低的情况下锁相结果准确,误差小,但在谐波严重污染且三相不平衡强度较大的情况下,提取相位、频率的性能远远小于DDSRF-PLL。运用解耦算法的解耦双同步旋转坐标系锁相环(DDSRF-PLL)获得正负序分量是较为容易的[8 ] ,但是当电网电压含有高次谐波且电压不平衡时,检测的信号存在较大的误差,且运算速度和动态响应速度较慢。
为了解决上述问题,本文提出了一种改进型二阶广义积分锁相环,将滑动平均滤波器的一种改进算法零相位滑动平均滤波器(Zero-phase moving average filter,ZPMAF)和一阶低通滤波器(Low pass filter,LPF)应用于DSOGI-PLL中,使该锁相环可以在电网电压同时包含负序分量和直流分量时,对同步的电压信号进行精确检测,具有良好的动态响应性能。利用改进型DSOGI-PLL可实现对电网电压、相位、频率的精确跟踪,在电网电压不平衡、含有高次谐波的工况下运行稳定[9 ] 。
2 SOGI原理
SOGI-PLL首先需要相应的数学模型,SOGI是在SRF-PLL的原理上改进的,如图1 所示,SOGI为虚线框内部分。
图1
根据图1 可知,${v}'$ 和$q{v}'$ 是两个输出信号,${v}'$ 的相位要超前于$q{v}'$ ,SOGI的传递函数为
(1) ${{D}_{1}}(s)=\frac{{v}'(s)}{v(s)}=\frac{ks}{{{s}^{2}}+ks+{{\omega }^{\prime 2}}}$
(2) ${{Q}_{1}}(s)=\frac{q{v}'(s)}{v(s)}=\frac{k{{\omega }^{\prime 2}}}{{{s}^{2}}+ks+{{\omega }^{\prime 2}}}$
式中,v 为信号输入的正弦电压;k 为阻尼系数。当系统的中心频率${\omega }'$ 与输入频率ω 大小相等时,${v}'$ 和$q{v}'$ 幅值相等,并且${v}'$ 的相位、幅值等于$v$ 。
图2
(3) ${{D}_{1}}(s)={{A}_{0}}\frac{\frac{{{\omega }'}}{{{Q}_{D1}}}s}{{{s}^{2}}+\frac{{{\omega }'}}{{{Q}_{D1}}}s+{{{{\omega }'}}^{2}}}$
(4) ${{Q}_{D1}}=\frac{{{\omega }'}}{k}$
由式(4)可知,当k 一定时,D 1 (s )的品质因数和${\omega }'$ 成正比关系,所以QD 1 与输入信号的频率也有关,进而影响动态特性[10 ] 。根据图2 可知,Q 1 (s )在低频段幅值较低,不能滤除掉qv 的直流分量,且相角裕度比较低,所以传统SOGI对直流分量抑制能力比较弱,针对此问题,本文提出了一种改进型SOGI-PLL方法。
3 改进的SOGI-PLL
3.1 改进型SOGI
通过第2节式(4)对传统SOGI-PLL进行频域特性分析可知,传统SOGI-PLL对直流分量抑制能力比较弱,所以在高频段不能抑制高次谐波,根据以上分析对传统SOGI-PLL进行改进,如图3 所示,在虚线框中进行了改进,通过分离${{{\omega }'}^{2}}$ 和在$q{v}'$ 后引入反馈来抑制直流分量,低通滤波器LPF的作用是滤掉高次谐波。
图3
(5) ${{G}_{\text{LPF}}}(s)=\frac{1}{1+\tau s}$
式中,τ 为LPF阻尼系数,根据图3 可得D 2 (s )和Q 2 (s )的传递函数为
(6) ${{D}_{2}}(s)=\frac{{v}'(s)}{v(s)}=\frac{k{\omega }'s}{{{s}^{2}}+k{\omega }'s+{{{{\omega }'}}^{2}}}$
(7) ${{Q}_{2}}(s)=\frac{q{v}'(s)}{v(s)}=\frac{-k\left( \tau {\omega }'s-{{s}^{2}} \right)}{\left( {{s}^{2}}+k{\omega }'s+{{{{\omega }'}}^{2}} \right)(1+\tau s)}$
(8) ${{Q}_{D2}}=\frac{1}{k}$
由式(8)可知,频率${\omega }'$ 对改进后SOGI的品质因数影响较低。将式(8)与式(4)进行比较,得出结果QD 2 <QD 1 ,说明改进后的SOGI通频带宽比较宽,所以在锁相锁频的过程中更容易使系统保持稳定。为了进一步证明改进型SOGI和传统SOGI之间存在的差异,由图2 和图4 可以看出传统SOGI的带宽十分窄,对频率的依赖很强,而改进的SOGI对频率依赖要小。
图4
根据现代控制理论,高频段应满足频率自适应性,进而才能提高抗干扰能力。所以改进后的SOGI不仅能有效地抑制输入信号的直流分量,而且还能有效地抑制高频分量[11 -12 ] 。并且由于LPF的加入,使锁相环的相角裕度增大,在基频上没有明显的延迟,所以锁相环的性能得到了提升[13 ] 。
3.2 改进型ZPMAF-SOGI-PLL结构
在电网发生故障时,如果存在谐波干扰,则必须先将谐波成分排除掉,才能得到电网电压基波正序分量。MAF在一定条件下可用作理想低通滤波器,可将MAF的输出信号表示为[14 ]
(9) $\bar{x}\text{(}t)=\frac{1}{{{T}_{w}}}\int_{\ t-{{T}_{w}}}^{\ t}{x\text{(}\tau )d\tau }$
对输出MAF从t -T w 时刻到t 时刻对x (τ )进行积分,得到MAF的传递函数可表示为
(10) ${{G}_{MAF}}\text{(}s)=\frac{\bar{x}\text{(}s)}{x\text{(}s)}=\frac{1-exp(-{{T}_{w}}s)}{{{T}_{w}}s}$
式中,$exp(-{{T}_{w}}s)\approx \frac{1-{{T}_{w}}s/2}{1+{{T}_{w}}s/2}$ ,即G MAF 可简化为
(11) ${{G}_{MAF}}\text{(}s)\approx \frac{1}{1+{{T}_{w}}s/2}$
将$s=j{{\omega }_{M}}$ 代入式(11),得到幅相频特性为
(12) $\left| {{G}_{MAF}}\text{(}j{{\omega }_{M}}) \right|=\frac{\sqrt{2}}{{{\omega }_{M}}{{T}_{w}}}\sqrt{1-\cos \text{(}{{\omega }_{M}}{{T}_{w}})}$
(13) $\phi \left[ {{G}_{MAF}}\text{(}j{{\omega }_{M}}) \right]=-\frac{{{\omega }_{M}}{{T}_{w}}}{2}$
T w 是MAF设计中最重要的一个参数,对T w 进行设置时必须在MAF的动态响应速度和滤波性能之间进行设置。通常以滤除电网中所包含的最低次主要谐波频率作为T w 的选择原则。文献[7 ]为了消除不平衡电网电压产生的基波负序分量,将T w 设置为电网基频周期T 的一半,即T /2,这虽然增强了MAF的滤波能力,但降低了其动态响应速度,故提出了一种ZPMAF算法,G ZPMAF 为改进型MAF的一种表达形式,其表达式为
(14) ${{G}_{\text{ZPMAF}}}(s)=\frac{2(\pi s+{{\omega }_{c}})}{2{{\omega }_{c}}+s{{T}_{w}}}$
根据式(11)和式(14)画出频率特性图,如图5 所示,根据图5 可知,ZPMAF的响应更快,稳定性更好。把MAF应用到SOGI-PLL中,当电网电压含有谐波时,可以滤除谐波,还可以有效地提取正、负序分量[15 ] 。将SOGI-PLL提取的频率ω 0 反馈到MAF中,还可以使SOGI-PLL具有频率自适应的功能。
图5
(15) $\nu_\alpha^+=\nu_\alpha^\prime-q\nu_\beta^\prime$
(16) $v_{\mathrm{ }\!\!\beta\!\!\text{ }}^{+}=q{{{v}'}_{\mathrm{ }\!\!\alpha\!\!\text{ }}}+{{{v}'}_{\mathrm{ }\!\!\beta\!\!\text{ }}}$
式中,$\nu_\alpha^\prime$和$\nu_\beta^\prime$为正交基波信号,关系如图6 所示。
图6
综合以上分析,将改进型SOGI-PLL应用到LCL并网逆变器控制侧,改进型SOGI-PLL在三相电压不平衡和含有高次谐波情况下锁相结果比传统的SOGI-PLL更加准确。
4 系统控制策略
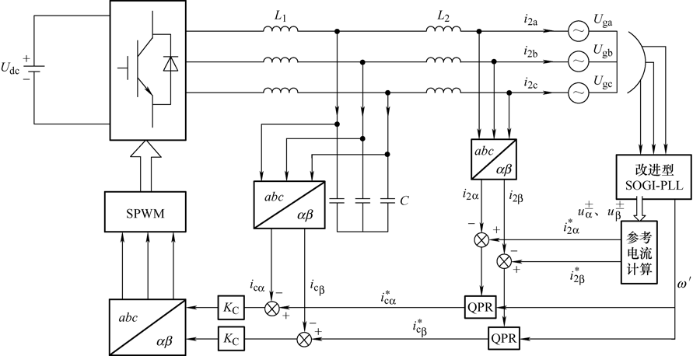
LCL型并网逆变器经常在dq 和αβ 坐标系中用到准比例谐振(Quasi-proportional resonance,QPR)电流控制的方法[16 -17 ] 。如图7 所示,在QPR控制策略中,使用改进SOGI-PLL提取电压的正序和负序分量,借助PLL快速准确地检测电网相位。将QPR控制器用作并网电流外环控制器[18 ] ,其传递函数如下
(17) ${{G}_{QPR}}\text{(}s)={{K}_{P}}+\frac{2{{K}_{R}}{{\omega }_{c}}s}{{{s}^{2}}+2{{\omega }_{c}}s+{{\omega }_{0}}^{2}}$
式中,ω c 为截止频率;K P 是比例系数;K R 是谐振系数,将QPR的控制方法与传统的比例谐振(Proportional resonance,PR)控制[19 ] 进行比较,得到伯德图如图8 所示。
图7
图8
如图8 所示,QPR控制器很好地解决了PR控制在基波频率下增益无穷大和增益带宽不足的问题。所以QPR控制不但可以实现对谐振频率信号的无静差跟踪控制,而且可以有效地抑制电网谐波,提高系统运行稳定性。
5 Simulink仿真和试验验证
根据图7 ,利用Matlab/Simulink搭建改进型SOGI-PLL在三相电压不平衡、电网电压中注入高次谐波工况下的仿真模型,搭建成功后与文献[1 ]提到的改进SRF-PLL进行对比。模型中主要参数如表1 所示。
5.1 三相电压不平衡
在电网中,三相电压不平衡是一种常见的故障,一旦发生故障,图9 是A、B、C三相电压依次在0.1 s处下降70%的仿真波形。文献[1 ]提到的改进型SRF-PLL相位向上移动,且频率不稳定。改进型SOGI-PLL能有效检测三相电网电压不平衡时的正序分量,并且可以在电网电压不平衡的情况下精确获得相位和频率。由图6 可知电网电压相位v α + 和v β + 通过帕克变换得到v d 、v q ,再经过PI等环节得到θ+ ,根据式(15)、式(16)和图10 ,对改进型SOGI-PLL和改进型SRF-PLL正序分量分析,通过图9 可以看到,改进型SRF-PLL电压相位向上移动而改进型SOGI-PLL没有向上移动,向上移动会影响θ+ 的准确输出,说明改进SOGI-PLL可以解决电网电压相位瞬时增大或减小的问题。相比于SRF-PLL,改进型SOGI-PLL谐波含量为1.89%,而SRF-PLL谐波含量26.51%,通过图10 对改进型SOGI-PLL和改进型SRF-PLL的THD和并网电流进行分析可知,改进SOGI-PLL谐波含量低,可以有效提高并网的稳定性。
图9
图10
5.2 电网电压中注入高次谐波
为了验证改进型SOGI-PLL的抗谐波能力,图11 为A、B、C三相中注入幅值为30的25次、29次和33次谐波,图12 显示了系统的仿真波形。仿真证明,文献[1 ]提到的改进型SRF-PLL不能准确地检测到需要的正序基本成分且存在谐波含量较大的问题。改进型SOGI-PLL能准确地检测到需要的正序基本成分,检测到的锁相频率稳定且超调小,改进后的SOGI-PLL与SRF-PLL的并网逆变电流谐波含量相差2.81%,说明改进型SOGI-PLL可以有效抑制高次谐波。
图11
图12
5.3 试验验证
在理论和仿真验证的基础上,搭建了一台功率为100 W的试验样机,如图13 所示,采用电网模拟器对电网电压信号进模拟,其采样频率为12.5 kHz。
图13
采用STM32F103对改进型SOGI-PLL算法分别在电压跌落幅度为70%的情况下和A、B、C三相中注入幅值为30的高次谐波的工况下进行试验。
由图14 、图15 可见,通过三相电压的不平衡试验和三相电压注入谐波试验的结果可知,改进型SRF-PLL并网电流的谐波含量比改进型SOGI-PLL并网电流的谐波含量要高。所得到的试验结果与仿真结果基本保持一致,验证了本文提出的改进型SOGI-PLL能够使LCL并网逆变器输出稳定可靠的电流进行准确并网,进而说明了电网正序分量同步方法的正确性和有效性。
图14
图15
6 结论
本文提出了一种零相位滑动平均滤波器二阶广义积分锁相环(Zero-phase moving average filter second-order generalized integrator phase locked loop,ZPMAF-SOGI-PLL),通过仿真和试验证明该锁相环在并网逆变过程中的可行性。
(1) 通过不平衡电压与高次谐波试验说明了该锁相环在实际应用中具有可实施性,并在并网逆变器的控制系统中通过了验证。
(2) 提出改进型SOGI-PLL方法能够将重要的参数在非理想条件下准确无误差地检测出相位、频率和正负序分量等参数。
(3) 通过这些参数使逆变器输出的电流谐波含量在三相电压不平衡的情况下从4.25%降低至1.89%,在含有高次谐波的情况下从5.52%降低至2.71%,进而使LCL型并网逆变器更加稳定、安全地运行。
参考文献
View Option
[1]
GOLESTAN S , EBRAHIMZADEH E , WEN B , et al . dq-frame impedance modeling of three-phase grid-tied voltage source converters equipped with advanced PLLs
[J]. IEEE Transactions on Power Electronics , 2021 , 36 (3 ):3524 -3539 .
DOI:10.1109/TPEL.63
URL
[本文引用: 4]
[2]
张烨 , 田慕琴 , 宋建成 , 等 . 弱电网下计及锁相环影响的并网逆变器输出阻抗重塑
[J]. 高电压技术 , 2021 , 47 (11 ):4033 -4044 .
[本文引用: 1]
ZHANG Ye , TIAN Muqin , SONG Jiancheng , et al . Output impedance remodeling of grid-connected inverter under weak current and PLL
[J]. High Voltage Engineering , 2021 , 47 (11 ):4033 -4044 .
[本文引用: 1]
[3]
许津铭 , 卞申一阳 , 钱浩 , 等 . 弱电网下单相并网逆变器延时锁相环的鲁棒控制及优化方法
[J]. 中国电机工程学报 , 2020 , 40 (7 ):2062 -2070 .
[本文引用: 1]
XU Jinming , BIAN Shenyiyang , QIAN Hao , et al . Robust control and optimization method of delay phase locked loop for single phase grid connected inverter in weak current network
[J]. Proceedings of the CSEE , 2020 , 40 (7 ):2062 -2070 .
[本文引用: 1]
[4]
余永奎 , 李华 , 刘俊峰 . 基于固定频率二阶广义积分器的单相锁频环
[J]. 电力系统及其自动化学报 , 2020 , 32 (9 ):86 -93 .
[本文引用: 1]
YU Yongkui , LI Hua , LIU Junfeng . Single-phase frequency locking loop based on fixed-frequency second-order generalized integrator
[J]. Proceedings of the CSU-EPSA , 2020 , 32 (9 ):86 -93 .
[本文引用: 1]
[5]
YANG Han , CHEN Hao , LI Zipeng , et al . Stability analysis for the grid-connected single-phase asymmetrical cascaded multilevel inverter with SRF-PI current control under weak grid conditions
[J]. IEEE Transactions on Power Electronics , 2019 , 34 (3 ):2052 -2069 .
DOI:10.1109/TPEL.2018.2867610
URL
[本文引用: 1]
[6]
薛慧杰 , 文晓燕 , 王晓辉 , 等 . 基于改进SRF-PLL的微网电压同步技术研究
[J]. 太阳能学报 , 2017 , 38 (9 ):2412 -2417 .
[本文引用: 1]
XUE Huijie , WEN Xiaoyan , WANG Xiaohui , et al . Research on microgrid voltage synchronization technology based on improved SRF-PLL
[J]. Acta Solar Energy Sinica , 2017 , 38 (9 ):2412 -2417 .
[本文引用: 1]
[7]
周立 , 张静 . 一种改进型一阶广义积分锁频环的研究
[J]. 电源学报 , 2017 , 15 (6 ):62 -67 .
DOI:10.13234/j.issn.2095-2805.2017.6.62
[本文引用: 2]
稳定可靠的并网控制策略是提高光伏逆变器故障穿越能力的关键,对锁相技术的研究尤为重要。提出一种改进型一阶广义积分锁频环FOGI-FLL(frequency-locked loop based on first order generalized integrator)技术,首先利用滑动平均滤波器MAF(moving average filter)滤除电网电压中的谐波分量,消除谐波对FOGI-FLL的影响,再利用FOGI-FLL进行基波正、负序分离。仿真结果表明:在发生谐波畸变的电网中,所提出的方法能够在电网电压不平衡、频率突变和相位跳变的故障情况下,准确提取出电网电压的基波正、负序分量,并快速跟踪电网频率和相位。
ZHOU Li , ZHANG Jing. Research on an improved first order generalized integral frequency locked loop
[J]. Journal of Power Supply , 2017 , 15 (6 ):62 -67 .
DOI:10.13234/j.issn.2095-2805.2017.6.62
[本文引用: 2]
Stable and reliable grid connected control strategy is the key to improve the fault ride through capability of photovoltaic inverter, which is especially important for the research of phase lock technique. This paper proposes an improved frequency-locked loop based on first order generalized integrator(FOGI-FLL). First through moving average filter(MAF), it can eliminate the harmonics and the impact of harmonics effectively in grid voltage. Then, the positive and negative sequence voltage are separated by FOGI-FLL. Simulation results show that the proposed method can accurately extract the fundamental positive and negative sequence components of the grid voltage, and rapidly track the frequency and phase of the grid in the harmonic distortion grid, when the grid voltage is unbalanced, the frequency changes and the phase jump occurs.
[8]
回楠木 , 王大志 , 李云路 . 复杂电网下基于双改进型SOGI的三相并网锁相环
[J]. 仪器仪表学报 , 2018 , 39 (4 ):123 -132 .
[本文引用: 1]
HUI Nanmu , WANG Dazhi , LI Yunlu . Three phase grid connected PLL based on double improved SOGI in complex power grid
[J]. Chinese Journal of Scientific Instrument , 2018 , 39 (4 ):123 -132 .
[本文引用: 1]
[9]
YU Jingrong , SHI Wenshuai , LI Jianmin , et al . A discrete-time non-adaptive SOGI-based frequency-locked loop
[J]. IEEE Transactions on Power Systems , 2020 , 35 (6 ):4912 -4915 .
DOI:10.1109/TPWRS.59
URL
[本文引用: 1]
[10]
张纯江 , 赵晓君 , 郭忠南 , 等 . 二阶广义积分器的三种改进结构及其锁相环应用对比分析
[J]. 电工技术学报 , 2017 , 32 (22 ):42 -49 .
[本文引用: 1]
ZHANG Chunjiang , ZHAO Xiaojun , GUO Zhongnan , et al . Comparative analysis of three improved structures of second-order generalized integrator and their PLL applications
[J]. Transactions of China Electrotechnical Society , 2017 , 32 (22 ):42 -49 .
[本文引用: 1]
[11]
GOLESTAN S , GUERRERO J M , VASQUEZ J C . Single-phase PLLs:A review of recent advances
[J]. IEEE Transactions on Power Electronics , 2017 , 32 (12 ):9013 -9030 .
DOI:10.1109/TPEL.2017.2653861
URL
[本文引用: 1]
[12]
SAEED G , SEYYED Y M , JOSEP M , et al . A critical examination of frequency-fixed second-order generalized integrator-based phase-locked loops
[J]. IEEE Transactions on Power Electronics , 2017 , 32 (9 ):6666 -6672 .
DOI:10.1109/TPEL.2017.2674973
URL
[本文引用: 1]
[13]
FIRDOUS U N , NISHANT K , BIKASH C P , et al . Enhanced SOGI controller for weak grid integrated solar PV system
[J]. IEEE Transactions on Energy Conversion , 2020 , 35 (3 ):1208 -1217 .
DOI:10.1109/TEC.60
URL
[本文引用: 1]
[14]
GUDE S , CHU C C . Three-phase PLLs by using frequency adaptive multiple delayed signal cancellation prefilters under adverse grid conditions
[J]. IEEE Transactions on Industry Applications , 2018 , 54 (4 ):3832 -3844 .
DOI:10.1109/TIA.28
URL
[本文引用: 1]
[15]
高家元 , 肖凡 , 姜飞 , 等 . 弱电网下具有新型PLL结构的并网逆变器阻抗相位重塑控制
[J]. 中国电机工程学报 , 2020 , 40 (20 ):6682 -6693 .
[本文引用: 1]
GAO Jiayuan , XIAO Fan , JIANG Fei , et al . Impedance phase reshaping control of grid connected inverter with new PLL structure in weak current network
[J]. Proceedings of the CSEE , 2020 , 40 (20 ):6682 -6693 .
[本文引用: 1]
[16]
侯虚虚 , 秦岭 , 茅靖峰 , 等 . 两级式单相光伏并网逆变器输入电压PI+QPR鲁棒控制器设计
[J]. 电网技术 , 2017 , 41 (9 ):2910 -2918 .
[本文引用: 1]
HOU Xuxu , QIN Ling , MAO Jingfeng , et al . The input voltage PI+QPR robust controller design of two-stage single-phase photovoltaic grid-connected inverter
[J]. Power System Technology , 2017 , 41 (9 ):2910 -2918 .
[本文引用: 1]
[17]
刘宇翔 , 滕青芳 . 基于QPR调节器谐波补偿的并网逆变器控制研究
[J]. 兰州交通大学学报 , 2020 , 39 (3 ):67 -74 .
[本文引用: 1]
LIU Yuxiang , TENG Qingfang . Research on grid-connected inverter control based on harmonic compensation of QPR regulator
[J]. Journal of Lanzhou Jiaotong University , 2020 , 39 (3 ):67 -74 .
[本文引用: 1]
[18]
康家玉 , 王旭 , 王素娥 , 等 . 一种基于H6 桥单相光伏并网逆变器控制策略的研究
[J]. 可再生能源 , 2016 , 34 (8 ):1144 -1150 .
[本文引用: 1]
KANG Jiayu , WANG Xu , WANG Sue , et al . A study on the control strategy of H6 bridge single-phase photovoltaic grid connected inverter
[J]. Renewable Energy Resources , 2016 , 34 (8 ):1144 -1150 .
[本文引用: 1]
[19]
王弈赫 , 张佰富 , 韩肖清 , 等 . 基于频域RGA原理的多并联三相逆变器间交互影响分析
[J]. 高电压技术 , 2021 , 47 (10 ):1 -14 .
[本文引用: 1]
WANG Yihe , ZHANG Baifu , HAN Xiaoqing , et al . Analysis of interaction between multiple parallel three-phase inverters based on frequency domain RGA principle
[J]. High Voltage Engineering , 2021 , 47 (10 ):1 -14 .
[本文引用: 1]
dq-frame impedance modeling of three-phase grid-tied voltage source converters equipped with advanced PLLs
4
2021
... 并网逆变器需要获得高质量的电能来输送到电网,因此,在并网过程中常使用锁相环进行控制.锁相环是一种广泛应用于并网逆变器中检测频率和电网电压相位的一种方法,它能够很好地控制电能传输[1 -2 ] .实际上,电网中总存在一些不理想的情况,包括电网电压不平衡、失真和频率变化.电压的不平衡和谐波干扰会使得到的电流质量效果较差.近十年来,锁相环(Phase-locked loop,PLL)技术已被广泛应用于电网同步和监控中.逆变器与电网相连时,两者同步最为重要[3 ] . ...
... 根据图7 ,利用Matlab/Simulink搭建改进型SOGI-PLL在三相电压不平衡、电网电压中注入高次谐波工况下的仿真模型,搭建成功后与文献[1 ]提到的改进SRF-PLL进行对比.模型中主要参数如表1 所示. ...
... 在电网中,三相电压不平衡是一种常见的故障,一旦发生故障,图9 是A、B、C三相电压依次在0.1 s处下降70%的仿真波形.文献[1 ]提到的改进型SRF-PLL相位向上移动,且频率不稳定.改进型SOGI-PLL能有效检测三相电网电压不平衡时的正序分量,并且可以在电网电压不平衡的情况下精确获得相位和频率.由图6 可知电网电压相位v α + 和v β + 通过帕克变换得到v d 、v q ,再经过PI等环节得到θ+ ,根据式(15)、式(16)和图10 ,对改进型SOGI-PLL和改进型SRF-PLL正序分量分析,通过图9 可以看到,改进型SRF-PLL电压相位向上移动而改进型SOGI-PLL没有向上移动,向上移动会影响θ+ 的准确输出,说明改进SOGI-PLL可以解决电网电压相位瞬时增大或减小的问题.相比于SRF-PLL,改进型SOGI-PLL谐波含量为1.89%,而SRF-PLL谐波含量26.51%,通过图10 对改进型SOGI-PLL和改进型SRF-PLL的THD和并网电流进行分析可知,改进SOGI-PLL谐波含量低,可以有效提高并网的稳定性. ...
... 为了验证改进型SOGI-PLL的抗谐波能力,图11 为A、B、C三相中注入幅值为30的25次、29次和33次谐波,图12 显示了系统的仿真波形.仿真证明,文献[1 ]提到的改进型SRF-PLL不能准确地检测到需要的正序基本成分且存在谐波含量较大的问题.改进型SOGI-PLL能准确地检测到需要的正序基本成分,检测到的锁相频率稳定且超调小,改进后的SOGI-PLL与SRF-PLL的并网逆变电流谐波含量相差2.81%,说明改进型SOGI-PLL可以有效抑制高次谐波. ...
弱电网下计及锁相环影响的并网逆变器输出阻抗重塑
1
2021
... 并网逆变器需要获得高质量的电能来输送到电网,因此,在并网过程中常使用锁相环进行控制.锁相环是一种广泛应用于并网逆变器中检测频率和电网电压相位的一种方法,它能够很好地控制电能传输[1 -2 ] .实际上,电网中总存在一些不理想的情况,包括电网电压不平衡、失真和频率变化.电压的不平衡和谐波干扰会使得到的电流质量效果较差.近十年来,锁相环(Phase-locked loop,PLL)技术已被广泛应用于电网同步和监控中.逆变器与电网相连时,两者同步最为重要[3 ] . ...
Output impedance remodeling of grid-connected inverter under weak current and PLL
1
2021
... 并网逆变器需要获得高质量的电能来输送到电网,因此,在并网过程中常使用锁相环进行控制.锁相环是一种广泛应用于并网逆变器中检测频率和电网电压相位的一种方法,它能够很好地控制电能传输[1 -2 ] .实际上,电网中总存在一些不理想的情况,包括电网电压不平衡、失真和频率变化.电压的不平衡和谐波干扰会使得到的电流质量效果较差.近十年来,锁相环(Phase-locked loop,PLL)技术已被广泛应用于电网同步和监控中.逆变器与电网相连时,两者同步最为重要[3 ] . ...
弱电网下单相并网逆变器延时锁相环的鲁棒控制及优化方法
1
2020
... 并网逆变器需要获得高质量的电能来输送到电网,因此,在并网过程中常使用锁相环进行控制.锁相环是一种广泛应用于并网逆变器中检测频率和电网电压相位的一种方法,它能够很好地控制电能传输[1 -2 ] .实际上,电网中总存在一些不理想的情况,包括电网电压不平衡、失真和频率变化.电压的不平衡和谐波干扰会使得到的电流质量效果较差.近十年来,锁相环(Phase-locked loop,PLL)技术已被广泛应用于电网同步和监控中.逆变器与电网相连时,两者同步最为重要[3 ] . ...
Robust control and optimization method of delay phase locked loop for single phase grid connected inverter in weak current network
1
2020
... 并网逆变器需要获得高质量的电能来输送到电网,因此,在并网过程中常使用锁相环进行控制.锁相环是一种广泛应用于并网逆变器中检测频率和电网电压相位的一种方法,它能够很好地控制电能传输[1 -2 ] .实际上,电网中总存在一些不理想的情况,包括电网电压不平衡、失真和频率变化.电压的不平衡和谐波干扰会使得到的电流质量效果较差.近十年来,锁相环(Phase-locked loop,PLL)技术已被广泛应用于电网同步和监控中.逆变器与电网相连时,两者同步最为重要[3 ] . ...
基于固定频率二阶广义积分器的单相锁频环
1
2020
... 同步旋转坐标系锁相环(Synchronous-reference frame phase-locked loop,SRF-PLL)常用来提取电网中的相位、频率,但在电网电压不平衡、谐波污染等状态下,SRF-PLL的检测能力不准确且存在较大误差[4 -5 ] .文献[6 ]采用改进型锁相环SRF-PLL,虽然在电网出现故障的情况下锁相的准确性得到了提升,但是不能削弱电网中负序分量.解耦双同步旋转坐标系的锁相环(Decoupled double synchronous referonce-frame phase-locked loop,DDSRF-PLL)能够削弱电网中负序分量的影响,但其抑制谐波能力较差[7 ] .双二阶广义积分器锁相环(Double second-order generalized integrator phase-locked loop,DSOGI-PLL)可在电网电压含负序分量或谐波含量较低的情况下锁相结果准确,误差小,但在谐波严重污染且三相不平衡强度较大的情况下,提取相位、频率的性能远远小于DDSRF-PLL.运用解耦算法的解耦双同步旋转坐标系锁相环(DDSRF-PLL)获得正负序分量是较为容易的[8 ] ,但是当电网电压含有高次谐波且电压不平衡时,检测的信号存在较大的误差,且运算速度和动态响应速度较慢. ...
Single-phase frequency locking loop based on fixed-frequency second-order generalized integrator
1
2020
... 同步旋转坐标系锁相环(Synchronous-reference frame phase-locked loop,SRF-PLL)常用来提取电网中的相位、频率,但在电网电压不平衡、谐波污染等状态下,SRF-PLL的检测能力不准确且存在较大误差[4 -5 ] .文献[6 ]采用改进型锁相环SRF-PLL,虽然在电网出现故障的情况下锁相的准确性得到了提升,但是不能削弱电网中负序分量.解耦双同步旋转坐标系的锁相环(Decoupled double synchronous referonce-frame phase-locked loop,DDSRF-PLL)能够削弱电网中负序分量的影响,但其抑制谐波能力较差[7 ] .双二阶广义积分器锁相环(Double second-order generalized integrator phase-locked loop,DSOGI-PLL)可在电网电压含负序分量或谐波含量较低的情况下锁相结果准确,误差小,但在谐波严重污染且三相不平衡强度较大的情况下,提取相位、频率的性能远远小于DDSRF-PLL.运用解耦算法的解耦双同步旋转坐标系锁相环(DDSRF-PLL)获得正负序分量是较为容易的[8 ] ,但是当电网电压含有高次谐波且电压不平衡时,检测的信号存在较大的误差,且运算速度和动态响应速度较慢. ...
Stability analysis for the grid-connected single-phase asymmetrical cascaded multilevel inverter with SRF-PI current control under weak grid conditions
1
2019
... 同步旋转坐标系锁相环(Synchronous-reference frame phase-locked loop,SRF-PLL)常用来提取电网中的相位、频率,但在电网电压不平衡、谐波污染等状态下,SRF-PLL的检测能力不准确且存在较大误差[4 -5 ] .文献[6 ]采用改进型锁相环SRF-PLL,虽然在电网出现故障的情况下锁相的准确性得到了提升,但是不能削弱电网中负序分量.解耦双同步旋转坐标系的锁相环(Decoupled double synchronous referonce-frame phase-locked loop,DDSRF-PLL)能够削弱电网中负序分量的影响,但其抑制谐波能力较差[7 ] .双二阶广义积分器锁相环(Double second-order generalized integrator phase-locked loop,DSOGI-PLL)可在电网电压含负序分量或谐波含量较低的情况下锁相结果准确,误差小,但在谐波严重污染且三相不平衡强度较大的情况下,提取相位、频率的性能远远小于DDSRF-PLL.运用解耦算法的解耦双同步旋转坐标系锁相环(DDSRF-PLL)获得正负序分量是较为容易的[8 ] ,但是当电网电压含有高次谐波且电压不平衡时,检测的信号存在较大的误差,且运算速度和动态响应速度较慢. ...
基于改进SRF-PLL的微网电压同步技术研究
1
2017
... 同步旋转坐标系锁相环(Synchronous-reference frame phase-locked loop,SRF-PLL)常用来提取电网中的相位、频率,但在电网电压不平衡、谐波污染等状态下,SRF-PLL的检测能力不准确且存在较大误差[4 -5 ] .文献[6 ]采用改进型锁相环SRF-PLL,虽然在电网出现故障的情况下锁相的准确性得到了提升,但是不能削弱电网中负序分量.解耦双同步旋转坐标系的锁相环(Decoupled double synchronous referonce-frame phase-locked loop,DDSRF-PLL)能够削弱电网中负序分量的影响,但其抑制谐波能力较差[7 ] .双二阶广义积分器锁相环(Double second-order generalized integrator phase-locked loop,DSOGI-PLL)可在电网电压含负序分量或谐波含量较低的情况下锁相结果准确,误差小,但在谐波严重污染且三相不平衡强度较大的情况下,提取相位、频率的性能远远小于DDSRF-PLL.运用解耦算法的解耦双同步旋转坐标系锁相环(DDSRF-PLL)获得正负序分量是较为容易的[8 ] ,但是当电网电压含有高次谐波且电压不平衡时,检测的信号存在较大的误差,且运算速度和动态响应速度较慢. ...
Research on microgrid voltage synchronization technology based on improved SRF-PLL
1
2017
... 同步旋转坐标系锁相环(Synchronous-reference frame phase-locked loop,SRF-PLL)常用来提取电网中的相位、频率,但在电网电压不平衡、谐波污染等状态下,SRF-PLL的检测能力不准确且存在较大误差[4 -5 ] .文献[6 ]采用改进型锁相环SRF-PLL,虽然在电网出现故障的情况下锁相的准确性得到了提升,但是不能削弱电网中负序分量.解耦双同步旋转坐标系的锁相环(Decoupled double synchronous referonce-frame phase-locked loop,DDSRF-PLL)能够削弱电网中负序分量的影响,但其抑制谐波能力较差[7 ] .双二阶广义积分器锁相环(Double second-order generalized integrator phase-locked loop,DSOGI-PLL)可在电网电压含负序分量或谐波含量较低的情况下锁相结果准确,误差小,但在谐波严重污染且三相不平衡强度较大的情况下,提取相位、频率的性能远远小于DDSRF-PLL.运用解耦算法的解耦双同步旋转坐标系锁相环(DDSRF-PLL)获得正负序分量是较为容易的[8 ] ,但是当电网电压含有高次谐波且电压不平衡时,检测的信号存在较大的误差,且运算速度和动态响应速度较慢. ...
一种改进型一阶广义积分锁频环的研究
2
2017
... 同步旋转坐标系锁相环(Synchronous-reference frame phase-locked loop,SRF-PLL)常用来提取电网中的相位、频率,但在电网电压不平衡、谐波污染等状态下,SRF-PLL的检测能力不准确且存在较大误差[4 -5 ] .文献[6 ]采用改进型锁相环SRF-PLL,虽然在电网出现故障的情况下锁相的准确性得到了提升,但是不能削弱电网中负序分量.解耦双同步旋转坐标系的锁相环(Decoupled double synchronous referonce-frame phase-locked loop,DDSRF-PLL)能够削弱电网中负序分量的影响,但其抑制谐波能力较差[7 ] .双二阶广义积分器锁相环(Double second-order generalized integrator phase-locked loop,DSOGI-PLL)可在电网电压含负序分量或谐波含量较低的情况下锁相结果准确,误差小,但在谐波严重污染且三相不平衡强度较大的情况下,提取相位、频率的性能远远小于DDSRF-PLL.运用解耦算法的解耦双同步旋转坐标系锁相环(DDSRF-PLL)获得正负序分量是较为容易的[8 ] ,但是当电网电压含有高次谐波且电压不平衡时,检测的信号存在较大的误差,且运算速度和动态响应速度较慢. ...
... T w 是MAF设计中最重要的一个参数,对T w 进行设置时必须在MAF的动态响应速度和滤波性能之间进行设置.通常以滤除电网中所包含的最低次主要谐波频率作为T w 的选择原则.文献[7 ]为了消除不平衡电网电压产生的基波负序分量,将T w 设置为电网基频周期T 的一半,即T /2,这虽然增强了MAF的滤波能力,但降低了其动态响应速度,故提出了一种ZPMAF算法,G ZPMAF 为改进型MAF的一种表达形式,其表达式为 ...
ZHANG Jing. Research on an improved first order generalized integral frequency locked loop
2
2017
... 同步旋转坐标系锁相环(Synchronous-reference frame phase-locked loop,SRF-PLL)常用来提取电网中的相位、频率,但在电网电压不平衡、谐波污染等状态下,SRF-PLL的检测能力不准确且存在较大误差[4 -5 ] .文献[6 ]采用改进型锁相环SRF-PLL,虽然在电网出现故障的情况下锁相的准确性得到了提升,但是不能削弱电网中负序分量.解耦双同步旋转坐标系的锁相环(Decoupled double synchronous referonce-frame phase-locked loop,DDSRF-PLL)能够削弱电网中负序分量的影响,但其抑制谐波能力较差[7 ] .双二阶广义积分器锁相环(Double second-order generalized integrator phase-locked loop,DSOGI-PLL)可在电网电压含负序分量或谐波含量较低的情况下锁相结果准确,误差小,但在谐波严重污染且三相不平衡强度较大的情况下,提取相位、频率的性能远远小于DDSRF-PLL.运用解耦算法的解耦双同步旋转坐标系锁相环(DDSRF-PLL)获得正负序分量是较为容易的[8 ] ,但是当电网电压含有高次谐波且电压不平衡时,检测的信号存在较大的误差,且运算速度和动态响应速度较慢. ...
... T w 是MAF设计中最重要的一个参数,对T w 进行设置时必须在MAF的动态响应速度和滤波性能之间进行设置.通常以滤除电网中所包含的最低次主要谐波频率作为T w 的选择原则.文献[7 ]为了消除不平衡电网电压产生的基波负序分量,将T w 设置为电网基频周期T 的一半,即T /2,这虽然增强了MAF的滤波能力,但降低了其动态响应速度,故提出了一种ZPMAF算法,G ZPMAF 为改进型MAF的一种表达形式,其表达式为 ...
复杂电网下基于双改进型SOGI的三相并网锁相环
1
2018
... 同步旋转坐标系锁相环(Synchronous-reference frame phase-locked loop,SRF-PLL)常用来提取电网中的相位、频率,但在电网电压不平衡、谐波污染等状态下,SRF-PLL的检测能力不准确且存在较大误差[4 -5 ] .文献[6 ]采用改进型锁相环SRF-PLL,虽然在电网出现故障的情况下锁相的准确性得到了提升,但是不能削弱电网中负序分量.解耦双同步旋转坐标系的锁相环(Decoupled double synchronous referonce-frame phase-locked loop,DDSRF-PLL)能够削弱电网中负序分量的影响,但其抑制谐波能力较差[7 ] .双二阶广义积分器锁相环(Double second-order generalized integrator phase-locked loop,DSOGI-PLL)可在电网电压含负序分量或谐波含量较低的情况下锁相结果准确,误差小,但在谐波严重污染且三相不平衡强度较大的情况下,提取相位、频率的性能远远小于DDSRF-PLL.运用解耦算法的解耦双同步旋转坐标系锁相环(DDSRF-PLL)获得正负序分量是较为容易的[8 ] ,但是当电网电压含有高次谐波且电压不平衡时,检测的信号存在较大的误差,且运算速度和动态响应速度较慢. ...
Three phase grid connected PLL based on double improved SOGI in complex power grid
1
2018
... 同步旋转坐标系锁相环(Synchronous-reference frame phase-locked loop,SRF-PLL)常用来提取电网中的相位、频率,但在电网电压不平衡、谐波污染等状态下,SRF-PLL的检测能力不准确且存在较大误差[4 -5 ] .文献[6 ]采用改进型锁相环SRF-PLL,虽然在电网出现故障的情况下锁相的准确性得到了提升,但是不能削弱电网中负序分量.解耦双同步旋转坐标系的锁相环(Decoupled double synchronous referonce-frame phase-locked loop,DDSRF-PLL)能够削弱电网中负序分量的影响,但其抑制谐波能力较差[7 ] .双二阶广义积分器锁相环(Double second-order generalized integrator phase-locked loop,DSOGI-PLL)可在电网电压含负序分量或谐波含量较低的情况下锁相结果准确,误差小,但在谐波严重污染且三相不平衡强度较大的情况下,提取相位、频率的性能远远小于DDSRF-PLL.运用解耦算法的解耦双同步旋转坐标系锁相环(DDSRF-PLL)获得正负序分量是较为容易的[8 ] ,但是当电网电压含有高次谐波且电压不平衡时,检测的信号存在较大的误差,且运算速度和动态响应速度较慢. ...
A discrete-time non-adaptive SOGI-based frequency-locked loop
1
2020
... 为了解决上述问题,本文提出了一种改进型二阶广义积分锁相环,将滑动平均滤波器的一种改进算法零相位滑动平均滤波器(Zero-phase moving average filter,ZPMAF)和一阶低通滤波器(Low pass filter,LPF)应用于DSOGI-PLL中,使该锁相环可以在电网电压同时包含负序分量和直流分量时,对同步的电压信号进行精确检测,具有良好的动态响应性能.利用改进型DSOGI-PLL可实现对电网电压、相位、频率的精确跟踪,在电网电压不平衡、含有高次谐波的工况下运行稳定[9 ] . ...
二阶广义积分器的三种改进结构及其锁相环应用对比分析
1
2017
... 由式(4)可知,当k 一定时,D 1 (s )的品质因数和${\omega }'$ 成正比关系,所以QD 1 与输入信号的频率也有关,进而影响动态特性[10 ] .根据图2 可知,Q 1 (s )在低频段幅值较低,不能滤除掉qv 的直流分量,且相角裕度比较低,所以传统SOGI对直流分量抑制能力比较弱,针对此问题,本文提出了一种改进型SOGI-PLL方法. ...
Comparative analysis of three improved structures of second-order generalized integrator and their PLL applications
1
2017
... 由式(4)可知,当k 一定时,D 1 (s )的品质因数和${\omega }'$ 成正比关系,所以QD 1 与输入信号的频率也有关,进而影响动态特性[10 ] .根据图2 可知,Q 1 (s )在低频段幅值较低,不能滤除掉qv 的直流分量,且相角裕度比较低,所以传统SOGI对直流分量抑制能力比较弱,针对此问题,本文提出了一种改进型SOGI-PLL方法. ...
Single-phase PLLs:A review of recent advances
1
2017
... 根据现代控制理论,高频段应满足频率自适应性,进而才能提高抗干扰能力.所以改进后的SOGI不仅能有效地抑制输入信号的直流分量,而且还能有效地抑制高频分量[11 -12 ] .并且由于LPF的加入,使锁相环的相角裕度增大,在基频上没有明显的延迟,所以锁相环的性能得到了提升[13 ] . ...
A critical examination of frequency-fixed second-order generalized integrator-based phase-locked loops
1
2017
... 根据现代控制理论,高频段应满足频率自适应性,进而才能提高抗干扰能力.所以改进后的SOGI不仅能有效地抑制输入信号的直流分量,而且还能有效地抑制高频分量[11 -12 ] .并且由于LPF的加入,使锁相环的相角裕度增大,在基频上没有明显的延迟,所以锁相环的性能得到了提升[13 ] . ...
Enhanced SOGI controller for weak grid integrated solar PV system
1
2020
... 根据现代控制理论,高频段应满足频率自适应性,进而才能提高抗干扰能力.所以改进后的SOGI不仅能有效地抑制输入信号的直流分量,而且还能有效地抑制高频分量[11 -12 ] .并且由于LPF的加入,使锁相环的相角裕度增大,在基频上没有明显的延迟,所以锁相环的性能得到了提升[13 ] . ...
Three-phase PLLs by using frequency adaptive multiple delayed signal cancellation prefilters under adverse grid conditions
1
2018
... 在电网发生故障时,如果存在谐波干扰,则必须先将谐波成分排除掉,才能得到电网电压基波正序分量.MAF在一定条件下可用作理想低通滤波器,可将MAF的输出信号表示为[14 ] ...
弱电网下具有新型PLL结构的并网逆变器阻抗相位重塑控制
1
2020
... 根据式(11)和式(14)画出频率特性图,如图5 所示,根据图5 可知,ZPMAF的响应更快,稳定性更好.把MAF应用到SOGI-PLL中,当电网电压含有谐波时,可以滤除谐波,还可以有效地提取正、负序分量[15 ] .将SOGI-PLL提取的频率ω 0 反馈到MAF中,还可以使SOGI-PLL具有频率自适应的功能. ...
Impedance phase reshaping control of grid connected inverter with new PLL structure in weak current network
1
2020
... 根据式(11)和式(14)画出频率特性图,如图5 所示,根据图5 可知,ZPMAF的响应更快,稳定性更好.把MAF应用到SOGI-PLL中,当电网电压含有谐波时,可以滤除谐波,还可以有效地提取正、负序分量[15 ] .将SOGI-PLL提取的频率ω 0 反馈到MAF中,还可以使SOGI-PLL具有频率自适应的功能. ...
两级式单相光伏并网逆变器输入电压PI+QPR鲁棒控制器设计
1
2017
... LCL型并网逆变器经常在dq 和αβ 坐标系中用到准比例谐振(Quasi-proportional resonance,QPR)电流控制的方法[16 -17 ] .如图7 所示,在QPR控制策略中,使用改进SOGI-PLL提取电压的正序和负序分量,借助PLL快速准确地检测电网相位.将QPR控制器用作并网电流外环控制器[18 ] ,其传递函数如下 ...
The input voltage PI+QPR robust controller design of two-stage single-phase photovoltaic grid-connected inverter
1
2017
... LCL型并网逆变器经常在dq 和αβ 坐标系中用到准比例谐振(Quasi-proportional resonance,QPR)电流控制的方法[16 -17 ] .如图7 所示,在QPR控制策略中,使用改进SOGI-PLL提取电压的正序和负序分量,借助PLL快速准确地检测电网相位.将QPR控制器用作并网电流外环控制器[18 ] ,其传递函数如下 ...
基于QPR调节器谐波补偿的并网逆变器控制研究
1
2020
... LCL型并网逆变器经常在dq 和αβ 坐标系中用到准比例谐振(Quasi-proportional resonance,QPR)电流控制的方法[16 -17 ] .如图7 所示,在QPR控制策略中,使用改进SOGI-PLL提取电压的正序和负序分量,借助PLL快速准确地检测电网相位.将QPR控制器用作并网电流外环控制器[18 ] ,其传递函数如下 ...
Research on grid-connected inverter control based on harmonic compensation of QPR regulator
1
2020
... LCL型并网逆变器经常在dq 和αβ 坐标系中用到准比例谐振(Quasi-proportional resonance,QPR)电流控制的方法[16 -17 ] .如图7 所示,在QPR控制策略中,使用改进SOGI-PLL提取电压的正序和负序分量,借助PLL快速准确地检测电网相位.将QPR控制器用作并网电流外环控制器[18 ] ,其传递函数如下 ...
一种基于H6 桥单相光伏并网逆变器控制策略的研究
1
2016
... LCL型并网逆变器经常在dq 和αβ 坐标系中用到准比例谐振(Quasi-proportional resonance,QPR)电流控制的方法[16 -17 ] .如图7 所示,在QPR控制策略中,使用改进SOGI-PLL提取电压的正序和负序分量,借助PLL快速准确地检测电网相位.将QPR控制器用作并网电流外环控制器[18 ] ,其传递函数如下 ...
A study on the control strategy of H6 bridge single-phase photovoltaic grid connected inverter
1
2016
... LCL型并网逆变器经常在dq 和αβ 坐标系中用到准比例谐振(Quasi-proportional resonance,QPR)电流控制的方法[16 -17 ] .如图7 所示,在QPR控制策略中,使用改进SOGI-PLL提取电压的正序和负序分量,借助PLL快速准确地检测电网相位.将QPR控制器用作并网电流外环控制器[18 ] ,其传递函数如下 ...
基于频域RGA原理的多并联三相逆变器间交互影响分析
1
2021
... 式中,ω c 为截止频率;K P 是比例系数;K R 是谐振系数,将QPR的控制方法与传统的比例谐振(Proportional resonance,PR)控制[19 ] 进行比较,得到伯德图如图8 所示. ...
Analysis of interaction between multiple parallel three-phase inverters based on frequency domain RGA principle
1
2021
... 式中,ω c 为截止频率;K P 是比例系数;K R 是谐振系数,将QPR的控制方法与传统的比例谐振(Proportional resonance,PR)控制[19 ] 进行比较,得到伯德图如图8 所示. ...