零相位滑动平均滤波器锁相环在LCL型逆变器中的应用*
周立, 刘一鸣, 刘金澍, 李京明

Application of Zero Phase Moving Average Filter in LCL Inverter
ZHOU Li, LIU Yiming, LIU Jinshu, LI Jingming
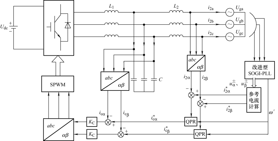
图7 电流控制的结构图