1 引言
交直流混合微电网能够以更高的效率和更好的兼容性,有效地解决各种交直流负载、分布式电源和分布式存储的集成问题[1 -2 ] 。从结构上看交直流母线将系统分为三个部分,分别是交流子微网,直流子微网和双向互联变流器(Bidirectional interlinking converter,BIC)。在全球范围内,已有多个交直流混合微电网项目得到了验证,其中包括荷兰Bronsbergen假日公园[3 ] 、欧洲超级电网[4 ] 等。在交直流混合微电网中,BIC作为连接交流和直流母线的纽带,主要实现交、直流侧微电网间功率双向流动[5 ] 。随着分布式电源数量以及负荷的不断增加,要求BIC将具有更高的功率处理能力。由于单个BIC功率受限,常采用多并联BIC结构以满足微电网不断扩容的需求[6 ] 。
在交直流混合微电网能源管理方面,特别是在孤岛系统中,研究人员已做了大量研究[7 -8 ] 。其中,常采用下垂控制策略调节交直流微电网中各分布式电源的功率分配[9 ⇓ -11 ] ,但该策略无法用于多并联BIC之间的功率分配;文献[12 ]提出一种分布式自适应修正的下垂控制策略,然而该方法需要在通信中传输50 Hz范围的交流电流信息,同样不适合于BIC结构。文献[13 ]中下垂控制被分配到系统的变换器中,以实现对直流子微网电压调节,但仅用于能量的单向流动。文献[14 ]中直流微电网通过BIC接入电网,同样仅实现功率单向流动。文献[15 ]提出了一种自治运行下垂控制策略。上述方案均无法保证两子微网负荷在稳态下均匀分配。
与单个BIC控制方案不同,交直流混合微电网中多并联BIC间存在严重的环流问题,导致系统损耗增加,甚至损坏开关器件。文献[16 ]对环流产生机理进行详细研究,但数学表达式过于复杂,物理概念不清晰。文献[17 ]通过实时调节下垂系数实现对环流的抑制,但下垂系数的变化影响了输出电压质量。文献[18 ]通过减少线路阻抗差异来抑制变换器之间的环流,但该方法引入的虚拟阻尼只呈现感性,与线路阻抗的阻感特性不匹配。文献[19 ]提出了一种无差拍的电流控制方法,通过零序电流反馈量控制变换器的零序电压,从而有效抑制环流,但该方法难于应用于多台并联的场合。
针对上述问题,本文提出了一种适用于交直流混合微电网中多并联BIC运行的分布式电源管理控制策略。其中每个BIC具有独立的局部分布式控制器,均可检测到网侧公共频率。通过局部分布式控制实现交流和直流子微网间的负荷平衡;根据每个BIC不同的额定功率处理能力,精确实现功率按比例双向流动。通过零矢量前馈控制实现对BIC间的环流抑制,并提出虚拟BIC概念将其应用至多并联BIC中环流控制中,加强环流抑制效果。此外,本文所提出的局部分布式控制可实现模块化设计,一旦新增BIC控制器完成本地调优,即可实现功率传输,从而有利于在实际工程中的广泛 应用。
2 多并联BIC的控制原理
图1 为交直流混合微电网结构示意图,由交流子微网、直流子微网和多并联BIC三部分组成。
图1
2.1 BIC的功率流动分析
根据传统电力系统理论,得到交、直流子微网下垂控制方程
(1) ${{f}_{\text{ac}}}={{f}_{\text{acmax}}}-aP_{\text{ac}}^{M}\ \ \ P_{\text{ac}}^{M}=\sum\limits_{i=1}^{m}{P_{\text{ac}i}^{M}}\ \ \ {{P}_{\text{ac}}}=\sum\limits_{i=1}^{m}{{{P}_{\text{ac}j}}}$
(2) ${{V}_{\text{dc}}}={{V}_{\text{dcmax}}}-dP_{\text{dc}}^{M}\ \ \ P_{\text{dc}}^{M}=\sum\limits_{j=1}^{n}{P_{\text{dc}j}^{M}}\ \ \ {{P}_{\text{dc}}}=\sum\limits_{j=1}^{n}{{{P}_{\text{dc}j}}}$
式中,f ac 、f acmax 、$P_{\text{ac}}^{M}$ 分别为交流子微网网侧频率、最大网侧频率、有功功率;V dcmax 、$P_{\text{dc}}^{M}$ 分别为直流子微网最大输出电压、有功功率;a 、d 分别为等效交流和直流侧有功功率的下垂系数,表示为
(3) $a={{\left( \sum\limits_{i=1}^{m}{a_{pi}^{-1}} \right)}^{-1}}=\frac{{{f}_{\text{acmax}}}-{{f}_{\text{acmin}}}}{{{P}_{\text{acmax}}}}\ \ \ \ {{P}_{\text{acmax}}}=\sum\limits_{i=1}^{m}{{{P}_{\text{ac}i\max }}}$
(4) $d={{\left( \sum\limits_{j=1}^{n}{d_{j}^{-1}} \right)}^{-1}}=\frac{{{V}_{\text{dcmax}}}-{{V}_{\text{dcmin}}}}{{{P}_{\text{dcmax}}}}\ \ \ \ {{P}_{\text{dcmax}}}=\sum\limits_{j=1}^{n}{{{P}_{\text{dc}j\max }}}$
式中,P acmax 和P dcmax 分别为两子微网的最大有功功率。交直流侧负荷状态可分别定义为
(5) $\text{FZ}\left( {{f}_{\text{ac}}} \right)=\frac{{{f}_{\text{ac}}}-{{f}_{\text{acmax}}}}{{{f}_{\text{acmax}}}-{{f}_{\text{acmin}}}}\ \ \ \ \text{FZ}\left( {{V}_{\text{dc}}} \right)=\frac{{{V}_{\text{dc}}}-{{V}_{\text{dcmax}}}}{{{V}_{\text{dcmax}}}-{{V}_{\text{dcmin}}}}$
以FZ(V dc )>FZ(f ac )为例,为实现交、直流侧功率平衡,将FZ(V dc )与FZ(f ac )差值通过分配特定权重比,计算出给定有功功率参考值ΔP BICs 。无论负载处于轻载和重载状态,仅需保证FZ(V dc )-FZ(f ac )不为零,就能够控制BIC使得功率由轻负荷子微网流向另一侧,最终使整个系统将稳定在某一工作点,即FZ(V dc )=FZ(f ac )。因此,根据式(1)和式(2),考虑ΔP BICs 影响可得出
(6) ${{f}_{\text{ac}}}={{f}_{\text{acmax}}}-a(P_{\text{ac}}^{M}-\Delta P_{\text{BICs}}^{M})$
(7) ${{V}_{\text{dc}}}={{V}_{\text{dcmax}}}-d(P_{\text{dc}}^{M}+\Delta P_{\text{BICs}}^{M})$
式中,$\Delta P_{\text{BICs}}^{M}$ 为流经BIC的瞬时功率,定义由交流流入直流子微网为正方向。联立式(5)~(7),得到
(8) $\text{FZ}({{f}_{\text{ac}}})=\frac{-P_{\text{ac}}^{M}+\Delta P_{\text{BICs}}^{M}}{{{P}_{\text{acmax}}}}$
(9) $\text{FZ}({{V}_{\text{dc}}})=\frac{-P_{\text{dc}}^{M}-\Delta P_{\text{BICs}}^{M}}{{{P}_{\text{dcmax}}}}$
(10) $\Delta P_{\text{BICs}}^{M}=\frac{P_{\text{ac}}^{M}{{P}_{\text{dcmax}}}-P_{\text{dc}}^{M}{{P}_{\text{acmax}}}}{{{P}_{\text{dcmax}}}+{{P}_{\text{acmax}}}}$
根据上述推导,可利用BIC将交流子微网等效为直流子微网负载,同样直流子微网等效为交流子微网的电源。故应该由所有直流侧子微网提供,并根据各自比例分配给所有交流子微网。
2.2 局部分布式控制器
考虑到多个BIC具有不同的额定功率,交流和直流子微网功率分配策略可推广至BIC中。如图2 所示,每个BIC采用局部分布式控制,该控制器按特定比例传输到BIC各自的参考功率,从而实现BIC之间功率分配。
图2
在设计控制器时,由于ΔP BICs 必须由BIC传输,为避免单个BIC过载,选择一个控制目标作为所有BIC功率参考总和,即ΔP BICs ,然后按比例分别给定到各个BIC上。
(11) $\Delta {{P}_{\text{BICs}}}=\sum\limits_{k=1}^{x}{{{P}_{kref}}}\ \ \ \ {{P}_{\max }}=\sum\limits_{k=1}^{x}{{{P}_{k\max }}}$
(12) $\begin{align} & \ \ \ {{P}_{1\text{ref}}}=\Delta {{P}_{\text{BICs}}}\frac{{{P}_{1\max }}}{{{P}_{\max }}},\cdots,{{P}_{k\text{ref}}}= \\ & \Delta {{P}_{\text{BICs}}}\frac{{{P}_{k\max }}}{{{P}_{\max }}},\cdots,{{P}_{x\text{ref}}}=\Delta {{P}_{\text{BICs}}}\frac{{{P}_{x\max }}}{{{P}_{\max }}} \\ \end{align}$
经前文分析可知,为实现功率分配需要获取f ac 和V dc 。由于交流子微网中仅存在一个基波频率,所有BIC均可接收到同一个f ac 和交流侧负荷状态。为了提高系统的可扩展性,BIC中所采用的通信方式不应该过于复杂。因此,除了式(12)的约束外,直流母线V dc 仅通过主控BIC接收,其他BIC分别通过采集相邻信息实现与主控BIC同步。当主控BIC出现故障时,会将主控身份分配至其余任意指定BIC模块,从而使系统具有即插即用功能。
为了实现上述目标,针对BICk 设计了局部分布式控制器
(13) $\left\{ \begin{align} & \Delta {{P}_{\text{BICs}}}={{G}_{d}}\sum\limits_{k=1}^{x}{({{k}_{kp}}{{e}_{k}}+{{k}_{ki}}\int{{{e}_{k}}dt})} \\ & {{P}_{k\text{ref}}}=\Delta {{P}_{\text{BICs}}}\frac{{{P}_{k\max }}}{{{P}_{\max }}} \\ & {{e}_{\text{FZ}}}=\text{FZ}({{V}_{\text{dc}}})-\text{FZ}({{f}_{\text{ac}}}) \\ & {{e}_{k}}={{g}_{k}}{{e}_{\text{FZ}}} \\ \end{align} \right.$
式中,gk 为控制增益;ek 为误差信号;ΔP BICs 为整个BIC所需给定的功率;Pk ref 为BICk 的功率给定值;由于PI控制器的作用,当系统稳态运行时,$\left| \text{FZ}({{V}_{\text{dc}}})-\text{FZ}({{f}_{\text{ac}}}) \right|$ 值近似为零,每个BIC的给定功率按各自比例分配。
2.3 电流补偿器设计及环流控制
根据文献[20 ]中对两并联BIC数学模型分析,得出多并联BIC中第n 个BIC的零序电流表达式
(14) $\frac{d{{i}_{\text{z}n}}}{dt}=\frac{{{u}_{\text{dc}}}}{{{L}_{n}}}\frac{\sum\limits_{i=1}^{n-\text{1}}{\frac{{{d}_{\text{z}i}}-{{d}_{\text{z}n}}}{{{L}_{i}}}}}{\sum\limits_{i=1}^{n}{\frac{1}{{{L}_{i}}}}}$
由式(14)可知,第n 个BIC零序电流由第n 个BIC与其他BIC零序占空比差值以及第n 个BIC滤波电感决定的。尽管不同BIC之间占空比差异较小,但仍会产生环流。
图3 是SVPWM中零矢量修正图[18 ] ,为控制环流,在BIC的零矢量中添加修正值y ,经计算得到第i 个BIC的零矢量占空比为
(15) $\begin{align} & \ \ \ \ \ \ \ \ \ \ \ \ \ \ \ \ \ \ \ \ {{d}_{\text{z}i}}={{d}_{\text{a}i}}+{{d}_{\text{b}i}}+{{d}_{\text{c}i}}= \\ & ({{d}_{\text{1}i}}+{{d}_{\text{2}i}}+\frac{{{d}_{\text{0}i}}}{2}-2y{}_{i})+({{d}_{\text{2}i}}+\frac{{{d}_{\text{0}i}}}{2}-2{{y}_{i}})+(\frac{{{d}_{\text{0}i}}}{2}-2{{y}_{i}})=\ \\ \end{align} {{d}_{\text{1}i}}+2{{d}_{\text{2}i}}+\frac{3}{2}{{d}_{\text{0}i}}-6{{y}_{i}}=\frac{1}{2}(-{{d}_{\text{1}i}}+{{d}_{\text{2}i}}-12{{y}_{i}})$.
由式(14)和式(15),得到第n 个BIC零矢量校正后的环流表达式
(16) $\frac{\mathrm{d} i_{z n}}{\mathrm{~d} t}=\frac{3 u_{\mathrm{dc}}}{L_{n}} \frac{\sum_{i=1}^{n-1} \frac{1}{L_{i}}}{L_{i} L_{n_{-} \mathrm{sum}}}\left(y_{i}-\frac{\sum_{i=1}^{n-1} \frac{y_{i}}{L_{i}}-\frac{1}{12} \sum_{i=1}^{n-1} \frac{\Delta d_{\text {in }}}{L_{i}}}{L_{(n-1)_{-} \mathrm{sum}}}\right)=\frac{3 u_{\mathrm{dc}}}{L_{n}^{\prime}}\left(y_{n}-\bar{y}_{n}+\frac{1}{12} \Delta \bar{d}_{n}\right)$
(17) $\left\{\begin{array}{l}L_{n_{-} \text {sum }}=\sum_{i=1}^{n} \frac{1}{L_{i}} \\ \bar{y}_{n}=\sum_{i=1}^{n-1} \frac{y_{i}}{L_{i}} / L_{(n-1)_{-} \mathrm{sum}} \\ L_{n}^{\prime}=L_{n} \cdot L_{n_{-} \mathrm{sum}} / L_{(n-1)_{-} \mathrm{sum}} \\ \Delta \bar{d}_{n}=\sum_{i=1}^{n-1} \frac{\Delta d_{\mathrm{in}}}{L_{i}} / L_{(n-1)_{2} \mathrm{sum}} \\ \Delta d_{\text {in }}=-d_{1 i}+d_{2 i}+d_{1 \mathrm{n}}-d_{2 \mathrm{n}}\end{array}\right.$
图3
第n 个BIC零序电流的等效物理模型可看作一个有扰动的一阶系统。环流控制一般采用PI控制器,但该控制忽略了扰动量$\left( -{{\overline{y}}_{n}}+1/12\Delta {{\overline{d}}_{n}} \right)$ 的干扰。其中,${{\overline{y}}_{n}}$ 由其他并联BIC的环流控制器产生,$\Delta {{\overline{d}}_{n}}$ 的干扰由不同模块间零矢量占空比差值产生。另外并联BIC间的线路滤波、参考电流和电流控制器动态响应的不同,会导致占空比的不同。
为了消除干扰的影响,本文采用基于SVPWM零矢量电压修正法进行环流抑制。由于环流控制回路中的扰动是由并联BIC占空比与滤波电感差值决定,为增强环流抑制效果,因此在传统PI环流控制器引入前馈项y nf 。如图4 所示,其中T d 为当前采样延迟,T PWM 为PWM时间常数。多并联前馈项可表示为
(18) ${{y}_{\text{nf}}}={{\overline{y}}_{n}}-\frac{1}{12}\Delta {{\overline{d}}_{n}}=\frac{\sum\limits_{i=1}^{n-\text{1}}{\frac{{{y}_{i}}}{{{L}_{i}}}-\frac{1}{12}}\sum\limits_{i=1}^{n-\text{1}}{\frac{\Delta {{d}_{\text{in}}}}{{{L}_{i}}}}}{{{L}_{\text{(}n-\text{1)}\_\text{sum}}}}$
图4
利用零矢量前馈,对扰动进行补偿。在多并联BIC中,零序电流的物理模型可以转化为理想一阶系统。与PI控制器相比,零矢量前馈PI控制器具有更好的环流抑制能力。采用零矢量前馈控制来抵消不同占空比和滤波电感的干扰。第n 个BIC零序电流控制框图如图4 所示。
任意BIC环流等效模型为含有两个扰动量ΔD 12(s )/12和${{\overline{Y}}_{n}}$ 的一阶系统,作为前馈量消除产生的干扰。控制器可表示为
(19) ${{Y}_{n}}=({{K}_{\text{p}n}}+\frac{{{K}_{\text{I}n}}}{s})({{i}_{\text{zn }\!\!\_\!\!\text{ ref}}}-{{i}_{\text{z}n}})-(-{{\overline{Y}}_{n}}(s)+\frac{1}{12}\Delta {{\overline{D}}_{n}}(s))$
多并联BIC的零矢量前馈法比两模块并联BIC更为复杂。由文献[21 ]可知,在一个PWM周期内,每个并联BIC都需要非零矢量、环流控制器的输出以及所有并联BIC的滤波电感,并且环流控制器之间会相互影响。因此,在多并联BIC中应采用环流控制器的协调控制策略。
为了将零矢量前馈方法推广到多并联BIC系统,提出了一种虚拟BIC前馈计算方法,其控制框图如图5 所示。
图5
由图5 可知,BIC1中无环流控制器。BIC2中环流控制器仅需要控制BIC1和BIC2的占空比,与其他运行状态及参数无关。前两个BIC的非零矢量差值由前馈补偿,PI控制器用于抑制已有的环流,因此BIC1和BIC2之间环流能够得到有效抑制。BIC1和BIC2可看作一个虚拟BIC(虚拟BIC2);而在第三个变换器中,只考虑BIC3与虚拟BIC2之间的环流,同理类推。本文仅使用前三个BIC的状态进行计算验证。通过PI和零矢量前馈控制器将虚拟BIC2与BIC3之间的环流抑制为零。同样,该方法可以推广到n 并联BIC。前n -1个BIC为虚拟BICn -1,前n -1个BIC之间无环流。
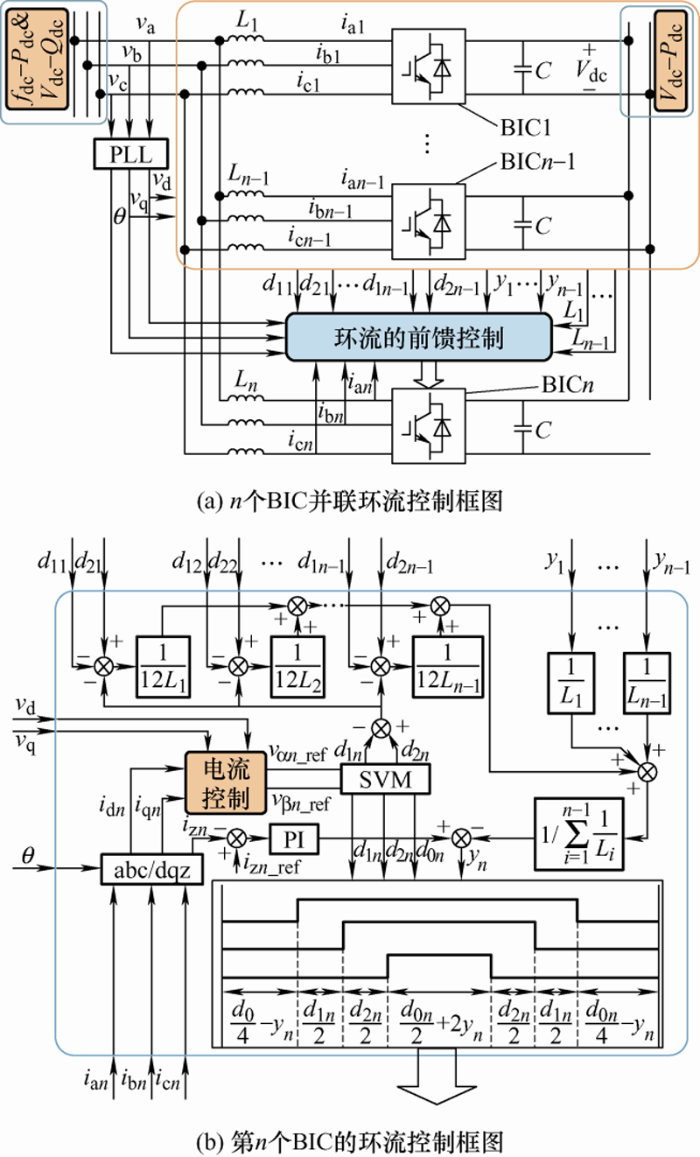
采用n 个并联BIC的系统控制框图如图6 所示,其中图6 b为第n 个BIC模块控制框图。BIC1环流不需要控制,y 1 =0。其他n -1个BIC修正值yi 可通过图4 中给出的反馈控制计算得到。经零矢量修正值yi ,n -1个BIC中非零矢量占空比和第n 个BIC中零序电流i z n 计算可得yn 。
图6
3 BIC功率流动整体控制框图
基于局部分布式控制和多并联BIC环流控制策略,构建出系统总控制框图,如图7 所示,虚线框内为主拓扑图,BICk 框图中k =1,2,3,即三台BIC并联;实线框内包括交直流微电网和BIC的控制框图。为了降低模型验证的复杂度,交流子微网中简化为一个基于电压源型逆变器的分布式发电装置,采用下垂控制策略,实现功率分配以及获取参考输出电压,然后将参考输出电压输入到传统的双闭环控制系统。直流子微网简化为一个基于Boost直流变换器的分布式发电装置,含有直流下垂控制环路,电压外环控制环路和电流内环控制环路。
图7
BICk 控制目的是实现交、直流子微网间的功率流动。首先通过锁相环采集基波频率f ac ,并测量直流电压V dc 。将f ac 和V dc 标幺化作差,经PI控制器得到ΔP BICs ,并通过对三个并联BIC额定功率值进行设定,可实现BIC功率按比例分配。此外,采用零矢量前馈控制实现对BICk 间环流的抑制。
4 仿真与试验分析
为了验证所提出多并联BIC控制策略的可行性,在Matlab/Simulink中搭建了多并联BIC交直流混合微电网仿真系统,包括交流侧DC/AC,直流侧DC/DC和三台并联BIC,主要参数见表1 。
图8 给出了三台BIC同时启动,然后依次将非主导BIC脱离系统的波形图。图8 a所示,首先运行交、直流子微网,BIC不运行,交流负荷功率为20.01 kW,频率约为50.01 Hz;直流负荷功率为30.02 kW,电压约为695.0 V。显然,此时交流负荷小于直流负荷,当启动BIC后,交流子微网将向直流子微网提供部分功率,最终两侧发电功率均稳定为25.03 kW。交流侧频率和直流侧电压分别稳定为49.76 Hz和697.5 V。三台BIC传输功率分别约为-0.82 kW,-1.66 kW,-2.49 kW,能够准确地按额定功率比例1∶2∶3分配传输功率。如图8 b、8c所示,当依次切断BIC3 和BIC2 ,其余BIC按额定功率比例承担剩余所需传输功率,以保持交直流侧负荷稳定。综上所述,文中所提出的控制策略可实现交直流侧功率根据不同功率等级的BIC比例进行功率分配,且具有即插即用的功能。
图8
在图8 a的基础上将主控位置由BIC1 转换为BIC2 ,其结果如图9 所示。不难看出BIC1 变为0 kW,而BIC2 和BIC3 分别变为-2.02 kW和-2.99 kW,在此过程中交、直流子微网提供的功率始终保持稳定。因此验证了本文控制策略具有较好的容错性。
图9
图10 验证了该控制策略可实现系统中功率双向流动。在图8 a稳定运行的基础上在交流侧增加15 kW的负载功率,交流侧频率下降至49.38 Hz,直流侧电压下降至693.7 V,交直流侧功率波动后均稳定在32.56 kW,BIC功率分别上升,由反向流动变为正向流动的0.42 kW、0.83 kW和1.26 kW,可发现该控制策略能实现功率双向流动,其输出功率比值仍保持为1∶2∶3,再次验证了功率可按比例分配。
图10
图11 a为图10 基础上BIC电流变化,电流幅值大小和BIC功率流动量相对应,通过缩短时间刻度可看出电压幅值基本稳定在311 V,各BIC电流幅值大小约为1.76 A、3.54 A和5.31 A,比值为1∶2∶3,且电流基本未发生畸变。图11 b采用传统PI环流控制,对比发现,在不同滤波电感参数情况下上文提出的环流抑制方法可提高多并联BIC环流的抑制效果。
图11
为进一步验证控制策略的有效性,利用硬件在环试验平台上对所建立的多并联BIC交直流混合微电网进行实时仿真运行,图12 为硬件在环仿真试验平台。分别对系统中功率按比例分配、功率双向流动和环流抑制效果进行验证。
图12
运行交直流侧子微网至稳定状态,同时启动并联BIC后主要变量变化如图13 a、13b所示,当系统接入并联BIC后,由于交直流侧负荷不平衡,直流侧负荷功率由30.01 kW减至25.01 kW,交流侧由20.02 kW增至25.01 kW,交直流两侧负荷达到平衡状态。同时,直流侧电压由695.0 V增至697.5 V,交流侧频率由50 Hz降至49.75 Hz。三台BIC传输功率分别为:-0.83 kW,-1.63 kW,-2.51 kW,比值约为1∶2∶3,与额定功率比例一致。当突然关闭BIC3后,如图13 c所示,BIC1与BIC2仍按比例分配传输功率。从而进一步验证了本文控制策略能够实现BIC功率按比例分配以及具有即插即用的功能。
图13
以图13 稳定运行为基础,在交流侧增加15 kW功率负荷,如图14 所示。交、直流侧功率在0.3 s内均达到稳定平衡状态,即P ac =P dc =32.52 kW,交流侧频率和直流侧电压分别下降至49.38 Hz和693.7 V。三台BIC传输功率分别由-0.83 kW、-1.63 kW、-2.51 kW增至0.42 kW、0.83 kW、1.26 kW,比值仍为1∶2∶3。
图14
为了验证零矢量控制策略对环流的抑制效果,在图14 的基础上对BIC电压电流波形展开分析,如图15 所示。交流电压幅值约为311 V,电流波形正弦化,畸变较小,BIC1 、BIC2 、BIC3 中a相电流幅值比约为1∶2∶3。
图15
综上所述,从图13 ~15中可知,硬件在环试验结果和仿真结果具有较高的一致性,从而验证了本文所提出控制策略的正确性和有效性。
5 结论
本文在传统下垂控制基础上,提出了一种局部分布式控制策略,从而实现交直流混合微电网中多级并联BIC的功率按比例分配;其次,后级基于零矢量前馈控制策略,提出虚拟BIC概念实现多并联系统中的环流抑制,通过仿真和试验得到以下结论。
(1) 文中所采用的控制策略可实现多并联BIC功率高精度分配,误差控制在100 W以内。
(2) 针对多并联BIC中滤波电感参数的差异性,仍能较好地实现环流抑制,具有良好的鲁棒性。
参考文献
View Option
[1]
ZHOU Quan , SHAHIDEHPOUR M , LI Zhiyi , et al. Compartmentalization strategy for the optimal economic operation of a hybrid ac/dc microgrid
[J]. IEEE Transactions on Power Systems , 2020 , 35 (2 ):1294 -1304 .
DOI:10.1109/TPWRS.2019.2942273
URL
[本文引用: 1]
[2]
施静容 , 李勇 , 贺悝 , 等 . 一种提升交直流混合微电网动态特性的综合惯量控制方法
[J]. 电工技术学报 , 2020 , 35 (2 ):337 -345 .
[本文引用: 1]
SHI Jingrong , LI Yong , HE Li , et al. A comprehensive inertia control method for improving the dynamic characteristics of hybrid ac-dc microgrid
[J]. Transactions of China Electrotechnical Society , 2020 , 35 (2 ):337 -345 .
[本文引用: 1]
[3]
NEJABATKHAH F , LI Y W . Overview of power management strategies of hybrid ac/dc microgrid
[J]. IEEE Transactions on Power Electronics , 2015 , 30 (12 ):7072 -7089 .
DOI:10.1109/TPEL.2014.2384999
URL
[本文引用: 1]
[4]
VAN HERTEM D , GHANDHARI M , DELIMAR M . Technical limitations towards a supergrid:A European prospective
[C]// IEEE International Energy Conference,Manama,Bahrain:IEEE , 2010 :302 -309 .
[本文引用: 1]
[5]
葛宇航 . 交直流混合微电网中双向互联变流器并联控制策略研究 [D]. 重庆 : 重庆理工大学 , 2021 .
[本文引用: 1]
GE Yuhang . Multi-paralleled bidirectional interlinking converters control strategy in hybrid ac/dc microgrids [D]. Chongqing : Chongqing University of Technology , 2021 .
[本文引用: 1]
[6]
SADEGHI M , KHEDERZADEH M . Hybrid multi-dc-ac MG based on multilevel interlinking converter
[J]. IET Power Electronics , 2019 , 12 (5 ):1187 -1194 .
DOI:10.1049/iet-pel.2018.5579
URL
[本文引用: 1]
[7]
曹文远 , 韩民晓 , 谢文强 , 等 . 交直流配电网逆变器并联控制技术研究现状分析
[J]. 电工技术学报 , 2019 , 34 (20 ):4226 -4241 .
[本文引用: 1]
CAO Wenyuan , HAN Minxiao , XIE Wenqiang , et al. Analysis on research status of parallel inverters control technologies for ac/dc distribution network
[J]. Transactions of China Electrotechnical Society , 2019 , 34 (20 ):4226 -4241 .
[本文引用: 1]
[8]
涂春鸣 , 黄红 , 兰征 , 等 . 微电网中电力电子变压器与储能的协调控制策略
[J]. 电工技术学报 , 2019 , 34 (12 ):2627 -2636 .
[本文引用: 1]
TU Chunming , HUANG Hong , LAN Zheng , et al. Coordinated control strategy of power electronic transformer and energy storage in microgrid
[J]. Transactions of China Electrotechnical Society , 2019 , 34 (12 ):2627 -2636 .
[本文引用: 1]
[9]
JI Y , WU M , LIU H T , et al. Bidirectional droop control of interlinking converter in ac/dc hybrid micro-grid
[C]// International Conference on Information Science and Control Engineering,Beijing , 2016 :879 -883 .
[本文引用: 1]
[10]
杨捷 , 金新民 , 杨晓亮 , 等 . 交直流混合微网功率控制技术研究综述
[J]. 电网技术 , 2017 , 41 (1 ):29 -39 .
[本文引用: 1]
YANG Jie , JIN Xinmin , YANG Xiaoliang , et al. Overview on power control technologies in hybrid ac-dc microgrid
[J]. Power System Technology , 2017 , 41 (1 ):29 -39 .
[本文引用: 1]
[11]
EAJAL A A , ABDELWAHED M A , EL-SAADANY E F , et al. A unified approach to the power flow analysis of ac/dc hybrid microgrids
[J]. IEEE Transactions on Sustainable Energy , 2016 , 7 (3 ):1145 -1158 .
DOI:10.1109/TSTE.2016.2530740
URL
[本文引用: 1]
[12]
NASIRIAN V , DAVOUDI A , LEWIS F L , et al. Distributed adaptive droop control for dc distribution systems
[J]. IEEE Transactions on Energy Conversion , 2014 , 29 (4 ):944 -956 .
DOI:10.1109/TEC.2014.2350458
URL
[本文引用: 1]
[13]
XIA Y H , PENG Y G , YANG P C , et al. Distributed coordination control for multiple bidirectional power converters in a hybrid ac/dc microgrid
[J]. IEEE Transactions on Power Electronics , 2017 , 32 (6 ):4949 -4959 .
DOI:10.1109/TPEL.2016.2603066
URL
[本文引用: 1]
[14]
XIA Y H , PENG Y G , YANG P C , et al. Decentralized coordination control for parallel bidirectional power converters in a grid-connected dc microgrid
[J]. IEEE Transactions on Smart Grid , 2018 , 9 (6 ):6850 -6861 .
DOI:10.1109/TSG.2017.2725987
URL
[本文引用: 1]
[15]
PEYGHAMI S , MOKHTARI H , BLAABJERG F . Autonomous operation of a hybrid ac/dc microgrid with multiple interlinking converters
[J]. IEEE Transactions on Smart Grid , 2018 , 9 (6 ):6480 -6488 .
DOI:10.1109/TSG.2017.2713941
URL
[本文引用: 1]
[16]
PAN C T , LIAO Y H . Modeling and coordinate control of circulating currents in parallel three-phase boost rectifiers
[J]. IEEE Transactions on Industrial Electronics , 2007 , 54 (2 ):825 -838 .
DOI:10.1109/TIE.2007.891776
URL
[本文引用: 1]
[17]
李国武 , 梁吉 , 许健 , 等 . 适用于不同等效阻抗的并联逆变器环流抑制方法研究
[J]. 电子设计工程 , 2016 , 24 (19 ):141 -144 .
[本文引用: 1]
LI Guowu , LIANG Ji , XU Jian , et al. Study on restraint of circulating current in parallel inverters with different equivalent impedance
[J]. Electronic Design Engineering , 2016 , 24 (19 ):141 -144 .
[本文引用: 1]
[18]
陈杰 , 刘名凹 , 陈新 , 等 . 基于下垂控制的逆变器无线并联与环流抑制技术
[J]. 电工技术学报 , 2018 , 33 (7 ):1450 -1460 .
[本文引用: 2]
CHEN Jie , LIU Mingao , CHEN Xin , et al. Wireless parallel and circulation current reduction of droop-controlled inverters
[J]. Transactions of China Electrotechnical Society , 2018 , 33 (7 ):1450 -1460 .
[本文引用: 2]
[19]
肖华根 , 罗安 , 王逸超 , 等 . 微网中并联逆变器的环流控制方法
[J]. 中国电机工程学报 , 2014 , 34 (19 ):3098 -3104 .
[本文引用: 1]
XIAO Huagen , LUO An , WANG Yichao , et al. A circulating current control method for paralleled inverters in microgrids
[J]. Proceedings of the CSEE , 2014 , 34 (19 ):3098 -3104 .
[本文引用: 1]
[20]
ZHANG X G , CHEN J M , MA Y , et al. Bandwidth expansion method for circulating current control in parallel three-phase PWM converter connection system
[J]. IEEE Transactions on Power Electronics , 2014 , 29 (12 ):6847 -6856 .
DOI:10.1109/TPEL.2014.2311046
URL
[本文引用: 1]
[21]
张厚升 , 张磊 , 姜吉顺 , 等 . 两并联三相PWM整流器零序环流抑制与均流控制
[J]. 电力自动化设备 , 2018 , 38 (2 ):153 -160 .
[本文引用: 1]
ZHANG Housheng , ZHANG Lei , JIANG Jishun , et al. Circulating current suppressing and current balancing for two parallel three-phase PWM rectifiers
[J]. Electric Power Automation Equipment , 2018 , 38 (2 ):153 -160 .
[本文引用: 1]
Compartmentalization strategy for the optimal economic operation of a hybrid ac/dc microgrid
1
2020
... 交直流混合微电网能够以更高的效率和更好的兼容性,有效地解决各种交直流负载、分布式电源和分布式存储的集成问题[1 -2 ] .从结构上看交直流母线将系统分为三个部分,分别是交流子微网,直流子微网和双向互联变流器(Bidirectional interlinking converter,BIC).在全球范围内,已有多个交直流混合微电网项目得到了验证,其中包括荷兰Bronsbergen假日公园[3 ] 、欧洲超级电网[4 ] 等.在交直流混合微电网中,BIC作为连接交流和直流母线的纽带,主要实现交、直流侧微电网间功率双向流动[5 ] .随着分布式电源数量以及负荷的不断增加,要求BIC将具有更高的功率处理能力.由于单个BIC功率受限,常采用多并联BIC结构以满足微电网不断扩容的需求[6 ] . ...
一种提升交直流混合微电网动态特性的综合惯量控制方法
1
2020
... 交直流混合微电网能够以更高的效率和更好的兼容性,有效地解决各种交直流负载、分布式电源和分布式存储的集成问题[1 -2 ] .从结构上看交直流母线将系统分为三个部分,分别是交流子微网,直流子微网和双向互联变流器(Bidirectional interlinking converter,BIC).在全球范围内,已有多个交直流混合微电网项目得到了验证,其中包括荷兰Bronsbergen假日公园[3 ] 、欧洲超级电网[4 ] 等.在交直流混合微电网中,BIC作为连接交流和直流母线的纽带,主要实现交、直流侧微电网间功率双向流动[5 ] .随着分布式电源数量以及负荷的不断增加,要求BIC将具有更高的功率处理能力.由于单个BIC功率受限,常采用多并联BIC结构以满足微电网不断扩容的需求[6 ] . ...
A comprehensive inertia control method for improving the dynamic characteristics of hybrid ac-dc microgrid
1
2020
... 交直流混合微电网能够以更高的效率和更好的兼容性,有效地解决各种交直流负载、分布式电源和分布式存储的集成问题[1 -2 ] .从结构上看交直流母线将系统分为三个部分,分别是交流子微网,直流子微网和双向互联变流器(Bidirectional interlinking converter,BIC).在全球范围内,已有多个交直流混合微电网项目得到了验证,其中包括荷兰Bronsbergen假日公园[3 ] 、欧洲超级电网[4 ] 等.在交直流混合微电网中,BIC作为连接交流和直流母线的纽带,主要实现交、直流侧微电网间功率双向流动[5 ] .随着分布式电源数量以及负荷的不断增加,要求BIC将具有更高的功率处理能力.由于单个BIC功率受限,常采用多并联BIC结构以满足微电网不断扩容的需求[6 ] . ...
Overview of power management strategies of hybrid ac/dc microgrid
1
2015
... 交直流混合微电网能够以更高的效率和更好的兼容性,有效地解决各种交直流负载、分布式电源和分布式存储的集成问题[1 -2 ] .从结构上看交直流母线将系统分为三个部分,分别是交流子微网,直流子微网和双向互联变流器(Bidirectional interlinking converter,BIC).在全球范围内,已有多个交直流混合微电网项目得到了验证,其中包括荷兰Bronsbergen假日公园[3 ] 、欧洲超级电网[4 ] 等.在交直流混合微电网中,BIC作为连接交流和直流母线的纽带,主要实现交、直流侧微电网间功率双向流动[5 ] .随着分布式电源数量以及负荷的不断增加,要求BIC将具有更高的功率处理能力.由于单个BIC功率受限,常采用多并联BIC结构以满足微电网不断扩容的需求[6 ] . ...
Technical limitations towards a supergrid:A European prospective
1
2010
... 交直流混合微电网能够以更高的效率和更好的兼容性,有效地解决各种交直流负载、分布式电源和分布式存储的集成问题[1 -2 ] .从结构上看交直流母线将系统分为三个部分,分别是交流子微网,直流子微网和双向互联变流器(Bidirectional interlinking converter,BIC).在全球范围内,已有多个交直流混合微电网项目得到了验证,其中包括荷兰Bronsbergen假日公园[3 ] 、欧洲超级电网[4 ] 等.在交直流混合微电网中,BIC作为连接交流和直流母线的纽带,主要实现交、直流侧微电网间功率双向流动[5 ] .随着分布式电源数量以及负荷的不断增加,要求BIC将具有更高的功率处理能力.由于单个BIC功率受限,常采用多并联BIC结构以满足微电网不断扩容的需求[6 ] . ...
1
2021
... 交直流混合微电网能够以更高的效率和更好的兼容性,有效地解决各种交直流负载、分布式电源和分布式存储的集成问题[1 -2 ] .从结构上看交直流母线将系统分为三个部分,分别是交流子微网,直流子微网和双向互联变流器(Bidirectional interlinking converter,BIC).在全球范围内,已有多个交直流混合微电网项目得到了验证,其中包括荷兰Bronsbergen假日公园[3 ] 、欧洲超级电网[4 ] 等.在交直流混合微电网中,BIC作为连接交流和直流母线的纽带,主要实现交、直流侧微电网间功率双向流动[5 ] .随着分布式电源数量以及负荷的不断增加,要求BIC将具有更高的功率处理能力.由于单个BIC功率受限,常采用多并联BIC结构以满足微电网不断扩容的需求[6 ] . ...
1
2021
... 交直流混合微电网能够以更高的效率和更好的兼容性,有效地解决各种交直流负载、分布式电源和分布式存储的集成问题[1 -2 ] .从结构上看交直流母线将系统分为三个部分,分别是交流子微网,直流子微网和双向互联变流器(Bidirectional interlinking converter,BIC).在全球范围内,已有多个交直流混合微电网项目得到了验证,其中包括荷兰Bronsbergen假日公园[3 ] 、欧洲超级电网[4 ] 等.在交直流混合微电网中,BIC作为连接交流和直流母线的纽带,主要实现交、直流侧微电网间功率双向流动[5 ] .随着分布式电源数量以及负荷的不断增加,要求BIC将具有更高的功率处理能力.由于单个BIC功率受限,常采用多并联BIC结构以满足微电网不断扩容的需求[6 ] . ...
Hybrid multi-dc-ac MG based on multilevel interlinking converter
1
2019
... 交直流混合微电网能够以更高的效率和更好的兼容性,有效地解决各种交直流负载、分布式电源和分布式存储的集成问题[1 -2 ] .从结构上看交直流母线将系统分为三个部分,分别是交流子微网,直流子微网和双向互联变流器(Bidirectional interlinking converter,BIC).在全球范围内,已有多个交直流混合微电网项目得到了验证,其中包括荷兰Bronsbergen假日公园[3 ] 、欧洲超级电网[4 ] 等.在交直流混合微电网中,BIC作为连接交流和直流母线的纽带,主要实现交、直流侧微电网间功率双向流动[5 ] .随着分布式电源数量以及负荷的不断增加,要求BIC将具有更高的功率处理能力.由于单个BIC功率受限,常采用多并联BIC结构以满足微电网不断扩容的需求[6 ] . ...
交直流配电网逆变器并联控制技术研究现状分析
1
2019
... 在交直流混合微电网能源管理方面,特别是在孤岛系统中,研究人员已做了大量研究[7 -8 ] .其中,常采用下垂控制策略调节交直流微电网中各分布式电源的功率分配[9 ⇓ -11 ] ,但该策略无法用于多并联BIC之间的功率分配;文献[12 ]提出一种分布式自适应修正的下垂控制策略,然而该方法需要在通信中传输50 Hz范围的交流电流信息,同样不适合于BIC结构.文献[13 ]中下垂控制被分配到系统的变换器中,以实现对直流子微网电压调节,但仅用于能量的单向流动.文献[14 ]中直流微电网通过BIC接入电网,同样仅实现功率单向流动.文献[15 ]提出了一种自治运行下垂控制策略.上述方案均无法保证两子微网负荷在稳态下均匀分配. ...
Analysis on research status of parallel inverters control technologies for ac/dc distribution network
1
2019
... 在交直流混合微电网能源管理方面,特别是在孤岛系统中,研究人员已做了大量研究[7 -8 ] .其中,常采用下垂控制策略调节交直流微电网中各分布式电源的功率分配[9 ⇓ -11 ] ,但该策略无法用于多并联BIC之间的功率分配;文献[12 ]提出一种分布式自适应修正的下垂控制策略,然而该方法需要在通信中传输50 Hz范围的交流电流信息,同样不适合于BIC结构.文献[13 ]中下垂控制被分配到系统的变换器中,以实现对直流子微网电压调节,但仅用于能量的单向流动.文献[14 ]中直流微电网通过BIC接入电网,同样仅实现功率单向流动.文献[15 ]提出了一种自治运行下垂控制策略.上述方案均无法保证两子微网负荷在稳态下均匀分配. ...
微电网中电力电子变压器与储能的协调控制策略
1
2019
... 在交直流混合微电网能源管理方面,特别是在孤岛系统中,研究人员已做了大量研究[7 -8 ] .其中,常采用下垂控制策略调节交直流微电网中各分布式电源的功率分配[9 ⇓ -11 ] ,但该策略无法用于多并联BIC之间的功率分配;文献[12 ]提出一种分布式自适应修正的下垂控制策略,然而该方法需要在通信中传输50 Hz范围的交流电流信息,同样不适合于BIC结构.文献[13 ]中下垂控制被分配到系统的变换器中,以实现对直流子微网电压调节,但仅用于能量的单向流动.文献[14 ]中直流微电网通过BIC接入电网,同样仅实现功率单向流动.文献[15 ]提出了一种自治运行下垂控制策略.上述方案均无法保证两子微网负荷在稳态下均匀分配. ...
Coordinated control strategy of power electronic transformer and energy storage in microgrid
1
2019
... 在交直流混合微电网能源管理方面,特别是在孤岛系统中,研究人员已做了大量研究[7 -8 ] .其中,常采用下垂控制策略调节交直流微电网中各分布式电源的功率分配[9 ⇓ -11 ] ,但该策略无法用于多并联BIC之间的功率分配;文献[12 ]提出一种分布式自适应修正的下垂控制策略,然而该方法需要在通信中传输50 Hz范围的交流电流信息,同样不适合于BIC结构.文献[13 ]中下垂控制被分配到系统的变换器中,以实现对直流子微网电压调节,但仅用于能量的单向流动.文献[14 ]中直流微电网通过BIC接入电网,同样仅实现功率单向流动.文献[15 ]提出了一种自治运行下垂控制策略.上述方案均无法保证两子微网负荷在稳态下均匀分配. ...
Bidirectional droop control of interlinking converter in ac/dc hybrid micro-grid
1
2016
... 在交直流混合微电网能源管理方面,特别是在孤岛系统中,研究人员已做了大量研究[7 -8 ] .其中,常采用下垂控制策略调节交直流微电网中各分布式电源的功率分配[9 ⇓ -11 ] ,但该策略无法用于多并联BIC之间的功率分配;文献[12 ]提出一种分布式自适应修正的下垂控制策略,然而该方法需要在通信中传输50 Hz范围的交流电流信息,同样不适合于BIC结构.文献[13 ]中下垂控制被分配到系统的变换器中,以实现对直流子微网电压调节,但仅用于能量的单向流动.文献[14 ]中直流微电网通过BIC接入电网,同样仅实现功率单向流动.文献[15 ]提出了一种自治运行下垂控制策略.上述方案均无法保证两子微网负荷在稳态下均匀分配. ...
交直流混合微网功率控制技术研究综述
1
2017
... 在交直流混合微电网能源管理方面,特别是在孤岛系统中,研究人员已做了大量研究[7 -8 ] .其中,常采用下垂控制策略调节交直流微电网中各分布式电源的功率分配[9 ⇓ -11 ] ,但该策略无法用于多并联BIC之间的功率分配;文献[12 ]提出一种分布式自适应修正的下垂控制策略,然而该方法需要在通信中传输50 Hz范围的交流电流信息,同样不适合于BIC结构.文献[13 ]中下垂控制被分配到系统的变换器中,以实现对直流子微网电压调节,但仅用于能量的单向流动.文献[14 ]中直流微电网通过BIC接入电网,同样仅实现功率单向流动.文献[15 ]提出了一种自治运行下垂控制策略.上述方案均无法保证两子微网负荷在稳态下均匀分配. ...
Overview on power control technologies in hybrid ac-dc microgrid
1
2017
... 在交直流混合微电网能源管理方面,特别是在孤岛系统中,研究人员已做了大量研究[7 -8 ] .其中,常采用下垂控制策略调节交直流微电网中各分布式电源的功率分配[9 ⇓ -11 ] ,但该策略无法用于多并联BIC之间的功率分配;文献[12 ]提出一种分布式自适应修正的下垂控制策略,然而该方法需要在通信中传输50 Hz范围的交流电流信息,同样不适合于BIC结构.文献[13 ]中下垂控制被分配到系统的变换器中,以实现对直流子微网电压调节,但仅用于能量的单向流动.文献[14 ]中直流微电网通过BIC接入电网,同样仅实现功率单向流动.文献[15 ]提出了一种自治运行下垂控制策略.上述方案均无法保证两子微网负荷在稳态下均匀分配. ...
A unified approach to the power flow analysis of ac/dc hybrid microgrids
1
2016
... 在交直流混合微电网能源管理方面,特别是在孤岛系统中,研究人员已做了大量研究[7 -8 ] .其中,常采用下垂控制策略调节交直流微电网中各分布式电源的功率分配[9 ⇓ -11 ] ,但该策略无法用于多并联BIC之间的功率分配;文献[12 ]提出一种分布式自适应修正的下垂控制策略,然而该方法需要在通信中传输50 Hz范围的交流电流信息,同样不适合于BIC结构.文献[13 ]中下垂控制被分配到系统的变换器中,以实现对直流子微网电压调节,但仅用于能量的单向流动.文献[14 ]中直流微电网通过BIC接入电网,同样仅实现功率单向流动.文献[15 ]提出了一种自治运行下垂控制策略.上述方案均无法保证两子微网负荷在稳态下均匀分配. ...
Distributed adaptive droop control for dc distribution systems
1
2014
... 在交直流混合微电网能源管理方面,特别是在孤岛系统中,研究人员已做了大量研究[7 -8 ] .其中,常采用下垂控制策略调节交直流微电网中各分布式电源的功率分配[9 ⇓ -11 ] ,但该策略无法用于多并联BIC之间的功率分配;文献[12 ]提出一种分布式自适应修正的下垂控制策略,然而该方法需要在通信中传输50 Hz范围的交流电流信息,同样不适合于BIC结构.文献[13 ]中下垂控制被分配到系统的变换器中,以实现对直流子微网电压调节,但仅用于能量的单向流动.文献[14 ]中直流微电网通过BIC接入电网,同样仅实现功率单向流动.文献[15 ]提出了一种自治运行下垂控制策略.上述方案均无法保证两子微网负荷在稳态下均匀分配. ...
Distributed coordination control for multiple bidirectional power converters in a hybrid ac/dc microgrid
1
2017
... 在交直流混合微电网能源管理方面,特别是在孤岛系统中,研究人员已做了大量研究[7 -8 ] .其中,常采用下垂控制策略调节交直流微电网中各分布式电源的功率分配[9 ⇓ -11 ] ,但该策略无法用于多并联BIC之间的功率分配;文献[12 ]提出一种分布式自适应修正的下垂控制策略,然而该方法需要在通信中传输50 Hz范围的交流电流信息,同样不适合于BIC结构.文献[13 ]中下垂控制被分配到系统的变换器中,以实现对直流子微网电压调节,但仅用于能量的单向流动.文献[14 ]中直流微电网通过BIC接入电网,同样仅实现功率单向流动.文献[15 ]提出了一种自治运行下垂控制策略.上述方案均无法保证两子微网负荷在稳态下均匀分配. ...
Decentralized coordination control for parallel bidirectional power converters in a grid-connected dc microgrid
1
2018
... 在交直流混合微电网能源管理方面,特别是在孤岛系统中,研究人员已做了大量研究[7 -8 ] .其中,常采用下垂控制策略调节交直流微电网中各分布式电源的功率分配[9 ⇓ -11 ] ,但该策略无法用于多并联BIC之间的功率分配;文献[12 ]提出一种分布式自适应修正的下垂控制策略,然而该方法需要在通信中传输50 Hz范围的交流电流信息,同样不适合于BIC结构.文献[13 ]中下垂控制被分配到系统的变换器中,以实现对直流子微网电压调节,但仅用于能量的单向流动.文献[14 ]中直流微电网通过BIC接入电网,同样仅实现功率单向流动.文献[15 ]提出了一种自治运行下垂控制策略.上述方案均无法保证两子微网负荷在稳态下均匀分配. ...
Autonomous operation of a hybrid ac/dc microgrid with multiple interlinking converters
1
2018
... 在交直流混合微电网能源管理方面,特别是在孤岛系统中,研究人员已做了大量研究[7 -8 ] .其中,常采用下垂控制策略调节交直流微电网中各分布式电源的功率分配[9 ⇓ -11 ] ,但该策略无法用于多并联BIC之间的功率分配;文献[12 ]提出一种分布式自适应修正的下垂控制策略,然而该方法需要在通信中传输50 Hz范围的交流电流信息,同样不适合于BIC结构.文献[13 ]中下垂控制被分配到系统的变换器中,以实现对直流子微网电压调节,但仅用于能量的单向流动.文献[14 ]中直流微电网通过BIC接入电网,同样仅实现功率单向流动.文献[15 ]提出了一种自治运行下垂控制策略.上述方案均无法保证两子微网负荷在稳态下均匀分配. ...
Modeling and coordinate control of circulating currents in parallel three-phase boost rectifiers
1
2007
... 与单个BIC控制方案不同,交直流混合微电网中多并联BIC间存在严重的环流问题,导致系统损耗增加,甚至损坏开关器件.文献[16 ]对环流产生机理进行详细研究,但数学表达式过于复杂,物理概念不清晰.文献[17 ]通过实时调节下垂系数实现对环流的抑制,但下垂系数的变化影响了输出电压质量.文献[18 ]通过减少线路阻抗差异来抑制变换器之间的环流,但该方法引入的虚拟阻尼只呈现感性,与线路阻抗的阻感特性不匹配.文献[19 ]提出了一种无差拍的电流控制方法,通过零序电流反馈量控制变换器的零序电压,从而有效抑制环流,但该方法难于应用于多台并联的场合. ...
适用于不同等效阻抗的并联逆变器环流抑制方法研究
1
2016
... 与单个BIC控制方案不同,交直流混合微电网中多并联BIC间存在严重的环流问题,导致系统损耗增加,甚至损坏开关器件.文献[16 ]对环流产生机理进行详细研究,但数学表达式过于复杂,物理概念不清晰.文献[17 ]通过实时调节下垂系数实现对环流的抑制,但下垂系数的变化影响了输出电压质量.文献[18 ]通过减少线路阻抗差异来抑制变换器之间的环流,但该方法引入的虚拟阻尼只呈现感性,与线路阻抗的阻感特性不匹配.文献[19 ]提出了一种无差拍的电流控制方法,通过零序电流反馈量控制变换器的零序电压,从而有效抑制环流,但该方法难于应用于多台并联的场合. ...
Study on restraint of circulating current in parallel inverters with different equivalent impedance
1
2016
... 与单个BIC控制方案不同,交直流混合微电网中多并联BIC间存在严重的环流问题,导致系统损耗增加,甚至损坏开关器件.文献[16 ]对环流产生机理进行详细研究,但数学表达式过于复杂,物理概念不清晰.文献[17 ]通过实时调节下垂系数实现对环流的抑制,但下垂系数的变化影响了输出电压质量.文献[18 ]通过减少线路阻抗差异来抑制变换器之间的环流,但该方法引入的虚拟阻尼只呈现感性,与线路阻抗的阻感特性不匹配.文献[19 ]提出了一种无差拍的电流控制方法,通过零序电流反馈量控制变换器的零序电压,从而有效抑制环流,但该方法难于应用于多台并联的场合. ...
基于下垂控制的逆变器无线并联与环流抑制技术
2
2018
... 与单个BIC控制方案不同,交直流混合微电网中多并联BIC间存在严重的环流问题,导致系统损耗增加,甚至损坏开关器件.文献[16 ]对环流产生机理进行详细研究,但数学表达式过于复杂,物理概念不清晰.文献[17 ]通过实时调节下垂系数实现对环流的抑制,但下垂系数的变化影响了输出电压质量.文献[18 ]通过减少线路阻抗差异来抑制变换器之间的环流,但该方法引入的虚拟阻尼只呈现感性,与线路阻抗的阻感特性不匹配.文献[19 ]提出了一种无差拍的电流控制方法,通过零序电流反馈量控制变换器的零序电压,从而有效抑制环流,但该方法难于应用于多台并联的场合. ...
... 图3 是SVPWM中零矢量修正图[18 ] ,为控制环流,在BIC的零矢量中添加修正值y ,经计算得到第i 个BIC的零矢量占空比为 ...
Wireless parallel and circulation current reduction of droop-controlled inverters
2
2018
... 与单个BIC控制方案不同,交直流混合微电网中多并联BIC间存在严重的环流问题,导致系统损耗增加,甚至损坏开关器件.文献[16 ]对环流产生机理进行详细研究,但数学表达式过于复杂,物理概念不清晰.文献[17 ]通过实时调节下垂系数实现对环流的抑制,但下垂系数的变化影响了输出电压质量.文献[18 ]通过减少线路阻抗差异来抑制变换器之间的环流,但该方法引入的虚拟阻尼只呈现感性,与线路阻抗的阻感特性不匹配.文献[19 ]提出了一种无差拍的电流控制方法,通过零序电流反馈量控制变换器的零序电压,从而有效抑制环流,但该方法难于应用于多台并联的场合. ...
... 图3 是SVPWM中零矢量修正图[18 ] ,为控制环流,在BIC的零矢量中添加修正值y ,经计算得到第i 个BIC的零矢量占空比为 ...
微网中并联逆变器的环流控制方法
1
2014
... 与单个BIC控制方案不同,交直流混合微电网中多并联BIC间存在严重的环流问题,导致系统损耗增加,甚至损坏开关器件.文献[16 ]对环流产生机理进行详细研究,但数学表达式过于复杂,物理概念不清晰.文献[17 ]通过实时调节下垂系数实现对环流的抑制,但下垂系数的变化影响了输出电压质量.文献[18 ]通过减少线路阻抗差异来抑制变换器之间的环流,但该方法引入的虚拟阻尼只呈现感性,与线路阻抗的阻感特性不匹配.文献[19 ]提出了一种无差拍的电流控制方法,通过零序电流反馈量控制变换器的零序电压,从而有效抑制环流,但该方法难于应用于多台并联的场合. ...
A circulating current control method for paralleled inverters in microgrids
1
2014
... 与单个BIC控制方案不同,交直流混合微电网中多并联BIC间存在严重的环流问题,导致系统损耗增加,甚至损坏开关器件.文献[16 ]对环流产生机理进行详细研究,但数学表达式过于复杂,物理概念不清晰.文献[17 ]通过实时调节下垂系数实现对环流的抑制,但下垂系数的变化影响了输出电压质量.文献[18 ]通过减少线路阻抗差异来抑制变换器之间的环流,但该方法引入的虚拟阻尼只呈现感性,与线路阻抗的阻感特性不匹配.文献[19 ]提出了一种无差拍的电流控制方法,通过零序电流反馈量控制变换器的零序电压,从而有效抑制环流,但该方法难于应用于多台并联的场合. ...
Bandwidth expansion method for circulating current control in parallel three-phase PWM converter connection system
1
2014
... 根据文献[20 ]中对两并联BIC数学模型分析,得出多并联BIC中第n 个BIC的零序电流表达式 ...
两并联三相PWM整流器零序环流抑制与均流控制
1
2018
... 多并联BIC的零矢量前馈法比两模块并联BIC更为复杂.由文献[21 ]可知,在一个PWM周期内,每个并联BIC都需要非零矢量、环流控制器的输出以及所有并联BIC的滤波电感,并且环流控制器之间会相互影响.因此,在多并联BIC中应采用环流控制器的协调控制策略. ...
Circulating current suppressing and current balancing for two parallel three-phase PWM rectifiers
1
2018
... 多并联BIC的零矢量前馈法比两模块并联BIC更为复杂.由文献[21 ]可知,在一个PWM周期内,每个并联BIC都需要非零矢量、环流控制器的输出以及所有并联BIC的滤波电感,并且环流控制器之间会相互影响.因此,在多并联BIC中应采用环流控制器的协调控制策略. ...