交直流混合微电网并联双向互联变换器环流抑制与功率控制
*
郭强, 向文凯, 李山
Circulating Current Suppression and Power Control of Paralleled Bidirectional Interlinking Converters in Hybrid AC/DC Microgrid
GUO Qiang, XIANG Wenkai, LI Shan
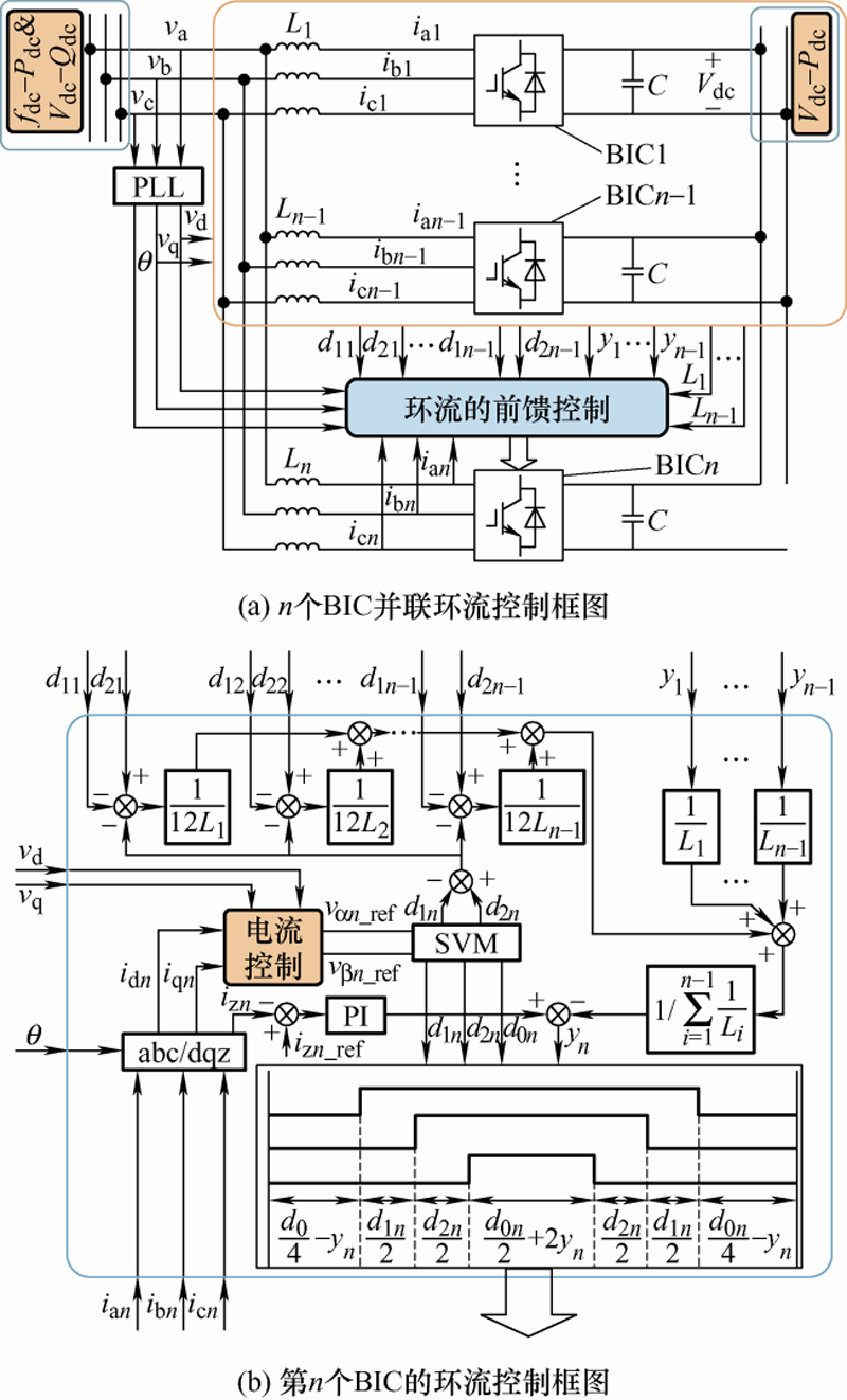
图6
n
个BIC并联的系统框图