1 引言
双管正激变换器由于开关管无直通风险、电压应力低、工作可靠性高、无须增设去磁回路等优点,在低压大电流的中小功率电子通信领域得到广泛应用。一些学者利用磁集成技术,有效地减小了无源元件的体积和电流纹波,降低了磁件损耗,提高了效率和动态响应。文献[1 ]将正激变换器的输出滤波电感和变压器原边、副边以及复位绕组进行磁集成,分析了耦合电感纹波减小的条件,总结了磁件设计准则。文献[2 ]针对双管正激变换器占空比不能超过0.5的问题,提出一种非隔离新型高降压比变换器,但两个电抗器为分立元件,磁件体积较大。文献[3 ]提出一种“目”字型耦合电感器结构,将耦合电感缠绕在中间两个U型磁心上,外层两个U型磁心未缠绕任何绕组,可以提供足够大的漏感来实现LLC的谐振电感参数,但磁心的利用率相对低下,对其他拓扑的应用效果较差。文献[4 ]提出了一种并联buck功率脉动缓冲器的优化设计方法,对改善功率密度有较好的适应性。文献[5 ⇓ ⇓ -8 ]对电磁集成的方法和应用做了分析,通过电磁集成可以进一步缩小无源元件体积,提高样机功率密度,但尚未对其他隔离型拓扑进行相关应用研究。文献[9 ]提出了一种基于棱边元与节点元耦合的计算变压器铁心损耗的E -Ψ 法模型,为集成磁件的损耗计算提供了更精确的计算方法。文献[10 ]基于磁性材料的磁致弹性伸缩特性,建立了变压器铁心的振动模型并进行了仿真分析,但没有结合具体的变换器分析磁心形变造成的影响。文献[11 ]用有限元法研究分析了磁饱和强度对变压器涌流的影响。文献[12 ]将集成磁件中交变磁通正向耦合的优点应用于双管正激变换器,详细分析了各种脉动波形所对应的集成磁件的绕组条件和磁阻条件。文献[13 ]提出一种新型单元耦合结构阵列式可变耦合度集成磁件,比传统整体磁心耦合电感具有更好的特性。文献[14 ]综述了FMLF集成技术的实现、结构和应用,阐述了其未来的研究领域。文献[15 ]提出一种新型PCB绕组磁结构,可以很容易地通过改变磁心截面积或气隙长度来控制电感值。电磁集成技术可以进一步缩小磁件体积,减小磁件损耗。
本文研究了ZVT软开关双管正激变换器的工作原理,针对带有谐振回路的软开关变换器,研究电磁集成,利用EE磁心合理设计磁路结构,并于中间磁柱气隙填充高磁导率的坡莫合金(MPP)带材,对变压器和电感以及电容进行集成,在缩小样机体积、提高功率密度上有较大的改进。通过ANSYS电磁场仿真发现,由于采用坡莫合金将中柱气隙均分,使得磁件整体磁通密度分布相对于传统的EE型磁集成变压器更加均匀,绕组漏磁和气隙处的扩散磁通明显减小,对减小磁心涡流损耗和额外绕组损耗有较大的帮助。
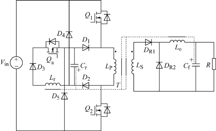
2 软开关双管正激变换器原理分析
零电压转换双管正激变换器的电路拓扑如图1 所示。传统的双管正激变换器有3个主要模态,而ZVT双管正激变换器有6个模态。
图1
(1) 模态1$\left( {{t}_{0}}{{t}_{1}} \right)$ :在${{t}_{0}}$ 之前,主开关管${{Q}_{1}}$ 、${{Q}_{2}}$ 和辅助开关管${{Q}_{\text{a}}}$ 都处于关断状态,负载电流${{I}_{\text{o}}}$ 通过${{D}_{\text{R}2}}$ 续流,${{t}_{0}}$ 时刻开通${{Q}_{\text{a}}}$ ,${{L}_{\text{r}}}$ 和${{C}_{\text{r}}}$ 开始谐振,${{t}_{\text{a}}}$ 时刻,电流升至最大值${{i}_{\text{Lrmax}}}={{{U}_{\text{i}}}}/{{{Z}_{\text{r}}}}\;$ ,电压下降至0。然后电流开始下降,电压反向增加,同时主开关管${{Q}_{1}}$ 和${{Q}_{2}}$ 的端电压开始从$0.5{{U}_{\text{i}}}$ 开始下降。在${{t}_{1}}$ 时刻,主开关管两端电压下降至0,零电压开通操作准备就绪。
(2) 模态2$\left( {{t}_{1}}{{t}_{2}} \right)$ :执行开关操作,此时加在原边绕组两侧电压为$+{{U}_{\text{i}}}$ ,变压器正向磁化,励磁电流${{i}_{\text{m}}}$ 从0开始线性上升,表达式为
(1) ${{i}_{\text{m}}}=\frac{{{U}_{\text{i}}}}{{{L}_{\text{m}}}}\left( t-{{t}_{\text{1}}} \right)$
${{D}_{\text{R1}}}$ 导通,${{D}_{\text{R2}}}$ 关断,开始向负载供电,假设滤波电感${{L}_{\text{o}}}$ 足够大,忽略电流纹波,将滤波和负载部分看作一个恒流源${{I}_{\text{o}}}$ ,变压器$T$ 原边电流${{i}_{\text{P}}}$ 表达式为
(2) ${{i}_{\text{P}}}=\frac{{{I}_{\text{o}}}}{n}+{{i}_{\text{m}}}=\frac{{{I}_{\text{o}}}}{n}+\frac{{{U}_{\text{i}}}}{{{L}_{\text{m}}}}\left( t-{{t}_{\text{1}}} \right)$
在${{t}_{2}}$ 时刻,关断开关管${{Q}_{1}}$ 、${{Q}_{2}}$ ,此模态持续时间为${{t}_{12}}={{T}_{\text{on}}}$ ,可见此模态没有软开关辅助回路的参与,谐振电容电压${{U}_{\text{Cr}}}$ 在这个模态保持在$-{{U}_{\text{i}}}$ 。
(3) 模态3$\left( {{t}_{2}}{{t}_{3}} \right)$ :开关管关断时,开关管因电容${{C}_{\text{r}}}$ 的限制实现零电压关断。原边电流${{i}_{P}}$ 开始通过二极管${{D}_{1}}$ 和${{D}_{2}}$ 给谐振电容${{C}_{\text{r}}}$ 充电,在${{t}_{3}}$ 时刻,${{C}_{\text{r}}}$ 上电压上升至0,开关管电压上升至$0.5{{U}_{\text{i}}}$ 。
(4) 模态4$\left( {{t}_{3}}{{t}_{4}} \right)$ :在${{t}_{3}}$ 时刻,开关管完成关断动作,${{D}_{\text{R}1}}$ 关断,${{D}_{\text{R}2}}$ 导通,负载电流通过${{D}_{\text{R}2}}$ 续流,此时,原边只有励磁电流,励磁电感与谐振电容开始串联谐振,变压器反向磁化,励磁电流减小,谐振电容电压从0开始正向增加。到${{t}_{4}}$ 时刻时,${{U}_{\text{Cr}}}$ 上升到$+{{U}_{\text{i}}}$ ,开关管电压也从$0.5{{U}_{\text{i}}}$ 上升到${{U}_{\text{i}}}$ 。
(5) 模态5$\left( {{t}_{4}}{{t}_{5}} \right)$ :串联谐振结束,二极管${{D}_{4}}$ 和${{D}_{5}}$ 得以导通,励磁电感和变压器漏感承受反向电压${{U}_{\text{i}}}$ ,开始去磁复位,原边电流(即励磁电流)线性下降,并将${{U}_{\text{Cr}}}$ 钳位在${{U}_{\text{i}}}$ 。${{t}_{5}}$ 时刻,原边电流下降到0,开关管两端电压从${{U}_{\text{i}}}$ 变为$0.5{{U}_{\text{i}}}$ ,变压器磁复位完成,${{D}_{4}}$ 和${{D}_{5}}$ 截止。
(6) 模态6$\left( {{t}_{5}}{{t}_{6}} \right)$ :原边电流为0,原边电路均不工作,副边负载电流继续通过二极管${{D}_{\text{R}2}}$ 续流,等待进入下个周期。
3 电磁集成分析
集成磁件采用EE型磁心,材质为PC40,初始磁导率约为2 300,中柱填充的坡莫合金(MPP)材料初始磁导率为2×104 ~2×105 ,等效地增加了中柱的磁导率。
集成磁件磁通分布图如图2 所示,用坡莫合金将气隙${{\delta }_{1}}$ 均分后,气隙${{\delta }_{1}}$ 处扩散磁通的扩散范围缩小,同时由于中柱整体磁导率变高,限制绕组漏磁通的产生,减少了涡流损耗的影响。
图2
对应的等效磁路如图3 所示,因电感只与匝数和磁阻有关,可将电感表示为
(3) ${{L}_{\text{P}}}={N_{\text{P}}^{2}}/{{{\Re }_{\text{Z}}}}\;$
(4) ${{L}_{\text{o}}}={N_{\text{Lo}}^{2}}/{{{\Re }_{\text{Z}}}}\;$
图3
3.1 耦合分析
如图2 所示,${{\phi }_{\text{P}}}={{\phi }_{\text{f}}}+{{\phi }_{\text{m}}}$ ,原边电流${{i}_{\text{P}}}={{i}_{\text{f}}}+{{i}_{\text{m}}}$ ,${{\phi }_{\text{S}}}$ 与${{\phi }_{\text{f}}}$ 等值反向,即${{\phi }_{\text{S}}}+{{\phi }_{\text{f}}}=0$ ,磁通${{\phi }_{\text{m}}}$ 与${{\phi }_{\text{Lo}}}$ 正向耦合,并在中柱磁心出口处分左右经两侧边柱流回中柱,二者为全耦合。
3.2 解耦分析
谐振电感绕组内电流${{i}_{\text{Lr1}}}$ 产生磁通${{\phi }_{\text{Lr}1}}$ ;电流${{i}_{\text{Lr2}}}$ 在产生磁通${{\phi }_{\text{Lr2}}}$ 。${{N}_{\text{Lr}1}}={{N}_{\text{Lr}2}}$ 且$\text{ga}{{\text{p}}_{1}}=\text{ga}{{\text{p}}_{2}}$ ,磁通在中柱反向抵消,即${{\phi }_{\text{Lr1}}}+{{\phi }_{\text{Lr}2}}=0$ ,实现完全解耦。
3.3 电容集成
该研究的ZVT双管正激变换器利用电磁集成获得谐振电容${{C}_{\text{r}}}$ ,谐振电感${{L}_{\text{r}}}$ 采用金属箔绕制,同时作为电容的极板,通过加入电介质薄膜形成电容。电磁集成通用结构与分布参数模型如图4 所示,该结构为通用LC单元,通过不同的引线连接方式可以实现不同的谐振和子电路结构。将LC单元的a和c之间短接,b、d和c节点接入电路,得到LC并联谐振的等效电路如图5 所示。
图4
图5
电磁集成正激变换器结构如图6 所示,将电路中谐振电感${{L}_{\text{r}}}$ 、谐振电容${{C}_{\text{r}}}$ 、变压器$T$ 和滤波电感${{L}_{\text{o}}}$ 集成在一对EE型磁心上。
图6
4 集成磁件参数设计及电磁场仿真
仿真参数设置如下:输入直流电压30 V,输入功率P in =60 W,输出电压6 V,满载阻值0.6 Ω,输出满载电流10 A,最大输出功率60 W,效率预设90%,即预设输出功率P o =54 W,开关频率为100 kHz。
4.1 磁心设计
采用不同的集成技术,选用的磁心形状一般不同,FMLF集成技术多采用铁氧体E型磁心,用$AP$ 法设计磁心的型号尺寸。
(5) $AP=\frac{{{P}_{\text{in}}}+{{P}_{\text{o}}}}{{{K}_{\text{ }\!\!\omega\!\!\text{ }}}{{B}_{\text{AC}}}{{K}_{\text{f}}}fJ}\times {{10}^{4}}$
式中,窗口面积利用系数${{K}_{\text{ }\!\!\omega\!\!\text{ }}}$ 取0.35;运行磁通密度${{B}_{\text{AC}}}$ 取0.13 T;原边电流波形系数${{K}_{\text{f}}}$ 取4;电流密度$J$ 取300 A/cm2 。
算出AP 值等于0.232 6 cm4 ,通过查询EE磁心规格手册,选择EE/30/15/7型号铁氧体磁心作为此次设计的磁心,其参数表如表1 所示。
4.2 绕组参数与气隙长度设计
(6) ${{N}_{\text{P}}}=\frac{{{V}_{\text{in}}}{{D}_{\text{max}}}T}{{{A}_{\text{e}}}\Delta B}\times {{10}^{4}}=10.77$
(7) ${{L}_{\text{P}}}=\frac{n{{V}_{\text{in}}}{{D}_{\max }}T}{10%\left( 1+r \right)1.1{{I}_{\text{o}}}}=220.91\ \text{ }\!\!\mu\!\!\text{ H}$
其中,$\Delta B$ 取0.21 T,为了承受突加负载,最大占空比取0.45,变压器原边匝数取整为10。
(8) $n=\frac{{{V}_{\text{pri}}}}{{{V}_{\text{sec}}}}=\frac{{{V}_{\text{in}}}{{D}_{\text{max}}}}{{{V}_{\text{o}}}}=2.25$
(9) ${{N}_{\text{S}}}=\frac{{{N}_{\text{P}}}}{n}$
式中,匝比n 取整为2,由式(9)算得${{N}_{\text{S}}}$ 为5匝。
(10) ${{l}_{\text{g}}}=4\pi {{A}_{\text{e}}}\left( \frac{N_{\text{P}}^{2}}{{{L}_{\text{P}}}\times {{10}^{9}}}-\frac{1}{{{A}_{\text{L}}}} \right)$
式中,${{L}_{\text{P}}}$ 为原边电感,单位为H,由上文给出的参数值可求出所需气隙长度为101 μm。
(4) 集成滤波电感参数设计。分立的滤波电感最小设计值计算公式为
(11) ${{L}_{\text{o}\cdot \min }}=\frac{\left( \frac{{{V}_{\text{in}}}}{n}-{{V}_{\text{o}}} \right){{D}_{\max }}}{fr{{I}_{\text{o}}}}$
忽略整流二极管${{D}_{\text{R}1}}$ 压降,$r$ 取0.25,计算得到非集成的最小滤波电感感值为14.4 μH,绕组匝数${{N}_{\text{Lo}}}$ 取为变压器副边的一半,即2.5匝。由于气隙开101 μm,各磁柱磁阻较未开气隙时增大约8.22倍,为保证电感设计裕量,匝数在原来基础上扩大$\sqrt{8.22}$ ( 约2.87)倍,各绕组参数如表2 所示。
4.3 谐振电感和谐振电容设计
(12) (1) 薄膜厚度设计。在选择铜箔宽度和厚度时,考虑温升和损耗,铜箔参数需要满足式
(12) $\frac{{{I}_{\text{m}}}}{Wd}<10\ \text{A}/\text{m}{{\text{m}}^{2}}$
式中,${{I}_{\text{m}}}$ 是流经磁件的最大电流值;$W$ 是铜箔宽度;$d$ 是铜箔厚度。
取上限值10 A/mm2 得最大计算值d max 为120 μm,取0.1 mm厚度紫铜箔作为电感绕组。平行极板间电容计算公式如下
(13) $C=\frac{{{\varepsilon }_{\text{r}}}S}{4\pi k{d}'}$
式中,${d}'$ 为介质层厚度,厚度越小,能集成的电容越大,选0.06 mm聚酰亚胺作为电介质,其${{\varepsilon }_{\text{r}}}$ 约为3.5。
绝缘薄膜采用0.1 mm厚度聚丙烯材质,其${{{\varepsilon }'}_{\text{r}}}$ 约为2.2,损耗系数为0.000 2。
(2) 谐振电容、谐振电感设计。谐振电容的大小取决于开关管关断电压${{v}_{\text{ds}}}$ 的上升率,在最大负载条件下${{v}_{\text{ds}}}$ 从0上升到电源电压大约用时(2~3)t f 。
(14) ${{C}_{\text{r}}}=\frac{{{I}_{\text{o}}}(23){{t}_{\text{f}}}}{n{{V}_{\text{in}}}}$
式中,${{t}_{\text{f}}}$ 是开关管从接到分闸指令到完全断开的时间,取${{t}_{\text{f}}}=6\ \text{ns}$ ,算得谐振电容容值为2~3 nF,取3 nF。
(15) ${{t}_{\text{r}}}=\frac{{{T}_{\text{r}}}}{2}=\pi \sqrt{{{L}_{\text{r}}}{{C}_{\text{r}}}}=\frac{1}{X}T$
式中,${{T}_{\text{r}}}$ 是谐振周期;$X$ 是常数,取$X=13$ 。
(16) ${{L}_{\text{r}}}={{{T}^{2}}}/{\left( {{X}^{2}}{{\pi }^{2}}{{C}_{\text{r}}} \right)}\;=19.9\ \text{ }\!\!\mu\!\!\text{ H}$
根据式(13)展开分析,粗略的集成电容值计算公式如下
(17) ${{C}_{\text{r}}}=\frac{{{\varepsilon }_{0}}{{\varepsilon }_{\text{r}}}{{l}_{\text{die}}}{W}'}{{{d}'}}+\frac{{{\varepsilon }_{0}}{{{{\varepsilon }'}}_{\text{r}}}{{l}_{\text{die}}}{W}'}{{{{d}'}'}}$
式中,绝缘薄膜厚度${{d}'}'$ 为0.1 mm,电介质层宽度${W}'$ 均为18 mm,谐振LC单元一匝电介质层长度${{l}_{\text{die}}}$ 为24 mm,将已知参数代入式(17)求得一匝绕组集成的${{C}_{\text{r}}}$ 计算值为0.3 nF,需求电容量为3 nF,左右边柱需要各集成1.5 nF,每边取5匝的铜箔即可实现20 $\text{ }\!\!\mu\!\!\text{ H}$ 的谐振电感值并集成3 nF的谐振电容。
4.4 磁件损耗分析
(18) ${{P}_{\text{coreloss}}}={{C}_{\text{m}}}{{f}^{\text{ }\!\!\alpha\!\!\text{ }}}{{B}^{\text{ }\!\!\beta\!\!\text{ }}}{{V}_{\text{e}}}$
式中,${{C}_{\text{m}}}$ 、$\alpha $ 和$\beta $ 由$f=100\ \text{kHz}$ ,$B=200\ \text{mT}$ ,$\theta =100\ $ 条件下磁心的功率损耗曲线可求得,${{C}_{\text{m}}}$ 取0.019,$\alpha $ 取值1.848,$\beta $ 取2.81。计算得到磁心损耗为1.435 W。
(19) ${{P}_{\text{ohmicloss}}}={{I}^{2}}{{Q}_{\left( N,\Delta \right)}}R$
(20) $\Delta =d/\delta =\frac{d}{\sqrt{{{{\rho }/{\pi f\mu }\;}_{0}}}}$
式中,铜箔电阻率$\rho $ 为1.724$\times $ 10 -8 ,真空磁导率为${{\mu }_{0}}=4\pi \times {{10}^{-7}}$ ,算得集肤深度因数$\Delta $ 为0.476。
$\left\{ \begin{align} & {{y}_{1}}\left( \Delta \right)=\frac{\sinh \left( 2\Delta \right)+\sin \left( 2\Delta \right)}{\cosh \left( 2\Delta \right)-\cos \left( 2\Delta \right)} \\ & {{y}_{2}}\left( \Delta \right)=\frac{\sinh \left( \Delta \right)-\sin \left( \Delta \right)}{\cosh \left( \Delta \right)+\cos \left( \Delta \right)} \\\end{align} \right.$ (21)
(22) ${{Q}_{\left( N\Delta \right)}}=\Delta \left( {{y}_{1}}\left( \Delta \right)+\frac{2\left( {{N}^{2}}-1 \right)}{3}{{y}_{2}}\left( \Delta \right) \right)$
将$\Delta =0.476$ 代入式(21)算出${{y}_{1}}$ 和${{y}_{2}}$ ,并代入式(22)算得变压器原、副边,滤波电感,谐振电感各绕组的$Q$ 值分别为12.31、3.26、1.72、1.94。
(23) $R=\frac{\rho l}{Wd}$
变压器原、副边和滤波电感的铜箔长度$l$ 分别为784 mm、392 mm、196 mm,宽度$W$ 都是8 mm,算得各绕组电阻为0.018 x$\text{ }\!\!\Omega\!\!\text{ }$ 、0.008 $\text{ }\!\!\Omega\!\!\text{ }$ 、0.004 $\text{ }\!\!\Omega\!\!\text{ }$ 、0.002 $\text{ }\!\!\Omega\!\!\text{ }$ 。最后通过式(19)计算得到交流铜箔损耗为2.063 W。
(24) . $W={{V}_{\text{in}}}^{2}\sigma f{{C}_{\text{r}}}$
式中,介质损耗角$\sigma $ 为0.001,经计算得到电介质损耗为0.27 mW。
4.5 电磁场有限元分析
经ANSYS电磁场仿真分析证明,磁件解耦部分单独加激励磁通密度分布如图7 所示,谐振电流${{i}_{\text{Lr}}}$ 产生的磁通${{\varphi }_{\text{Lr}}}$ 均匀分布在边柱回路。中柱磁通${{\varphi }_{\text{z}}}=0$ ,与绕在中柱的变压器绕组和滤波电感绕组实现完全解耦。
图7
所有截面同时加激励磁密矢量分布如图8 a所示,磁件整体磁感应强度不超过0.3 T,设计的101 μm气隙能够满足磁场不饱和的条件。
图8
如图8 b所示,变压器原副边采用三明治绕法,使得中柱气隙不被任何绕组包裹。用坡莫合金将中柱气隙均分成多个小气隙,等效提高中柱平均磁导率,限制了绕组漏磁通的产生,从而减小了磁心上导体的涡流损耗。同时,对比图8 a和图8 b可以发现,同样的磁感应强度下,气隙处扩散磁通明显减少。
如表3 所示,通过ANSYS电磁场仿真得到的参数与计算值基本相符,验证了理论的正确性。
5 仿真与试验
5.1 仿真验证
按照设计的参数进行仿真,得到滤波电感在两种不同情况下的纹波如图9 所示,未采用磁集成的滤波电感纹波电流约为0.651 51 A;采用磁集成并取${{k}_{\text{TL}}}$ 为0.906时的电流纹波约为0.390 2 A,下降了约40.1%,即$\varepsilon $ 为0.599。由式(11)可知,耦合度${{k}_{\text{TL}}}=0.906$ 时纹波系数$\varepsilon \approx 0.525$ ,耦合度${{k}_{\text{TL}}}$ 取1(全耦合)时纹波系数最小${{\varepsilon }_{\min }}=0.5$ ,仿真和试验测得的电流纹波比理论分析的要略大,是因为缺少对集成磁件漏感的精确分析。
图9
6 V/10 A软开关双管正激变换器中${{Q}_{1}}$ 和${{Q}_{2}}$ 的漏源电压${{v}_{\text{ds}}}$ 和漏源电流${{i}_{\text{ds}}}$ 波形如图10所示。在图10a中,开关管电流${{i}_{\text{ds}}}$ 上升前,${{v}_{\text{ds}}}$ 已经降到零,不会产生交叠损耗;同理从图10b可看出,开关管关断电压${{v}_{\text{ds}}}$ 上升前,流过开关管的电流就已经下降到0,未产生交叠损耗,实现了主开关管的软开关条件。
图10
5.2 试验验证
试验样机基本参数与仿真设计一样,MOS管选用IRF640,二极管选用MBR20200CT,分立磁件磁心选用GU36和GU42,经仿真,其磁密大概为0.2 T。EE30型集成磁件与分立磁件的对比如图11 所示,窗口利用率都在0.6左右,集成磁件比分立磁件节省了约45.3%的空间,试验样机如图12 所示,相比于传统ZVT双管正激变换器,节省了分立的滤波电感和谐振电容,有效提高了样机功率密度。
图11
图12
各绕组两端电压波形和滤波电感电流波形如 图13 所示,基本与仿真一致。
图13
效率曲线如图14 所示,通过调节负载,测得不同情况下的样机效率,未采用集成技术的双管正激变换器的效率处于(80%,84%)区间内;加入集成技术和软开关技术后,效率得到明显提升,但由于低压大电流的输出环境,60 W集成样机效率值保守位于区间(89%,92%)内。
图14
6 结论
为了进一步解决软开关双管正激变换器样机体积较大,磁件损耗较高的缺点,本文研究了ZVT软开关双管正激变换器中变压器与滤波电感、谐振电感、谐振电容之间的电磁集成得出如下结论。
(1) 开关电源中无源元件占用体积很大,采用电磁集成技术可以用柔性带材来实现容性无源元件和感性无源元件的集成,减少分立元件个数,提高磁心利用率和样机功率密度。
(2) 在EE型磁心中柱用坡莫合金带材分段填充气隙,既可将一个大气隙分成几个等距小气隙,从而有效减少气隙扩散磁通所造成的绕组损耗;又可增大中柱磁导率,减少漏磁通,从而减小涡流 损耗。
(3) 输出滤波电感和变压器绕组在中柱正向全耦合,可以减小电感电流纹波,取${{n}_{\text{TL}}}=2$ ,耦合度${{k}_{\text{TL}}}$ 为0.906时,纹波系数为0.524。但由于变压器和滤波电感紧耦合,导致该磁件只能适用于输入电压和占空比固定的场合。
参考文献
View Option
[1]
李洪珠 , 刘歆俣 , 李洪璠 , 等 . 正激变换器磁集成分析与设计准则
[J]. 中国电机工程学报 , 2019 , 39 (12 ):3667 -3676 .
[本文引用: 1]
LI Hongzhu , LIU Xinyu , LI Hongfan , et al. Analysis and design criteria for magnetic integration of forward converters
[J]. Proceedings of the CSEE , 2019 , 39 (12 ):3667 -3676 .
[本文引用: 1]
[2]
刘昌咏 , 赵晋斌 , 毛玲 , 等 . 一种高降压比DC-DC变换器
[J]. 电工技术学报 , 2019 , 34 (20 ):4264 -4271 .
[本文引用: 1]
LIU Changyong , ZHAO Jinbin , MAO Ling , et al. A high buck ratio DC-DC converter
[J]. Transactions of China Electrotechnical Society , 2019 , 34 (20 ):4264 -4271 .
[本文引用: 1]
[3]
杨玉岗 , 万冬 , 张凯强 . “目”字形耦合电感器的设计及应用
[J]. 电工技术学报 , 2016 , 31 (5 ):35 -43 .
[本文引用: 1]
YANG Yugang , WAN Dong , ZHANG Kaiqiang . Design and application of“Mesh”coupled inductor
[J]. Transactions of China Electrotechnical Society , 2016 , 31 (5 ):35 -43 .
[本文引用: 1]
[4]
LESLÉ J L , CAILLAUDET R , MOREL F , et al. Optimum design of a single-phase power pulsating buffer (PPB) with PCB-integrated inductor technologies
[C]// 2018 IEEE International Conference on Industrial Technology (ICIT),2018 :782 -787 .
[本文引用: 1]
[5]
蒋启文 . 基于柔性多层带材电磁元件集成技术若干应用 [D]. 湘潭 : 湘潭大学 , 2019 .
[本文引用: 1]
JIANG Qiwen . Several applications of electromagnetic element integration technology based on flexible multilayer foil [D]. Xiangtan : Xiangtan University , 2019 .
[本文引用: 1]
[6]
马杰 . 并网逆变器电磁元件集成方法研究 [D]. 杭州 : 浙江大学 , 2020 .
[本文引用: 1]
MA Jie . Research on integrated method of electromagnetic components for grid-connected inverters [D]. Hangzhou : Zhejiang University , 2020 .
[本文引用: 1]
[7]
雍马思倩 . 应用于光伏能源拓扑的电磁元件集成 [D]. 湘潭 : 湘潭大学 , 2020 .
[本文引用: 1]
YONGMA Siqian . Electromagnetic component integration applied to photovoltaic energy topology [D]. Xiangtan : Xiangtan University , 2020 .
[本文引用: 1]
[8]
邓成 . 柔性多层带材电磁元件集成方法及应用 [D]. 杭州 : 浙江大学 , 2014 .
[本文引用: 1]
DENG Cheng . Integration method and application of flexible multilayer foil electromagnetic components [D]. Hangzhou : Zhejiang University , 2014 .
[本文引用: 1]
[9]
王永强 , 郑志宏 , 欧阳宝龙 , 等 . 基于有限元耦合算法的变压器铁芯损耗计算
[J]. 系统仿真学报 , 2016 , 28 (8 ):1757 -1763 .
[本文引用: 1]
WANG Yongqiang , ZHENG Zhihong , OUYANG Baolong , et al. Transformer core loss calculation based on finite element coupling algorithm
[J]. Journal of System Simulation , 2016 , 28 (8 ):1757 -1763 .
[本文引用: 1]
[10]
张黎 , 王国政 , 董攀婷 , 等 . 基于磁致伸缩本征特性的晶粒取向性变压器铁心振动模型
[J]. 中国电机工程学报 , 2016 , 36 (14 ):3990 -4001 .
[本文引用: 1]
ZHANG Li , WANG Guozheng , DONG Panting , et al. Vibration model of grain oriented transformer core based on magnetostrictive characteristic
[J]. Proceedings of the CSEE , 2016 , 36 (14 ):3990 -4001 .
[本文引用: 1]
[11]
王迎迎 , 袁建生 . 铁心材料饱和磁化强度的偏差对求解变压器涌流的影响
[J]. 电工技术学报 , 2019 , 34 (12 ):2452 -2459 .
[本文引用: 1]
WANG Yingying , YUAN Jiansheng . Influence of the errorof saturation magnetization of core material on solving inge current of transformer
[J]. Transactions of China Electrotechnical Society , 2019 , 34 (12 ):2452 -2459 .
[本文引用: 1]
[12]
张昊然 . 低输出电流脉动的IM-TTF变换器 [D]. 南京 : 南京航空航天大学 , 2009 .
[本文引用: 1]
ZHANG Haoran . IM-TTF converter with low output current fluctuation [D]. Nanjing : Nanjing University of Aeronautics and Astronautics , 2009 .
[本文引用: 1]
[13]
郭瑞 , 王磊 , 杨玉岗 . 一种新型单元耦合阵列化可变耦合度集成磁件的研究及应用
[J]. 中国电机工程学报 , 2016 , 36 (18 ):5009 -5020 ,5126.
[本文引用: 1]
GUO Rui , WANG Lei , YANG Yugang . Research and application of a novel element coupling array variable coupling degree integrated magnetic element
[J]. Proceedings of the CSEE , 2016 , 36 (18 ):5009 -5020 ,5126.
[本文引用: 1]
[14]
DENG C , LI S , TANG J . A review of flexible multilayer foil integration technology for passive components
[J]. IEEE Transactions on Power Electronics , 2021 , 36 (11 ):13025 -13038 .
DOI:10.1109/TPEL.2021.3078125
URL
[本文引用: 1]
[15]
LI B , LI Q , LEE F C . High-frequency PCB winding transformer with integrated inductors for a bi-directional resonant converter
[J]. IEEE Transactions on Power Electronics , 2019 , 34 (7 ):6123 -6135 .
DOI:10.1109/TPEL.2018.2874806
URL
[本文引用: 1]
正激变换器磁集成分析与设计准则
1
2019
... 双管正激变换器由于开关管无直通风险、电压应力低、工作可靠性高、无须增设去磁回路等优点,在低压大电流的中小功率电子通信领域得到广泛应用.一些学者利用磁集成技术,有效地减小了无源元件的体积和电流纹波,降低了磁件损耗,提高了效率和动态响应.文献[1 ]将正激变换器的输出滤波电感和变压器原边、副边以及复位绕组进行磁集成,分析了耦合电感纹波减小的条件,总结了磁件设计准则.文献[2 ]针对双管正激变换器占空比不能超过0.5的问题,提出一种非隔离新型高降压比变换器,但两个电抗器为分立元件,磁件体积较大.文献[3 ]提出一种“目”字型耦合电感器结构,将耦合电感缠绕在中间两个U型磁心上,外层两个U型磁心未缠绕任何绕组,可以提供足够大的漏感来实现LLC的谐振电感参数,但磁心的利用率相对低下,对其他拓扑的应用效果较差.文献[4 ]提出了一种并联buck功率脉动缓冲器的优化设计方法,对改善功率密度有较好的适应性.文献[5 ⇓ ⇓ -8 ]对电磁集成的方法和应用做了分析,通过电磁集成可以进一步缩小无源元件体积,提高样机功率密度,但尚未对其他隔离型拓扑进行相关应用研究.文献[9 ]提出了一种基于棱边元与节点元耦合的计算变压器铁心损耗的E -Ψ 法模型,为集成磁件的损耗计算提供了更精确的计算方法.文献[10 ]基于磁性材料的磁致弹性伸缩特性,建立了变压器铁心的振动模型并进行了仿真分析,但没有结合具体的变换器分析磁心形变造成的影响.文献[11 ]用有限元法研究分析了磁饱和强度对变压器涌流的影响.文献[12 ]将集成磁件中交变磁通正向耦合的优点应用于双管正激变换器,详细分析了各种脉动波形所对应的集成磁件的绕组条件和磁阻条件.文献[13 ]提出一种新型单元耦合结构阵列式可变耦合度集成磁件,比传统整体磁心耦合电感具有更好的特性.文献[14 ]综述了FMLF集成技术的实现、结构和应用,阐述了其未来的研究领域.文献[15 ]提出一种新型PCB绕组磁结构,可以很容易地通过改变磁心截面积或气隙长度来控制电感值.电磁集成技术可以进一步缩小磁件体积,减小磁件损耗. ...
Analysis and design criteria for magnetic integration of forward converters
1
2019
... 双管正激变换器由于开关管无直通风险、电压应力低、工作可靠性高、无须增设去磁回路等优点,在低压大电流的中小功率电子通信领域得到广泛应用.一些学者利用磁集成技术,有效地减小了无源元件的体积和电流纹波,降低了磁件损耗,提高了效率和动态响应.文献[1 ]将正激变换器的输出滤波电感和变压器原边、副边以及复位绕组进行磁集成,分析了耦合电感纹波减小的条件,总结了磁件设计准则.文献[2 ]针对双管正激变换器占空比不能超过0.5的问题,提出一种非隔离新型高降压比变换器,但两个电抗器为分立元件,磁件体积较大.文献[3 ]提出一种“目”字型耦合电感器结构,将耦合电感缠绕在中间两个U型磁心上,外层两个U型磁心未缠绕任何绕组,可以提供足够大的漏感来实现LLC的谐振电感参数,但磁心的利用率相对低下,对其他拓扑的应用效果较差.文献[4 ]提出了一种并联buck功率脉动缓冲器的优化设计方法,对改善功率密度有较好的适应性.文献[5 ⇓ ⇓ -8 ]对电磁集成的方法和应用做了分析,通过电磁集成可以进一步缩小无源元件体积,提高样机功率密度,但尚未对其他隔离型拓扑进行相关应用研究.文献[9 ]提出了一种基于棱边元与节点元耦合的计算变压器铁心损耗的E -Ψ 法模型,为集成磁件的损耗计算提供了更精确的计算方法.文献[10 ]基于磁性材料的磁致弹性伸缩特性,建立了变压器铁心的振动模型并进行了仿真分析,但没有结合具体的变换器分析磁心形变造成的影响.文献[11 ]用有限元法研究分析了磁饱和强度对变压器涌流的影响.文献[12 ]将集成磁件中交变磁通正向耦合的优点应用于双管正激变换器,详细分析了各种脉动波形所对应的集成磁件的绕组条件和磁阻条件.文献[13 ]提出一种新型单元耦合结构阵列式可变耦合度集成磁件,比传统整体磁心耦合电感具有更好的特性.文献[14 ]综述了FMLF集成技术的实现、结构和应用,阐述了其未来的研究领域.文献[15 ]提出一种新型PCB绕组磁结构,可以很容易地通过改变磁心截面积或气隙长度来控制电感值.电磁集成技术可以进一步缩小磁件体积,减小磁件损耗. ...
一种高降压比DC-DC变换器
1
2019
... 双管正激变换器由于开关管无直通风险、电压应力低、工作可靠性高、无须增设去磁回路等优点,在低压大电流的中小功率电子通信领域得到广泛应用.一些学者利用磁集成技术,有效地减小了无源元件的体积和电流纹波,降低了磁件损耗,提高了效率和动态响应.文献[1 ]将正激变换器的输出滤波电感和变压器原边、副边以及复位绕组进行磁集成,分析了耦合电感纹波减小的条件,总结了磁件设计准则.文献[2 ]针对双管正激变换器占空比不能超过0.5的问题,提出一种非隔离新型高降压比变换器,但两个电抗器为分立元件,磁件体积较大.文献[3 ]提出一种“目”字型耦合电感器结构,将耦合电感缠绕在中间两个U型磁心上,外层两个U型磁心未缠绕任何绕组,可以提供足够大的漏感来实现LLC的谐振电感参数,但磁心的利用率相对低下,对其他拓扑的应用效果较差.文献[4 ]提出了一种并联buck功率脉动缓冲器的优化设计方法,对改善功率密度有较好的适应性.文献[5 ⇓ ⇓ -8 ]对电磁集成的方法和应用做了分析,通过电磁集成可以进一步缩小无源元件体积,提高样机功率密度,但尚未对其他隔离型拓扑进行相关应用研究.文献[9 ]提出了一种基于棱边元与节点元耦合的计算变压器铁心损耗的E -Ψ 法模型,为集成磁件的损耗计算提供了更精确的计算方法.文献[10 ]基于磁性材料的磁致弹性伸缩特性,建立了变压器铁心的振动模型并进行了仿真分析,但没有结合具体的变换器分析磁心形变造成的影响.文献[11 ]用有限元法研究分析了磁饱和强度对变压器涌流的影响.文献[12 ]将集成磁件中交变磁通正向耦合的优点应用于双管正激变换器,详细分析了各种脉动波形所对应的集成磁件的绕组条件和磁阻条件.文献[13 ]提出一种新型单元耦合结构阵列式可变耦合度集成磁件,比传统整体磁心耦合电感具有更好的特性.文献[14 ]综述了FMLF集成技术的实现、结构和应用,阐述了其未来的研究领域.文献[15 ]提出一种新型PCB绕组磁结构,可以很容易地通过改变磁心截面积或气隙长度来控制电感值.电磁集成技术可以进一步缩小磁件体积,减小磁件损耗. ...
A high buck ratio DC-DC converter
1
2019
... 双管正激变换器由于开关管无直通风险、电压应力低、工作可靠性高、无须增设去磁回路等优点,在低压大电流的中小功率电子通信领域得到广泛应用.一些学者利用磁集成技术,有效地减小了无源元件的体积和电流纹波,降低了磁件损耗,提高了效率和动态响应.文献[1 ]将正激变换器的输出滤波电感和变压器原边、副边以及复位绕组进行磁集成,分析了耦合电感纹波减小的条件,总结了磁件设计准则.文献[2 ]针对双管正激变换器占空比不能超过0.5的问题,提出一种非隔离新型高降压比变换器,但两个电抗器为分立元件,磁件体积较大.文献[3 ]提出一种“目”字型耦合电感器结构,将耦合电感缠绕在中间两个U型磁心上,外层两个U型磁心未缠绕任何绕组,可以提供足够大的漏感来实现LLC的谐振电感参数,但磁心的利用率相对低下,对其他拓扑的应用效果较差.文献[4 ]提出了一种并联buck功率脉动缓冲器的优化设计方法,对改善功率密度有较好的适应性.文献[5 ⇓ ⇓ -8 ]对电磁集成的方法和应用做了分析,通过电磁集成可以进一步缩小无源元件体积,提高样机功率密度,但尚未对其他隔离型拓扑进行相关应用研究.文献[9 ]提出了一种基于棱边元与节点元耦合的计算变压器铁心损耗的E -Ψ 法模型,为集成磁件的损耗计算提供了更精确的计算方法.文献[10 ]基于磁性材料的磁致弹性伸缩特性,建立了变压器铁心的振动模型并进行了仿真分析,但没有结合具体的变换器分析磁心形变造成的影响.文献[11 ]用有限元法研究分析了磁饱和强度对变压器涌流的影响.文献[12 ]将集成磁件中交变磁通正向耦合的优点应用于双管正激变换器,详细分析了各种脉动波形所对应的集成磁件的绕组条件和磁阻条件.文献[13 ]提出一种新型单元耦合结构阵列式可变耦合度集成磁件,比传统整体磁心耦合电感具有更好的特性.文献[14 ]综述了FMLF集成技术的实现、结构和应用,阐述了其未来的研究领域.文献[15 ]提出一种新型PCB绕组磁结构,可以很容易地通过改变磁心截面积或气隙长度来控制电感值.电磁集成技术可以进一步缩小磁件体积,减小磁件损耗. ...
“目”字形耦合电感器的设计及应用
1
2016
... 双管正激变换器由于开关管无直通风险、电压应力低、工作可靠性高、无须增设去磁回路等优点,在低压大电流的中小功率电子通信领域得到广泛应用.一些学者利用磁集成技术,有效地减小了无源元件的体积和电流纹波,降低了磁件损耗,提高了效率和动态响应.文献[1 ]将正激变换器的输出滤波电感和变压器原边、副边以及复位绕组进行磁集成,分析了耦合电感纹波减小的条件,总结了磁件设计准则.文献[2 ]针对双管正激变换器占空比不能超过0.5的问题,提出一种非隔离新型高降压比变换器,但两个电抗器为分立元件,磁件体积较大.文献[3 ]提出一种“目”字型耦合电感器结构,将耦合电感缠绕在中间两个U型磁心上,外层两个U型磁心未缠绕任何绕组,可以提供足够大的漏感来实现LLC的谐振电感参数,但磁心的利用率相对低下,对其他拓扑的应用效果较差.文献[4 ]提出了一种并联buck功率脉动缓冲器的优化设计方法,对改善功率密度有较好的适应性.文献[5 ⇓ ⇓ -8 ]对电磁集成的方法和应用做了分析,通过电磁集成可以进一步缩小无源元件体积,提高样机功率密度,但尚未对其他隔离型拓扑进行相关应用研究.文献[9 ]提出了一种基于棱边元与节点元耦合的计算变压器铁心损耗的E -Ψ 法模型,为集成磁件的损耗计算提供了更精确的计算方法.文献[10 ]基于磁性材料的磁致弹性伸缩特性,建立了变压器铁心的振动模型并进行了仿真分析,但没有结合具体的变换器分析磁心形变造成的影响.文献[11 ]用有限元法研究分析了磁饱和强度对变压器涌流的影响.文献[12 ]将集成磁件中交变磁通正向耦合的优点应用于双管正激变换器,详细分析了各种脉动波形所对应的集成磁件的绕组条件和磁阻条件.文献[13 ]提出一种新型单元耦合结构阵列式可变耦合度集成磁件,比传统整体磁心耦合电感具有更好的特性.文献[14 ]综述了FMLF集成技术的实现、结构和应用,阐述了其未来的研究领域.文献[15 ]提出一种新型PCB绕组磁结构,可以很容易地通过改变磁心截面积或气隙长度来控制电感值.电磁集成技术可以进一步缩小磁件体积,减小磁件损耗. ...
Design and application of“Mesh”coupled inductor
1
2016
... 双管正激变换器由于开关管无直通风险、电压应力低、工作可靠性高、无须增设去磁回路等优点,在低压大电流的中小功率电子通信领域得到广泛应用.一些学者利用磁集成技术,有效地减小了无源元件的体积和电流纹波,降低了磁件损耗,提高了效率和动态响应.文献[1 ]将正激变换器的输出滤波电感和变压器原边、副边以及复位绕组进行磁集成,分析了耦合电感纹波减小的条件,总结了磁件设计准则.文献[2 ]针对双管正激变换器占空比不能超过0.5的问题,提出一种非隔离新型高降压比变换器,但两个电抗器为分立元件,磁件体积较大.文献[3 ]提出一种“目”字型耦合电感器结构,将耦合电感缠绕在中间两个U型磁心上,外层两个U型磁心未缠绕任何绕组,可以提供足够大的漏感来实现LLC的谐振电感参数,但磁心的利用率相对低下,对其他拓扑的应用效果较差.文献[4 ]提出了一种并联buck功率脉动缓冲器的优化设计方法,对改善功率密度有较好的适应性.文献[5 ⇓ ⇓ -8 ]对电磁集成的方法和应用做了分析,通过电磁集成可以进一步缩小无源元件体积,提高样机功率密度,但尚未对其他隔离型拓扑进行相关应用研究.文献[9 ]提出了一种基于棱边元与节点元耦合的计算变压器铁心损耗的E -Ψ 法模型,为集成磁件的损耗计算提供了更精确的计算方法.文献[10 ]基于磁性材料的磁致弹性伸缩特性,建立了变压器铁心的振动模型并进行了仿真分析,但没有结合具体的变换器分析磁心形变造成的影响.文献[11 ]用有限元法研究分析了磁饱和强度对变压器涌流的影响.文献[12 ]将集成磁件中交变磁通正向耦合的优点应用于双管正激变换器,详细分析了各种脉动波形所对应的集成磁件的绕组条件和磁阻条件.文献[13 ]提出一种新型单元耦合结构阵列式可变耦合度集成磁件,比传统整体磁心耦合电感具有更好的特性.文献[14 ]综述了FMLF集成技术的实现、结构和应用,阐述了其未来的研究领域.文献[15 ]提出一种新型PCB绕组磁结构,可以很容易地通过改变磁心截面积或气隙长度来控制电感值.电磁集成技术可以进一步缩小磁件体积,减小磁件损耗. ...
Optimum design of a single-phase power pulsating buffer (PPB) with PCB-integrated inductor technologies
1
... 双管正激变换器由于开关管无直通风险、电压应力低、工作可靠性高、无须增设去磁回路等优点,在低压大电流的中小功率电子通信领域得到广泛应用.一些学者利用磁集成技术,有效地减小了无源元件的体积和电流纹波,降低了磁件损耗,提高了效率和动态响应.文献[1 ]将正激变换器的输出滤波电感和变压器原边、副边以及复位绕组进行磁集成,分析了耦合电感纹波减小的条件,总结了磁件设计准则.文献[2 ]针对双管正激变换器占空比不能超过0.5的问题,提出一种非隔离新型高降压比变换器,但两个电抗器为分立元件,磁件体积较大.文献[3 ]提出一种“目”字型耦合电感器结构,将耦合电感缠绕在中间两个U型磁心上,外层两个U型磁心未缠绕任何绕组,可以提供足够大的漏感来实现LLC的谐振电感参数,但磁心的利用率相对低下,对其他拓扑的应用效果较差.文献[4 ]提出了一种并联buck功率脉动缓冲器的优化设计方法,对改善功率密度有较好的适应性.文献[5 ⇓ ⇓ -8 ]对电磁集成的方法和应用做了分析,通过电磁集成可以进一步缩小无源元件体积,提高样机功率密度,但尚未对其他隔离型拓扑进行相关应用研究.文献[9 ]提出了一种基于棱边元与节点元耦合的计算变压器铁心损耗的E -Ψ 法模型,为集成磁件的损耗计算提供了更精确的计算方法.文献[10 ]基于磁性材料的磁致弹性伸缩特性,建立了变压器铁心的振动模型并进行了仿真分析,但没有结合具体的变换器分析磁心形变造成的影响.文献[11 ]用有限元法研究分析了磁饱和强度对变压器涌流的影响.文献[12 ]将集成磁件中交变磁通正向耦合的优点应用于双管正激变换器,详细分析了各种脉动波形所对应的集成磁件的绕组条件和磁阻条件.文献[13 ]提出一种新型单元耦合结构阵列式可变耦合度集成磁件,比传统整体磁心耦合电感具有更好的特性.文献[14 ]综述了FMLF集成技术的实现、结构和应用,阐述了其未来的研究领域.文献[15 ]提出一种新型PCB绕组磁结构,可以很容易地通过改变磁心截面积或气隙长度来控制电感值.电磁集成技术可以进一步缩小磁件体积,减小磁件损耗. ...
1
2019
... 双管正激变换器由于开关管无直通风险、电压应力低、工作可靠性高、无须增设去磁回路等优点,在低压大电流的中小功率电子通信领域得到广泛应用.一些学者利用磁集成技术,有效地减小了无源元件的体积和电流纹波,降低了磁件损耗,提高了效率和动态响应.文献[1 ]将正激变换器的输出滤波电感和变压器原边、副边以及复位绕组进行磁集成,分析了耦合电感纹波减小的条件,总结了磁件设计准则.文献[2 ]针对双管正激变换器占空比不能超过0.5的问题,提出一种非隔离新型高降压比变换器,但两个电抗器为分立元件,磁件体积较大.文献[3 ]提出一种“目”字型耦合电感器结构,将耦合电感缠绕在中间两个U型磁心上,外层两个U型磁心未缠绕任何绕组,可以提供足够大的漏感来实现LLC的谐振电感参数,但磁心的利用率相对低下,对其他拓扑的应用效果较差.文献[4 ]提出了一种并联buck功率脉动缓冲器的优化设计方法,对改善功率密度有较好的适应性.文献[5 ⇓ ⇓ -8 ]对电磁集成的方法和应用做了分析,通过电磁集成可以进一步缩小无源元件体积,提高样机功率密度,但尚未对其他隔离型拓扑进行相关应用研究.文献[9 ]提出了一种基于棱边元与节点元耦合的计算变压器铁心损耗的E -Ψ 法模型,为集成磁件的损耗计算提供了更精确的计算方法.文献[10 ]基于磁性材料的磁致弹性伸缩特性,建立了变压器铁心的振动模型并进行了仿真分析,但没有结合具体的变换器分析磁心形变造成的影响.文献[11 ]用有限元法研究分析了磁饱和强度对变压器涌流的影响.文献[12 ]将集成磁件中交变磁通正向耦合的优点应用于双管正激变换器,详细分析了各种脉动波形所对应的集成磁件的绕组条件和磁阻条件.文献[13 ]提出一种新型单元耦合结构阵列式可变耦合度集成磁件,比传统整体磁心耦合电感具有更好的特性.文献[14 ]综述了FMLF集成技术的实现、结构和应用,阐述了其未来的研究领域.文献[15 ]提出一种新型PCB绕组磁结构,可以很容易地通过改变磁心截面积或气隙长度来控制电感值.电磁集成技术可以进一步缩小磁件体积,减小磁件损耗. ...
1
2019
... 双管正激变换器由于开关管无直通风险、电压应力低、工作可靠性高、无须增设去磁回路等优点,在低压大电流的中小功率电子通信领域得到广泛应用.一些学者利用磁集成技术,有效地减小了无源元件的体积和电流纹波,降低了磁件损耗,提高了效率和动态响应.文献[1 ]将正激变换器的输出滤波电感和变压器原边、副边以及复位绕组进行磁集成,分析了耦合电感纹波减小的条件,总结了磁件设计准则.文献[2 ]针对双管正激变换器占空比不能超过0.5的问题,提出一种非隔离新型高降压比变换器,但两个电抗器为分立元件,磁件体积较大.文献[3 ]提出一种“目”字型耦合电感器结构,将耦合电感缠绕在中间两个U型磁心上,外层两个U型磁心未缠绕任何绕组,可以提供足够大的漏感来实现LLC的谐振电感参数,但磁心的利用率相对低下,对其他拓扑的应用效果较差.文献[4 ]提出了一种并联buck功率脉动缓冲器的优化设计方法,对改善功率密度有较好的适应性.文献[5 ⇓ ⇓ -8 ]对电磁集成的方法和应用做了分析,通过电磁集成可以进一步缩小无源元件体积,提高样机功率密度,但尚未对其他隔离型拓扑进行相关应用研究.文献[9 ]提出了一种基于棱边元与节点元耦合的计算变压器铁心损耗的E -Ψ 法模型,为集成磁件的损耗计算提供了更精确的计算方法.文献[10 ]基于磁性材料的磁致弹性伸缩特性,建立了变压器铁心的振动模型并进行了仿真分析,但没有结合具体的变换器分析磁心形变造成的影响.文献[11 ]用有限元法研究分析了磁饱和强度对变压器涌流的影响.文献[12 ]将集成磁件中交变磁通正向耦合的优点应用于双管正激变换器,详细分析了各种脉动波形所对应的集成磁件的绕组条件和磁阻条件.文献[13 ]提出一种新型单元耦合结构阵列式可变耦合度集成磁件,比传统整体磁心耦合电感具有更好的特性.文献[14 ]综述了FMLF集成技术的实现、结构和应用,阐述了其未来的研究领域.文献[15 ]提出一种新型PCB绕组磁结构,可以很容易地通过改变磁心截面积或气隙长度来控制电感值.电磁集成技术可以进一步缩小磁件体积,减小磁件损耗. ...
1
2020
... 双管正激变换器由于开关管无直通风险、电压应力低、工作可靠性高、无须增设去磁回路等优点,在低压大电流的中小功率电子通信领域得到广泛应用.一些学者利用磁集成技术,有效地减小了无源元件的体积和电流纹波,降低了磁件损耗,提高了效率和动态响应.文献[1 ]将正激变换器的输出滤波电感和变压器原边、副边以及复位绕组进行磁集成,分析了耦合电感纹波减小的条件,总结了磁件设计准则.文献[2 ]针对双管正激变换器占空比不能超过0.5的问题,提出一种非隔离新型高降压比变换器,但两个电抗器为分立元件,磁件体积较大.文献[3 ]提出一种“目”字型耦合电感器结构,将耦合电感缠绕在中间两个U型磁心上,外层两个U型磁心未缠绕任何绕组,可以提供足够大的漏感来实现LLC的谐振电感参数,但磁心的利用率相对低下,对其他拓扑的应用效果较差.文献[4 ]提出了一种并联buck功率脉动缓冲器的优化设计方法,对改善功率密度有较好的适应性.文献[5 ⇓ ⇓ -8 ]对电磁集成的方法和应用做了分析,通过电磁集成可以进一步缩小无源元件体积,提高样机功率密度,但尚未对其他隔离型拓扑进行相关应用研究.文献[9 ]提出了一种基于棱边元与节点元耦合的计算变压器铁心损耗的E -Ψ 法模型,为集成磁件的损耗计算提供了更精确的计算方法.文献[10 ]基于磁性材料的磁致弹性伸缩特性,建立了变压器铁心的振动模型并进行了仿真分析,但没有结合具体的变换器分析磁心形变造成的影响.文献[11 ]用有限元法研究分析了磁饱和强度对变压器涌流的影响.文献[12 ]将集成磁件中交变磁通正向耦合的优点应用于双管正激变换器,详细分析了各种脉动波形所对应的集成磁件的绕组条件和磁阻条件.文献[13 ]提出一种新型单元耦合结构阵列式可变耦合度集成磁件,比传统整体磁心耦合电感具有更好的特性.文献[14 ]综述了FMLF集成技术的实现、结构和应用,阐述了其未来的研究领域.文献[15 ]提出一种新型PCB绕组磁结构,可以很容易地通过改变磁心截面积或气隙长度来控制电感值.电磁集成技术可以进一步缩小磁件体积,减小磁件损耗. ...
1
2020
... 双管正激变换器由于开关管无直通风险、电压应力低、工作可靠性高、无须增设去磁回路等优点,在低压大电流的中小功率电子通信领域得到广泛应用.一些学者利用磁集成技术,有效地减小了无源元件的体积和电流纹波,降低了磁件损耗,提高了效率和动态响应.文献[1 ]将正激变换器的输出滤波电感和变压器原边、副边以及复位绕组进行磁集成,分析了耦合电感纹波减小的条件,总结了磁件设计准则.文献[2 ]针对双管正激变换器占空比不能超过0.5的问题,提出一种非隔离新型高降压比变换器,但两个电抗器为分立元件,磁件体积较大.文献[3 ]提出一种“目”字型耦合电感器结构,将耦合电感缠绕在中间两个U型磁心上,外层两个U型磁心未缠绕任何绕组,可以提供足够大的漏感来实现LLC的谐振电感参数,但磁心的利用率相对低下,对其他拓扑的应用效果较差.文献[4 ]提出了一种并联buck功率脉动缓冲器的优化设计方法,对改善功率密度有较好的适应性.文献[5 ⇓ ⇓ -8 ]对电磁集成的方法和应用做了分析,通过电磁集成可以进一步缩小无源元件体积,提高样机功率密度,但尚未对其他隔离型拓扑进行相关应用研究.文献[9 ]提出了一种基于棱边元与节点元耦合的计算变压器铁心损耗的E -Ψ 法模型,为集成磁件的损耗计算提供了更精确的计算方法.文献[10 ]基于磁性材料的磁致弹性伸缩特性,建立了变压器铁心的振动模型并进行了仿真分析,但没有结合具体的变换器分析磁心形变造成的影响.文献[11 ]用有限元法研究分析了磁饱和强度对变压器涌流的影响.文献[12 ]将集成磁件中交变磁通正向耦合的优点应用于双管正激变换器,详细分析了各种脉动波形所对应的集成磁件的绕组条件和磁阻条件.文献[13 ]提出一种新型单元耦合结构阵列式可变耦合度集成磁件,比传统整体磁心耦合电感具有更好的特性.文献[14 ]综述了FMLF集成技术的实现、结构和应用,阐述了其未来的研究领域.文献[15 ]提出一种新型PCB绕组磁结构,可以很容易地通过改变磁心截面积或气隙长度来控制电感值.电磁集成技术可以进一步缩小磁件体积,减小磁件损耗. ...
1
2020
... 双管正激变换器由于开关管无直通风险、电压应力低、工作可靠性高、无须增设去磁回路等优点,在低压大电流的中小功率电子通信领域得到广泛应用.一些学者利用磁集成技术,有效地减小了无源元件的体积和电流纹波,降低了磁件损耗,提高了效率和动态响应.文献[1 ]将正激变换器的输出滤波电感和变压器原边、副边以及复位绕组进行磁集成,分析了耦合电感纹波减小的条件,总结了磁件设计准则.文献[2 ]针对双管正激变换器占空比不能超过0.5的问题,提出一种非隔离新型高降压比变换器,但两个电抗器为分立元件,磁件体积较大.文献[3 ]提出一种“目”字型耦合电感器结构,将耦合电感缠绕在中间两个U型磁心上,外层两个U型磁心未缠绕任何绕组,可以提供足够大的漏感来实现LLC的谐振电感参数,但磁心的利用率相对低下,对其他拓扑的应用效果较差.文献[4 ]提出了一种并联buck功率脉动缓冲器的优化设计方法,对改善功率密度有较好的适应性.文献[5 ⇓ ⇓ -8 ]对电磁集成的方法和应用做了分析,通过电磁集成可以进一步缩小无源元件体积,提高样机功率密度,但尚未对其他隔离型拓扑进行相关应用研究.文献[9 ]提出了一种基于棱边元与节点元耦合的计算变压器铁心损耗的E -Ψ 法模型,为集成磁件的损耗计算提供了更精确的计算方法.文献[10 ]基于磁性材料的磁致弹性伸缩特性,建立了变压器铁心的振动模型并进行了仿真分析,但没有结合具体的变换器分析磁心形变造成的影响.文献[11 ]用有限元法研究分析了磁饱和强度对变压器涌流的影响.文献[12 ]将集成磁件中交变磁通正向耦合的优点应用于双管正激变换器,详细分析了各种脉动波形所对应的集成磁件的绕组条件和磁阻条件.文献[13 ]提出一种新型单元耦合结构阵列式可变耦合度集成磁件,比传统整体磁心耦合电感具有更好的特性.文献[14 ]综述了FMLF集成技术的实现、结构和应用,阐述了其未来的研究领域.文献[15 ]提出一种新型PCB绕组磁结构,可以很容易地通过改变磁心截面积或气隙长度来控制电感值.电磁集成技术可以进一步缩小磁件体积,减小磁件损耗. ...
1
2020
... 双管正激变换器由于开关管无直通风险、电压应力低、工作可靠性高、无须增设去磁回路等优点,在低压大电流的中小功率电子通信领域得到广泛应用.一些学者利用磁集成技术,有效地减小了无源元件的体积和电流纹波,降低了磁件损耗,提高了效率和动态响应.文献[1 ]将正激变换器的输出滤波电感和变压器原边、副边以及复位绕组进行磁集成,分析了耦合电感纹波减小的条件,总结了磁件设计准则.文献[2 ]针对双管正激变换器占空比不能超过0.5的问题,提出一种非隔离新型高降压比变换器,但两个电抗器为分立元件,磁件体积较大.文献[3 ]提出一种“目”字型耦合电感器结构,将耦合电感缠绕在中间两个U型磁心上,外层两个U型磁心未缠绕任何绕组,可以提供足够大的漏感来实现LLC的谐振电感参数,但磁心的利用率相对低下,对其他拓扑的应用效果较差.文献[4 ]提出了一种并联buck功率脉动缓冲器的优化设计方法,对改善功率密度有较好的适应性.文献[5 ⇓ ⇓ -8 ]对电磁集成的方法和应用做了分析,通过电磁集成可以进一步缩小无源元件体积,提高样机功率密度,但尚未对其他隔离型拓扑进行相关应用研究.文献[9 ]提出了一种基于棱边元与节点元耦合的计算变压器铁心损耗的E -Ψ 法模型,为集成磁件的损耗计算提供了更精确的计算方法.文献[10 ]基于磁性材料的磁致弹性伸缩特性,建立了变压器铁心的振动模型并进行了仿真分析,但没有结合具体的变换器分析磁心形变造成的影响.文献[11 ]用有限元法研究分析了磁饱和强度对变压器涌流的影响.文献[12 ]将集成磁件中交变磁通正向耦合的优点应用于双管正激变换器,详细分析了各种脉动波形所对应的集成磁件的绕组条件和磁阻条件.文献[13 ]提出一种新型单元耦合结构阵列式可变耦合度集成磁件,比传统整体磁心耦合电感具有更好的特性.文献[14 ]综述了FMLF集成技术的实现、结构和应用,阐述了其未来的研究领域.文献[15 ]提出一种新型PCB绕组磁结构,可以很容易地通过改变磁心截面积或气隙长度来控制电感值.电磁集成技术可以进一步缩小磁件体积,减小磁件损耗. ...
1
2014
... 双管正激变换器由于开关管无直通风险、电压应力低、工作可靠性高、无须增设去磁回路等优点,在低压大电流的中小功率电子通信领域得到广泛应用.一些学者利用磁集成技术,有效地减小了无源元件的体积和电流纹波,降低了磁件损耗,提高了效率和动态响应.文献[1 ]将正激变换器的输出滤波电感和变压器原边、副边以及复位绕组进行磁集成,分析了耦合电感纹波减小的条件,总结了磁件设计准则.文献[2 ]针对双管正激变换器占空比不能超过0.5的问题,提出一种非隔离新型高降压比变换器,但两个电抗器为分立元件,磁件体积较大.文献[3 ]提出一种“目”字型耦合电感器结构,将耦合电感缠绕在中间两个U型磁心上,外层两个U型磁心未缠绕任何绕组,可以提供足够大的漏感来实现LLC的谐振电感参数,但磁心的利用率相对低下,对其他拓扑的应用效果较差.文献[4 ]提出了一种并联buck功率脉动缓冲器的优化设计方法,对改善功率密度有较好的适应性.文献[5 ⇓ ⇓ -8 ]对电磁集成的方法和应用做了分析,通过电磁集成可以进一步缩小无源元件体积,提高样机功率密度,但尚未对其他隔离型拓扑进行相关应用研究.文献[9 ]提出了一种基于棱边元与节点元耦合的计算变压器铁心损耗的E -Ψ 法模型,为集成磁件的损耗计算提供了更精确的计算方法.文献[10 ]基于磁性材料的磁致弹性伸缩特性,建立了变压器铁心的振动模型并进行了仿真分析,但没有结合具体的变换器分析磁心形变造成的影响.文献[11 ]用有限元法研究分析了磁饱和强度对变压器涌流的影响.文献[12 ]将集成磁件中交变磁通正向耦合的优点应用于双管正激变换器,详细分析了各种脉动波形所对应的集成磁件的绕组条件和磁阻条件.文献[13 ]提出一种新型单元耦合结构阵列式可变耦合度集成磁件,比传统整体磁心耦合电感具有更好的特性.文献[14 ]综述了FMLF集成技术的实现、结构和应用,阐述了其未来的研究领域.文献[15 ]提出一种新型PCB绕组磁结构,可以很容易地通过改变磁心截面积或气隙长度来控制电感值.电磁集成技术可以进一步缩小磁件体积,减小磁件损耗. ...
1
2014
... 双管正激变换器由于开关管无直通风险、电压应力低、工作可靠性高、无须增设去磁回路等优点,在低压大电流的中小功率电子通信领域得到广泛应用.一些学者利用磁集成技术,有效地减小了无源元件的体积和电流纹波,降低了磁件损耗,提高了效率和动态响应.文献[1 ]将正激变换器的输出滤波电感和变压器原边、副边以及复位绕组进行磁集成,分析了耦合电感纹波减小的条件,总结了磁件设计准则.文献[2 ]针对双管正激变换器占空比不能超过0.5的问题,提出一种非隔离新型高降压比变换器,但两个电抗器为分立元件,磁件体积较大.文献[3 ]提出一种“目”字型耦合电感器结构,将耦合电感缠绕在中间两个U型磁心上,外层两个U型磁心未缠绕任何绕组,可以提供足够大的漏感来实现LLC的谐振电感参数,但磁心的利用率相对低下,对其他拓扑的应用效果较差.文献[4 ]提出了一种并联buck功率脉动缓冲器的优化设计方法,对改善功率密度有较好的适应性.文献[5 ⇓ ⇓ -8 ]对电磁集成的方法和应用做了分析,通过电磁集成可以进一步缩小无源元件体积,提高样机功率密度,但尚未对其他隔离型拓扑进行相关应用研究.文献[9 ]提出了一种基于棱边元与节点元耦合的计算变压器铁心损耗的E -Ψ 法模型,为集成磁件的损耗计算提供了更精确的计算方法.文献[10 ]基于磁性材料的磁致弹性伸缩特性,建立了变压器铁心的振动模型并进行了仿真分析,但没有结合具体的变换器分析磁心形变造成的影响.文献[11 ]用有限元法研究分析了磁饱和强度对变压器涌流的影响.文献[12 ]将集成磁件中交变磁通正向耦合的优点应用于双管正激变换器,详细分析了各种脉动波形所对应的集成磁件的绕组条件和磁阻条件.文献[13 ]提出一种新型单元耦合结构阵列式可变耦合度集成磁件,比传统整体磁心耦合电感具有更好的特性.文献[14 ]综述了FMLF集成技术的实现、结构和应用,阐述了其未来的研究领域.文献[15 ]提出一种新型PCB绕组磁结构,可以很容易地通过改变磁心截面积或气隙长度来控制电感值.电磁集成技术可以进一步缩小磁件体积,减小磁件损耗. ...
基于有限元耦合算法的变压器铁芯损耗计算
1
2016
... 双管正激变换器由于开关管无直通风险、电压应力低、工作可靠性高、无须增设去磁回路等优点,在低压大电流的中小功率电子通信领域得到广泛应用.一些学者利用磁集成技术,有效地减小了无源元件的体积和电流纹波,降低了磁件损耗,提高了效率和动态响应.文献[1 ]将正激变换器的输出滤波电感和变压器原边、副边以及复位绕组进行磁集成,分析了耦合电感纹波减小的条件,总结了磁件设计准则.文献[2 ]针对双管正激变换器占空比不能超过0.5的问题,提出一种非隔离新型高降压比变换器,但两个电抗器为分立元件,磁件体积较大.文献[3 ]提出一种“目”字型耦合电感器结构,将耦合电感缠绕在中间两个U型磁心上,外层两个U型磁心未缠绕任何绕组,可以提供足够大的漏感来实现LLC的谐振电感参数,但磁心的利用率相对低下,对其他拓扑的应用效果较差.文献[4 ]提出了一种并联buck功率脉动缓冲器的优化设计方法,对改善功率密度有较好的适应性.文献[5 ⇓ ⇓ -8 ]对电磁集成的方法和应用做了分析,通过电磁集成可以进一步缩小无源元件体积,提高样机功率密度,但尚未对其他隔离型拓扑进行相关应用研究.文献[9 ]提出了一种基于棱边元与节点元耦合的计算变压器铁心损耗的E -Ψ 法模型,为集成磁件的损耗计算提供了更精确的计算方法.文献[10 ]基于磁性材料的磁致弹性伸缩特性,建立了变压器铁心的振动模型并进行了仿真分析,但没有结合具体的变换器分析磁心形变造成的影响.文献[11 ]用有限元法研究分析了磁饱和强度对变压器涌流的影响.文献[12 ]将集成磁件中交变磁通正向耦合的优点应用于双管正激变换器,详细分析了各种脉动波形所对应的集成磁件的绕组条件和磁阻条件.文献[13 ]提出一种新型单元耦合结构阵列式可变耦合度集成磁件,比传统整体磁心耦合电感具有更好的特性.文献[14 ]综述了FMLF集成技术的实现、结构和应用,阐述了其未来的研究领域.文献[15 ]提出一种新型PCB绕组磁结构,可以很容易地通过改变磁心截面积或气隙长度来控制电感值.电磁集成技术可以进一步缩小磁件体积,减小磁件损耗. ...
Transformer core loss calculation based on finite element coupling algorithm
1
2016
... 双管正激变换器由于开关管无直通风险、电压应力低、工作可靠性高、无须增设去磁回路等优点,在低压大电流的中小功率电子通信领域得到广泛应用.一些学者利用磁集成技术,有效地减小了无源元件的体积和电流纹波,降低了磁件损耗,提高了效率和动态响应.文献[1 ]将正激变换器的输出滤波电感和变压器原边、副边以及复位绕组进行磁集成,分析了耦合电感纹波减小的条件,总结了磁件设计准则.文献[2 ]针对双管正激变换器占空比不能超过0.5的问题,提出一种非隔离新型高降压比变换器,但两个电抗器为分立元件,磁件体积较大.文献[3 ]提出一种“目”字型耦合电感器结构,将耦合电感缠绕在中间两个U型磁心上,外层两个U型磁心未缠绕任何绕组,可以提供足够大的漏感来实现LLC的谐振电感参数,但磁心的利用率相对低下,对其他拓扑的应用效果较差.文献[4 ]提出了一种并联buck功率脉动缓冲器的优化设计方法,对改善功率密度有较好的适应性.文献[5 ⇓ ⇓ -8 ]对电磁集成的方法和应用做了分析,通过电磁集成可以进一步缩小无源元件体积,提高样机功率密度,但尚未对其他隔离型拓扑进行相关应用研究.文献[9 ]提出了一种基于棱边元与节点元耦合的计算变压器铁心损耗的E -Ψ 法模型,为集成磁件的损耗计算提供了更精确的计算方法.文献[10 ]基于磁性材料的磁致弹性伸缩特性,建立了变压器铁心的振动模型并进行了仿真分析,但没有结合具体的变换器分析磁心形变造成的影响.文献[11 ]用有限元法研究分析了磁饱和强度对变压器涌流的影响.文献[12 ]将集成磁件中交变磁通正向耦合的优点应用于双管正激变换器,详细分析了各种脉动波形所对应的集成磁件的绕组条件和磁阻条件.文献[13 ]提出一种新型单元耦合结构阵列式可变耦合度集成磁件,比传统整体磁心耦合电感具有更好的特性.文献[14 ]综述了FMLF集成技术的实现、结构和应用,阐述了其未来的研究领域.文献[15 ]提出一种新型PCB绕组磁结构,可以很容易地通过改变磁心截面积或气隙长度来控制电感值.电磁集成技术可以进一步缩小磁件体积,减小磁件损耗. ...
基于磁致伸缩本征特性的晶粒取向性变压器铁心振动模型
1
2016
... 双管正激变换器由于开关管无直通风险、电压应力低、工作可靠性高、无须增设去磁回路等优点,在低压大电流的中小功率电子通信领域得到广泛应用.一些学者利用磁集成技术,有效地减小了无源元件的体积和电流纹波,降低了磁件损耗,提高了效率和动态响应.文献[1 ]将正激变换器的输出滤波电感和变压器原边、副边以及复位绕组进行磁集成,分析了耦合电感纹波减小的条件,总结了磁件设计准则.文献[2 ]针对双管正激变换器占空比不能超过0.5的问题,提出一种非隔离新型高降压比变换器,但两个电抗器为分立元件,磁件体积较大.文献[3 ]提出一种“目”字型耦合电感器结构,将耦合电感缠绕在中间两个U型磁心上,外层两个U型磁心未缠绕任何绕组,可以提供足够大的漏感来实现LLC的谐振电感参数,但磁心的利用率相对低下,对其他拓扑的应用效果较差.文献[4 ]提出了一种并联buck功率脉动缓冲器的优化设计方法,对改善功率密度有较好的适应性.文献[5 ⇓ ⇓ -8 ]对电磁集成的方法和应用做了分析,通过电磁集成可以进一步缩小无源元件体积,提高样机功率密度,但尚未对其他隔离型拓扑进行相关应用研究.文献[9 ]提出了一种基于棱边元与节点元耦合的计算变压器铁心损耗的E -Ψ 法模型,为集成磁件的损耗计算提供了更精确的计算方法.文献[10 ]基于磁性材料的磁致弹性伸缩特性,建立了变压器铁心的振动模型并进行了仿真分析,但没有结合具体的变换器分析磁心形变造成的影响.文献[11 ]用有限元法研究分析了磁饱和强度对变压器涌流的影响.文献[12 ]将集成磁件中交变磁通正向耦合的优点应用于双管正激变换器,详细分析了各种脉动波形所对应的集成磁件的绕组条件和磁阻条件.文献[13 ]提出一种新型单元耦合结构阵列式可变耦合度集成磁件,比传统整体磁心耦合电感具有更好的特性.文献[14 ]综述了FMLF集成技术的实现、结构和应用,阐述了其未来的研究领域.文献[15 ]提出一种新型PCB绕组磁结构,可以很容易地通过改变磁心截面积或气隙长度来控制电感值.电磁集成技术可以进一步缩小磁件体积,减小磁件损耗. ...
Vibration model of grain oriented transformer core based on magnetostrictive characteristic
1
2016
... 双管正激变换器由于开关管无直通风险、电压应力低、工作可靠性高、无须增设去磁回路等优点,在低压大电流的中小功率电子通信领域得到广泛应用.一些学者利用磁集成技术,有效地减小了无源元件的体积和电流纹波,降低了磁件损耗,提高了效率和动态响应.文献[1 ]将正激变换器的输出滤波电感和变压器原边、副边以及复位绕组进行磁集成,分析了耦合电感纹波减小的条件,总结了磁件设计准则.文献[2 ]针对双管正激变换器占空比不能超过0.5的问题,提出一种非隔离新型高降压比变换器,但两个电抗器为分立元件,磁件体积较大.文献[3 ]提出一种“目”字型耦合电感器结构,将耦合电感缠绕在中间两个U型磁心上,外层两个U型磁心未缠绕任何绕组,可以提供足够大的漏感来实现LLC的谐振电感参数,但磁心的利用率相对低下,对其他拓扑的应用效果较差.文献[4 ]提出了一种并联buck功率脉动缓冲器的优化设计方法,对改善功率密度有较好的适应性.文献[5 ⇓ ⇓ -8 ]对电磁集成的方法和应用做了分析,通过电磁集成可以进一步缩小无源元件体积,提高样机功率密度,但尚未对其他隔离型拓扑进行相关应用研究.文献[9 ]提出了一种基于棱边元与节点元耦合的计算变压器铁心损耗的E -Ψ 法模型,为集成磁件的损耗计算提供了更精确的计算方法.文献[10 ]基于磁性材料的磁致弹性伸缩特性,建立了变压器铁心的振动模型并进行了仿真分析,但没有结合具体的变换器分析磁心形变造成的影响.文献[11 ]用有限元法研究分析了磁饱和强度对变压器涌流的影响.文献[12 ]将集成磁件中交变磁通正向耦合的优点应用于双管正激变换器,详细分析了各种脉动波形所对应的集成磁件的绕组条件和磁阻条件.文献[13 ]提出一种新型单元耦合结构阵列式可变耦合度集成磁件,比传统整体磁心耦合电感具有更好的特性.文献[14 ]综述了FMLF集成技术的实现、结构和应用,阐述了其未来的研究领域.文献[15 ]提出一种新型PCB绕组磁结构,可以很容易地通过改变磁心截面积或气隙长度来控制电感值.电磁集成技术可以进一步缩小磁件体积,减小磁件损耗. ...
铁心材料饱和磁化强度的偏差对求解变压器涌流的影响
1
2019
... 双管正激变换器由于开关管无直通风险、电压应力低、工作可靠性高、无须增设去磁回路等优点,在低压大电流的中小功率电子通信领域得到广泛应用.一些学者利用磁集成技术,有效地减小了无源元件的体积和电流纹波,降低了磁件损耗,提高了效率和动态响应.文献[1 ]将正激变换器的输出滤波电感和变压器原边、副边以及复位绕组进行磁集成,分析了耦合电感纹波减小的条件,总结了磁件设计准则.文献[2 ]针对双管正激变换器占空比不能超过0.5的问题,提出一种非隔离新型高降压比变换器,但两个电抗器为分立元件,磁件体积较大.文献[3 ]提出一种“目”字型耦合电感器结构,将耦合电感缠绕在中间两个U型磁心上,外层两个U型磁心未缠绕任何绕组,可以提供足够大的漏感来实现LLC的谐振电感参数,但磁心的利用率相对低下,对其他拓扑的应用效果较差.文献[4 ]提出了一种并联buck功率脉动缓冲器的优化设计方法,对改善功率密度有较好的适应性.文献[5 ⇓ ⇓ -8 ]对电磁集成的方法和应用做了分析,通过电磁集成可以进一步缩小无源元件体积,提高样机功率密度,但尚未对其他隔离型拓扑进行相关应用研究.文献[9 ]提出了一种基于棱边元与节点元耦合的计算变压器铁心损耗的E -Ψ 法模型,为集成磁件的损耗计算提供了更精确的计算方法.文献[10 ]基于磁性材料的磁致弹性伸缩特性,建立了变压器铁心的振动模型并进行了仿真分析,但没有结合具体的变换器分析磁心形变造成的影响.文献[11 ]用有限元法研究分析了磁饱和强度对变压器涌流的影响.文献[12 ]将集成磁件中交变磁通正向耦合的优点应用于双管正激变换器,详细分析了各种脉动波形所对应的集成磁件的绕组条件和磁阻条件.文献[13 ]提出一种新型单元耦合结构阵列式可变耦合度集成磁件,比传统整体磁心耦合电感具有更好的特性.文献[14 ]综述了FMLF集成技术的实现、结构和应用,阐述了其未来的研究领域.文献[15 ]提出一种新型PCB绕组磁结构,可以很容易地通过改变磁心截面积或气隙长度来控制电感值.电磁集成技术可以进一步缩小磁件体积,减小磁件损耗. ...
Influence of the errorof saturation magnetization of core material on solving inge current of transformer
1
2019
... 双管正激变换器由于开关管无直通风险、电压应力低、工作可靠性高、无须增设去磁回路等优点,在低压大电流的中小功率电子通信领域得到广泛应用.一些学者利用磁集成技术,有效地减小了无源元件的体积和电流纹波,降低了磁件损耗,提高了效率和动态响应.文献[1 ]将正激变换器的输出滤波电感和变压器原边、副边以及复位绕组进行磁集成,分析了耦合电感纹波减小的条件,总结了磁件设计准则.文献[2 ]针对双管正激变换器占空比不能超过0.5的问题,提出一种非隔离新型高降压比变换器,但两个电抗器为分立元件,磁件体积较大.文献[3 ]提出一种“目”字型耦合电感器结构,将耦合电感缠绕在中间两个U型磁心上,外层两个U型磁心未缠绕任何绕组,可以提供足够大的漏感来实现LLC的谐振电感参数,但磁心的利用率相对低下,对其他拓扑的应用效果较差.文献[4 ]提出了一种并联buck功率脉动缓冲器的优化设计方法,对改善功率密度有较好的适应性.文献[5 ⇓ ⇓ -8 ]对电磁集成的方法和应用做了分析,通过电磁集成可以进一步缩小无源元件体积,提高样机功率密度,但尚未对其他隔离型拓扑进行相关应用研究.文献[9 ]提出了一种基于棱边元与节点元耦合的计算变压器铁心损耗的E -Ψ 法模型,为集成磁件的损耗计算提供了更精确的计算方法.文献[10 ]基于磁性材料的磁致弹性伸缩特性,建立了变压器铁心的振动模型并进行了仿真分析,但没有结合具体的变换器分析磁心形变造成的影响.文献[11 ]用有限元法研究分析了磁饱和强度对变压器涌流的影响.文献[12 ]将集成磁件中交变磁通正向耦合的优点应用于双管正激变换器,详细分析了各种脉动波形所对应的集成磁件的绕组条件和磁阻条件.文献[13 ]提出一种新型单元耦合结构阵列式可变耦合度集成磁件,比传统整体磁心耦合电感具有更好的特性.文献[14 ]综述了FMLF集成技术的实现、结构和应用,阐述了其未来的研究领域.文献[15 ]提出一种新型PCB绕组磁结构,可以很容易地通过改变磁心截面积或气隙长度来控制电感值.电磁集成技术可以进一步缩小磁件体积,减小磁件损耗. ...
1
2009
... 双管正激变换器由于开关管无直通风险、电压应力低、工作可靠性高、无须增设去磁回路等优点,在低压大电流的中小功率电子通信领域得到广泛应用.一些学者利用磁集成技术,有效地减小了无源元件的体积和电流纹波,降低了磁件损耗,提高了效率和动态响应.文献[1 ]将正激变换器的输出滤波电感和变压器原边、副边以及复位绕组进行磁集成,分析了耦合电感纹波减小的条件,总结了磁件设计准则.文献[2 ]针对双管正激变换器占空比不能超过0.5的问题,提出一种非隔离新型高降压比变换器,但两个电抗器为分立元件,磁件体积较大.文献[3 ]提出一种“目”字型耦合电感器结构,将耦合电感缠绕在中间两个U型磁心上,外层两个U型磁心未缠绕任何绕组,可以提供足够大的漏感来实现LLC的谐振电感参数,但磁心的利用率相对低下,对其他拓扑的应用效果较差.文献[4 ]提出了一种并联buck功率脉动缓冲器的优化设计方法,对改善功率密度有较好的适应性.文献[5 ⇓ ⇓ -8 ]对电磁集成的方法和应用做了分析,通过电磁集成可以进一步缩小无源元件体积,提高样机功率密度,但尚未对其他隔离型拓扑进行相关应用研究.文献[9 ]提出了一种基于棱边元与节点元耦合的计算变压器铁心损耗的E -Ψ 法模型,为集成磁件的损耗计算提供了更精确的计算方法.文献[10 ]基于磁性材料的磁致弹性伸缩特性,建立了变压器铁心的振动模型并进行了仿真分析,但没有结合具体的变换器分析磁心形变造成的影响.文献[11 ]用有限元法研究分析了磁饱和强度对变压器涌流的影响.文献[12 ]将集成磁件中交变磁通正向耦合的优点应用于双管正激变换器,详细分析了各种脉动波形所对应的集成磁件的绕组条件和磁阻条件.文献[13 ]提出一种新型单元耦合结构阵列式可变耦合度集成磁件,比传统整体磁心耦合电感具有更好的特性.文献[14 ]综述了FMLF集成技术的实现、结构和应用,阐述了其未来的研究领域.文献[15 ]提出一种新型PCB绕组磁结构,可以很容易地通过改变磁心截面积或气隙长度来控制电感值.电磁集成技术可以进一步缩小磁件体积,减小磁件损耗. ...
1
2009
... 双管正激变换器由于开关管无直通风险、电压应力低、工作可靠性高、无须增设去磁回路等优点,在低压大电流的中小功率电子通信领域得到广泛应用.一些学者利用磁集成技术,有效地减小了无源元件的体积和电流纹波,降低了磁件损耗,提高了效率和动态响应.文献[1 ]将正激变换器的输出滤波电感和变压器原边、副边以及复位绕组进行磁集成,分析了耦合电感纹波减小的条件,总结了磁件设计准则.文献[2 ]针对双管正激变换器占空比不能超过0.5的问题,提出一种非隔离新型高降压比变换器,但两个电抗器为分立元件,磁件体积较大.文献[3 ]提出一种“目”字型耦合电感器结构,将耦合电感缠绕在中间两个U型磁心上,外层两个U型磁心未缠绕任何绕组,可以提供足够大的漏感来实现LLC的谐振电感参数,但磁心的利用率相对低下,对其他拓扑的应用效果较差.文献[4 ]提出了一种并联buck功率脉动缓冲器的优化设计方法,对改善功率密度有较好的适应性.文献[5 ⇓ ⇓ -8 ]对电磁集成的方法和应用做了分析,通过电磁集成可以进一步缩小无源元件体积,提高样机功率密度,但尚未对其他隔离型拓扑进行相关应用研究.文献[9 ]提出了一种基于棱边元与节点元耦合的计算变压器铁心损耗的E -Ψ 法模型,为集成磁件的损耗计算提供了更精确的计算方法.文献[10 ]基于磁性材料的磁致弹性伸缩特性,建立了变压器铁心的振动模型并进行了仿真分析,但没有结合具体的变换器分析磁心形变造成的影响.文献[11 ]用有限元法研究分析了磁饱和强度对变压器涌流的影响.文献[12 ]将集成磁件中交变磁通正向耦合的优点应用于双管正激变换器,详细分析了各种脉动波形所对应的集成磁件的绕组条件和磁阻条件.文献[13 ]提出一种新型单元耦合结构阵列式可变耦合度集成磁件,比传统整体磁心耦合电感具有更好的特性.文献[14 ]综述了FMLF集成技术的实现、结构和应用,阐述了其未来的研究领域.文献[15 ]提出一种新型PCB绕组磁结构,可以很容易地通过改变磁心截面积或气隙长度来控制电感值.电磁集成技术可以进一步缩小磁件体积,减小磁件损耗. ...
一种新型单元耦合阵列化可变耦合度集成磁件的研究及应用
1
2016
... 双管正激变换器由于开关管无直通风险、电压应力低、工作可靠性高、无须增设去磁回路等优点,在低压大电流的中小功率电子通信领域得到广泛应用.一些学者利用磁集成技术,有效地减小了无源元件的体积和电流纹波,降低了磁件损耗,提高了效率和动态响应.文献[1 ]将正激变换器的输出滤波电感和变压器原边、副边以及复位绕组进行磁集成,分析了耦合电感纹波减小的条件,总结了磁件设计准则.文献[2 ]针对双管正激变换器占空比不能超过0.5的问题,提出一种非隔离新型高降压比变换器,但两个电抗器为分立元件,磁件体积较大.文献[3 ]提出一种“目”字型耦合电感器结构,将耦合电感缠绕在中间两个U型磁心上,外层两个U型磁心未缠绕任何绕组,可以提供足够大的漏感来实现LLC的谐振电感参数,但磁心的利用率相对低下,对其他拓扑的应用效果较差.文献[4 ]提出了一种并联buck功率脉动缓冲器的优化设计方法,对改善功率密度有较好的适应性.文献[5 ⇓ ⇓ -8 ]对电磁集成的方法和应用做了分析,通过电磁集成可以进一步缩小无源元件体积,提高样机功率密度,但尚未对其他隔离型拓扑进行相关应用研究.文献[9 ]提出了一种基于棱边元与节点元耦合的计算变压器铁心损耗的E -Ψ 法模型,为集成磁件的损耗计算提供了更精确的计算方法.文献[10 ]基于磁性材料的磁致弹性伸缩特性,建立了变压器铁心的振动模型并进行了仿真分析,但没有结合具体的变换器分析磁心形变造成的影响.文献[11 ]用有限元法研究分析了磁饱和强度对变压器涌流的影响.文献[12 ]将集成磁件中交变磁通正向耦合的优点应用于双管正激变换器,详细分析了各种脉动波形所对应的集成磁件的绕组条件和磁阻条件.文献[13 ]提出一种新型单元耦合结构阵列式可变耦合度集成磁件,比传统整体磁心耦合电感具有更好的特性.文献[14 ]综述了FMLF集成技术的实现、结构和应用,阐述了其未来的研究领域.文献[15 ]提出一种新型PCB绕组磁结构,可以很容易地通过改变磁心截面积或气隙长度来控制电感值.电磁集成技术可以进一步缩小磁件体积,减小磁件损耗. ...
Research and application of a novel element coupling array variable coupling degree integrated magnetic element
1
2016
... 双管正激变换器由于开关管无直通风险、电压应力低、工作可靠性高、无须增设去磁回路等优点,在低压大电流的中小功率电子通信领域得到广泛应用.一些学者利用磁集成技术,有效地减小了无源元件的体积和电流纹波,降低了磁件损耗,提高了效率和动态响应.文献[1 ]将正激变换器的输出滤波电感和变压器原边、副边以及复位绕组进行磁集成,分析了耦合电感纹波减小的条件,总结了磁件设计准则.文献[2 ]针对双管正激变换器占空比不能超过0.5的问题,提出一种非隔离新型高降压比变换器,但两个电抗器为分立元件,磁件体积较大.文献[3 ]提出一种“目”字型耦合电感器结构,将耦合电感缠绕在中间两个U型磁心上,外层两个U型磁心未缠绕任何绕组,可以提供足够大的漏感来实现LLC的谐振电感参数,但磁心的利用率相对低下,对其他拓扑的应用效果较差.文献[4 ]提出了一种并联buck功率脉动缓冲器的优化设计方法,对改善功率密度有较好的适应性.文献[5 ⇓ ⇓ -8 ]对电磁集成的方法和应用做了分析,通过电磁集成可以进一步缩小无源元件体积,提高样机功率密度,但尚未对其他隔离型拓扑进行相关应用研究.文献[9 ]提出了一种基于棱边元与节点元耦合的计算变压器铁心损耗的E -Ψ 法模型,为集成磁件的损耗计算提供了更精确的计算方法.文献[10 ]基于磁性材料的磁致弹性伸缩特性,建立了变压器铁心的振动模型并进行了仿真分析,但没有结合具体的变换器分析磁心形变造成的影响.文献[11 ]用有限元法研究分析了磁饱和强度对变压器涌流的影响.文献[12 ]将集成磁件中交变磁通正向耦合的优点应用于双管正激变换器,详细分析了各种脉动波形所对应的集成磁件的绕组条件和磁阻条件.文献[13 ]提出一种新型单元耦合结构阵列式可变耦合度集成磁件,比传统整体磁心耦合电感具有更好的特性.文献[14 ]综述了FMLF集成技术的实现、结构和应用,阐述了其未来的研究领域.文献[15 ]提出一种新型PCB绕组磁结构,可以很容易地通过改变磁心截面积或气隙长度来控制电感值.电磁集成技术可以进一步缩小磁件体积,减小磁件损耗. ...
A review of flexible multilayer foil integration technology for passive components
1
2021
... 双管正激变换器由于开关管无直通风险、电压应力低、工作可靠性高、无须增设去磁回路等优点,在低压大电流的中小功率电子通信领域得到广泛应用.一些学者利用磁集成技术,有效地减小了无源元件的体积和电流纹波,降低了磁件损耗,提高了效率和动态响应.文献[1 ]将正激变换器的输出滤波电感和变压器原边、副边以及复位绕组进行磁集成,分析了耦合电感纹波减小的条件,总结了磁件设计准则.文献[2 ]针对双管正激变换器占空比不能超过0.5的问题,提出一种非隔离新型高降压比变换器,但两个电抗器为分立元件,磁件体积较大.文献[3 ]提出一种“目”字型耦合电感器结构,将耦合电感缠绕在中间两个U型磁心上,外层两个U型磁心未缠绕任何绕组,可以提供足够大的漏感来实现LLC的谐振电感参数,但磁心的利用率相对低下,对其他拓扑的应用效果较差.文献[4 ]提出了一种并联buck功率脉动缓冲器的优化设计方法,对改善功率密度有较好的适应性.文献[5 ⇓ ⇓ -8 ]对电磁集成的方法和应用做了分析,通过电磁集成可以进一步缩小无源元件体积,提高样机功率密度,但尚未对其他隔离型拓扑进行相关应用研究.文献[9 ]提出了一种基于棱边元与节点元耦合的计算变压器铁心损耗的E -Ψ 法模型,为集成磁件的损耗计算提供了更精确的计算方法.文献[10 ]基于磁性材料的磁致弹性伸缩特性,建立了变压器铁心的振动模型并进行了仿真分析,但没有结合具体的变换器分析磁心形变造成的影响.文献[11 ]用有限元法研究分析了磁饱和强度对变压器涌流的影响.文献[12 ]将集成磁件中交变磁通正向耦合的优点应用于双管正激变换器,详细分析了各种脉动波形所对应的集成磁件的绕组条件和磁阻条件.文献[13 ]提出一种新型单元耦合结构阵列式可变耦合度集成磁件,比传统整体磁心耦合电感具有更好的特性.文献[14 ]综述了FMLF集成技术的实现、结构和应用,阐述了其未来的研究领域.文献[15 ]提出一种新型PCB绕组磁结构,可以很容易地通过改变磁心截面积或气隙长度来控制电感值.电磁集成技术可以进一步缩小磁件体积,减小磁件损耗. ...
High-frequency PCB winding transformer with integrated inductors for a bi-directional resonant converter
1
2019
... 双管正激变换器由于开关管无直通风险、电压应力低、工作可靠性高、无须增设去磁回路等优点,在低压大电流的中小功率电子通信领域得到广泛应用.一些学者利用磁集成技术,有效地减小了无源元件的体积和电流纹波,降低了磁件损耗,提高了效率和动态响应.文献[1 ]将正激变换器的输出滤波电感和变压器原边、副边以及复位绕组进行磁集成,分析了耦合电感纹波减小的条件,总结了磁件设计准则.文献[2 ]针对双管正激变换器占空比不能超过0.5的问题,提出一种非隔离新型高降压比变换器,但两个电抗器为分立元件,磁件体积较大.文献[3 ]提出一种“目”字型耦合电感器结构,将耦合电感缠绕在中间两个U型磁心上,外层两个U型磁心未缠绕任何绕组,可以提供足够大的漏感来实现LLC的谐振电感参数,但磁心的利用率相对低下,对其他拓扑的应用效果较差.文献[4 ]提出了一种并联buck功率脉动缓冲器的优化设计方法,对改善功率密度有较好的适应性.文献[5 ⇓ ⇓ -8 ]对电磁集成的方法和应用做了分析,通过电磁集成可以进一步缩小无源元件体积,提高样机功率密度,但尚未对其他隔离型拓扑进行相关应用研究.文献[9 ]提出了一种基于棱边元与节点元耦合的计算变压器铁心损耗的E -Ψ 法模型,为集成磁件的损耗计算提供了更精确的计算方法.文献[10 ]基于磁性材料的磁致弹性伸缩特性,建立了变压器铁心的振动模型并进行了仿真分析,但没有结合具体的变换器分析磁心形变造成的影响.文献[11 ]用有限元法研究分析了磁饱和强度对变压器涌流的影响.文献[12 ]将集成磁件中交变磁通正向耦合的优点应用于双管正激变换器,详细分析了各种脉动波形所对应的集成磁件的绕组条件和磁阻条件.文献[13 ]提出一种新型单元耦合结构阵列式可变耦合度集成磁件,比传统整体磁心耦合电感具有更好的特性.文献[14 ]综述了FMLF集成技术的实现、结构和应用,阐述了其未来的研究领域.文献[15 ]提出一种新型PCB绕组磁结构,可以很容易地通过改变磁心截面积或气隙长度来控制电感值.电磁集成技术可以进一步缩小磁件体积,减小磁件损耗. ...