双管正激变换器多种导磁材料电磁集成*
李洪珠, 范茏茏

Dual-tube Forward Converter with Electromagnetic Integration of Various Magnetic Materials
LI Hongzhu, FAN Longlong
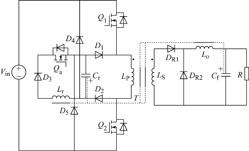
图1 ZVT双管正激电路拓扑图