两电平电压型逆变器共模电压抑制策略
国网安徽省电力有限公司检修分公司 合肥 230061
Research on Common Mode Voltage Suppression Strategy for Two-Level Voltage Inverter
State Grid Anhui Electric Power Co.,Ltd. Maintenance Branch Hefei 230061 China
收稿日期: 2018-01-6 网络出版日期: 2018-04-25
Received: 2018-01-6 Online: 2018-04-25
作者简介 About authors

杨 浩 男 1992年生,助理工程师,主要从事变电站运行维护方面的工作。

吕雪峰 男 1989年生,工程师,主要从事变电站运行维护方面的工作。
主要介绍了几种抑制逆变器共模电压(CMV)的方法,其中一类是基于空间矢量调制策略优化的方案,主要包括零矢量替代(AZSPWM)、最近非零矢量合成(NSPWM)、虚拟空间矢量调制(VSVM)等策略;另一类是改变硬件电路的拓扑结构抑制共模电压,主要是通过利用三相四桥臂拓扑结构完成对共模电压的抑制。对上述两类方法进行相关的仿真与分析,为共模电压抑制方案的研究提供参考。
关键词:
In this paper, several methods are introduced, which are mainly divided into two categories of programs, to suppress the common mode voltage (CMV) of inverter. One kind is based on space vector modulation strategy optimization, mainly including the active zero state PWM (AZSPWM), near state PWM (NSPWM), virtual space vector modulation (VSVM) and so on. The other is to change the topology of the hardware circuit to suppress the common mode voltage, which mainly used the three-phase four-leg topology to complete the common mode voltage suppression. In this paper, the simulation and analysis of the above schemes are carried out.
Keywords:
本文引用格式
杨浩, 吕雪峰, 潘浩明.
Yang Hao.
1 引言
近年来,国内外诸多学者在共模电压抑制方面开展了大量的研究,这些研究主要分为两个方面:一是通过优化调制策略,在软件算法层面完成共模电压的抑制。随着数字处理器性能的飞速提升,逆变器调制策略优化主要是基于空间矢量调制(Space Vector Modulation,SVM)方案,由此衍生出以下几种主要调制策略:零矢量替代(Active Zero State PWM,AZSPWM)、最近非零矢量合成(Near State PWM,NSPWM)、虚拟空间矢量调制(Virtual Space Vector Modulation,VSVM)等;另一方面是通过改变逆变器的硬件电路结构或外围完成对共模电压的抑制。该方案主要是通过增加一个滤波器对产生的共模电压进行滤除[3],后续有相关研究对此进行了升级,通过增加第四个桥臂构造三相四桥臂拓扑结构对共模电压进行抑制。本文对各方案的基本原理进行了简单分析,并在此基础上进行了一些仿真验证。
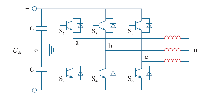
2 传统两电平逆变器共模电压
传统两电平逆变器电路拓扑结构如图1所示。
图1
图1
传统两电平逆变器拓扑结构
Fig.1
Topology of conventional two-level voltage source inverter
共模电压定义为逆变器输出中性点对地的参考电压,即Uno[4],根据逆变器拓扑结构可得

又因为Un1 + Un2 + Un3 = 0,结合式(1)可得

假设逆变器直流侧母线电压为Udc,当使用传统SVPWM矢量调制方案进行控制时,电压空间矢量分布如图2所示。
图2
不同电压空间矢量作用时的共模电压分布见下表。
表1 不同开关状态共模电压比较(没有1)
Tab1
矢量 | S1、S3、S5状态 | 共模电压Uno |
---|---|---|
U0 | 000 | -Udc/2 |
U1 | 100 | -Udc/6 |
U2 | 110 | Udc/6 |
U3 | 010 | -Udc/6 |
U4 | 011 | Udc/6 |
U5 | 001 | -Udc/6 |
U6 | 101 | Udc/6 |
U7 | 111 | Udc/2 |
当参考电压矢量Uref在第一扇区时,基于传统SVPWM矢量合成方案,参与合成的矢量为U0(000)、U1(100)、U2(110)和U7(111),开关时序以及共模电压分布如图3所示。
图3
从图3可以看出,采用传统SVPWM调制策略控制逆变器时产生的共模电压峰值为Udc/2,但是在电压矢量选择时可以避开零矢量,控制共模电压峰值减小到Udc/6,由此衍生出不同的基于SVM的优化调制策略。
3 基于SVM调制策略的优化
3.1 零矢量替代调制策略(AZSPWM)
AZSPWM的基本原理是采用两个相反的非零电压矢量来代替零电压矢量,空间矢量分布图4所示。
图4
当参考电压矢量Uref在第一扇区时,基于AZSPWM矢量合成方案,参与合成的矢量为U6(101)、U1(100)、U6(110)和U3(010),开关时序以及共模电压分布如图5所示。
图5
从图5可以看出,当采用AZSPWM调制策略控制逆变器时,共模电压峰值很好地被控制在了Udc/6,仅为传统SVPWM控制策略的1/3。
3.2 附近非零矢量合成调制策略(NSPWM)[5]
NSPWM的基本原理是使用与参考矢量距离最近的3个非零矢量对其进行合成,空间矢量分布图如图6所示。
图6
当参考电压矢量Uref在第一扇区时,基于NSPWM矢量合成方案,参与合成的矢量为U6(101)、U1(100)、U2(110),开关时序以及共模电压分布如图7所示。
图7
该方案和AZSPWM一样,可以将共模电压的峰值减小到Udc/6,并且在一个Ts周期内,共模电压极性只翻转了4次,少于AZSPWM的6次,谐波分量自然较少[6]。
3.3 虚拟空间矢量调制策略(VSVM)[7]
图8
图9
从图9可以看出,VSVM方案同样可以将共模电压的峰值抑制为Udc/6,且使得一个Ts周期内的共模电压的平均值为零、一个周期内共模电压均值为零,较好地抑制了共模电压中3次以及3的整数倍次谐波分量。
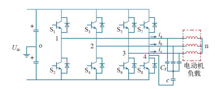
3.4 基于三相四桥臂的共模电压抑制
三相四桥臂逆变器拓扑电路如图10所示。
图10
分析原理与传统三桥臂拓扑类似,由此可得三相四桥臂逆变器共模电压表达式为

式(3)中分子上的变量为偶数个,由此可以通过调节不同的导通状态使共模电压值抑制为零,如当前3个桥臂状态为(100)时,共模电压为-Udc/6,此时可以通过控制第四个桥臂的导通状态对此共模电压进行补偿,使Uno的值为零,通过对4个桥臂的逻辑状态列举,可以得到第4个桥臂的控制信号为SD = SASBSC(前3个桥臂的控制也是基于非零矢量的调制),从而通过添加第4个桥臂可以将共模电压瞬时值理论上抑制为零。
4 Simulink仿真验证
仿真中开关频率为1kHz,调制度为0.8。
4.1 SVPWM调制策略
图11
图12
4.2 AZSPWM调制策略
图13
图14
4.3 NSPWM调制策略
图15
图16
4.4 VSVM调制策略
图17
图18
4.5 三相四桥臂控制策略
仿真结果如图19所示。
图19
图19
三相四桥臂共模电压仿真
Fig.19
Simulation results of common mode voltage for three-phase four-leg inverter
5 结论
由上述仿真结果可以发现,AZSPWM、NSPWM这两种方案可以很好地将共模电压的峰值抑制到直流侧电压的1/6,但是共模电压中的3次谐波成分依然存在;由VSVM的仿真波形可以发现,共模电压中的3次及3的整数倍次谐波成分得到了很好的抑制,但是共模电压峰值依然为直流侧电压值的1/6;最后,将选择非零矢量调制方案与三相四桥臂逆变器拓扑结构相结合,由波形可以看出,共模电压被抑制得几乎为零,因此这种方案的共模抑制效果最好。
相较AZSPWM、NSPWM、VSVM三个方案,采用三相四桥臂拓扑结构会增加硬件的成本,并且三相四桥臂结构提出的初衷是针对负载端带三相不对称负载[8],本文中的三相四桥臂控制方案对于16个空间电压矢量仅使用了其中的6个,且不能带三相不对称负载,这也使得该拓扑的潜力并未完全发挥。
本文通过理论分析与仿真验证对几种常见的共模抑制方案进行了简单介绍与讨论,为共模抑制方面的研究工作提供参考。
参考文献
采用三相四桥臂抑制逆变器共模干扰的SPWM 控制策略
[J].为了减少三相三桥臂逆变器因电路不对称而产生的共模电压和电流, 提出了一种基于三相四桥臂结构的正弦波脉宽调制(SPWM)控制策略。该策略是在SPWM载波移相控制技术基础上, 采用跳变后移控制方法, 确保任何情况下逆变器四个桥臂的输出都能达到平衡, 从而抑制共模干扰的产生。与原来的三相四桥臂SPWM载波移相控制策略相比, 该策略突破了SPWM调制指数必须小于0.666的限制, 避免了直流电压利用率低下的缺陷, 适用于在任意调制指数情况下的工作。仿真和实验证明了该方法的有效性。
SPWM control strategy to reduce inverter common-mode interferences based on three-phase four-leg structure
[J].为了减少三相三桥臂逆变器因电路不对称而产生的共模电压和电流, 提出了一种基于三相四桥臂结构的正弦波脉宽调制(SPWM)控制策略。该策略是在SPWM载波移相控制技术基础上, 采用跳变后移控制方法, 确保任何情况下逆变器四个桥臂的输出都能达到平衡, 从而抑制共模干扰的产生。与原来的三相四桥臂SPWM载波移相控制策略相比, 该策略突破了SPWM调制指数必须小于0.666的限制, 避免了直流电压利用率低下的缺陷, 适用于在任意调制指数情况下的工作。仿真和实验证明了该方法的有效性。
PWM驱动系统中感应电动机共模模型的研究
[J].
Research on induction motor common-mode model in a PWM drive system
[J].
三相逆变器的无零矢量共模电压抑制技术研究
[J].
Research of reduced common-mode voltage technique with nonzero vector pulse width modulation for three-phase inverters
[J].
Thomas A lipo. A new space vector modulation strategy for cammon mode voltage reduction
[C].
A near-state PWM method with reduced switching losses and reduced common-mode voltage for three-phase voltage source inverters
[J].
A virtual space vector modulation technique for the reduction of common-mode voltages in both magnitude and third-order component
[J].
A near-state three-dimensional space vector modulation for a three-phase four-leg voltage source inverter
[J].
/
〈 |
|
〉 |
