两电平电压型逆变器共模电压抑制策略
杨浩,吕雪峰,潘浩明

Research on Common Mode Voltage Suppression Strategy for Two-Level Voltage Inverter
Yang Hao,Lv Xuefeng,Pan Haoming
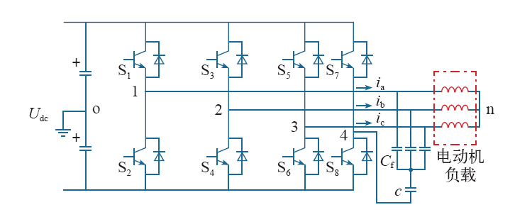
图10 三相四桥臂逆变器拓扑结构
Fig.10 Topology of three-phase four-leg inverter