高压大功率非线性电流型STATCOM在输电网中的应用研究
1.
2.
3.
Research on High-Voltage High-Power Nonlinear Current-Source STATCOM Applied in Power Transmission System
1.
2.
3.
收稿日期: 2016-11-22 网络出版日期: 2017-08-25
Received: 2016-11-22 Online: 2017-08-25
作者简介 About authors
赵建阳 男 1985年生,博士,研究方向为电力系统及其自动化。
张福民 男 1965年生,博士,副教授,研究方向为电力电子与电气传动、柔性交流输电和高压直流输电。
大功率STATCOM可以为电网电力传输提供大量无功功率,然而其控制系统具有很强的非线性。为了实现STATCOM无功功率输出的线性控制,本文提出了一种基于多电平电流重注入式电流型换流器(MLCR-CSC)的电流型STATCOM,阐述了MLCR-CSC的拓扑结构和新型STATCOM的工作原理,设计了直接电流控制系统。仿真结果表明,MLCR-CSC的谐波含量低于4%,基波周期内有6个零电流时刻实现大电流过零关断。电流直接控制方式不但满足输电网对无功功率的需求,而且对不对称故障响应迅速。
关键词:
High power STATCOM can provide a large amount of reactive power for power transmission, however, its control system is highly nonlinear. In order to realize linear control reactive power of STATCOM, a new type is proposed based on MLCR-CSC. The STATCOM working principle is introduced, and the direct current control strategy is designed with double closed loop control system. The simulation results show that MLCR-CSC harmonic content is lower than 4%, and six zero current pulse realized large zero current switching. STATCOM satisfied the demand of reactive power in power grid and gave a quick responds during asymmetric fault.
Keywords:
本文引用格式
赵建阳, 张福民, 刘福贵, 刘永和.
Zhao Jianyang.
1 引言
在输电网中,STATCOM可以维持或控制节点电压,提高线路输送能力、阻尼功率振荡,提高系统的稳态和暂态稳定性,提高系统运行灵活性。在电网发生故障或负荷突增时,能够动态地提供电压支撑,提高系统安全稳定水平,减少低压释放负荷数量,防止因暂态电压崩溃导致的大面积恶性停电事故发生,同时还具有可以发挥阻尼系统振荡、抑制电压闪变、改善电能质量等作用。
基于电网换相换流器(Line Commutated Converter,LCC)的高压直流输电技术发展成熟,晶闸管串联使用经验丰富,传统12脉波换流器拓扑结构稳定性高,故障响应迅速[10,11]。文献[12,13,14]提出了直流纹波的概念,阐述了直流纹波注入技术在换流器中的发展,借助VSC多电平技术,得到一种多电平电流重注入电流型换流器(Multi-Level Current Reinjection-Current Source Converter,MLCR-CSC),即在传统12脉波换流器基础上增加新的电流重注入回路。该拓扑结构有以下优点:主功率器件使用晶闸管,导通频率50Hz,降低了设备损耗;基波周期内有6个电流为零时刻,可以实现周期内任意时刻零电流关断;交流侧电流谐波含量低于4%;直接电流控制保证设备故障响应迅速;电压换相不依赖自然换相点,单位功率因数运行;没有电容均压问题。
本文设计了双组MLCR-CSC拓扑结构,并验证了其在百Mvar以上输电网中无功需求的响应。
2 电流型 STATCOM拓扑结构及其工作原理
2.1 拓扑结构
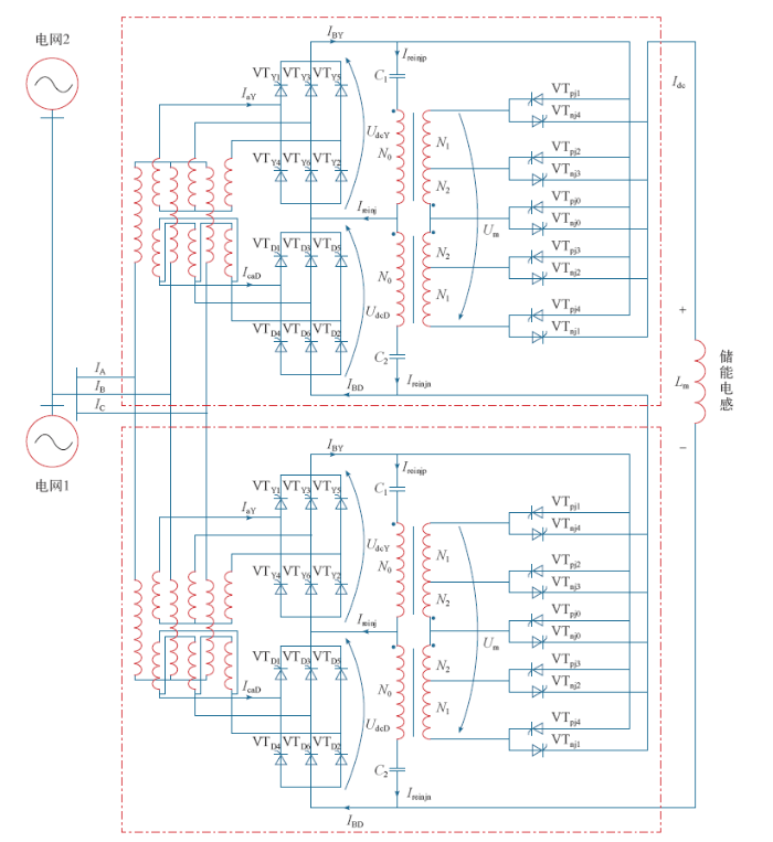
在输配电网220kV及以下线路中,基于VSC的STATCOM技术应用成熟,实际项目成功投入运行,而电流型换流器(Current Source Converter,CSC)拓扑结构在这种应用场合中没有任何优势。然而,在高压大功率场合VSC受到器件特性和安全运行问题的影响,难以超越CSC具有的安全稳定的优势,且电流直接控制可以保障电网稳定和设备本身安全。从技术实现来说,VSC增压扩容的难度较大,而CSC借助LCC易实现在输电网中的应用。从经济价值来说,VSC链式结构在配电网络中可以提高电能质量,CSC拓扑结构在高压特高压场合更易实现电能质量的提高,研发周期短,成本低。本文选用两组MLCR-CSC串联,一方面在传统电网换相换流器的基础上提高换流器的电压等级;另一方面是为了验证MLCR-CSC作为STATCOM换流器在500kV及以上电网中应用的可行性。双组MLCR-CSC构成高压大功率STATCOM,如图1所示。
图1
每组MLCR-CSC由传统12脉波换流器和重注入电路组成。12脉波换流器的连接变压器由一次侧和两个线圈比分别为Kn:1(Y联结)、Kn:$\sqrt{3}$(D联结)的二次侧组成。为了分析方便,本文选取注入电流电平数为5。重注入电路由5组反并联自关断器件和2台重注入变压器组成。VTY1~VTY6为Y桥组主桥晶闸管开关;VTD1~VTD6为D桥组主桥晶闸管开关;IaY为主变压器二次侧Y桥A相绕组电流,IcaD为主变压器二次侧D桥A相绕组电流;IA、IB、IC为电网1的三相电流;VTpj1~VTnj4将直流电流分配到多抽头重注入变压器;Iinj为注入电流;Ci、Cj分别为直流阻断电容;Idc为直流电流;Lm为平波电抗器。
2.2 无功补偿工作原理
在实际应用中,MLCR-CSC将有功功率和无功功率或者交流输出电流的有功电流和无功电流作为控制变量,由于主电路使用晶闸管,控制变量只有功率角θ,为了使换流器在四象限运行,功率角需在±180°范围内变化,所以MLCR-CSC是一个强非线性系统。当MLCR-CSC作为STATCOM时,有功功率和无功功率控制如图2所示。
图2
图2中,ku、ki为交直流电压、电流转换系数;UsRMS、IsRMS为变压器一次侧相电压电流有效值;R为直流等效电阻。采用±90°±Δθ功率角控制直流侧电流Idc,Δθ变化范围很小,在工作点处近似线性变化,这样无功功率的变化由Δθ决定,±90°的控制角强迫MLCR-CSC工作在感性或者容性状态。但是,单相直流电流的增减幅度不仅由功率角的变化量Δθ决定,还和功率角的正负极性有关。
在+90°附近,有

在-90°附近,有

为了控制直流电流,在±90°附近功率角的增量Δθ必须与换流器工作状态协调,以产生正确的Δθ变化极性,才能控制无功功率的发出和吸收,满足设备自身损耗的有功功率的流向。
3 直接电流控制设计
图3
通过测量交流三相电压和电流,计算得到实际的交流侧电流无功分量,它与交流侧电流无功分量参考值的差值经过PI控制器产生所需的相角控制指令。通过对交流侧电流无功分量的判断,得到电网所需感性或者容性无功功率,实现对直流侧电流、输出电压的控制,从而得到所需的无功功率值。当检测到电网非对称故障时,STATCOM全功率运行;当直流侧电流Idc工作在非正常范围时,经过延时发出封锁触发同步信号和锁定重注入脉冲触发时序超前或者滞后30°,使换流器工作在电流过零条件下,从而退出无功补偿。
4 仿真验证
以11电平电流作为研究对象进行电流型STATCOM仿真。主要工作包括:电流过零关断验证;网侧输出电流波形THD含量,以及不同零电流脉冲宽度对谐波和幅值的影响;电网对称性扰动和不对称性故障情况下STATCOM的响应。
4.1 零电流产生与谐波消除
图4为主电路触发角度为0°的仿真波形,在0.17s,IBY幅值达到最大,换流器IBD的幅值为零,为D桥换相提供零电流关断(Zero Current Switching,ZCS)条件;在0.175s时,IBD幅值最大,上部换流器IBY的幅值为零,为Y桥换相提供了ZCS条件。
图4
重注入电流的频率为电网基波频率的6倍;在每个基波周期提供6个电流过零点;主变压器Y接换流器的直流电流IBY输出呈现11电平,主变压器D接换流器的直流电流IBD输出呈现11电平。主变压器二次侧Y接换流器A相交流输出电流IaY导通120°,二次侧D接换流器A相交流输出电流IaD导通120°。二次侧Y接和D接经过主变压器耦合,得到变压器一次侧A相多电平电流,近似于正弦波。
图5
图5
网侧电流THD与触发角度和零脉宽倍数的关系
Fig.5
AC-side current THD relationship between trigger angle and the zero pulse width ratio
图6
图6
网侧电流幅值与触发角度和零脉宽倍数的关系
Fig.6
AC-side current amplitude relationship between trigger angle and the zero pulse width ratio
4.2 最优零电流脉宽
在仿真模型中,重注入电流波形采用一个线性上升和下降的三角波进行调制,重注入电路门极可控器件的开关脉冲宽度以均分(等高等宽)为基准,并且在基波频率周期内提供6个电流过零点。由于重注入电路的开关与网侧电压同步信号没有关系,设定11电平重注入零电流零脉宽基准分别为(1/11,3/11,5/11,7/11,9/11),设置零电流脉冲宽度为基准值的0.850~1.200倍,得到谐波含量、电流幅值与零电流脉宽基准倍数和主电路触发角度的数据。
4.3 输电网电压扰动时的无功补偿特性
图7和图8是在电网电压有较大波动情况下的仿真结果。当t = 0.1s时,电网电压为0.95pu,STATCOM检测到电网电压降低,发出0.48pu无功电流,电流相位超前电压,并网点电压吸收STATCOM无功功率51.4Mvar。当t = 0.15s时,电网电压为0.74pu,发出1pu无功电流,电流相位超前电压,并网点电压吸收STATCOM无功功率105.4Mvar。当t = 0.2s时,电网电压为1.02pu,电流型STATCOM检测到电网电压升高,吸收0.78pu无功电流,电流滞后电压,并网点电压向STATCOM发出无功功率86.7Mvar。当t = 0.25s时,电网电压为1.18pu,STATCOM检测到电网电压升高,吸收1pu无功电流,电流滞后电压,并网点电压向STATCOM发出无功功率130.2Mvar。整个过程电流型STATCOM直流侧电流保持恒定,它从电网吸收或者回馈少量有功功率满足自身损耗。
图7
图7
并网点电压扰动时STATCOM无功控制仿真
Fig.7
STATCOM reactive power control simulation with disturbance at PCC
图8
图8
扰动时并网点的电压无功控制仿真
Fig.8
PCC voltage and reactive power control simulation with disturbance
4.4 输电网非对称性电压故障时的无功补偿特性
图9为电网发生单相接地故障的仿真图,当t = 0.15s时电网A相接地,STATCOM检测到电网故障,通过直接电流控制策略,STATCOM全功率运行,直流侧电流波动较大,A相补偿电流稍大于其他两相。电流t = 0.25s时A相接地故障消除,STATCOM恢复待机状态。
图9
图10为电网发生三相接地故障的仿真曲线。当t = 0.15s时电网三相接地,STATCOM检测到电网故障,通过直接电流控制策略,STATCOM全功率运行,提供三相补偿电流,直流侧电流下降趋势明显,直流侧电流幅值低于设定值,STATCOM进入零电流关断条件,直接退出运行。电流t = 0.25s时A相接地故障消除,STATCOM迅速恢复待机状态。
图10
5 结束语
(1)11电平MLCR-CSC主电路晶闸管开关频率是50Hz,重注入电路的门极可关断功率开关频率是450 Hz,降低了功率器件的损耗;实现了晶闸管柔性关断特性,基波周期内实现零电流关断;实现谐波消除,MLCR-CSC的谐波含量并没有随着触发角度的变化而变化;实现消除谐波和高功率因数运行,简化了设备的整体结构。
(2)零电流脉冲宽度在标准脉宽0.85~1.2倍之间任意调整,并且THD<4%;当为标准脉宽的1.1倍时,THD最低为1.83%,为物理平台搭建提供了有效的理论数据依据。
(3)STATCOM在输电网电压扰动时,能实时调整电压等级,当电网电压降低时,支撑电网电压升高到额定等级;当电网电压升高时,将电网电压降低到额定等级;非对称性故障时,全功率补偿,提供电压支撑,响应迅速。
(4)电流型STATCOM拓扑结构简单、无耦合易扩展,在大容量输电网网络中,通过简单的并联,可满足高压或者超高压输电系统的无功功率需求。
今后的研究工作可关注两个方面:即电流型STATCOM有功功率和无功功率独立控制的研究,以及计划研制1MV·A容量的MLCR-CSC实验平台,验证拓扑结构和控制策略的可行性。
参考文献
西北新能源外送系统多FACTS协调控制方法
[J].新疆与西北主网联网750 kV第二通道上将装设5套可控高抗和2套静止无功补偿器,是世界上首次在750 kV输电系统中集中应用新型大容量柔性交流输电(flexible AC transmission system,FACTS)设备。针对多FACTS提出系统级和设备级协调控制方法及二者之前的切换原则。通过仿真算例验证,所提方法能够高精度、高效地集中协调控制多FACTS设备动作,抑制新能源频繁变化引起的电压波动,紧急工况下为系统提供电压无功支撑,同时将潜供电流及恢复电压、非全相过电压及工频过电压等限制到允许范围内。
A coordinated control method of multiple FACTS on the norwest new energy-delivery system
[J].新疆与西北主网联网750 kV第二通道上将装设5套可控高抗和2套静止无功补偿器,是世界上首次在750 kV输电系统中集中应用新型大容量柔性交流输电(flexible AC transmission system,FACTS)设备。针对多FACTS提出系统级和设备级协调控制方法及二者之前的切换原则。通过仿真算例验证,所提方法能够高精度、高效地集中协调控制多FACTS设备动作,抑制新能源频繁变化引起的电压波动,紧急工况下为系统提供电压无功支撑,同时将潜供电流及恢复电压、非全相过电压及工频过电压等限制到允许范围内。
柔性直流输电技术的现状及应用前景分析
[J].
Flexible HVDC transmission technology’s today and tomorrow
[J].
输电系统用STATCOM 多电平主回路方案选择
[J].
DOI:10.7500/AEPS201210145
Magsci
[本文引用: 1]
阐述了IEC61968标准及信息交换总线技术在配电网信息交换领域的发展现状,分析了当前基于IEC61968标准的信息交换总线在信息流控制方面的不足,提出了基于信息交换总线主动控制和适配器协同控制思路的控制框架。面向信息流向控制,设计了基于IEC61968标准消息、动词和角色的主题权限表,基于主题权限表的配电网信息流向编排功能,以及基于主动分析和协同控制的信息流向异常处理方法;面向信息交换总线运行时的信息流动控制,设计了包含启停控制、流量控制与优先级控制等三方面功能的主动与协同一体化控制方法。所提出的基于主动与协同机制的信息流控制框架有助于实现配电网信息交换的稳定性和灵活性。
Selection of multilevel main circuit schemes of STATCOM for transmission system
[J].
DOI:10.7500/AEPS201210145
Magsci
[本文引用: 1]
阐述了IEC61968标准及信息交换总线技术在配电网信息交换领域的发展现状,分析了当前基于IEC61968标准的信息交换总线在信息流控制方面的不足,提出了基于信息交换总线主动控制和适配器协同控制思路的控制框架。面向信息流向控制,设计了基于IEC61968标准消息、动词和角色的主题权限表,基于主题权限表的配电网信息流向编排功能,以及基于主动分析和协同控制的信息流向异常处理方法;面向信息交换总线运行时的信息流动控制,设计了包含启停控制、流量控制与优先级控制等三方面功能的主动与协同一体化控制方法。所提出的基于主动与协同机制的信息流控制框架有助于实现配电网信息交换的稳定性和灵活性。
基于模块组合多电平变换器的STATCOM及其控制
[J].本文提出一种基于模块组合多电平变换器(Modular Multilevel Converter, MMC)的新型综合补偿装置M-STATCOM, 具有模块化、体积小、损耗低、等效开关频率高等优点, 无需工频变压器即可直接应用于中高压电网。M-STATCOM不仅能工作于无功发生工况实现对电网的无功补偿, 也适用于三相不平衡系统电能质量问题的综合治理应用。本文详细分析了M-STATCOM的结构特点和工作原理, 在此基础上提出了无功发生工况和综合补偿工况两种工况下的控制方案。实验结果表明了本文提出控制策略的有效性和理论分析的正确性。
Static synchronous compensator based on modular multilevel convertor based STATCOM and its control
[J].本文提出一种基于模块组合多电平变换器(Modular Multilevel Converter, MMC)的新型综合补偿装置M-STATCOM, 具有模块化、体积小、损耗低、等效开关频率高等优点, 无需工频变压器即可直接应用于中高压电网。M-STATCOM不仅能工作于无功发生工况实现对电网的无功补偿, 也适用于三相不平衡系统电能质量问题的综合治理应用。本文详细分析了M-STATCOM的结构特点和工作原理, 在此基础上提出了无功发生工况和综合补偿工况两种工况下的控制方案。实验结果表明了本文提出控制策略的有效性和理论分析的正确性。
南方电网35kV±200Mvar链式STATCOM现场试运行
[J].
DOI:10.7500/AEPS201212173
Magsci
[本文引用: 1]
介绍了南方电网35kV±200 Mvar链式静止同步补偿器(STATCOM)的现场测试与试运 行,重点对启停试验、运行试验、动态特性试验、双套协调控制试验、运行范围和热运行试验、冗余试 验中的一些技术问题进行了讨论。现场试验表明:STATCOM启停、紧急停机、定无功和定电压控制、双套协调控制等符合设计要求,运行稳定;阶越增减20Mvar时,STATCOM能在35 ms内完成输出调节;投切电容器或电抗器时,STATCOM能在20ms内完成调节,过渡平稳,无冲击;阀组 单元故障模拟试验的闭锁、旁路、重启和跳闸保护符合设计要求。试验结果也表明兼顾500 kV和220 kV母线电压的双目标优化控制策略的STATCOM直流侧电压平衡问题、输出电流谐波以及节能运行仍需深入研究。
On-side commission of 35kV±200Mvar cascade STATCOM in China southeast power gride
[J].
DOI:10.7500/AEPS201212173
Magsci
[本文引用: 1]
介绍了南方电网35kV±200 Mvar链式静止同步补偿器(STATCOM)的现场测试与试运 行,重点对启停试验、运行试验、动态特性试验、双套协调控制试验、运行范围和热运行试验、冗余试 验中的一些技术问题进行了讨论。现场试验表明:STATCOM启停、紧急停机、定无功和定电压控制、双套协调控制等符合设计要求,运行稳定;阶越增减20Mvar时,STATCOM能在35 ms内完成输出调节;投切电容器或电抗器时,STATCOM能在20ms内完成调节,过渡平稳,无冲击;阀组 单元故障模拟试验的闭锁、旁路、重启和跳闸保护符合设计要求。试验结果也表明兼顾500 kV和220 kV母线电压的双目标优化控制策略的STATCOM直流侧电压平衡问题、输出电流谐波以及节能运行仍需深入研究。
35kV±200Mvar STATCOM系统总体设计
[J].
Overall design of 35kV±200Mvar STATCOM system
[J].
一种级联H 桥型静止无功发生器电容电压平衡控制策略
[J].
DOI:10.13334/j.0258-8013.pcsee.2014.27.009
Magsci
[本文引用: 1]
为解决级联H桥型静止无功发生器的电容电压平衡问题,该文在载波移相脉宽调制基础上,分析了调制波幅值与电容电压变化量的关系,提出了调制波增补量法,即在保证总调制波幅值恒定及各H桥调制度小于1的前提下,根据同一相中各电容电压与其平均值的误差为各H桥调制波引入增补量,从而实现电容电压的平衡。通过Simulink数值仿真分析与实验验证,表明该文提出的调制波增补量法具有良好的电容电压平衡能力,且对静止无功发生器(static var generator,SVG)输出电流影响不明显。该方法控制参数少,避免了繁琐的排序运算,易于数字控制器实现,具有良好的实用推广价值。
A direct current capacitor voltage balancing control strategy for H-bridge cascaded static var generator
[J].
DOI:10.13334/j.0258-8013.pcsee.2014.27.009
Magsci
[本文引用: 1]
为解决级联H桥型静止无功发生器的电容电压平衡问题,该文在载波移相脉宽调制基础上,分析了调制波幅值与电容电压变化量的关系,提出了调制波增补量法,即在保证总调制波幅值恒定及各H桥调制度小于1的前提下,根据同一相中各电容电压与其平均值的误差为各H桥调制波引入增补量,从而实现电容电压的平衡。通过Simulink数值仿真分析与实验验证,表明该文提出的调制波增补量法具有良好的电容电压平衡能力,且对静止无功发生器(static var generator,SVG)输出电流影响不明显。该方法控制参数少,避免了繁琐的排序运算,易于数字控制器实现,具有良好的实用推广价值。
五电平H桥级联型STATCOM脉冲轮换控制策略研究
[J].
Research on pulse rotation control strategy for 5-level cascaded H-bridge STATCOM
[J].
A new STATCOM model for power flows using the Newton-Raphson method
[J].
Off shore-wind-farm configuration using diode rectifier with MERS in current link topology
[J].
Diode-based HVDC link for the connection of large offshore wind farms
[J].
Harmonic reduction in dc-ripple reinjection
[J].
DC ripple reinjection: a review
[J].
A current reinjection scheme that adds self-commutation and pulse multiplication to the thyristor converter
[J].
Dissipative Hamiltonian realization and energy-based L2-disturbance attenuation control of multi-machine power systems
[J].
UPFC 状态反馈精确线性化潮流控制策略
[J].
UPFC power flow control strategy based on exact linearization via feedback
[J].
D-STATCOM 建模及其状态反馈精确线性化解耦控制
[J].配电网静止同步补偿器(distribution static synchronous compensator,D-STATCOM)由于其突出性能已被证明是配电网无功动态调节的有效手段。然而链式结构的D- STATCOM由多个H桥逆变单元级联而成,是一个非线性多变量、强耦合的系统,难以建立精确的数学模型,从而给控制器设计及应用带来困难。通过等效电路变换建立链式D-STATCOM的精确非线性数学模型;然后基于微分几何理论提出一种状态反馈精确线性化方法,将链式D-STATCOM非线性系统精确线性化;最终实现链式D-STATCOM的有功、无功解耦控制器设计。仿真与工程实际应用表明,该数学模型及其控制策略对链式D-STATCOM能够实现完全解耦,无功电流控制的动态响应快、稳态特性好。
Modeling of cascade D-STATCOM with decoupled state variable feedback linearization control
[J].配电网静止同步补偿器(distribution static synchronous compensator,D-STATCOM)由于其突出性能已被证明是配电网无功动态调节的有效手段。然而链式结构的D- STATCOM由多个H桥逆变单元级联而成,是一个非线性多变量、强耦合的系统,难以建立精确的数学模型,从而给控制器设计及应用带来困难。通过等效电路变换建立链式D-STATCOM的精确非线性数学模型;然后基于微分几何理论提出一种状态反馈精确线性化方法,将链式D-STATCOM非线性系统精确线性化;最终实现链式D-STATCOM的有功、无功解耦控制器设计。仿真与工程实际应用表明,该数学模型及其控制策略对链式D-STATCOM能够实现完全解耦,无功电流控制的动态响应快、稳态特性好。
/
| 〈 |
|
〉 |