高压大功率非线性电流型STATCOM在输电网中的应用研究 |
| 赵建阳,张福民,刘福贵,刘永和 |
|
Research on High-Voltage High-Power Nonlinear Current-Source STATCOM Applied in Power Transmission System |
| Zhao Jianyang,Zhang Fumin,Liu Fugui,Liu Yonghe |
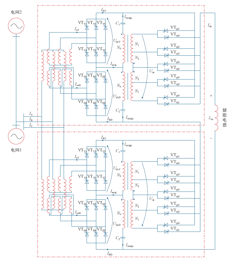
| 图1 电流型STATCOM拓扑结构 |
| Fig.1 Current-source STATCOM configuration |
|