基于改进EMD算法的小电流接地故障选线
安徽省新能源利用与节能重点实验室(合肥工业大学) 合肥 230009
Fault Line Selection Based on Improved EMD Algorithm for Small Current Grounding System
Anhui New Energy Utilization and Energy Saving Laboratory Hefei University of Technology Hefei 230009 China
责任编辑: 杨晓花
收稿日期: 2015-03-24 网络出版日期: 2015-08-25
Received: 2015-03-24 Online: 2015-08-25
作者简介 About authors

王 磊 男 1978年生,博士,副教授,主要研究方向为分布式发电技术、电力系统自动化。

骆 玮 男 1991年生,硕士研究生,主要研究方向为电力系统自动化。
小电流接地系统发生单相接地故障,故障电流暂态分量复杂、稳态分量不明显的特点为可靠选线带来困难。本文分析了小电流接地故障电流暂态分量特征,并提出一种基于改进EMD算法的小电流接地故障选线方法。EMD算法通过叠加电网特征高频信号解决了IMF模态混叠并可靠滤除了高频干扰。基于单相接地故障电流经改进EMD分解出的IMF在不同故障角下展现出不同的特征,分别利用故障时刻低频波形的单调性与线路故障特征能量作为判据进行小电流接地故障选线。基于Matlab/Simulink的配电网单相接地故障仿真验证了该选线方法的有效性。
关键词:
As single-phase earth fault occurs in the small current grounding system, the complex transient and unconspicuous steady-state component of fault current bring certain difficulties for reliable fault line selection. The transient component characteristics of fault current in the small current grounding system are analyzed and a method about fault line selection based on improved EMD algorithm is put forward in this paper. The method of solving the IMF modal aliasing problems by overlaying the characteristic high frequency signal in EMD algorithm also reliable filter high frequency noise. It can be used in different fault time. In view of IMF which get by the improved EMD algorithm under different fault angle show different characteristics, the low frequency waveform monotonicity in the fault time and the fault characteristic energy can be used to determine the fault line. At last the effectiveness of the proposed fault line selection methods is verified by the simulation results of the single-phase earth fault in distribution network built in Matlab/Simulink.
Keywords:
本文引用格式
王磊, 骆玮, 曹现峰.
Wang Lei.
1 引言
为避免上述方法的缺点,本文将改进EMD算法应用于小电流接地故障选线,在对故障电流暂态分析的基础上,得到保留故障暂态特征的系统特征频带,同时避免了不确定高频干扰的影响,进而获得基于改进EMD算法的该系统特征频带内的故障特征暂态分量,以此为依据进行小电流接地系统故障选线。通过在Matlab/Simulink中的大量仿真验证了该算法的有效性。
2 改进EMD算法
2.1 EMD算法简介
分析非平稳信号时,系统频率并不唯一确定,傅立叶所定义的频率不再适合,因此具有自适应特性的EMD算法[11]被提出并应用于诸多场合,它将信号按照自身性质分解为一系列可转换成具有一定物理意义的本征模态函数(Intrinic Mode Function,IMF)和最后余项,即

式中,s(t)为系统采集离散信号;IMFi (t)为IMF分量;r(t)为最后余项。
EMD利用波形自身特征逐层分解得到频率递减的各个IMF。由于IMF不依赖于特定滤波器自适应获得,避免了特征波形的失真,因此EMD算法对于特征量的提取有着更好的效果。
2.2 改进EMD算法
虽然EMD算法的自适应性相比其他波形分析方法具有一定优势,但却具有频率混叠的缺点。小电流接地故障电流中含有大量的故障干扰等高频振荡分量,各线路高频振荡电流相位复杂,容易在故障线路相互抵消或衰减,且高频分量经EMD分解后与线路故障特征分量混叠,给判断故障暂态特征量造成了误差。因此,为解决EMD算法频率混叠及无法准确获得线路故障特征分量的问题,采用自定义的掩膜信号对其进行改进[12]。
在对故障电流进行EMD分解后,由于故障电流的高频分量通常与能量较大的特征分量混叠于IMF前层,通过扩大某一高频分量在该IMF层中的占比,该高频及其以上频率分量便会被分解为独立的IMF。因此在含高频干扰电流的IMF中分别叠加和减去一个正弦波掩膜信号,即

式中,IMF(t)为含高频干扰电流的IMF离散分量;A为该IMF层波形最大值;f则由线路信息估算表征故障暂态特征的系统特征频带确定。从而使高频干扰电流与掩膜信号混叠,最先作为IMF层被分解得到。
将得到的x+1(t)、x-1(t)再次分别进行EMD后,得到高频干扰电流为

式中,IMF+、IMF-由x+1(t)、x-1(t)分解得到;n为高频干扰电流所在IMF层。该方法在得到高频干扰电流的同时,抵消了掩膜信号。一般高频干扰电流均分解在第一层,原有信号分解得到的IMF减去IMFZ即为滤除高频干扰电流的分解结果。
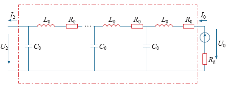
3 小电流接地故障暂态分析
图1
当小电流接地系统发生单相接地故障时,对零模网络而言,相当于在故障点接入一近似工频的恒定电压源

鉴于振荡频率较高,有
由式(4)进一步可得

其中,
当- jγl=π/2时发生首次串联谐振,与此相对应的振荡频率为

因线路损耗、过渡电阻对高频幅值影响较大,所以首振频率为故障暂态特征分量的主要成分。又由式(6)可知线路首振频率与线路长度及分布参数有关,线路越短振荡频率越高。
然而当出线发生单相接地故障时,故障点距母线有一定距离,其暂态过程将更为复杂。故障点与母线间线路也将参与各非故障线路暂态过程,可将该段线路视为增加的各线路输入阻抗,延长了非故障线路至故障点距离,因此非故障线路的首振频率均有所降低。
与非故障线路不同的是,无论故障在何位置,故障线路所测零模电流为所有非故障线路零模电流的叠加。发生单相接地故障时,各非故障线路振荡电流在母线处汇集并流向故障点,而其中来自不同线路部分频带的零模电流可能由于相位相反而抵消,这对选线准确性带来一定的影响。但各出线首振频率均比较低,尤其是振幅较大的长出线,又由于电流流向相同,非故障线路首振频率初始振荡方向一致,因此不易发生上述各出线电流在故障线路相互抵消的现象。
综上所述,将系统特征频带中的高频定为母线接地故障时线路可能出现的最高首振频率,即最短出线首振频率。在保留各线路首振故障电流的前提下,避免了高频干扰的影响。而低频对选线影响较小,可选择故障自由振荡频率较低值300Hz。
4 小电流接地故障选线方法
单相接地故障的暂态波形与故障角有着紧密联系:故障角较小时,线路中的电压变化较小,故障的高频暂态分量并不明显,可通过故障首波方向判断出故障线路;故障角较大时,线路故障暂态分量较大,因为零模电流于母线处叠加,在故障线路检测到的故障暂态特征分量远大于非故障线路。
基于以上两点可以得到利用改进EMD算法对单相接地故障进行故障选线的方法步骤如下:
(1)采用母线接地故障时的最短出线参数,由式(6)估算出系统特征频带。
(2)线路发生单相接地故障后,采集各线路故障波形,并对各线路零模电流利用改进EMD算法滤除高频干扰电流并得到各IMF。
(3)通过IMF获得如下两组数据:
1)各线路故障时刻的低频波形单调性。EMD算法由于具有很好的局部性,可检测到故障点零模电流的低频突变,所以故障线路经改进EMD分解后的低频分量IMFlow在故障时刻有着不同的单调性。设定低频分量主频小于工频50Hz,则有

2)故障特征能量Ec。选择特征频带内的IMF叠加,为故障特征暂态分量,求取其能量Ec为

式中,f (i)为该IMF中心频率;f (c)为特征频带。
(4)主站对上传判据进行选线判断。在故障角较小时,线路高频暂态电流较小,改进EMD算法利用其自适应滤波特性,较好地滤除了高频干扰电流,可由各线路故障时刻低频电流单调性进行判断;故障角较大时,由于高频振荡量远大于基波,且波形较为对称,使得故障方向容易误判,可利用故障特征能量大小判断。
由于上述两判据选择和线路总长关系密切,判据相角可根据线路长度灵活决定。
基于改进EMD算法的小电流接地故障选线方法流程如图2所示。
图2
图2
小电流接地故障选线方法流程
Fig.2
Flow chart of fault line selection for small current grounding system
5 仿真验证
5.1 仿真模型
为验证本文所提故障选线方案的可行性,基于Matlab/Simulink仿真软件建立图3所示的10kV配电网线路单相接地故障仿真模型。配电网采用消弧线圈过补偿方式,补偿度取8%,仿真采用电缆线路分布参数,L0 = 0.398mH/km,C0 = 0.203μF/km。模拟出线3距母线2km处发生单相接地故障。
图3
5.2 结果分析
对上述模型在故障发生在0°、30°、60°、90°进行仿真,设0.01s发生单相接地故障,采集各线路故障前半个工频周期及故障后一个工频周期的零模电流,对各出线电流进行改进EMD分解。设定小于15°的相角采用故障时刻波形单调性进行判别,所以按要求得到故障角为0°时的各出线故障波形及经改进EMD算法滤除高频分量后的低频故障波形如图4所示。
图4
图4
0°故障角下各出线波形及其低频波形
Fig.4
Waveforms of the line and low frequency under the fault angle of 0°
由图4可知,在0.01s附近及故障时刻,出线3为单调递减,而其他出线为递增,故障出线和非故障出线的单调性相反。这种判别方式避免了故障时刻故障电流振荡造成的故障方向误判。
仿真其他故障角,均通过故障特征能量的大小进行判别分析。采用最短出线1,母线故障,带入式(6)计算频率为3 477Hz,考虑估算误差,则取1.2倍可靠系数,即本仿真为4 100Hz以上频率设定为干扰信号,采用改进EMD滤除该信号。
图5
图5
30°故障角下出线3故障特征波形及FFT分析
Fig.5
The line 3 waveform of fault characteristic waveform under the fault angle of 30°
表 改进EMD不同故障角各出线故障特征能量及其中心频率
Tab.
支路 | 30°故障角 | 60°故障角 | 90°故障角 | |||
---|---|---|---|---|---|---|
故障特征能量 | 中心频率/Hz | 故障特征能量 | 中心频率/Hz | 故障特征能量 | 中心频率/Hz | |
1 | 19 093 | 3 400 | 57 297 | 3 400 | 75 067 | 3 400 |
2 | 17 219 | 2 000 | 53 063 | 2 000 | 66 433 | 2 000 |
3 | 61 325 | 1 300,2 000,3 400 | 217 610 | 1 300,2 000,3 400 | 233 450 | 1 300,2 000,3 400 |
4 | 33 986 | 1 300 | 102 810 | 1 300 | 129 650 | 1 300 |
6 结论
本文分析并提出了一种利用改进EMD算法自适应判别故障出线的方法。
EMD算法不同于小波算法需要确定分解层数和小波函数,它不依赖于电网结构,可自适应地分解出故障特征能量,也可滤得电网低频分量。通过对小电流接地系统故障暂态过程的分析,确定系统特征频带,本文提出的改进EMD算法在此基础上避免了不确定高频干扰的可能带来的误差,提高了选线的准确性。仿真结果验证了本文所述选线方法可行,为配电网自动化选线的完善提供了一种可行的方案。
参考文献
基于瞬时实功率和瞬时虚功率的谐振接地系统单相接地选线新方法
[J].The accident transition information is not only complex but also enrichment when single-phase-to-ground fault occurs in resonant earthed system. A new integration method of fault line detection based on instantaneous real power and instantaneous virtual power is proposed in this paper. Not as health lines, when single-phase-to-ground fault occurs in resonant earthed system, the grounded current of faulty line contains distinct transition damping oscillation direct current component with the compensation of arc suppressing. The damping oscillation direct current component shows the characteristics obviously of damping oscillation of industrial frequency through the analyses of instantaneous real power and instantaneous virtual power. Here, the characteristic frequency of 50Hz in instantaneous power theory is defined. By calculating the instantaneous real power and instantaneous virtual power respectively of each line after single-phase-to-ground fault occurred, the oscillator components can be decomposed. Through comprehensively analyzing the value of oscillator components with the characteristic frequency of instantaneous real power and instantaneous virtual power, the integration algorithm of fault line detection can be established. The new method makes full use of transition information without considering phase position and multiple distinguish. Large amount of simulation results shows that the proposed method is accurate and reliable.
A new integration method of fault line detection in resonant earthed system based on instantaneous real power and instantaneous virtualpower
[J].The accident transition information is not only complex but also enrichment when single-phase-to-ground fault occurs in resonant earthed system. A new integration method of fault line detection based on instantaneous real power and instantaneous virtual power is proposed in this paper. Not as health lines, when single-phase-to-ground fault occurs in resonant earthed system, the grounded current of faulty line contains distinct transition damping oscillation direct current component with the compensation of arc suppressing. The damping oscillation direct current component shows the characteristics obviously of damping oscillation of industrial frequency through the analyses of instantaneous real power and instantaneous virtual power. Here, the characteristic frequency of 50Hz in instantaneous power theory is defined. By calculating the instantaneous real power and instantaneous virtual power respectively of each line after single-phase-to-ground fault occurred, the oscillator components can be decomposed. Through comprehensively analyzing the value of oscillator components with the characteristic frequency of instantaneous real power and instantaneous virtual power, the integration algorithm of fault line detection can be established. The new method makes full use of transition information without considering phase position and multiple distinguish. Large amount of simulation results shows that the proposed method is accurate and reliable.
基于证据理论和信息熵的消弧线圈接地电网融合选线方法
[J].This paper presents a fusion scheme for ground fault line detection in neutral compensated power networks. Fault characteristics as initial abrupt wave, real power and transient are employed in the proposed fusion method. The fusion is implemented with D-S evidence theory and information entropy. Algorithm of fault measures that representing the likelihood of a line tend to be the fault one is constructed. With fault measures and information entropy, the basic probability assignment of evidence theory is formulated for fusion strategy in this paper. Simulations and field fault data prove that the proposed fusion algorithm can improve the reliability and adaptability for line to ground fault detection.
A fusion method for ground fault line detection in compensated power networks based on evidence theory and information entropy
[J].This paper presents a fusion scheme for ground fault line detection in neutral compensated power networks. Fault characteristics as initial abrupt wave, real power and transient are employed in the proposed fusion method. The fusion is implemented with D-S evidence theory and information entropy. Algorithm of fault measures that representing the likelihood of a line tend to be the fault one is constructed. With fault measures and information entropy, the basic probability assignment of evidence theory is formulated for fusion strategy in this paper. Simulations and field fault data prove that the proposed fusion algorithm can improve the reliability and adaptability for line to ground fault detection.
基于改进的广义谐波小波包分解和混沌振子的小电流接地系统故障选线
[J].As the small current grounding system fails, the zero-sequence current of each line appears complicated characteristics of non-stationary and nonlinear. A small current grounding system fault line selection method based on improved generalized harmonic wavelet packet decomposition and chaos oscillator detection algorithm is given in this paper. Through spread spectrum, the generalized harmonic wavelet packet decomposition algorithm could extract features of any frequency band and arbitrary bandwidth signal with less calculation, realizing fast and anti-aliasing separation to signals. Duffing oscillator system is unaffected by noise and presents highly sensitive to external signals which have the same frequency as the internal driving force. By time-scale transformation, Duffing oscillator could be adapted to the detection of different frequency signals. The fault line could be accurately selected by observing the changes in the system’s phase diagram. Numerical simulation showes the reliability and accuracy of the algorithm.
Application of improved generalized harmonic wavelet packet decomposition and chaos oscillator to fault Line detection in small current grounding system
[J].As the small current grounding system fails, the zero-sequence current of each line appears complicated characteristics of non-stationary and nonlinear. A small current grounding system fault line selection method based on improved generalized harmonic wavelet packet decomposition and chaos oscillator detection algorithm is given in this paper. Through spread spectrum, the generalized harmonic wavelet packet decomposition algorithm could extract features of any frequency band and arbitrary bandwidth signal with less calculation, realizing fast and anti-aliasing separation to signals. Duffing oscillator system is unaffected by noise and presents highly sensitive to external signals which have the same frequency as the internal driving force. By time-scale transformation, Duffing oscillator could be adapted to the detection of different frequency signals. The fault line could be accurately selected by observing the changes in the system’s phase diagram. Numerical simulation showes the reliability and accuracy of the algorithm.
小电流接地故障谐波分析及其对谐波选线的影响
[J].According to the principles of harmonic-based earth fault protection(identification to the line with a single phase to earth fault) in non-solidly earthed network, the characteristics of non-linear load, system power, fault point as a harmonic source and the faulty harmonic current generated by them are analyzed. Through harmonic-based protection system, the influences of multi-harmonic sources are studied as well. It is discovered that the harmonic sources of system power and non-linear load play dominant roles which give their effect through the pre-fault harmonic voltage at the fault point. The influences of fault point can be neglected for it produced neglected harmonic current. The magnitude and phase of harmonic sources and the distance between fault point and harmonic sources are the main factors affecting the reliability of harmonics-based protections. The analysis results are proved by digital simulation.
Analysis of harmonic innon-solidly earthed network and its influences on harmonic-basedearthfault protection
[J].According to the principles of harmonic-based earth fault protection(identification to the line with a single phase to earth fault) in non-solidly earthed network, the characteristics of non-linear load, system power, fault point as a harmonic source and the faulty harmonic current generated by them are analyzed. Through harmonic-based protection system, the influences of multi-harmonic sources are studied as well. It is discovered that the harmonic sources of system power and non-linear load play dominant roles which give their effect through the pre-fault harmonic voltage at the fault point. The influences of fault point can be neglected for it produced neglected harmonic current. The magnitude and phase of harmonic sources and the distance between fault point and harmonic sources are the main factors affecting the reliability of harmonics-based protections. The analysis results are proved by digital simulation.
基于小波包的小电流接地系统故障选线的新判据
[J].
A new criterion for earth fault line selection based on wavelet packets in small current neutral grounding system
[J].
基于暂态量和小波包的配电网故障选线方法
[J].
Faulty feeder detection based on transient current andwavelet packet in distribution system
[J].
基于数学形态学的配电网单相接地故障暂态选线算法
[J].
Transient algorithm for single-line to ground fault selection in distribution networks based on mathematical morpho-logy
[J].
HHT方法在电力系统故障信号分析中的应用
[J].
Application of HHT method for analysis of fault signal in electric power system
[J].
基于EMD-相关性算法的谐振接地系统故障选线新方法
[J].
DOI:10.1371/journal.pone.0226751
URL
PMID:31887160
[本文引用: 1]
An algorithm to predict train wheel diameter based on Gaussian process regression (GPR) optimized using a fast simulated annealing algorithm (FSA-GPR) is proposed in this study to address the problem of dynamic decrease in wheel diameter with increase in mileage, which affects the measurement accuracy of train speed and location, as well as the hyper-parameter problem of the GPR in the traditional conjugate gradient algorithm. The algorithm proposed as well as other popular algorithms in the field, such as the traditional GPR algorithm, and GPR algorithms optimized using the artificial bee colony algorithm (ABC-GPR) or genetic algorithm (GA-GPR), were used to predict the wheel diameter of a DF11 train in a section of a railway during a period of major repairs. The results predicted by FSA-GPR was compared with other three algorithms as well as the real measured data from RMSE, MAE, R2 and Residual value. And the comparisons showed that the predictions obtained from the GPR optimized using FSA algorithm were more accurate than those based on the others. Therefore, this algorithm can be incorporated into the vehicle-mounted speed measurement module to automatically update the value of wheel diameter, thereby substantially reducing the manual work entailed therein and improving the effectiveness of measuring the speed and position of the train.
A method of resonant earthed system fault line detection based on EMD
[J].
DOI:10.1371/journal.pone.0226751
URL
PMID:31887160
[本文引用: 1]
An algorithm to predict train wheel diameter based on Gaussian process regression (GPR) optimized using a fast simulated annealing algorithm (FSA-GPR) is proposed in this study to address the problem of dynamic decrease in wheel diameter with increase in mileage, which affects the measurement accuracy of train speed and location, as well as the hyper-parameter problem of the GPR in the traditional conjugate gradient algorithm. The algorithm proposed as well as other popular algorithms in the field, such as the traditional GPR algorithm, and GPR algorithms optimized using the artificial bee colony algorithm (ABC-GPR) or genetic algorithm (GA-GPR), were used to predict the wheel diameter of a DF11 train in a section of a railway during a period of major repairs. The results predicted by FSA-GPR was compared with other three algorithms as well as the real measured data from RMSE, MAE, R2 and Residual value. And the comparisons showed that the predictions obtained from the GPR optimized using FSA algorithm were more accurate than those based on the others. Therefore, this algorithm can be incorporated into the vehicle-mounted speed measurement module to automatically update the value of wheel diameter, thereby substantially reducing the manual work entailed therein and improving the effectiveness of measuring the speed and position of the train.
The empirical mode decomposition and Hilbert spectrum for nonlinear and nonstationary time series analysis
[J].
DOI:10.1007/s11517-006-0065-x
URL
PMID:16937193
[本文引用: 1]
Tremor is a clinical feature characterized by oscillations of a part of the body. The detection and study of tremor is an important step in investigations seeking to explain underlying control strategies of the central nervous system under natural (or physiological) and pathological conditions. It is well established that tremorous activity is composed of deterministic and stochastic components. For this reason, the use of digital signal processing techniques (DSP) which take into account the nonlinearity and nonstationarity of such signals may bring new information into the signal analysis which is often obscured by traditional linear techniques (e.g. Fourier analysis). In this context, this paper introduces the application of the empirical mode decomposition (EMD) and Hilbert spectrum (HS), which are relatively new DSP techniques for the analysis of nonlinear and nonstationary time-series, for the study of tremor. Our results, obtained from the analysis of experimental signals collected from 31 patients with different neurological conditions, showed that the EMD could automatically decompose acquired signals into basic components, called intrinsic mode functions (IMFs), representing tremorous and voluntary activity. The identification of a physical meaning for IMFs in the context of tremor analysis suggests an alternative and new way of detecting tremorous activity. These results may be relevant for those applications requiring automatic detection of tremor. Furthermore, the energy of IMFs was visualized as a function of time and frequency by means of the HS. This analysis showed that the variation of energy of tremorous and voluntary activity could be distinguished and characterized on the HS. Such results may be relevant for those applications aiming to identify neurological disorders. In general, both the HS and EMD demonstrated to be very useful to perform objective analysis of any kind of tremor and can therefore be potentially used to perform functional assessment.
消除经验模态分解中混叠现象的改进掩膜信号法
[J].
Empirical mode decomposition (EMD) was applied to deal with non-stationary signal, and can describe the characteristics of frequency. But EMD yields has its own interpretation of combinations of pure tones, and mode mixing is one of the problems. We give a solution involving an improved masking signal. The improved masking signal method is based on masking signal method, to change the way choosing the masking signal, we get the IMF1 without mode mixing. The method also allows EMD to be used to separate components that are similar in frequency that would be inseparable with standard EMD techniques. The experiment shows that the approach based on a improved masking signal to improve EMD is practical and effective.
Use of masking signal to improve empirical mode decomposition
[J].
Empirical mode decomposition (EMD) was applied to deal with non-stationary signal, and can describe the characteristics of frequency. But EMD yields has its own interpretation of combinations of pure tones, and mode mixing is one of the problems. We give a solution involving an improved masking signal. The improved masking signal method is based on masking signal method, to change the way choosing the masking signal, we get the IMF1 without mode mixing. The method also allows EMD to be used to separate components that are similar in frequency that would be inseparable with standard EMD techniques. The experiment shows that the approach based on a improved masking signal to improve EMD is practical and effective.
中性点不接地系统小电流接地故障暂态等值电路的建立
[J].
Construction of transient equivalent circuits of single-phase earth fault for isolated neutral systems
[J].
基于HHT小电流接地故障选线与在线故障定位方法
[J].
DOI:10.1371/journal.pone.0226751
URL
PMID:31887160
An algorithm to predict train wheel diameter based on Gaussian process regression (GPR) optimized using a fast simulated annealing algorithm (FSA-GPR) is proposed in this study to address the problem of dynamic decrease in wheel diameter with increase in mileage, which affects the measurement accuracy of train speed and location, as well as the hyper-parameter problem of the GPR in the traditional conjugate gradient algorithm. The algorithm proposed as well as other popular algorithms in the field, such as the traditional GPR algorithm, and GPR algorithms optimized using the artificial bee colony algorithm (ABC-GPR) or genetic algorithm (GA-GPR), were used to predict the wheel diameter of a DF11 train in a section of a railway during a period of major repairs. The results predicted by FSA-GPR was compared with other three algorithms as well as the real measured data from RMSE, MAE, R2 and Residual value. And the comparisons showed that the predictions obtained from the GPR optimized using FSA algorithm were more accurate than those based on the others. Therefore, this algorithm can be incorporated into the vehicle-mounted speed measurement module to automatically update the value of wheel diameter, thereby substantially reducing the manual work entailed therein and improving the effectiveness of measuring the speed and position of the train.
An HHT based method of fault line selection and online fault location in neutral point ineffectively grounded power system
[J].
DOI:10.1371/journal.pone.0226751
URL
PMID:31887160
An algorithm to predict train wheel diameter based on Gaussian process regression (GPR) optimized using a fast simulated annealing algorithm (FSA-GPR) is proposed in this study to address the problem of dynamic decrease in wheel diameter with increase in mileage, which affects the measurement accuracy of train speed and location, as well as the hyper-parameter problem of the GPR in the traditional conjugate gradient algorithm. The algorithm proposed as well as other popular algorithms in the field, such as the traditional GPR algorithm, and GPR algorithms optimized using the artificial bee colony algorithm (ABC-GPR) or genetic algorithm (GA-GPR), were used to predict the wheel diameter of a DF11 train in a section of a railway during a period of major repairs. The results predicted by FSA-GPR was compared with other three algorithms as well as the real measured data from RMSE, MAE, R2 and Residual value. And the comparisons showed that the predictions obtained from the GPR optimized using FSA algorithm were more accurate than those based on the others. Therefore, this algorithm can be incorporated into the vehicle-mounted speed measurement module to automatically update the value of wheel diameter, thereby substantially reducing the manual work entailed therein and improving the effectiveness of measuring the speed and position of the train.
基于EMD-TEO及信号能量分析法的主导低频振荡模式识别
[J].A new method about dominant inertial mode identification for power systems was proposed.The method integrated empirical mode decomposition(EMD), Teager energy operator(TEO) and signal energy method. EMD expands the applied scene of signal energy method without considering the ordering issues.The fast-response ability and robustness of TEO leads to a higher accuracy for frequency identification.Based on the second-order model signal energy method, the algorithm for dumping ratio was simplified.The method was verified in WEPRI-36 and actual grid by Q-R eigenvalue analysis and Prony algorithm.Its fitting-curve adaption to unlinear system is better than Prony algorithm, and it can be effectively used to detect the dominant inertial mode.
Identification of the dominant inertial mode based on EMD-TEO and signal energy method
[J].A new method about dominant inertial mode identification for power systems was proposed.The method integrated empirical mode decomposition(EMD), Teager energy operator(TEO) and signal energy method. EMD expands the applied scene of signal energy method without considering the ordering issues.The fast-response ability and robustness of TEO leads to a higher accuracy for frequency identification.Based on the second-order model signal energy method, the algorithm for dumping ratio was simplified.The method was verified in WEPRI-36 and actual grid by Q-R eigenvalue analysis and Prony algorithm.Its fitting-curve adaption to unlinear system is better than Prony algorithm, and it can be effectively used to detect the dominant inertial mode.
配电网缆—线混合线路故障选线的 HHT 检测方法
[J].
Faulty line selection based on HHT detection for hybrid distribution network
[J].
/
〈 |
|
〉 |
