基于改进EMD算法的小电流接地故障选线
王磊,骆玮,曹现峰

Fault Line Selection Based on Improved EMD Algorithm for Small Current Grounding System
Lei Wang,Wei Luo,Xianfeng Cao
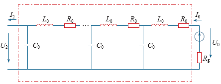
图1 线路零模参数模型
Fig.1 Zero mode network parameter model