兆瓦级可编程电网模拟电源
Programmable Grid Simulator Power System in MW Power Level
责任编辑: 杨晓花
收稿日期: 2015-03-24 网络出版日期: 2015-07-25
| 基金资助: |
|
Received: 2015-03-24 Online: 2015-07-25
作者简介 About authors
马 亮 男 1983年生,博士,研究方向为电力电子及新能源。
卢远宏 男 1988年生,博士,研究方向为电力电子与光伏发电。
为研究和测试分布式发电系统并网故障穿越能力,提出一种可模拟不同电网故障类型的大功率电网故障模拟电源方案。主电路采用双PWM变流器拓扑结构以实现能量的双向流动。软件设计了通用、步阶、低电压穿越和谐波等工作模式,通过简单人机界面的选择便可获得期望的工作模式。采用瞬时电压电流双环加前馈控制结构,可实现对指令电压的快速跟踪。1MW样机实验结果证明了该设计方案的正确性和有效性。
关键词:
For the purpose of researching and testing on the fault ride through capacity of distributed power generation system, a high-power grid simulator is proposed in this paper. This simulator can provide different types of fault simulating voltage. The main circuit adopts double PWM converter topology in order to realize the bidirectional power flow. Different operation modes, such as normal mode, step mode, low voltage ride through (LVRT) mode and harmonic mode etc., are designed in the software. The desired opertaion mode can be chosen by a simple interface. Instantaneous voltage and current double loop with feedforward voltage control strategy can track the reference voltage quickly. Experimental results about the prototype of the 1MW grid simulator verify the effectiveness and validity of the design.
Keywords:
本文引用格式
马亮, 卢远宏, 孙琳琳, 袁中正.
Ma Liang.
1 引言
随着可再生能源并网发电系统在电力系统中穿透率的增加,新能源发电对常规电网运行影响越来越大。对于并网发电系统,假如并网变流装置在电网出现非正常情况(如电压跌落、频率偏移及谐波污染等)自行解列,将不利于电网电压的恢复甚至可能加剧电网故障。因而,为保障电网运行的稳定性,各国电网标准均要求相关并网变流器需具备故障穿越功能[1,2,3,4,5,6],即在规定故障时间及电压跌落条件下,并网装置不允许脱网。由于实际电网发生故障具有随机性,采用常规电网电压无法实现对并网变流器故障穿越性能的全面检测。因此,为考核并网变流器性能指标,研制开发一种可模拟各种电网故障状态的电气设备成为分布式并网发电研究中的一项重要工作。
为此,国内外学者进行了大量的研究和开发。文献[7]提出电网模拟器的概念,通过dq坐标系对输出进行无差控制,但其在谐波模拟时每一阶次的控制器仅能跟踪特定频率谐波,算法复杂。文献[8,9]对现有三种电网跌落发生器(VSG)进行比较研究。其中,相对于变压器形式和阻抗形式,电力电子变换器形式具有功能较强,适用性广的特点。文献[10]研究了一种多功能电网模拟器,能够对电网故障进行模拟,但其谐波模式采用电压有效值反馈控制,无法对谐波频率进行准确跟踪。文献[11]研制出一种可编程电网故障模拟电源,逆变部分采用三相桥式电路,使系统在模拟不平衡输出时具有较大难度,另外双闭环均采用PI–R控制器也使算法变得复杂。
本文提出一种可模拟不同类型电网故障的大功率电网模拟器方案,通过设计不同系统运行模式,不仅可模拟满足不同电网标准的正常电压输出,还可模拟各种故障情况下电网电压输出,如电网电压幅值突变(骤升或骤降)、频率偏移和相位突变等,满足不同电网低穿标准的电压输出。研制出一台1MV·A样机,实验结果验证了方案的正确性。
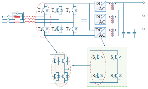
2 主电路拓扑
图1
后级逆变侧采用3个独立单相逆变器组合组成三相系统,模拟电网的三相电压输出。相比较而言,尽管采用三相三桥臂或三相四桥臂拓扑结构在成本方面更具优势,但在模拟电网电压不平衡及相位突变等故障情况时控制系统复杂,难以准确模拟。而本文采用这一拓扑结构的优势在于,可通过三相独立控制来实现对各种不平衡电压跌落的模拟。
由于本文重点是介绍可编程电网故障模拟功能,对PWM整流部分控制策略不再做详细介绍。
3 电网模拟功能设计
本电网模拟电源系统旨在全面模拟电网电压输出特性,既可模拟各国额定电压幅值和频率不同的正常电网电压输出,也可模拟各种电网故障情况下电压输出,如单相电压跌落、两相电压跌落、三相电压跌落、电压过频欠频、过电压、欠电压及电压暂降等情况。系统共设计四种运行模式,包括:通用模式、步阶模式、低电压穿越模式以及谐波模式等。
(1)通用模式。该模式下,系统能够实现三相正弦电压输出,通过人机界面用户可进行参数设置修改各相输出电压频率、电压幅值以及初始相位,并且在系统运行过程中实时更新参数设置,系统即时响应输出。
(2)步阶模式。如图2所示,系统可循环输出序列正弦波电压,每一序列电压幅值和频率固定,相邻两个序列的电压幅值、频率之间的变化可以跃变。通过人机界面可设置各序列输出电压的幅值、频率、持续时间以及系列电压循环输出的次数。该模式可模拟各种电压幅值及频率的骤降、骤增情况。
图2
(3)低电压穿越模式。该模式主要用来测试相关并网变流器设备在电网出现电压暂降情况时的响应是否符合要求。以光伏并网发电系统为例,当光伏电站并网点电压跌落深度在允许范围时,光伏电站能够保持并网状态不脱网,从而“穿越”电网低电压时间(区域)。图3为目前我国对光伏发电系统接入电网的低电压穿越要求。
图3
用户可以通过人机界面任意编辑所需低穿电压波形。如图3所示,通过分别设定A、B、C三相的额定电压UN,跌落电压U1,跌落电压持续时间T1,恢复电压U2、U3以及相应恢复T2、T3即可模拟各种电网故障电压波形。
(4)谐波模式。该模式用来模拟电网电压在含有谐波成分时的波形情况,通过人机界面用户可选择不同谐波次数谐波电压成分,可设定各次谐波电压含量大小及相对基波电压的相位偏移。
4 逆变控制策略
模拟电网电压输出主要通过图中逆变级实现,由3个独立控制的单相逆变器构成,单相逆变器控制框图如图4所示。逆变电压参考值uref由4种运行模式的其中一种来给定。
图4
本系统采用基于参考前馈的电压电流双环控制结构实现对uref的跟踪。内环反馈量为逆变器输出侧电感电流。由于电感电流包含电容电流和负载电流的信息,使系统能够快速响应负载扰动,动态性能得到改善。外环反馈量为输出滤波电容的电压。外环采用PI调节器,可提高系统稳定性,减小静差。给定前馈使逆变器输出直接包含给定信息,在步阶和低穿模式能极大提高系统的响应速度,使闭环控制器仅需要在给定电压的基础上提供微小的修正量。
图5
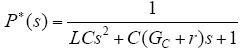
外环等效控制对象为

在此基础上可得到闭环系统s域稳态误差表达式为

电网模拟器用于测试分布式并网逆变器的性能,负载可能是阻性,感性或整流性负载,具有不确定性,一般将其作为系统扰动。可将i0(s)/CS作为系统扰动分析,则系统扰动和系统给定的误差传递函数具有相同的表达式

式中,GV (s)为电压外环控制, 
为电流内环控制器,GC(s) = kpI。
图6为系统误差传递函数的频率响应曲线,当给定为基波信号和谐波信号时,系统均具有较小的稳态误差。同样地,系统对负载扰动也具有良好的抑制性能。
图6
5 实验结果
单相逆变输出电压有效值范围设计为0~300V,额定输出电压设为220V,变压器电压比为1.2,则逆变桥侧峰值电流约为2 143A,直流电压设为650V。功率开关管选择英飞凌公司的FF1400R12–IP4IGBT模块,电压电流等级为1 200V/1 400A。
图7
图8
图9
图10
图11
图12
图12
负载突变情况下输出电压与负载电流波形
Fig.12
Waveform of output voltage and load current under load mutation
图13
图14
图14
LVRT有源测试方案三相电压对称跌落波形图
Fig.14
Three-phase voltage symmetrical sag waveforms of LVRT active test program
图15
图15
LVRT有源测试方案三相电压不对称跌落波形图
Fig.15
Three-phase voltage Asymmetric sag waveforms of LVRT active test program
以上实验结果充分证明了本电网故障模拟电源系统方案的正确性、有效性和灵活性,用户仅通过人机界面的模式选择和参数设定,便可模拟各种所需电网故障情况。
6 结论
本文提出了一种大功率电网模拟电源系统设计方案,通过设计不同系统运行模式,可模拟各类电网故障情况。该电源系统适应不同国家电网标准,依据用户需求可编程模拟电网电压输出,为并网变流器技术研究及装置生产提供了一种灵活的测试方案。
参考文献
Grid connection of wind turbines to networks with voltages below 100 kV, regulation TF 3.2.6
[S].
Transmission provider technical requirements for the connection of power plants to the Hydro-Quebec transmission system
[S].
Inter-connection for wind energy, final rule
[S].
Electric Power Research Institute (2012) GB/T 29319—2012 Technical requirements for connecting photovoltaic power system to distribution network
[S].
A grid simulator with control of single-phase power converters in D-Q rotating frame
[C].
风力发电用电网跌落发生器研究综述
[J].
Review of voltage sag generator for wind power
[J].
光伏并网逆变器低电压穿越检测方案分析
[J].
Analysis of grid-connected PV inverter low voltage ride through testing scheme
[J].
多功能电网模拟器研究
[J].
Research of multi-functional grid simulator
[J].
可编程电网故障模拟电源的设计
[J].Recently, grid codes are proposed by many countries all over the world, which require that grid-connected wind turbines should possess fault-ride through capability, This means when the grid fault occurs, such as voltage dip, unbalance, harmonic distortion, frequency drift, phase angle jumping and so on, the wind turbines must be connected with the grid without jumping. In order to investigate the fault-ride through capability of wind generators, a special testing power supply is essential to simulate various grid faults assigned in the grid codes. For this purpose, this paper proposes a new programmable grid-fault emulating power supply, which can emulate almost all kinds of network faults listed in the grid codes. Experimental results validate the simplicity, flexibility and high reliability of the structure and control strategies, which indicate that the types and parameters of the simulated grid faults are adjustable and the functions of the device can be further expanded. It comes out that the programmable fault-emulating power supply can be widely used in the performance test of wind turbines and other electric devices.
Design of a programmable grid-fault emulating power supply
[J].Recently, grid codes are proposed by many countries all over the world, which require that grid-connected wind turbines should possess fault-ride through capability, This means when the grid fault occurs, such as voltage dip, unbalance, harmonic distortion, frequency drift, phase angle jumping and so on, the wind turbines must be connected with the grid without jumping. In order to investigate the fault-ride through capability of wind generators, a special testing power supply is essential to simulate various grid faults assigned in the grid codes. For this purpose, this paper proposes a new programmable grid-fault emulating power supply, which can emulate almost all kinds of network faults listed in the grid codes. Experimental results validate the simplicity, flexibility and high reliability of the structure and control strategies, which indicate that the types and parameters of the simulated grid faults are adjustable and the functions of the device can be further expanded. It comes out that the programmable fault-emulating power supply can be widely used in the performance test of wind turbines and other electric devices.
/
| 〈 |
|
〉 |