兆瓦级可编程电网模拟电源
马亮,卢远宏,孙琳琳,袁中正

Programmable Grid Simulator Power System in MW Power Level
Liang Ma,Yuanhong Lu,Linlin Sun,Zhongzheng Yuan
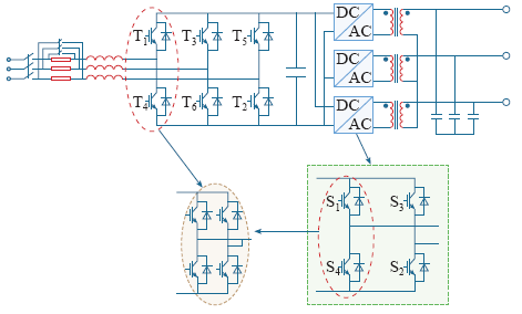
图1 电网模拟器主电路拓扑结构
Fig.1 Topology of three phase grid simulator converter