基于改进飞蛾扑火优化算法的并网复合装置滑模变控制器参数优化 |
| 刘家军, 林皓琨, 苗淼, 刘立鹏 |
|
Parameter Optimization of Sliding Mode Variable Controller for Grid Connected Compound Device Based on Improved Moth-flame Optimization Algorithm |
| LIU Jiajun, LIN Haokun, MIAO Miao, LIU Lipeng |
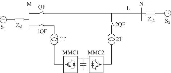
| 图1 背靠背MMC-HVDC并网复合装置拓扑图 |
|