1 引言
截止到2022年底,全国铁路营业里程达到15.5万公里,其中高速铁路达到4.2万公里。随着我国高速铁路的大规模建设,对电气化铁路专用27.5 kV电缆的需求越来越大。我国建成投运的多条高速城际客运专线均采用了大量的电气化铁路专用27.5 kV电缆,传统架空馈线将逐步被单相馈线电缆所取代。然而,27.5 kV电缆的大量应用带来了较多事故,如外护套及金属屏蔽层被烧毁,进而造成电缆被烧毁,影响行车,带来较大的财产损失[1 ⇓ -3 ] 。通过对铁路集团公司供电部门提供的材料进行总结分析,统计27.5 kV电缆线路(含电缆与附件)发生故障的原因,各原因比例大致如下:电缆与电缆接头本身制造质量原因占5%;外力损伤电缆与电缆接头占5%;电缆进水受潮导致电缆接头发生故障占10%;电缆接头施工质量导致故障占35%;电缆线路因接地方面原因占45%。其中,电缆线路因接地方式不合理、虚接地或接地电阻偏大等造成电缆金属护层感应电压过高而导致的线路故障,占到此类故障原因的60%。深入剖析,其中电缆金属护层接地线绝缘层击穿引起燃烧,导致电缆故障占此类故障的90%,即约占总故障的24%。27.5 kV电缆护层保护器典型事故如图1 所示。
图1
在GB/T 28427—2012[4 ] 中,未对27.5 kV电缆护层保护器做出明确的产品性能要求。对铁路牵引负荷和电力负荷有较大区别,27.5 kV电缆作为我国电气化铁路的专用电缆,具有很强的独特性。目前电气化行业亟需对27.5 kV电缆用护层保护器的参数做深入研究。
电缆护层保护器的保护特性和运营稳定性是相互制约的,应该结合系统实际情况、电缆的线路长度、电缆非金属外护套实际绝缘水平、护层保护器使用环境条件等,合理选择护层保护器的特性参数,正确配置护层保护器,保证其额定电压、动作电压及残压等相协调,以可靠保护电缆,提高护层保护器的工作寿命。
文献[4 ⇓ ⇓ ⇓ ⇓ -9 ]分别提出了电缆护层保护器感应电压及一些参数的计算;文献[10 ⇓ -12 ]提供了电阻阀片参数的一些计算方法;文献[13 ]从一起电缆故障分析超高压电缆金属护套的接地方式;文献[14 ]给出了单芯电缆外护套过电压保护方案。
2 护层保护器概述
2.1 工作原理
单芯电力电缆的金属层为金属屏蔽层和金属铠装层的总称,对于既有金属屏蔽层又有金属铠装层的单芯电缆,金属层的接地是指二者都需要连通接地。电气化铁路单相27.5 kV电力电缆为单芯电缆,单芯电缆的导体与金属层的关系,可以看成一个变压器的初级绕组与次级绕组,当电缆的导体通过交流电流时,其周围产生的一部分磁力线与金属层交链,在金属层上产生感应电压。感应电压的高低不仅与电缆中流过导体的电流或短路电流有关,而且与电缆的敷设排列方式和线路长度有关。护层保护器高压端接电缆的屏蔽层或铠装层,接地端通过接地母排接地,如图2 所示。
图2
当电缆很长时,金属铠装层上的感应电压达到危及人身安全的程度;在线路发生短路故障时,金属铠装层上的感应电压会达到很大的数值;当线路遭受操作过电压或雷击过电压时,金属铠装层上还会形成很高的感应电压,可能导致电缆外护套绝缘被击穿,形成铠装层的额外接地点。
如果金属层两点直接接地,便形成闭合通路,金属层中将产生环形电流。电缆运行时,金属铠装层上的环形电流可能达到导体负荷的1/3[15 ] ,金属层如此大的环流损耗会使电缆发热,严重影响电缆的输送容量,并加速电缆绝缘老化,影响电缆的有效使用寿命。因此,单芯电缆不应两端或多点直接接地,除非在电缆很短和轻载运行时的个别情况下,方可将金属层在电缆的两端直接接地。
电气化铁路牵引供电系统为工频单相系统,牵引负荷为冲击性负荷且波动大,当车辆驶入某一供电臂内时,负荷电流迅速增大;驶出时负荷电流迅速下降。若某一供电臂内车辆密集,还会出现短时间或周期性的过负荷。
27.5 kV电缆线路正常工作时,电缆护层保护器呈现高阻状态,截断电缆金属层中的工频感应电流和大地形成的回路,限制环形感应电流;一旦电缆线路出现短路故障、有雷电过电压侵入或是系统出现内部过电压,导致电缆金属层中出现很高的工频过电压或冲击过电压时,电缆护层保护器呈现低阻态,迅速将故障电流泄入大地,将暂态过电压箝制在护层保护器的自身残压范围内,保护电缆外护套绝缘而不致击穿。
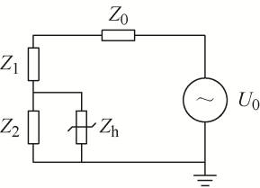
电气化铁路中的27.5 kV电缆一般采用电缆金属层一端直接接地、另一端经护层保护器接地的接地方式,其等效电路如图3 所示。图3 中,U 0 为雷电波、操作过电压或感应电压幅值,kV;Z 0 为接触网波阻抗,Ω;Z 1 为电缆导体到电缆金属层波阻抗,Ω;Z 2 为电缆金属层对大地波阻抗,Ω;Z h 为护层保护器对大地波阻抗,Ω。
图3
2.2 护层保护器现状
27.5 kV电缆与电网三相电力系统单芯电缆两者运行条件有较大的区别。27.5 kV电缆馈电系统是单相回路,电网是三相路,两者电流回路不同、电缆接地方式不同。27.5 kV电缆系统是以接触网的钢轨、回流线、大地为电流回流通路的单相回路,各路径电流大小、大地电阻率、接地电阻等都影响电缆金属护层的感应电压大小。
电网三相电力系统单芯电缆大部分是64/110 kV以上高压电缆,三相电缆接地采用星形连接方式(正常情况下,连接点电容电流矢量和为零),并对接地电缆提出了明确的技术要求,都是10 kV的专用接地电缆,用接地箱、接地保护箱等专用设备进行接地,几乎不受环境影响。而目前27.5 kV电缆只能直接接地或通过简单的护层保护器接地,并没有对接地线提出技术要求。27.5 kV电缆接地方式的局限性给电缆线路带来较多的故障可能。
电网高压单相电缆安装后,电缆外护套要求进行直流耐压10 kV试验,而27.5 kV电缆绝缘护层在敷设后仅用500 V摆表测量其电阻值,或进行目前没有实际意义的直流10 kV耐压试验。
27.5 kV电缆护层电压限制器参数选择规范制定时没有虑及上述不同,直接套用电网有关规范,给护层保护器参数的选择带来不确定性,未对护层保护器有“工频启始动作电压”指标要求。27.5 kV电缆金属护层接地,在用户没有特定要求下,目前都采用0.6/1 kV电压等级“绝缘套管”绝缘,或软导体橡胶类绝缘导线。接地线选用0.6/1 kV电压等级,其绝缘性能低于电缆的护套绝缘性能。
因为对电缆金属护层产生的冲击电压大小、系统短路时的最大工频感应电压值难以精确计算,若冲击残压值、工频1 mA参考值选择较低时,虽然对电缆绝缘护层有很好的保护作用,但一定周期内可能启动较多次数,会降低护层保护器的使用寿命,导致设计单位一般都选择较大的数值。一些项目中,设计院和招标单位未详细规定接地线的导体截面和耐压等级,造成施工单位采用的接地线导体截面过小或者耐压等级不够。一旦电缆线路运行条件出现异常,就容易导致电缆接地线绝缘击穿引起电缆线路故障。
2.3 27.5 kV 电缆的金属层的接地方式
按照《高速铁路设计规范》TB 10621—2014[16 ] 中第11.3.20条的规定,27.5 kV电缆的金属屏蔽层与金属铠装层应分开接地,接地方式应符合下列规定。
(1) 线路不长时宜采用单点直接接地方式;线路长时宜划分适当的区段,且在每个区段应实施电缆金属层的绝缘分隔。
(2) 每个分段应采用单点直接接地方式时,另一端设置护层保护器。
电缆护层保护器接在电缆金属屏蔽层和金属铠装层接地引出线与地之间,主要安装地点为牵引变压器或自耦变压器27.5 kV侧、27.5 kVGIS开关柜内、牵引所电缆夹层内、铁路线路侧电缆上网侧和大长度电缆线路中电缆护层保护分段点处(直通接头、绝缘接头处)等。电缆护层保护器在正常情况下呈现高阻态;一旦电缆金属层中出现很高的工频过电压或冲击过电压时呈现低阻态,迅速将故障电流泄入大地,将暂态过电压箝制在自身残压范围内,保护电缆外护套绝缘而不致击穿。
3 护层保护器参数确定
3.1 护层保护器接地线的要求
3.1.1 一般要求
护层保护器各接地点之间的等电位连接线必须具有足够的截面积,以满足电缆金属层中在通过环流和短路电流时的热稳定性要求。
3.1.2 接地线的选择
(1) 绝缘要求。接地线在正常的运行条件下,应保持和电缆外护套同样的绝缘水平,即具有耐受10 kV直流电压1 min不击穿的绝缘特性。
(2) 接地线截面选择。考虑到电气化铁路上网供变电系统是采用直接接地系统,短路电流比较大,接地线应选用较大的截面积,满足电缆在短路时的热稳定性要求。
3.1.3 接地电阻要求
护层保护器接地电阻应符合《交流电气装置的接地设计规范》GB/T 50065—2011[17 ] 中式(4.2.1-1)的要求
(1) ${{R}_{{}}}\le \frac{2\ 000}{{{I}_{G}}}$
式中,R 为考虑到季节变化的接地装置的最大接地电阻,Ω;I G 为计算用经接地装置的入地短路电流,考虑电缆在击穿短路时,流经电缆金属层的最大短路电流,A。
27.5 kV电缆终端、护层绝缘保护分段点和护层保护器的接地,接地电阻均应不大于1 Ω。接地极与牵引变、配电所接地系统的接地极和电气化铁路综合接地系统的接地极,实际上两者之间是通过贯通地线连接的。《铁路防雷及接地工程技术规范》TB 10180—2016[18 ] 中第4.1.6条规定,电气化铁路综合接地系统的接地电阻要求为1 Ω。在不具备与两系统接地极近距离连接的位置,应采取独立的接地极或沿电缆线路增设回流线,并与铁路综合接地系统相连接。
3.1.4 引出导线截面
金属层引出线与接地极之间直接接地的连接,金属层接引出线与护层保护器之间、以及护层保护器与接地极之间的连接应该十分可靠,连接点应接触良好。引出导线应有足够的截面积和力学强度。
护层保护器与金属层引出线之间的连接应尽量短,而且引出线对地必须是绝缘的,绝缘性不得低于电缆外护套对地的绝缘水平。连接导线的截面应满足系统最大暂态电流通过时的热稳定性要求。电缆金属层的接地引出线、连接线和接地极母线的允许最小截面要求如下所示。
(1) 参照《额定电压35 kV(U m =40.5 kV)及以下冷缩式电缆附件安装规程》DL/T 5756—2017[19 ] 和《额定电压35 kV(U m =40.5 kV)及以下预制式电缆附件安装规程》DL/T 5758—2017[20 ] 的要求,对于铜线屏蔽的电缆,应该用原电缆屏蔽铜线全部绞合后引出作为金属屏蔽层的接地线。27.5 kV电缆金属屏蔽层采取的是软铜丝疏绕铜带捆扎,其不同标称导体截面的电缆的软铜丝标称截面,如表1 所示。
(2) 电缆金属铠装层引出导线,因为电缆外护套相对易受到意外损伤,造成多点接地而形成环流,所以金属铠装层引出导线的截面应不小于金属屏蔽层的截面才安全可靠,根据工程经验,推荐以下允许最小参考截面,如表2 所示。
(3) 镀锌扁钢接地(极)母线最小截面计算见式(2)
(2) $A\le \frac{{{I}_{\mathrm{kmax}}}}{70}\sqrt{t}$
式中,A 为扁钢接地母线允许最小截面,mm2 ;I kmax 为电缆或供电系统对地短路电流最大值,A;t 为短路电流切断时间,s。
扁钢接地母线允许最小截面值(t =5 s)如表3 所示。
接地极和接地极引伸连接导线除考虑设计使用年限内的腐蚀外,还应坚固、可靠且符合热稳定性要求。接地极引伸连接导线其截面积的计算如式(3)所示
(3) $A\text{=}{{K}_{\mathrm{f}}}\times {{I}_{\text{kmax}}}\times \sqrt{{{t}_{\mathrm{c}}}}$
式中,A 为导体、导线允许最小截面积,mm2 ;I kmax 为电缆或供电系统对地短路电流最大值,kA;t c 为短路电流持续时间,s;K f 为不同材料的常数,如表4 所示。
根据工程经验,接地极的引伸连接导线采用 30%IACS或40%IACS多股铜包钢绞合导线,既具有铜的高导电性能,又具有钢的高力学强度。引伸连接铜包钢绞线截面积可按式(3)计算,采用铜包钢绞线30%IACS最小截面积不得低于185 mm2 或40%IACS最小截面积不得低于120 mm2 。按照《铁路电力牵引供电设计规范》TB 10009—2016[21 ] 要求,接地纯铜绞线的单丝直径不小于1.7 mm,最小截面积规格不得小于50 mm2 。
3.2 额定电压(U r )和起始动作电压(U 1mA )
27.5 kV侧牵引供电系统在电缆至接地侧发生短路时,金属层不接地端会产生较高的工频感应过电压。兼顾护层保护器的工频过电压耐受能力和起始动作电压,同时还应考虑工频感应过电压与电缆外护套的绝缘耐受电压水平的保护关系。当电缆金属层上感应工频过电压幅值可能超过电缆外护套的绝缘水平时,电缆护层保护器应可靠动作。结合电缆外护套的绝缘水平会随时间推移而下降的实际情况,选取电缆护层保护器的起始动作应低于电缆外护套的工频耐受电压。
系统短路时,工频短路电流对在电缆金属层上任一点非直接接地处的感应电压值,可按式(4)计算
(4) ${{U}_{s}}\text{=}\left( \text{1} \right.-\left. k \right)\times {{I}_{k}}\times {{X}_{0}}\times L$
式中,U s 为电缆金属层在非直接接地端任一点处感应产生的工频感应电压,kV;I k 为系统短路流过电缆导体的短路电流,kA;X 0 为电缆的导体和电缆的金属层的互感电抗(X 0 = 2πf×L 0 ),Ω/m;L 为电缆金属层的电气通路上任一部位与其直接接地处的距离(最大距离为电缆线路的分段长度),m;k 为系统短路时,接触网回路线的工频分流系数。
电缆的导体和金属屏蔽层之间产生的电感,即零序电感L 0 按式(5)计算
(5) ${{L}_{0}}\text{=2}\ln \text{(}GMDS\text{/}GMR\text{)}\times {{10}^{-7}}$
式中,GMR为电缆导体的几何均距(mm),GMR=0.778 8r c ;r c 为导体半径(不包括半导电层厚),mm;GMDS为电缆金属屏蔽层的几何均距,mm。
对于27.5 kV电缆铜丝屏蔽层的GMDS按式(6)计算
(6) $GMDS\text{=}r\times {{n}^{1/(n-1)}}$
根据电缆工厂提供的资料,27.5 kV电缆各规格的n 、n (1/n -1)、r c 及r 的参考数值如表5 所示。
电缆的导体和电缆的金属屏蔽层的工频感抗按式(7)计算
(7) ${{X}_{0}}=2\pi f\times \left[ 2\ln ({{n}^{(1/(n-1)}})\times {{r}_{p}}/0.778\ 8{{r}_{\mathrm{c}}})\times {{10}^{-7}} \right]$
式中,ω 为角频率;ω=2 πf ;f 为工频,取值50 Hz;r p 为电缆金属屏蔽层的平均半径,mm;r c 为电缆导体半径(不包括导体半导电层厚度),mm;
27.5 kV电缆导体与金属屏蔽间的参考电感量及工频零序电抗如表6 所示。
当电缆出现短路故障时,导体与金属屏蔽层之间形成通路,其短路回路的阻抗,即通过接地屏蔽的短路电流时的阻抗,按式(8)计算
(8) ${{Z}_{k}}=\sqrt{{{R}_{c}}^{2}+{{R}_{p}}^{2}+{{X}_{0}}^{2}}$
式中,R c 为电缆导体的交流电阻,Ω/m;R p 为金属屏蔽层的交流电阻,Ω/m;X 0 为电缆金属屏蔽的零序阻抗(X 0 =2 πf×L 0 ),Ω/m。
护层保护器的起始动作电压U 1mA 按式(9)计算,额定电压U r 按式(10)计算。
(9) ${{U}_{1mA}}={{U}_{s}}$
(10) ${{U}_{r}}={{U}_{1mA}}/\sqrt{2}={{U}_{s}}/\sqrt{2}$
3.3 持续运行电压(U c )
电缆护层保护器安装在27.5 kV电缆线路的一端和接地之间,电缆另一端直接接地。参考前述牵引变电系统的运行特点,持久施加在电缆护层保护器端子间的电压除了接地网的地电位差外,还要叠加金属层的感应电压,因此,护层保护器持续运行电压U c 按照式(11)计算
(11) ${{U}_{c}}={{I}_{j}}\times {{R}_{j}}+{{I}_{c}}\times {{Z}_{\psi }}\times L$
式中,I j 为计算用流经接地装置的入地短路电流,kA;R j 为接地装置的工频最大接地电阻,Ω;I c 为正常满负荷情况下电缆导体中流过的电流,kA;Z ψ 为电缆的导体和电缆的金属层的互感感抗,Ω/m;L 为电缆护层保护器与其金属层直接接地处的电缆长度,m。
根据《交流金属氧化物避雷器选择和使用导则》GB/T 28547—2012[22 ] 的第3.3.5.2条,电缆护层保护器的持续运行电压也可以近似地按式(12)计算
(12) ${{U}_{c}}\ge \frac{{{U}_{i}}\times {{I}_{k}}\times {{L}_{k}}}{T}$
式中,U c 为护层保护器的持续运行电压,kV;I k 为电缆的最大短路电流,kA;L k 为没有接地的电缆护套长度,km;U i 为电缆护套单位长度的感应电压,kV/(kA·km);T 为电缆护层保护器暂时过电压能力,金属氧化物避雷器工频电压耐受时间特性曲线相对应的过电压倍数。
3.4 标称放电电流(I n )和标称放电电流下的残压(U res )
根据《交流金属氧化物避雷器选择和使用导则》GB/T 28547-2012[22 ] 的规定,标称放电电流应该和电缆末端相对地避雷器的标称放电电流值相等,标称放电电流可以选用与电气化铁路用避雷器一致的等级,取I n 为10 kA等级。
电缆护层保护器通过最大冲击电流时的残压乘以1.4倍后,应低于电缆外护套绝缘的冲击耐压值。目前电气化铁路牵引变电工程采用的27.5 kV电缆外护套主要有PE、PVC材料或以其为基料的低烟低卤(DD)、无卤低烟(WD)阻燃聚烯烃材料,GB/T 28427-2012[4 ] 未规定外护套的耐压水平,在电缆外护套的电气试验中规定试验电压为15 kV。在正常使用寿命周期内外护套的绝缘水平最大允许下降30%。所以,电缆护层保护器标称放电电流下的残压U res 计算值为7.5 kV。考虑到国内氧化锌阀片质量的离散性,为了提高工程安全性,建议实际项目中护层保护器标称放电电流下的残压选用值为理论计算值的80%,即6.0 kV。
3.5 工频耐受电压、耐受大电流冲击电压和通流 容量
电缆护层保护器采用金属氧化物压敏电阻作为非线性限流元件,护层保护器的工频耐受电压,可按交流无间隙金属氧化物避雷器的工频电压耐受时间特性校核,保证护层保护器能够在最大工频电压5 kV作用下承受4 s时间不损坏。
根据《交流金属氧化物避雷器选择和使用导则》GB/T 28547—2012[22 ] 和《交流无间隙金属氧化物避雷器》GB/T 11032—2010[23 ] 的要求,电缆护层保护器耐受大电流冲击(4/10 μs)电流取值为65 kA,可满足电缆护层保护器在最大冲击电流累积作用20次后不得损坏。
长时间持续电流冲击,2 000 μs方波电流峰值(通流容量),根据《交流金属氧化物避雷器选择和使用导则》GB/T 28547—2012[22 ] 的规定,标称放电电流应该和电缆末端相对地避雷器的标称放电电流值相等,选用与电气化铁路用避雷器一致的参数,即400 A。
3.6 电缆护层最低冲击电压
电气化铁路所使用的27.5 kV电缆的外护套厚度按照《电气化铁路27.5 kV单相交流交联聚乙烯绝缘电缆及附件》GB/T 28427-2012[4 ] 的规定,且按电缆最小规格1 mm×95 mm的外护套最薄点厚度按式(13)计算
(13) ${{t}_{min}}\text{=}{{t}_{nor}}\times \text{85}\%-0.\text{1}=\text{2}.\text{6}\times \text{85}\%-0.\text{1}=\text{2}.\text{1}$
式中,t min 为外护套最薄点厚度,mm;t nor 为外护套标称厚度,mm;
护套材料耐受工频击穿场强最低值U Emin 参考值如表7 所示。
各种电缆护套材料挤出的外护套在出厂时的绝缘冲击电压水平保守考虑应在36 kV(峰值)以下,同样依照《电缆外护层第2部分:金属套电缆外护层》GB/T 2952.2-2008[24 ] 的规定,在金属铠装层上的电缆外护套需要经受直流火花试验不击穿,电压为(9×t ) kV(t 为外护套的标称厚度),或塑料外护套每毫米施加直流电压8 kV、历时1 min而不击穿,且要求最高直流试验电压不超过25 kV(有效值),这是基本一致的;另外在电缆敷设之后,还需要考虑到外护套经受反复冲击、吸潮、环境温度和敷设过程中造成的轻微外伤等不利因素的影响,其实际运行中电缆外护套的绝缘耐压水平会有所下降。27.5 kV电缆外护套材料的绝缘所能承受最低耐压值(V c )按式(14)计算
(14) ${{V}_{c}}={{U}_{Emin}}\times {{t}_{min}}\times {{k}_{1}}\times {{k}_{2}}\times {{k}_{3}}\times {{k}_{4}}$
式中,U Emin 为电缆护套材料耐受冲击电场强度最小值,kV/mm;t min 为电缆外护套最薄点厚度,mm;k 1 为电缆护套受反复电压冲击绝缘水平下降系数;k 2 为电缆护套材料的吸潮致绝缘水平下降系数;k 3 为电缆护套材料绝缘性能受温度影响系数(不同护套材料受温度影响会很大);k 4 为电缆护套外伤引起绝缘水平的下降系数。
因此,由于受诸多因素的综合影响,对外护套绝缘最低冲击电压水平评估为15 kV。
3.7 电缆护层保护器残压
可能最大冲击电流作用下,护层保护器的残压不得大于电缆外护层的绝缘冲击耐压被1.4所除的数值。
3.8 动作次数寿命
27.5 kV电缆护层保护器持续电压按《交流金属氧化物避雷器的选择和使用导则》GB/T 28547—2012[22 ] 的有关规定,可能最大冲击电流累积作用20次后,护层保护器不得损坏。
按照护层保护器因短路故障动作3次/年估算,并参考中国国家铁路集团有限公司对避雷器寿命一般为10~12年的规定,护层保护器寿命期内动作约为30~36次。建议规定护层保护器在10 kA放电电流冲击下动作次数寿命不小于30次。
4 实际应用
在某重载铁路中,采用AT供电方式,某变电所主变压器容量为2×55 MV·A,接触网供电线额定电压为27.5 kV,供电线采用单芯铜电缆,导体标称截面为300 mm2 ,电缆接地单元长度为300 m。流经护层保护器上的短路电流按5 kA考虑。
项目中27.5 kV电缆接地参数和护层保护器计参数算值和实际选用值如表8 所示。经过多年实际运行,未出现护层保护器故障,较好地保护了电缆,证明了参数选择的合理性、可靠性及有效性。
5 结论
本文结合电气化铁路自身特点以及电缆的线路长度、电缆非金属外护套绝缘水平、护层保护器使用环境条件、相关标准规范等,提出了电气化铁路专用27.5 kV电缆护层保护器关键参数及其计算公式,并出了各项参数的数值,如表9 所示。以保证其额定电压、动作电压及残压等相协调,可靠保护好电缆,提高护层保护器的工作寿命。本文在文献[15 ]的基础上增加4/10 μs大电流耐受(峰值)、 0.75 U/1 mA直流参考电压下的泄漏电流、起始动作电压U 1mA (峰值)等重要参数要求,对护层保护器考核要求更加科学、完整。不足之处是未对护层保护器的外绝缘参数要求开展相关研究。
参考文献
View Option
[1]
易志兴 , 曹晓斌 , 吴广宁 , 等 . 高速铁路电缆接地方式对护层感应电压的影响
[J]. 铁道科学与工程学报 , 2014 , 11 (6 ):109 -115 .
[本文引用: 1]
YI Zhixing , CAO Xiaobin , WU Guangning , et al. Influence of high-speed railway cable grounding mode on the induced voltage of the cable sheath
[J]. Journal of Railway Science and Engineering , 2014 , 11 (6 ):109 -115 .
[本文引用: 1]
[2]
邹军 , 袁建生 , 陆家榆 , 等 . 直埋金属管道对其内铠装通信电缆的电磁屏蔽计算
[J]. 中国电机工程学报 , 2000 , 20 (4 ):45 -50 .
[本文引用: 1]
ZOU Jun , YUAN Jiansheng , LU Jiayu , et al. Electromagnetic shielding calculation of the telecommunication cables surrounded buffed pipelines
[J]. Proceedings of the CSEE , 2000 , 20 (4 ):45 -50 .
[本文引用: 1]
[3]
曹晓斌 , 田明明 , 张血琴 , 等 . PW 线升高或架设避雷线雷电防护效果综合评估
[J]. 高电压技术 , 2015 , 41 (11 ):3590 -3596 .
[本文引用: 1]
CAO Xiaobin , TIAN Mingming , ZHANG Xueqin , et al. Comprehensive evaluation on lightning protection effect of elevating the protection wire or setting lightning conductor of catenary system
[J]. High Voltage Engineering , 2015 , 41 (11 ):3590 -3596 .
[本文引用: 1]
[4]
中华人民共和国国家质量监督检验检疫总局 , 中国国家标准化管理委员会 . GB/T 28427—2012 电气化铁路27.5 kV单相交流交联聚乙烯绝缘电缆及附件 [S]. 北京 : 中国标准出版社 , 2012 .
[本文引用: 4]
General Administration of Quality Supervision,Inspection and Quarantine of the People’s Republic of China , Standardization Administration of the People’s Republic of China . GB/T 28427—2012 27.5 kV single-phase AC XLPE insulation cable and accessories for electrification railway [S]. Beijing : Standards Press of China , 2012 .
[本文引用: 4]
[5]
胡振兴 , 丁唯 , 齐春 . 大短路电流对单芯电缆护层电压保护器设计选型的影响
[C]// 四川省电气照明学会,四川省电气照明学会2014年年会 . 成都 : 四川省电气照明学会 , 2014 .
[本文引用: 1]
HU Zhenxing , DING Wei , QI Chun . The influence of large short circuit current on the design and selection of single core cable sheath voltage protectors
[C]// Sichuan Electric Lighting Society,2014 Annual Meeting of Sichuan Electric Lighting Society . Chengdu : Sichuan Electric Lighting Society , 2014 .
[本文引用: 1]
[6]
XU H , MARDIANA R , SU C Q , et al. Study on the capacity of sheath-protecting surge arrester at a 230 kV cable end
[C]//2011 IEEE GCC Conference and Exhibition,February l9-22,2011,Dubai,UAE. New York : IEEE , 2011 :489 -492 .
[本文引用: 1]
[7]
高俊国 , 于平澜 , 李紫云 , 等 . 基于有限元法的电缆金属护套感应电压仿真分析
[J]. 高电压技术 , 2014 , 40 (3 ):714 -720 .
[本文引用: 1]
GAO Junguo , YU Pinglan , LI Ziyun , et al. Simulation analysis of induced voltage on metal sheath of power cable based on finite element method
[J]. High Voltage Engineering , 2014 , 40 (3 ):714 -720 .
[本文引用: 1]
[8]
郭兴军 , 牛海清 , 王晓兵 , 等 . 高压单芯电缆护套操作过电压计算及冲击试验
[J]. 高电压技术 , 2007 , 33 (10 ):147 -150 .
[本文引用: 1]
GUO Xingjun , NIU Haiqing , WANG Xiaobing , et al. Calculation and test of sheath overvoltage of single-core cable
[J]. High Voltage Engineering , 2007 , 33 (10 ):147 -150 .
[本文引用: 1]
[9]
罗俊华 , 周作春 , 李华春 , 等 . 单芯电力电缆金属护层过电压保护器参数设计
[J]. 高电压技术 , 2008 , 34 (2 ):355 -358 .
[本文引用: 1]
LUO Junhua , ZHOU Zuochun , LI Huachun , et al. Technical parameters design of over voltage protector for single-core power cable shield sheath
[J]. High Voltage Engineering , 2008 , 34 (2 ):355 -358 .
[本文引用: 1]
[10]
陈凯 . 氧化锌避雷器(MOA)发展和试验化的研究 [D]. 吉林 : 吉林大学 , 2014 .
[本文引用: 1]
CHEN Kai . Research on the development and experimentation of zinc oxide arrester(MOA) [D]. Jil in:Jilin University, 2014 .
[本文引用: 1]
[11]
MILAN S . Selection of the surge arrester energy absorption capability relating to lightning overvoltages
[C]// 18th International Conference and Exhibition on Electricity Distribution,CIRED 2005,June 6-9,2005,Turin,Italy . New York : IEEE , 2005 :1 -3 .
[本文引用: 1]
[12]
迟屹君 , 钟庆东 , 张剑平 , 等 . 高通流能力电阻片的研究进展
[J]. 电瓷避雷器 , 2004 (6 ):29 -33 .
[本文引用: 1]
CHI Yijun , ZHONG Qingdong , ZHANG Jianping , et al. The progress on the high energy discharge capability of ZnO varistors
[J]. Insulators and Surge Arresters , 2004 (6 ):29 -33 .
[本文引用: 1]
[13]
姚金霞 . 从一起电缆故障谈超高压电缆金属护套的接地方式
[J]. 高电压技术 , 2004 , 30 (s1 ):48 -49 .
[本文引用: 1]
YAO Jinxia . Discussion on the grounding mode of cable sheath based on a power cable fault
[J]. High Voltage Engineering , 2004 , 30 (s1 ):48 -49 .
[本文引用: 1]
[14]
中国国家发展和改革委员会 . DL/T 401—2002 高压电缆选用导则 [S]. 北京 : 中国电力出版社 , 2002 .
[本文引用: 1]
National Development and Reform Commission . DL/T 401—2002 Guide to the selection of high-voltage cables [S]. Beijing : China Electric Power Press , 2002 .
[本文引用: 1]
[15]
李进军 . 电气化铁路27.5 kV电缆护层保护器选择浅析
[J]. 铁道标准设计 , 2012 , 3 (3 ):94 -96 .
[本文引用: 2]
LI Jinjun . Analysis on choosing the protector of 27.5 kV cable sheath in electrified railway
[J]. Railway Standard Design , 2012 , 3 (3 ):94 -96 .
[本文引用: 2]
[16]
国家铁路局 . TB 10621—2014 高速铁路设计规范 [S]. 北京 : 中国铁道出版社 , 2015 .
[本文引用: 1]
National Railway Administration of the People’s Republic of China . TB 10621—2014 Code for design of high speed railway [S]. Beijing : China Railway Press , 2015 .
[本文引用: 1]
[17]
中华人民共和国住房和城乡建设部 , 中华人民共和国国家质量监督检验检疫总局 . GB/T 50065—2011 交流电气装置的接地设计规范 [S]. 北京 : 中国计划出版社 , 2012 .
[本文引用: 1]
Ministry of Housing and Urban-Rural Development of the People’s Republic of China,General Administration of Quality Supervision ,Inspection and Quarantine of the People’s Republic of China. GB/T 50065—2011 Code for design of ac electrical installations earthing [S]. Beijing : China Planning Press , 2012 .
[本文引用: 1]
[18]
国家铁路局 . TB 10180—2016 铁路防雷及接地工程技术规范 [S]. 北京 : 中国铁道出版社 , 2016 .
[本文引用: 1]
National Railway Administration of the People’s Republic of China . TB 10180—2016 Technical code for railway lightning protection and grounding engineering [S]. Beijing : China Railway Press , 2016 .
[本文引用: 1]
[19]
国家能源局 . DL/T 5756—2017 额定电压35 kV (U m =40.5 kV)及以下冷缩式电缆附件安装规程 [S]. 北京 : 中国电力出版社 ,2017.
[本文引用: 1]
National Energy Administration of the People’s Republic of China . DL/T 5756—2017 Cold shrinkable accessories installing code of power cables for rated voltages up to 35 kV(U m =40.5 kV) [S]. Beijing : China Electric Power Press ,2017.
[本文引用: 1]
[20]
国家能源局 . DL/T 5758—2017 额定电压35 kV (U m =40.5 kV)及以下预制式电缆附件安装规程 [S]. 北京 : 中国电力出版社 ,2017.
[本文引用: 1]
National Energy Administration of the People’s Republic of China . DL/T 5758—2017 Premoulded accessories installing code of power cables for rated voltages up to 35 kV(U m =40.5 kV) [S]. Beijing : China Electric Power Press ,2017.
[本文引用: 1]
[21]
国家铁路局 . TB 10009—2016 铁路电力牵引供电设计规范 [S]. 北京 : 中国铁道出版社 , 2016 .
[本文引用: 1]
National Railway Administration of the People’s Republic of China . TB 10009—2016 Code for design of railway traction power supply [S]. Beijing : China Railway Press , 2016 .
[本文引用: 1]
[22]
中华人民共和国国家质量监督检验检疫总局 , 中国国家标准化管理委员会 . GB/T 28547—2012 交流金属氧化物避雷器选择和使用导则 [S]. 北京 : 中国标准出版社 , 2012 .
[本文引用: 5]
General Administration of Quality Supervision,Inspection and Quarantine of the People’s Republic of China , Standardization Administration of the People’s Republic of China . GB/T 28547—2012 Selection and application recommendations of metal oxide surge arresters for a.c. systems [S]. Beijing : Standards Press of China ,2012.
[本文引用: 5]
[23]
中华人民共和国国家质量监督检验检疫总局 , 中国国家标准化管理委员会 . GB/T 11032—2010 交流无间隙金属氧化物避雷器 [S]. 北京 : 中国标准出版社 , 2010 .
[本文引用: 1]
General Administration of Quality Supervision,Inspection and Quarantine of the People’s Republic of China , Standardization Administration of the People’s Republic of China . GB/T 11032—2010 Metal-oxide surge arresters without gaps for a.c. systems [S]. Beijing : Standards Press of China ,2010.
[本文引用: 1]
[24]
中华人民共和国国家质量监督检验检疫总局 , 中国国家标准化管理委员会 . GB/T 2952.2—2008 电缆外护层第2部分:金属套电缆外护层 [S]. 北京 : 中国标准出版社 , 2008 .
[本文引用: 1]
General Administration of Quality Supervision,Inspection and Quarantine of the People’s Republic of China , Standardization Administration of the People’s Republic of China . GB/T 2952.2—2008 Protective coverings for electric cables-Part 2:Protective coverings for cables with metallic sheath [S]. Beijing : Standards Press of China , 2008 .
[本文引用: 1]
高速铁路电缆接地方式对护层感应电压的影响
1
2014
... 截止到2022年底,全国铁路营业里程达到15.5万公里,其中高速铁路达到4.2万公里.随着我国高速铁路的大规模建设,对电气化铁路专用27.5 kV电缆的需求越来越大.我国建成投运的多条高速城际客运专线均采用了大量的电气化铁路专用27.5 kV电缆,传统架空馈线将逐步被单相馈线电缆所取代.然而,27.5 kV电缆的大量应用带来了较多事故,如外护套及金属屏蔽层被烧毁,进而造成电缆被烧毁,影响行车,带来较大的财产损失[1 ⇓ -3 ] .通过对铁路集团公司供电部门提供的材料进行总结分析,统计27.5 kV电缆线路(含电缆与附件)发生故障的原因,各原因比例大致如下:电缆与电缆接头本身制造质量原因占5%;外力损伤电缆与电缆接头占5%;电缆进水受潮导致电缆接头发生故障占10%;电缆接头施工质量导致故障占35%;电缆线路因接地方面原因占45%.其中,电缆线路因接地方式不合理、虚接地或接地电阻偏大等造成电缆金属护层感应电压过高而导致的线路故障,占到此类故障原因的60%.深入剖析,其中电缆金属护层接地线绝缘层击穿引起燃烧,导致电缆故障占此类故障的90%,即约占总故障的24%.27.5 kV电缆护层保护器典型事故如图1 所示. ...
Influence of high-speed railway cable grounding mode on the induced voltage of the cable sheath
1
2014
... 截止到2022年底,全国铁路营业里程达到15.5万公里,其中高速铁路达到4.2万公里.随着我国高速铁路的大规模建设,对电气化铁路专用27.5 kV电缆的需求越来越大.我国建成投运的多条高速城际客运专线均采用了大量的电气化铁路专用27.5 kV电缆,传统架空馈线将逐步被单相馈线电缆所取代.然而,27.5 kV电缆的大量应用带来了较多事故,如外护套及金属屏蔽层被烧毁,进而造成电缆被烧毁,影响行车,带来较大的财产损失[1 ⇓ -3 ] .通过对铁路集团公司供电部门提供的材料进行总结分析,统计27.5 kV电缆线路(含电缆与附件)发生故障的原因,各原因比例大致如下:电缆与电缆接头本身制造质量原因占5%;外力损伤电缆与电缆接头占5%;电缆进水受潮导致电缆接头发生故障占10%;电缆接头施工质量导致故障占35%;电缆线路因接地方面原因占45%.其中,电缆线路因接地方式不合理、虚接地或接地电阻偏大等造成电缆金属护层感应电压过高而导致的线路故障,占到此类故障原因的60%.深入剖析,其中电缆金属护层接地线绝缘层击穿引起燃烧,导致电缆故障占此类故障的90%,即约占总故障的24%.27.5 kV电缆护层保护器典型事故如图1 所示. ...
直埋金属管道对其内铠装通信电缆的电磁屏蔽计算
1
2000
... 截止到2022年底,全国铁路营业里程达到15.5万公里,其中高速铁路达到4.2万公里.随着我国高速铁路的大规模建设,对电气化铁路专用27.5 kV电缆的需求越来越大.我国建成投运的多条高速城际客运专线均采用了大量的电气化铁路专用27.5 kV电缆,传统架空馈线将逐步被单相馈线电缆所取代.然而,27.5 kV电缆的大量应用带来了较多事故,如外护套及金属屏蔽层被烧毁,进而造成电缆被烧毁,影响行车,带来较大的财产损失[1 ⇓ -3 ] .通过对铁路集团公司供电部门提供的材料进行总结分析,统计27.5 kV电缆线路(含电缆与附件)发生故障的原因,各原因比例大致如下:电缆与电缆接头本身制造质量原因占5%;外力损伤电缆与电缆接头占5%;电缆进水受潮导致电缆接头发生故障占10%;电缆接头施工质量导致故障占35%;电缆线路因接地方面原因占45%.其中,电缆线路因接地方式不合理、虚接地或接地电阻偏大等造成电缆金属护层感应电压过高而导致的线路故障,占到此类故障原因的60%.深入剖析,其中电缆金属护层接地线绝缘层击穿引起燃烧,导致电缆故障占此类故障的90%,即约占总故障的24%.27.5 kV电缆护层保护器典型事故如图1 所示. ...
Electromagnetic shielding calculation of the telecommunication cables surrounded buffed pipelines
1
2000
... 截止到2022年底,全国铁路营业里程达到15.5万公里,其中高速铁路达到4.2万公里.随着我国高速铁路的大规模建设,对电气化铁路专用27.5 kV电缆的需求越来越大.我国建成投运的多条高速城际客运专线均采用了大量的电气化铁路专用27.5 kV电缆,传统架空馈线将逐步被单相馈线电缆所取代.然而,27.5 kV电缆的大量应用带来了较多事故,如外护套及金属屏蔽层被烧毁,进而造成电缆被烧毁,影响行车,带来较大的财产损失[1 ⇓ -3 ] .通过对铁路集团公司供电部门提供的材料进行总结分析,统计27.5 kV电缆线路(含电缆与附件)发生故障的原因,各原因比例大致如下:电缆与电缆接头本身制造质量原因占5%;外力损伤电缆与电缆接头占5%;电缆进水受潮导致电缆接头发生故障占10%;电缆接头施工质量导致故障占35%;电缆线路因接地方面原因占45%.其中,电缆线路因接地方式不合理、虚接地或接地电阻偏大等造成电缆金属护层感应电压过高而导致的线路故障,占到此类故障原因的60%.深入剖析,其中电缆金属护层接地线绝缘层击穿引起燃烧,导致电缆故障占此类故障的90%,即约占总故障的24%.27.5 kV电缆护层保护器典型事故如图1 所示. ...
PW 线升高或架设避雷线雷电防护效果综合评估
1
2015
... 截止到2022年底,全国铁路营业里程达到15.5万公里,其中高速铁路达到4.2万公里.随着我国高速铁路的大规模建设,对电气化铁路专用27.5 kV电缆的需求越来越大.我国建成投运的多条高速城际客运专线均采用了大量的电气化铁路专用27.5 kV电缆,传统架空馈线将逐步被单相馈线电缆所取代.然而,27.5 kV电缆的大量应用带来了较多事故,如外护套及金属屏蔽层被烧毁,进而造成电缆被烧毁,影响行车,带来较大的财产损失[1 ⇓ -3 ] .通过对铁路集团公司供电部门提供的材料进行总结分析,统计27.5 kV电缆线路(含电缆与附件)发生故障的原因,各原因比例大致如下:电缆与电缆接头本身制造质量原因占5%;外力损伤电缆与电缆接头占5%;电缆进水受潮导致电缆接头发生故障占10%;电缆接头施工质量导致故障占35%;电缆线路因接地方面原因占45%.其中,电缆线路因接地方式不合理、虚接地或接地电阻偏大等造成电缆金属护层感应电压过高而导致的线路故障,占到此类故障原因的60%.深入剖析,其中电缆金属护层接地线绝缘层击穿引起燃烧,导致电缆故障占此类故障的90%,即约占总故障的24%.27.5 kV电缆护层保护器典型事故如图1 所示. ...
Comprehensive evaluation on lightning protection effect of elevating the protection wire or setting lightning conductor of catenary system
1
2015
... 截止到2022年底,全国铁路营业里程达到15.5万公里,其中高速铁路达到4.2万公里.随着我国高速铁路的大规模建设,对电气化铁路专用27.5 kV电缆的需求越来越大.我国建成投运的多条高速城际客运专线均采用了大量的电气化铁路专用27.5 kV电缆,传统架空馈线将逐步被单相馈线电缆所取代.然而,27.5 kV电缆的大量应用带来了较多事故,如外护套及金属屏蔽层被烧毁,进而造成电缆被烧毁,影响行车,带来较大的财产损失[1 ⇓ -3 ] .通过对铁路集团公司供电部门提供的材料进行总结分析,统计27.5 kV电缆线路(含电缆与附件)发生故障的原因,各原因比例大致如下:电缆与电缆接头本身制造质量原因占5%;外力损伤电缆与电缆接头占5%;电缆进水受潮导致电缆接头发生故障占10%;电缆接头施工质量导致故障占35%;电缆线路因接地方面原因占45%.其中,电缆线路因接地方式不合理、虚接地或接地电阻偏大等造成电缆金属护层感应电压过高而导致的线路故障,占到此类故障原因的60%.深入剖析,其中电缆金属护层接地线绝缘层击穿引起燃烧,导致电缆故障占此类故障的90%,即约占总故障的24%.27.5 kV电缆护层保护器典型事故如图1 所示. ...
4
2012
... 在GB/T 28427—2012[4 ] 中,未对27.5 kV电缆护层保护器做出明确的产品性能要求.对铁路牵引负荷和电力负荷有较大区别,27.5 kV电缆作为我国电气化铁路的专用电缆,具有很强的独特性.目前电气化行业亟需对27.5 kV电缆用护层保护器的参数做深入研究. ...
... 文献[4 ⇓ ⇓ ⇓ ⇓ -9 ]分别提出了电缆护层保护器感应电压及一些参数的计算;文献[10 ⇓ -12 ]提供了电阻阀片参数的一些计算方法;文献[13 ]从一起电缆故障分析超高压电缆金属护套的接地方式;文献[14 ]给出了单芯电缆外护套过电压保护方案. ...
... 电缆护层保护器通过最大冲击电流时的残压乘以1.4倍后,应低于电缆外护套绝缘的冲击耐压值.目前电气化铁路牵引变电工程采用的27.5 kV电缆外护套主要有PE、PVC材料或以其为基料的低烟低卤(DD)、无卤低烟(WD)阻燃聚烯烃材料,GB/T 28427-2012[4 ] 未规定外护套的耐压水平,在电缆外护套的电气试验中规定试验电压为15 kV.在正常使用寿命周期内外护套的绝缘水平最大允许下降30%.所以,电缆护层保护器标称放电电流下的残压U res 计算值为7.5 kV.考虑到国内氧化锌阀片质量的离散性,为了提高工程安全性,建议实际项目中护层保护器标称放电电流下的残压选用值为理论计算值的80%,即6.0 kV. ...
... 电气化铁路所使用的27.5 kV电缆的外护套厚度按照《电气化铁路27.5 kV单相交流交联聚乙烯绝缘电缆及附件》GB/T 28427-2012[4 ] 的规定,且按电缆最小规格1 mm×95 mm的外护套最薄点厚度按式(13)计算 ...
4
2012
... 在GB/T 28427—2012[4 ] 中,未对27.5 kV电缆护层保护器做出明确的产品性能要求.对铁路牵引负荷和电力负荷有较大区别,27.5 kV电缆作为我国电气化铁路的专用电缆,具有很强的独特性.目前电气化行业亟需对27.5 kV电缆用护层保护器的参数做深入研究. ...
... 文献[4 ⇓ ⇓ ⇓ ⇓ -9 ]分别提出了电缆护层保护器感应电压及一些参数的计算;文献[10 ⇓ -12 ]提供了电阻阀片参数的一些计算方法;文献[13 ]从一起电缆故障分析超高压电缆金属护套的接地方式;文献[14 ]给出了单芯电缆外护套过电压保护方案. ...
... 电缆护层保护器通过最大冲击电流时的残压乘以1.4倍后,应低于电缆外护套绝缘的冲击耐压值.目前电气化铁路牵引变电工程采用的27.5 kV电缆外护套主要有PE、PVC材料或以其为基料的低烟低卤(DD)、无卤低烟(WD)阻燃聚烯烃材料,GB/T 28427-2012[4 ] 未规定外护套的耐压水平,在电缆外护套的电气试验中规定试验电压为15 kV.在正常使用寿命周期内外护套的绝缘水平最大允许下降30%.所以,电缆护层保护器标称放电电流下的残压U res 计算值为7.5 kV.考虑到国内氧化锌阀片质量的离散性,为了提高工程安全性,建议实际项目中护层保护器标称放电电流下的残压选用值为理论计算值的80%,即6.0 kV. ...
... 电气化铁路所使用的27.5 kV电缆的外护套厚度按照《电气化铁路27.5 kV单相交流交联聚乙烯绝缘电缆及附件》GB/T 28427-2012[4 ] 的规定,且按电缆最小规格1 mm×95 mm的外护套最薄点厚度按式(13)计算 ...
大短路电流对单芯电缆护层电压保护器设计选型的影响
1
2014
... 文献[4 ⇓ ⇓ ⇓ ⇓ -9 ]分别提出了电缆护层保护器感应电压及一些参数的计算;文献[10 ⇓ -12 ]提供了电阻阀片参数的一些计算方法;文献[13 ]从一起电缆故障分析超高压电缆金属护套的接地方式;文献[14 ]给出了单芯电缆外护套过电压保护方案. ...
The influence of large short circuit current on the design and selection of single core cable sheath voltage protectors
1
2014
... 文献[4 ⇓ ⇓ ⇓ ⇓ -9 ]分别提出了电缆护层保护器感应电压及一些参数的计算;文献[10 ⇓ -12 ]提供了电阻阀片参数的一些计算方法;文献[13 ]从一起电缆故障分析超高压电缆金属护套的接地方式;文献[14 ]给出了单芯电缆外护套过电压保护方案. ...
Study on the capacity of sheath-protecting surge arrester at a 230 kV cable end
1
2011
... 文献[4 ⇓ ⇓ ⇓ ⇓ -9 ]分别提出了电缆护层保护器感应电压及一些参数的计算;文献[10 ⇓ -12 ]提供了电阻阀片参数的一些计算方法;文献[13 ]从一起电缆故障分析超高压电缆金属护套的接地方式;文献[14 ]给出了单芯电缆外护套过电压保护方案. ...
基于有限元法的电缆金属护套感应电压仿真分析
1
2014
... 文献[4 ⇓ ⇓ ⇓ ⇓ -9 ]分别提出了电缆护层保护器感应电压及一些参数的计算;文献[10 ⇓ -12 ]提供了电阻阀片参数的一些计算方法;文献[13 ]从一起电缆故障分析超高压电缆金属护套的接地方式;文献[14 ]给出了单芯电缆外护套过电压保护方案. ...
Simulation analysis of induced voltage on metal sheath of power cable based on finite element method
1
2014
... 文献[4 ⇓ ⇓ ⇓ ⇓ -9 ]分别提出了电缆护层保护器感应电压及一些参数的计算;文献[10 ⇓ -12 ]提供了电阻阀片参数的一些计算方法;文献[13 ]从一起电缆故障分析超高压电缆金属护套的接地方式;文献[14 ]给出了单芯电缆外护套过电压保护方案. ...
高压单芯电缆护套操作过电压计算及冲击试验
1
2007
... 文献[4 ⇓ ⇓ ⇓ ⇓ -9 ]分别提出了电缆护层保护器感应电压及一些参数的计算;文献[10 ⇓ -12 ]提供了电阻阀片参数的一些计算方法;文献[13 ]从一起电缆故障分析超高压电缆金属护套的接地方式;文献[14 ]给出了单芯电缆外护套过电压保护方案. ...
Calculation and test of sheath overvoltage of single-core cable
1
2007
... 文献[4 ⇓ ⇓ ⇓ ⇓ -9 ]分别提出了电缆护层保护器感应电压及一些参数的计算;文献[10 ⇓ -12 ]提供了电阻阀片参数的一些计算方法;文献[13 ]从一起电缆故障分析超高压电缆金属护套的接地方式;文献[14 ]给出了单芯电缆外护套过电压保护方案. ...
单芯电力电缆金属护层过电压保护器参数设计
1
2008
... 文献[4 ⇓ ⇓ ⇓ ⇓ -9 ]分别提出了电缆护层保护器感应电压及一些参数的计算;文献[10 ⇓ -12 ]提供了电阻阀片参数的一些计算方法;文献[13 ]从一起电缆故障分析超高压电缆金属护套的接地方式;文献[14 ]给出了单芯电缆外护套过电压保护方案. ...
Technical parameters design of over voltage protector for single-core power cable shield sheath
1
2008
... 文献[4 ⇓ ⇓ ⇓ ⇓ -9 ]分别提出了电缆护层保护器感应电压及一些参数的计算;文献[10 ⇓ -12 ]提供了电阻阀片参数的一些计算方法;文献[13 ]从一起电缆故障分析超高压电缆金属护套的接地方式;文献[14 ]给出了单芯电缆外护套过电压保护方案. ...
1
2014
... 文献[4 ⇓ ⇓ ⇓ ⇓ -9 ]分别提出了电缆护层保护器感应电压及一些参数的计算;文献[10 ⇓ -12 ]提供了电阻阀片参数的一些计算方法;文献[13 ]从一起电缆故障分析超高压电缆金属护套的接地方式;文献[14 ]给出了单芯电缆外护套过电压保护方案. ...
1
2014
... 文献[4 ⇓ ⇓ ⇓ ⇓ -9 ]分别提出了电缆护层保护器感应电压及一些参数的计算;文献[10 ⇓ -12 ]提供了电阻阀片参数的一些计算方法;文献[13 ]从一起电缆故障分析超高压电缆金属护套的接地方式;文献[14 ]给出了单芯电缆外护套过电压保护方案. ...
Selection of the surge arrester energy absorption capability relating to lightning overvoltages
1
2005
... 文献[4 ⇓ ⇓ ⇓ ⇓ -9 ]分别提出了电缆护层保护器感应电压及一些参数的计算;文献[10 ⇓ -12 ]提供了电阻阀片参数的一些计算方法;文献[13 ]从一起电缆故障分析超高压电缆金属护套的接地方式;文献[14 ]给出了单芯电缆外护套过电压保护方案. ...
高通流能力电阻片的研究进展
1
2004
... 文献[4 ⇓ ⇓ ⇓ ⇓ -9 ]分别提出了电缆护层保护器感应电压及一些参数的计算;文献[10 ⇓ -12 ]提供了电阻阀片参数的一些计算方法;文献[13 ]从一起电缆故障分析超高压电缆金属护套的接地方式;文献[14 ]给出了单芯电缆外护套过电压保护方案. ...
The progress on the high energy discharge capability of ZnO varistors
1
2004
... 文献[4 ⇓ ⇓ ⇓ ⇓ -9 ]分别提出了电缆护层保护器感应电压及一些参数的计算;文献[10 ⇓ -12 ]提供了电阻阀片参数的一些计算方法;文献[13 ]从一起电缆故障分析超高压电缆金属护套的接地方式;文献[14 ]给出了单芯电缆外护套过电压保护方案. ...
从一起电缆故障谈超高压电缆金属护套的接地方式
1
2004
... 文献[4 ⇓ ⇓ ⇓ ⇓ -9 ]分别提出了电缆护层保护器感应电压及一些参数的计算;文献[10 ⇓ -12 ]提供了电阻阀片参数的一些计算方法;文献[13 ]从一起电缆故障分析超高压电缆金属护套的接地方式;文献[14 ]给出了单芯电缆外护套过电压保护方案. ...
Discussion on the grounding mode of cable sheath based on a power cable fault
1
2004
... 文献[4 ⇓ ⇓ ⇓ ⇓ -9 ]分别提出了电缆护层保护器感应电压及一些参数的计算;文献[10 ⇓ -12 ]提供了电阻阀片参数的一些计算方法;文献[13 ]从一起电缆故障分析超高压电缆金属护套的接地方式;文献[14 ]给出了单芯电缆外护套过电压保护方案. ...
1
2002
... 文献[4 ⇓ ⇓ ⇓ ⇓ -9 ]分别提出了电缆护层保护器感应电压及一些参数的计算;文献[10 ⇓ -12 ]提供了电阻阀片参数的一些计算方法;文献[13 ]从一起电缆故障分析超高压电缆金属护套的接地方式;文献[14 ]给出了单芯电缆外护套过电压保护方案. ...
1
2002
... 文献[4 ⇓ ⇓ ⇓ ⇓ -9 ]分别提出了电缆护层保护器感应电压及一些参数的计算;文献[10 ⇓ -12 ]提供了电阻阀片参数的一些计算方法;文献[13 ]从一起电缆故障分析超高压电缆金属护套的接地方式;文献[14 ]给出了单芯电缆外护套过电压保护方案. ...
电气化铁路27.5 kV电缆护层保护器选择浅析
2
2012
... 如果金属层两点直接接地,便形成闭合通路,金属层中将产生环形电流.电缆运行时,金属铠装层上的环形电流可能达到导体负荷的1/3[15 ] ,金属层如此大的环流损耗会使电缆发热,严重影响电缆的输送容量,并加速电缆绝缘老化,影响电缆的有效使用寿命.因此,单芯电缆不应两端或多点直接接地,除非在电缆很短和轻载运行时的个别情况下,方可将金属层在电缆的两端直接接地. ...
... 本文结合电气化铁路自身特点以及电缆的线路长度、电缆非金属外护套绝缘水平、护层保护器使用环境条件、相关标准规范等,提出了电气化铁路专用27.5 kV电缆护层保护器关键参数及其计算公式,并出了各项参数的数值,如表9 所示.以保证其额定电压、动作电压及残压等相协调,可靠保护好电缆,提高护层保护器的工作寿命.本文在文献[15 ]的基础上增加4/10 μs大电流耐受(峰值)、 0.75 U/1 mA直流参考电压下的泄漏电流、起始动作电压U 1mA (峰值)等重要参数要求,对护层保护器考核要求更加科学、完整.不足之处是未对护层保护器的外绝缘参数要求开展相关研究. ...
Analysis on choosing the protector of 27.5 kV cable sheath in electrified railway
2
2012
... 如果金属层两点直接接地,便形成闭合通路,金属层中将产生环形电流.电缆运行时,金属铠装层上的环形电流可能达到导体负荷的1/3[15 ] ,金属层如此大的环流损耗会使电缆发热,严重影响电缆的输送容量,并加速电缆绝缘老化,影响电缆的有效使用寿命.因此,单芯电缆不应两端或多点直接接地,除非在电缆很短和轻载运行时的个别情况下,方可将金属层在电缆的两端直接接地. ...
... 本文结合电气化铁路自身特点以及电缆的线路长度、电缆非金属外护套绝缘水平、护层保护器使用环境条件、相关标准规范等,提出了电气化铁路专用27.5 kV电缆护层保护器关键参数及其计算公式,并出了各项参数的数值,如表9 所示.以保证其额定电压、动作电压及残压等相协调,可靠保护好电缆,提高护层保护器的工作寿命.本文在文献[15 ]的基础上增加4/10 μs大电流耐受(峰值)、 0.75 U/1 mA直流参考电压下的泄漏电流、起始动作电压U 1mA (峰值)等重要参数要求,对护层保护器考核要求更加科学、完整.不足之处是未对护层保护器的外绝缘参数要求开展相关研究. ...
1
2015
... 按照《高速铁路设计规范》TB 10621—2014[16 ] 中第11.3.20条的规定,27.5 kV电缆的金属屏蔽层与金属铠装层应分开接地,接地方式应符合下列规定. ...
1
2015
... 按照《高速铁路设计规范》TB 10621—2014[16 ] 中第11.3.20条的规定,27.5 kV电缆的金属屏蔽层与金属铠装层应分开接地,接地方式应符合下列规定. ...
1
2012
... 护层保护器接地电阻应符合《交流电气装置的接地设计规范》GB/T 50065—2011[17 ] 中式(4.2.1-1)的要求 ...
1
2012
... 护层保护器接地电阻应符合《交流电气装置的接地设计规范》GB/T 50065—2011[17 ] 中式(4.2.1-1)的要求 ...
1
2016
... 27.5 kV电缆终端、护层绝缘保护分段点和护层保护器的接地,接地电阻均应不大于1 Ω.接地极与牵引变、配电所接地系统的接地极和电气化铁路综合接地系统的接地极,实际上两者之间是通过贯通地线连接的.《铁路防雷及接地工程技术规范》TB 10180—2016[18 ] 中第4.1.6条规定,电气化铁路综合接地系统的接地电阻要求为1 Ω.在不具备与两系统接地极近距离连接的位置,应采取独立的接地极或沿电缆线路增设回流线,并与铁路综合接地系统相连接. ...
1
2016
... 27.5 kV电缆终端、护层绝缘保护分段点和护层保护器的接地,接地电阻均应不大于1 Ω.接地极与牵引变、配电所接地系统的接地极和电气化铁路综合接地系统的接地极,实际上两者之间是通过贯通地线连接的.《铁路防雷及接地工程技术规范》TB 10180—2016[18 ] 中第4.1.6条规定,电气化铁路综合接地系统的接地电阻要求为1 Ω.在不具备与两系统接地极近距离连接的位置,应采取独立的接地极或沿电缆线路增设回流线,并与铁路综合接地系统相连接. ...
1
... (1) 参照《额定电压35 kV(U m =40.5 kV)及以下冷缩式电缆附件安装规程》DL/T 5756—2017[19 ] 和《额定电压35 kV(U m =40.5 kV)及以下预制式电缆附件安装规程》DL/T 5758—2017[20 ] 的要求,对于铜线屏蔽的电缆,应该用原电缆屏蔽铜线全部绞合后引出作为金属屏蔽层的接地线.27.5 kV电缆金属屏蔽层采取的是软铜丝疏绕铜带捆扎,其不同标称导体截面的电缆的软铜丝标称截面,如表1 所示. ...
1
... (1) 参照《额定电压35 kV(U m =40.5 kV)及以下冷缩式电缆附件安装规程》DL/T 5756—2017[19 ] 和《额定电压35 kV(U m =40.5 kV)及以下预制式电缆附件安装规程》DL/T 5758—2017[20 ] 的要求,对于铜线屏蔽的电缆,应该用原电缆屏蔽铜线全部绞合后引出作为金属屏蔽层的接地线.27.5 kV电缆金属屏蔽层采取的是软铜丝疏绕铜带捆扎,其不同标称导体截面的电缆的软铜丝标称截面,如表1 所示. ...
1
... (1) 参照《额定电压35 kV(U m =40.5 kV)及以下冷缩式电缆附件安装规程》DL/T 5756—2017[19 ] 和《额定电压35 kV(U m =40.5 kV)及以下预制式电缆附件安装规程》DL/T 5758—2017[20 ] 的要求,对于铜线屏蔽的电缆,应该用原电缆屏蔽铜线全部绞合后引出作为金属屏蔽层的接地线.27.5 kV电缆金属屏蔽层采取的是软铜丝疏绕铜带捆扎,其不同标称导体截面的电缆的软铜丝标称截面,如表1 所示. ...
1
... (1) 参照《额定电压35 kV(U m =40.5 kV)及以下冷缩式电缆附件安装规程》DL/T 5756—2017[19 ] 和《额定电压35 kV(U m =40.5 kV)及以下预制式电缆附件安装规程》DL/T 5758—2017[20 ] 的要求,对于铜线屏蔽的电缆,应该用原电缆屏蔽铜线全部绞合后引出作为金属屏蔽层的接地线.27.5 kV电缆金属屏蔽层采取的是软铜丝疏绕铜带捆扎,其不同标称导体截面的电缆的软铜丝标称截面,如表1 所示. ...
1
2016
... 根据工程经验,接地极的引伸连接导线采用 30%IACS或40%IACS多股铜包钢绞合导线,既具有铜的高导电性能,又具有钢的高力学强度.引伸连接铜包钢绞线截面积可按式(3)计算,采用铜包钢绞线30%IACS最小截面积不得低于185 mm2 或40%IACS最小截面积不得低于120 mm2 .按照《铁路电力牵引供电设计规范》TB 10009—2016[21 ] 要求,接地纯铜绞线的单丝直径不小于1.7 mm,最小截面积规格不得小于50 mm2 . ...
1
2016
... 根据工程经验,接地极的引伸连接导线采用 30%IACS或40%IACS多股铜包钢绞合导线,既具有铜的高导电性能,又具有钢的高力学强度.引伸连接铜包钢绞线截面积可按式(3)计算,采用铜包钢绞线30%IACS最小截面积不得低于185 mm2 或40%IACS最小截面积不得低于120 mm2 .按照《铁路电力牵引供电设计规范》TB 10009—2016[21 ] 要求,接地纯铜绞线的单丝直径不小于1.7 mm,最小截面积规格不得小于50 mm2 . ...
5
2012
... 根据《交流金属氧化物避雷器选择和使用导则》GB/T 28547—2012[22 ] 的第3.3.5.2条,电缆护层保护器的持续运行电压也可以近似地按式(12)计算 ...
... 根据《交流金属氧化物避雷器选择和使用导则》GB/T 28547-2012[22 ] 的规定,标称放电电流应该和电缆末端相对地避雷器的标称放电电流值相等,标称放电电流可以选用与电气化铁路用避雷器一致的等级,取I n 为10 kA等级. ...
... 根据《交流金属氧化物避雷器选择和使用导则》GB/T 28547—2012[22 ] 和《交流无间隙金属氧化物避雷器》GB/T 11032—2010[23 ] 的要求,电缆护层保护器耐受大电流冲击(4/10 μs)电流取值为65 kA,可满足电缆护层保护器在最大冲击电流累积作用20次后不得损坏. ...
... 长时间持续电流冲击,2 000 μs方波电流峰值(通流容量),根据《交流金属氧化物避雷器选择和使用导则》GB/T 28547—2012[22 ] 的规定,标称放电电流应该和电缆末端相对地避雷器的标称放电电流值相等,选用与电气化铁路用避雷器一致的参数,即400 A. ...
... 27.5 kV电缆护层保护器持续电压按《交流金属氧化物避雷器的选择和使用导则》GB/T 28547—2012[22 ] 的有关规定,可能最大冲击电流累积作用20次后,护层保护器不得损坏. ...
5
... 根据《交流金属氧化物避雷器选择和使用导则》GB/T 28547—2012[22 ] 的第3.3.5.2条,电缆护层保护器的持续运行电压也可以近似地按式(12)计算 ...
... 根据《交流金属氧化物避雷器选择和使用导则》GB/T 28547-2012[22 ] 的规定,标称放电电流应该和电缆末端相对地避雷器的标称放电电流值相等,标称放电电流可以选用与电气化铁路用避雷器一致的等级,取I n 为10 kA等级. ...
... 根据《交流金属氧化物避雷器选择和使用导则》GB/T 28547—2012[22 ] 和《交流无间隙金属氧化物避雷器》GB/T 11032—2010[23 ] 的要求,电缆护层保护器耐受大电流冲击(4/10 μs)电流取值为65 kA,可满足电缆护层保护器在最大冲击电流累积作用20次后不得损坏. ...
... 长时间持续电流冲击,2 000 μs方波电流峰值(通流容量),根据《交流金属氧化物避雷器选择和使用导则》GB/T 28547—2012[22 ] 的规定,标称放电电流应该和电缆末端相对地避雷器的标称放电电流值相等,选用与电气化铁路用避雷器一致的参数,即400 A. ...
... 27.5 kV电缆护层保护器持续电压按《交流金属氧化物避雷器的选择和使用导则》GB/T 28547—2012[22 ] 的有关规定,可能最大冲击电流累积作用20次后,护层保护器不得损坏. ...
1
2010
... 根据《交流金属氧化物避雷器选择和使用导则》GB/T 28547—2012[22 ] 和《交流无间隙金属氧化物避雷器》GB/T 11032—2010[23 ] 的要求,电缆护层保护器耐受大电流冲击(4/10 μs)电流取值为65 kA,可满足电缆护层保护器在最大冲击电流累积作用20次后不得损坏. ...
1
... 根据《交流金属氧化物避雷器选择和使用导则》GB/T 28547—2012[22 ] 和《交流无间隙金属氧化物避雷器》GB/T 11032—2010[23 ] 的要求,电缆护层保护器耐受大电流冲击(4/10 μs)电流取值为65 kA,可满足电缆护层保护器在最大冲击电流累积作用20次后不得损坏. ...
1
2008
... 各种电缆护套材料挤出的外护套在出厂时的绝缘冲击电压水平保守考虑应在36 kV(峰值)以下,同样依照《电缆外护层第2部分:金属套电缆外护层》GB/T 2952.2-2008[24 ] 的规定,在金属铠装层上的电缆外护套需要经受直流火花试验不击穿,电压为(9×t ) kV(t 为外护套的标称厚度),或塑料外护套每毫米施加直流电压8 kV、历时1 min而不击穿,且要求最高直流试验电压不超过25 kV(有效值),这是基本一致的;另外在电缆敷设之后,还需要考虑到外护套经受反复冲击、吸潮、环境温度和敷设过程中造成的轻微外伤等不利因素的影响,其实际运行中电缆外护套的绝缘耐压水平会有所下降.27.5 kV电缆外护套材料的绝缘所能承受最低耐压值(V c )按式(14)计算 ...
1
2008
... 各种电缆护套材料挤出的外护套在出厂时的绝缘冲击电压水平保守考虑应在36 kV(峰值)以下,同样依照《电缆外护层第2部分:金属套电缆外护层》GB/T 2952.2-2008[24 ] 的规定,在金属铠装层上的电缆外护套需要经受直流火花试验不击穿,电压为(9×t ) kV(t 为外护套的标称厚度),或塑料外护套每毫米施加直流电压8 kV、历时1 min而不击穿,且要求最高直流试验电压不超过25 kV(有效值),这是基本一致的;另外在电缆敷设之后,还需要考虑到外护套经受反复冲击、吸潮、环境温度和敷设过程中造成的轻微外伤等不利因素的影响,其实际运行中电缆外护套的绝缘耐压水平会有所下降.27.5 kV电缆外护套材料的绝缘所能承受最低耐压值(V c )按式(14)计算 ...