中低速磁浮交通接地系统研究综述*
Review of Research on Medium and Low Speed Maglev Transportation Grounding Systems
通讯作者: 闫宁宁,女,1996年生,硕士研究生。主要研究方向为轨道电气化与高电压与绝缘技术。E-mail:535799360@qq.com
收稿日期: 2023-03-14 修回日期: 2023-05-4
| 基金资助: |
|
Received: 2023-03-14 Revised: 2023-05-4
作者简介 About authors
王健,男,1985年生,博士,副教授。主要研究方向为高电压与绝缘技术。E-mail:
孙继星,男,1984年生,博士,副教授。主要研究方向为电网和电气化铁路高电压与绝缘技术。E-mail:
中低速磁浮交通系统单设回流轨结构虽然解决了常规走行轨道的杂散电流问题,但处于悬浮电位的接地系统使得其保护接地、防雷接地及电磁兼容等方面都不能简单沿用普通轮轨列车的接地方式,需要单独展开研究。首先介绍了中低速磁浮交通接地回流系统的特点;进一步从保护接地、防雷接地、以及接地系统的电磁兼容性三个方面对中低速磁浮交通接地系统进行分析,归纳总结其接地系统在接地故障点识别、雷击车体过电压、车体放电等方面存在的问题;最后探讨了针对以上问题的解决方案,包括64D接地保护装置改进及故障点识别优化、雷击车体过电压抑制方法以及电流泄放的电磁兼容性提升等,对中低速磁浮交通接地系统的设计方案提供全面参考。
关键词:
The specific energy granting-returning structure of medium and low speed maglev transportation system could contribute to solving stray current issues of conventional running track. But, the grounding system in suspension potential makes it impossible to simply follow the grounding method of ordinary wheeled trains in terms of protective grounding, lightning protection and electromagnetic compatibility, and needs to be studied separately. Therefore, it is necessary to explore the adaptability of medium and low speed maglev transportation grounding system. The characteristics of grounding system is introduced primarily followed by the further analysis from aspects of protection grounding, lightning protection grounding and electromagnetic compatibility grounding. In addition, issues in the identification of grounding fault point, lightning car body overvoltage, body discharge and so on are summarized. Finally, solutions to solve problems proposed before are discussed including the improvement of 64D grounding protection device, the optimization of fault point identification, the suppression method of lightning body overvoltage, and the improvement of electromagnetic compatibility of current discharge. It is hopeful to provide a comprehensive reference for the configuration scheme of medium and low speed transportation system.
Keywords:
本文引用格式
闫宁宁, 王健, 孙继星, 李庆民.
YAN Ningning, WANG Jian, SUN Jixing, LI Qingmin.
1 引言
图1
列车运行中车体与轨道完全绝缘,使列车运行过程中积累的电荷无处泄放,针对以上问题,目前已有的磁浮工程采用在车站范围内架设接地轨的方式,当车辆进入车站范围内,车体上接地电刷与接地轨连接,将运行过程中的电荷泄放,保证了旅客安全。但当站间距离较长时,列车运行过程中产生的电荷无法及时消除,会对车上设备产生影响[19]。
首先,中低速磁浮列车牵引所均设置漏电接地保护装置,列车运行过程中某一区间发生正极接地故障,其他站间牵引所漏电保护装置也会检测到过电压,进而断路器跳闸,导致大范围停电的问题。同时列车运行过程中发生列车框架短路时,也会出现故障点识别困难,现有保护接地系统不能及时切断故障等问题[22]。
其次,对于中低速磁浮交通,其供电轨与回流轨位于轨道梁的两侧,车体上方无接触网等屏蔽防护设施,车体易遭受到直击雷的侵害,而磁浮列车车体悬浮于轨道,列车接地系统没有电连接到地面,雷击车体形成的雷击车体过电压会对列车设备造成严重危害。
中低速磁浮交通作为一种新颖的交通运行方式,在实际运行中也暴露出一些问题需要进行优化解决[25]。目前国内外关于中低速磁浮交通接地系统方面的系统性研究较少,为更好地促进中低速磁浮列车的发展,本文从保护接地、防雷接地、接地系统产生的电磁兼容问题三个方面对接地系统进行分析,研究磁浮交通接地系统的技术特征,指出现有接地系统设计的不足之处,并提出相应的解决方案,以期为磁浮交通的发展提供思路和参考。
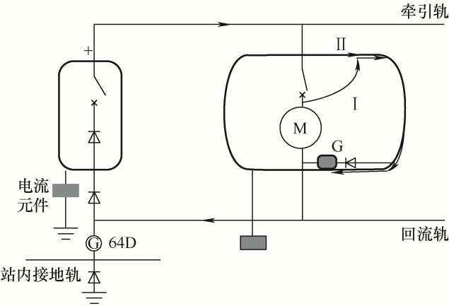
2 保护接地
中低速磁浮列车供电轨和回流轨与轨道梁绝缘,不易发生正负极短路故障,发生正极接地故障的可能性较高。同时由于中低速磁浮列车在运行过程中车体与轨道无接触,当列车发生接地故障时,保护接地装置动作过程存在缺陷。
2.1 中低速磁浮保护接地原理
图2
2.2 接地漏电保护装置
图3
发生正极对地金属性短路时,相邻多个牵引变电站的64D保护装置均可检测到大于保护整定值的电压,造成两侧范围牵引变电所跳闸,进而引起全线供电中断,从而导致大范围停电。
为解决64D接地漏电保护故障定位困难容易造成大范围停电的问题,目前一共提出了两种解决方案。
文献[32]提出取消64D接地保护装置回路电阻,并将电压保护改为电流保护,发生正极接地故障时,相邻牵引变电所检测到短路电流在整定值以上,启动跳闸,远端牵引变电所检测到短路电流在整定值以下,不启动跳闸,以此实现跳闸的选择性。但这种方案下接地漏电保护装置流过的短路电流很大,要求装置具有较高的耐电流能力。
图4
以上思路通过改进接地漏电保护装置,可以有效缩小故障范围,减小发生大面积停电的可能性,但都不能精准定位故障点,并且断路器不能及时解决故障。本文提出一种通过控制系统对保护接地装置进行整体调控的方式,在正负极回路、接地漏电保护和车辆框架保护中装入传感器,检测线路和保护装置上的电流电压变化,通过数据处理将电信号转化为控制信号,实现故障识别报警和控制断路器跳闸切断故障。
2.3 故障点识别困难
中低速磁浮列车运行过程中车体与轨道完全绝缘,且在站内设置接地轨,列车到站后实现车体良好接地,通过分析列车站内停靠与站间运行两种不同运行状态,得到接地保护故障点识别问题主要分为以下两种情况。
2.3.1 车辆内部正极对框架故障点识别问题
中低速磁浮列车发生列车内部正极对框架短路故障时,分为两种情况:第一种,故障发生在断路器下侧,列车框架保护中的过电压继电器G流过故障电流,线路断路器接到信号跳闸,列车站间运行或者站内停靠断路器跳闸都可以有效切断短路故障;第二种,故障点在断路器上侧,直流设备框架保护中的过电压继电器G流过故障电流,线路断路器信号跳闸,当列车在站内停靠时,直流设备框架保护和接地漏电保护均能采集到信号电流,并且两种保护断路器跳闸均能切断故障;当列车在站间运行时,直流设备框架保护断路器跳闸不能切断故障,必须等列车运行到站内接地电刷接地,接地漏电保护动作才可以切断故障,如图5所示。
图5
实现故障的有效清除,需要准确识别故障位置,文献[34]提出在线路断路器上下端分别加装两个电压传感器,检测机车正极与框架间的电压,通过对比两电压传感器的电压检测值判定故障位置。当列车正常运行时,两电压传感器的电压检测值相等;当故障发生在断路器上侧时,过电压继电器G流经故障电流导致线路断路器断开,线路断路器下端传感器失电,线路断路器上端传感器仍正常工作;故障发生在断路器下侧时,下端传感器失电,此时断路器跳闸但不能将故障清除,上端传感器被短路同样失电,以此为判据确定机车内部故障位置,进而通过控制装置实现断路器跳闸。
2.3.2 多车辆站内停靠时无法区分故障车辆
图6
以上两种方法均可以有效解决磁浮交通运行过程中的故障点识别困难问题,且本文提到的分层分级接地检测保护机制,不仅缩短了故障点识别时间,同时还缩小了故障点识别范围,可以做到准确有效地识别并切除故障点。
3 防雷接地
3.1 雷击车体泄流通道
图7
列车在运行过程中某一车厢遭受直击雷时,其他车厢的泄流气隙也可能同时被击穿,因此,雷电能量可从多个车厢的多条泄流路径入地,多路径泄流特性是磁浮列车雷击接地的重要特性。由于列车行驶过程中没有固定位置的接地设施,同时实际情况的落雷位置、雷击峰值和雷电流前沿速率都影响车体泄流通道分布,因此磁浮列车的泄流路径分布存在一定随机性。
3.2 雷击车体过电压
图8
3.3 中低速磁浮交通防雷接地系统
图9
以上方法可以很好地解决中低速磁浮交通的雷击车体过电压问题,同时促进雷电电荷的泄放,但是未考虑到接地模块气隙电容、接地电阻对雷电流峰值的影响。
文献[53]分析接地线阻抗和气隙阻抗组成的接地系统阻抗,得出改进导向电磁铁的形状和尺寸可以改变气隙容值。根据仿真分析,电感两端电压U与电感L近似为正比关系。气隙电容增大时,雷击车厢的雷击过电压峰值增大,其他车厢雷击过电压峰值减小。由此可知较小的接地线电感及气隙电容会使雷击车体过电压的峰值减小,进而减小雷击过程中车体对地的过电压。
中低速磁浮交通作为一种工程化的应用,任何方案的提出都需要经过实践的验证。上述提到的在局部位置加装锥形尖端结构的形状、材质、安装位置等,都需要通过进一步的仿真验证才可以应用到实际工程中。
4 接地系统的电磁兼容性问题
4.1 接地公共阻抗引起的共模干扰电压
式中,I1为干扰电路电流;I2为被干扰电路电流;Zi为电路和被干扰电路之间的公共阻抗。
图10
文献[62]得出对于干扰电路,负载电压降的分压ZiI2可忽略不计,仅考虑电磁骚扰电压ZiI1对负载的影响。磁浮列车车体设有多个保护接地点,接地电流流过公共阻抗会产生电压降,从而对电路产生干扰。
4.2 接地系统的电磁兼容性分析与提升
解决接地问题引起的电磁兼容问题,可以通过在车辆上加装阻容回路、减小接地公共阻抗引起的共模干扰电压来解决。
4.2.1 车辆上加装阻容回路
图11
在车辆上加装阻容回路只是其中一种思路或方向,在实施中困难很多,由于干扰电流有一定的频带宽和随机性,固定的阻容参数很难彻底消除干扰。
4.2.2 减小共模干扰电流
图12
文献[65]提出在牵引系统电路单元间的信号传输采用同轴电缆的方案,同轴电缆在传输电信号时,可以有效抑制地线和外界电磁干扰,且不易对其他电路造成干扰。
图13
以上方案都可有效抑制共模电流引起的电磁干扰问题,同时也可从改进车辆结构、加强屏蔽、提高被干扰体的抗干扰能力等多方面去研究解决,从而提高中低速磁浮列车的电磁兼容能力。
5 结论
目前对中低速磁浮列车接地系统方面的研究比较少,其特殊的接地回流方式注定其接地系统不能简单按照普通轨道列车进行设计。本文总结了64D接地系统可能带来的大范围停电问题、列车发生接地故障时故障点难以识别问题、雷击车体过电压问题以及磁浮交通接地回流系统的电磁兼容问题。目前针对以上问题的解决方案主要有以下方面。
(1) 通过改进64D接地保护装置、绝缘子沿线用接地扁铜进行连接,解决站间发生正极接地故障时可能导致的大面积停电故障问题。针对保护接地过程中不同的故障点识别问题,分别提出加装传感器、加装单向导通装置和增加差分电流检测装置来解决。
(2) 通过车体与高压母线相连,头车厢设置由电阻、电容、二极管并联而成的接地模块,正负极母线之间设置避雷器促进雷电流的泄放;也可在导向电磁铁中加入一种特定结构装置,减小雷击车体过电压。
(3) 减小电路的共模电流可以通过将牵引逆变器输入负线与柜体间增加共模电容、牵引系统电路单元间的信号传输采用同轴电缆、将悬浮架接地系统与车体接地系统分开导流等方法解决。
本文指出的中低速磁浮交通接地系统存在的问题,可以作为今后改进接地系统的研究方向。通过探究站间增设回流轨接地点方案的影响,揭示增设接地点后保护方案的适配性;厘清保护范围,分析中低速磁浮供电系统故障点的识别方法;建立磁浮车辆进出站全过程接地回流的动态模型,获得电荷泄放的接地优化方案。本文对中低速磁浮列车接地系统的优化改进奠定了理论基础,以期为中低速磁浮交通的稳定持续发展提供可靠支持。
参考文献
中低速磁浮运营线工程示范与创新研究
[J].
Demonstration and innovation research of medium and low-speed maglev operation line engineering
[J].
全球运量最大磁浮线开通:中车造列车“贴地飞行”
[J].
The opening of the world’s largest maglev line:CRRC trains “fly close to the ground”
[J].
中低速磁浮技术引领绿色交通
[J].
Medium and low-speed maglev technology leads green transportation
[J].
轨道交通行业发展综述
[J].
A review of rail transit industry development
[J].
我国中低速磁浮交通发展综述
[J].
Review of the development of medium and low-speed maglev traffic in China
[J].
Mobility on demand-vision of a flexible future urban mobility
[J].
DOI:10.17816/transsyst201952130-138
URL
[本文引用: 1]
Background: The present situation in megacities is characterized by traffic congestion, capacity limits of public transportation systems. In addition, environmental regulations due to potential health risks will have an increasing impact on urban transportation systems.
\nAim: In this paper, we describe major technology trends in transportation and in information and communication systems which will influence urban transportation in future megacities. Based on these trends a vision of a sustainable urban transportation system is developed.
\nMethod: In a first step, trends in urban development and the individual needs are analyzed. Digitalization of transportation and communication technologies offer new business opportunities for Artificial Intelligence (AI) based services.
\nResults: The intelligent combination of advanced transportation technologies in large buildings and AI based services enables a vision of Mobility on Demand, representing a flexible and sustainable urban transportation in future megacities.
\nConclusion: The vision Mobility on Demand illustrates the effective and flexible integration of individual transportation needs into public transportation systems. Depending on the standards of future individual vehicles such vehicles could be integrated seamlessly into the urban Maglev transportation system.
中低速磁浮车辆研究综述
[J].
Review of medium to low speed maglev vehicles
[J].
中低速磁悬浮双线简支轨道梁的冲击效应研究
[J].
Study on impact effect of medium-low speed maglev
[J].
Review of maglev train technologies
[J].DOI:10.1109/TMAG.2006.875842 URL [本文引用: 1]
中低速磁浮列车牵引供电系统特点分析
[J].
Analysis of traction power supply system for medium and low speed maglev train
[J].
城市轨道交通牵引供电系统接触网和回流安全综述
[J].
Review of catenary and reflow safety of traction power supply system for urban rail transit
[J].
城市轨道交通交直流统一的牵引供电计算
[J].
Calculation of unified traction power supply for AC and DC in urban rail transit
[J].
中低速磁悬浮供电系统的技术特点研究
[J].
Research on the technical characteristics of power supply system for medium and low speed maglev vehicles
[J].
高速铁路常用供电方式接地回流研究
[J].
Research on grounding backflow of common power supply mode of high-speed railway
[J].
城市电网中地铁杂散电流分布规律及影响因素分析
[J].
Analysis of distribution of subway in urban power grid
[J].
轨道电位与杂散电流动模实验平台
[J].
Rail potential and stray current dynamic emulator
[J].
城市轨道交通开闭所接线方案优化设计
[J].
Optimization design of wiring scheme for opening and closing of urban rail transit
[J].
地铁杂散电流腐蚀防护系统相关问题探讨
[J].
Study on protective systems against metro stray current corrosion
[J].
对磁浮交通直流牵引供电系统有关技术的探讨
[J].
Discussion on the related technology of maglev traffic DC traction power supply system
[J].
以风险识别和控制为主线的磁浮交通安全管理
[J].
Magnetic traffic safety management with risk identification and control
[J].
一种新型城市轨道交通馈线电流保护方法
[J].
A new type of current protection method for urban rail transit feeder
[J].
Analysis and research of high-speed EMU grounding technology
[J].
电子电气设备接地探讨
[J].
Discussion on grounding between electronic and electrical equipment
[J].
小电阻接地配电系统集中式接地保护研究
[J].
Research on centralized grounding protection of small resistance grounding distribution system
[J].
中低速磁浮交通唐山试验线工程实践及设计反思
[J].
Engineering practice and design reflection of Tangshan test line for medium and low-speed maglev traffic
[J].
中速磁浮列车试验线地面牵引系统
[J].
Ground traction system of medium-speed maglev train test line
[J].
中低速磁浮交通牵引供电系统接地保护研究
[J].
Research on the grounding protection of traction power supply system in medium and low speed maglev transportation
[J].
直流框架保护装置的功能及动作特性改进建议
[J].
Suggestions for improving the function and action characteristics of DC frame protection device
[J].
Grounding behavior and optimization analysis of electric multiple units in high-speed railways
[J].DOI:10.1109/TTE.6687316 URL [本文引用: 1]
接触网不同安装方式下接地保护的动作分析
[J].
Analysis of earthing protection actions under different modes for installation of overhead contact system
[J].
中低速磁浮牵引供电系统接地保护方案探析
[J].
Analysis of the grounding protection scheme of medium and low speed maglev traction power supply system
[J].
单轨交通接地保护优化改进研究
[J].
Study on optimization and improvement of monorail grounding protection
[J].
城市轨道交通(单轨)接地漏电保护故障定位探析
[J].
Analysis on fault positioning of earth leakage protection in urban rail transit (monorail)
[J].
悬挂式单轨牵引回流接地故障检测保护机制研究
[J].
Research on suspended monorail traction power return grounding fault detection protection mechanism
[J].
中低速磁浮列车接地与防雷技术研究
[J].
Research on the grounding and lightning protection technology of medium- and low-speed maglev train
[J].
高速磁浮列车线缆雷电间接效应的耦合特性研究
[J].
Study on the coupling characteristics of indirect lightning effect of high-speed maglev train cable
[J].
地铁架空地线的雷电防护作用研究
[J].
Study on lightning protection of metro overhead ground line
[J].
雷达站电源综合防雷系统研究与设计
[J].
Research and design of integrated lightning protection system for radar station power supply
[J].
长沙磁浮快线工程的防雷接地设计要点
[J].
Lightning protection and grounding design points of Changsha Magnetic Floating Express Line Project
[J].
地铁高架区段接触网耐雷水平研究
[J].
Study on lightning resistance level of overhead network in subway section
[J].
Influence of grounding mode on surge voltage in the process of pantograph rising for high speed train
[C]//
Study on grounding and lightning protection for high-speed EMS maglev
[C]//
接地方式对高速动车组车体雷电过电压影响研究
[J].
Study on the influence of grounding mode on lightning overvoltage of high-speed EMU car body
[J].
磁浮列车雷击车体过电压特性及抑制方法研究
[J].
Research on overvoltage characteristics of maglev train and suppression method
[J].
Multi-objective optimization of the integrated grounding system for high-speed trains by balancing train body current and overvoltage
[J].DOI:10.1109/TTE.2020.3041869 URL [本文引用: 1]
等电位联结及其在轨道交通系统中的应用
[J].
Equipotential link and its application in rail transit systems
[J].
Relationship analysis between metro rail potential and neutral direct current of nearby transformers
[J].DOI:10.1109/TTE.2021.3053340 URL [本文引用: 1]
高架桥段地铁接触网的改进防雷措施
[J].
Improvement in lightning protection scheme of subway catenary with viaduct bridge
[J].
跨座式单轨交通直流牵引系统接地保护设计
[J].
Earthing protection design of DC traction system for straddle monorail transit
[J].
高速磁浮列车电磁兼容技术工程化应用研究
[J].
Industrialized application of EMC technology in high speed maglev train
[J].
长沙磁浮快线对铁路无线电子设备的电磁干扰分析
[J].
Electromagnetic interference analysis of railway wireless electronic equipment in Changsha
[J].
中低速磁浮交通与铁路电磁安全防护距离研究
[J].
Research on the electromagnetic safety protection distance between medium and low speed maglev traffic and railway
[J].
城市轨道交通供电系统谐波谐振剖析
[J].
Harmonic resonance analysis of urban rail transit power supply system
[J].
中低速磁浮列车悬浮控制器电磁兼容设计
[J].
Electromagnetic compatibility design of suspension controller for medium and low speed maglev train
[J].
基于ECP的轨道交通直流牵引供电系统开关状态评价算法
[J].
Switching state evaluation algorithm of DC traction power supply system of rail transit based on ECP
[J].
中低速磁浮列车直线电动机横向端部电磁场干扰分析
[J].
Analysis of electromagnetic field interference of linear motor of medium-low speed maglev train
[J].
An inductance forcedly absorbing current circuit to reduce the stray current in the DC power supply system
[C]//
A study of transient induced voltages on a maglev train coil system
[J].DOI:10.1109/61.400953 URL [本文引用: 1]
长沙磁浮快线列车LCD地线电磁干扰故障分析
[J].
Analysis of electromagnetic interference fault of LCD maglev train
[J].
中低速磁浮列车车体接地回流特性研究
[J].
Study on grounding return characteristics of medium and low speed maglev train body
[J].
城轨车辆牵引系统电磁干扰分析及优化
[J].
Electromagnetic interference analysis and optimization of traction system for urban rail vehicles
[J].
城市轨道交通车辆接地方案分析
[J].
Analysis of urban vehicle grounding scheme
[J].
/
| 〈 |
|
〉 |
