七电平MPUC逆变器滞环SVPWM容错控制方法*
Hysteresis SVPWM Fault-tolerant Control Method for Seven-level MPUC Inverter
收稿日期: 2022-07-16 修回日期: 2023-04-6
| 基金资助: |
|
Received: 2022-07-16 Revised: 2023-04-6
作者简介 About authors
李国华,男,1981年生,博士,副教授。主要研究方向为电力系统电能质量分析与治理。E-mail:
韩颖,女,1997年生,硕士研究生。主要研究方向为电力电子与电力传动。E-mail:
李丰,男,1997年生,硕士研究生。主要研究方向为电力电子与电力传动。E-mail:
刘明,女,1981年生,讲师。主要研究方向为电力电子与电力传动。E-mail:
为了提高单相多电平MPUC逆变器的工作可靠性,提出一种电流跟踪型单相七电平MPUC逆变器滞环SVPWM容错控制方法。首先,分析功率开关器件开路故障对单相MPUC七电平逆变器电压矢量的影响。逆变器开路故障状态下,该方法利用冗余电压矢量的替代实现容错控制;优先选择位置重合的冗余电压矢量进行等效替代;如果没有重合非故障矢量,则选择位置和作用效果最接近的其他非故障矢量。在逆变器单管开路故障状态下,该方法可保证逆变器输出电流较准确地跟踪参考电流,不需要增加备用的硬件冗余单元,能够节约硬件成本,简化系统结构。仿真结果证明了该方法的有效性。
关键词:
In order to improve the reliability of single-phase MPUC multilevel inverter, a current tracking single-phase seven-level MPUC inverter hysteresis SVPWM fault-tolerant control method is proposed. Firstly, the influence of single switch open circuit fault on voltage vector of single-phase MPUC seven-level inverters is analyzed. When the inverter is in open circuit fault state, the fault-tolerant control is realized by replacing redundant voltage vectors; the redundant voltage vectors with overlapping positions are preferred for equivalent substitution; if no non-fault vectors are overlapped, the other nonfault vectors with the closest position and effect are selected. Under the condition of single switch open circuit fault, this proposed method can ensure that the output current of the inverter can accurately track the reference current. This proposed method does not need to add spare hardware redundancy unit, which can save the hardware cost and simplify the system structure. Simulation results show the effectiveness of the proposed method.
Keywords:
本文引用格式
李国华, 韩颖, 李丰, 刘明.
LI Guohua, HAN Ying, LI Feng, LIU Ming.
1 引言
软件法不需要改变多电平逆变器的拓扑结构,而是通过控制算法实现容错控制,能够节约硬件成本,简化系统结构。目前,基于软件法的容错控制策略研究主要包括以下三种。
本文提出一种电流跟踪型单相七电平MPUC逆变器滞环空间矢量脉宽调制(Space vector pulse width modulation,SVPWM)容错控制方法。当功率开关器件故障发生时,利用位置重叠或接近的冗余电压矢量代替故障电压矢量;优先选择位置重合的冗余电压矢量等效替代;如果没有重合矢量,则选择位置和作用效果最接近的其他矢量,从而实现容错控制。
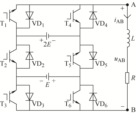
2 拓扑结构和工作原理
图1
表1 MPUC逆变器开关状态与电压矢量
| 矢量 | T1 | T2 | T3 | T4 | T5 | T6 | uAB |
|---|---|---|---|---|---|---|---|
| V1 | 1 | 0 | 1 | 0 | 1 | 0 | 3E |
| V2 | 1 | 0 | 0 | 0 | 1 | 1 | 2E |
| V3 | 0 | 0 | 1 | 1 | 1 | 0 | E |
| V4 | 0 | 0 | 0 | 1 | 1 | 1 | 0 |
| V5 | 1 | 1 | 1 | 0 | 0 | 0 | 0 |
| V6 | 1 | 1 | 0 | 0 | 0 | 1 | -E |
| V7 | 0 | 1 | 1 | 1 | 0 | 0 | -2E |
| V8 | 0 | 1 | 0 | 1 | 0 | 1 | -3E |
图2
如图3所示,首先利用滞环确定电流跟踪误差Δi=i*-i,然后通过合理选取逆变器电压矢量将跟踪误差降低到滞环范围内。其中i*为参考电流,i为实际电流,滞环宽度为h、2h和3h。非故障状态下的电压矢量由式(1)选择;故障状态下,还需要将原算法选取的电压矢量进行替代,即进行故障容错控制。
图3
3 MPUC逆变器故障状态分析
表2 开路故障对MPUC逆变器电压矢量的影响
| 矢量 | T1 | T2 | T3 | T4 | T5 | T6 | uAB |
|---|---|---|---|---|---|---|---|
| V1 | × | √ | × | √ | × | √ | 3E |
| V2 | × | √ | √ | √ | × | × | 2E |
| V3 | √ | √ | × | × | × | √ | E |
| V4 | √ | √ | √ | × | × | × | 0 |
| V5 | × | × | × | √ | √ | √ | 0 |
| V6 | × | × | √ | √ | √ | × | -E |
| V7 | √ | × | × | × | √ | √ | -2E |
| V8 | √ | × | √ | × | √ | × | -3E |
由表2可知,当T1、T3、T4和T6中的某一个发生开路故障时,逆变器均可以输出至少一个正电压、零电压和负电压。即理论上仍可以控制负载电流升高和降低,只是可选择的电压矢量和电平数减少了。
当T2发生故障时,逆变器只能输出正电压和零电压;此时逆变器只能控制负载电流升高,不能控制其降低,即失去对电流的控制。虽然当负载电流为顺时针方向时,续流二极管VD2导通,此时逆变器有可能输出负电压;但由于二极管为不可控器件,该类状态无法受主控芯片准确控制,不属于有效电压矢量。同理可分析T5开路时的情况。
图4
4 电压矢量替代容错控制方法
表3 开路故障下MPUC逆变器电压矢量替代表
| 状态 | T1 | T2 | T3 | T4 | T5 | T6 |
|---|---|---|---|---|---|---|
| 1 | V3 | (T1,T3) | V2 | √ | (T1,T3) | √ |
| 2 | V3 | (T1,T3) | √ | √ | (T1,T3) | V1/V3 |
| 3 | √ | (T1,T3) | V2 | V2 | (T1,T3) | √ |
| 4 | √ | (T1,T6) | √ | V5 | (T1,T6) | V5 |
| 5 | V4 | (T1,T6) | V4 | √ | (T1,T6) | √ |
| 6 | V7 | (T3,T4) | √ | √ | (T3,T4) | V7 |
| 7 | √ | (T4,T6) | V6 | V6 | (T4,T6) | √ |
| 8 | √ | (T4,T6) | √ | V6 | (T4,T6) | V7 |
当T1、T3、T4和T6中的某一个发生开路故障时,均可以找出位置重合或方向相同的非故障矢量替代故障矢量。根据电流跟踪误差,控制逆变器实际输出电流的升降,从而实现容错控制。以T1发生开路故障为例,仅有V3、V4、V7和V8 四个电压矢量不受该故障的影响,可以继续使用,无需替代;V1、V2、V5和V6受到该故障的影响,需要替代。其中V1和V2可用作用方向相同的矢量V3替代;V5可用位置重合的V4来代替,V6可用最相邻的矢量V7替代。即当Δi>3h和2h<Δi≤3h时,均选取矢量V3;当-2h<Δi≤-h时,选取矢量V7。
以T1发生单管故障容错时的电压矢量选取过程为例,经过表3分析可知,替换后最终的输出电压矢量如式(2)所示。同理可得其他单管开路故障时的容错控制情况。
图5
此时,MPUC逆变器等效为降容量运行状态。由于IGBT等功率开关器件在选型时,额定电压通常保留2~3倍安全裕量;额定电流保留1.5~2倍安全裕量。因此,降容量运行状态下,IGBT承受的电压和电流不会超过其允许最大值。
5 仿真与分析
利用Matlab软件进行仿真分析,系统参数设置如下:逆变器直流侧电源为100 V和200 V;输出端电抗器为10 mH,电阻为20 Ω,环宽h为0.05 A。参考电流为幅值4.5 A、频率50 Hz的正弦波。
图6
图7
图8
图9
图10
图11
图12
图13
图14
图15
图16
图17
图18
图19
由于T2发生单管开路故障时,对逆变器电压矢量的影响,以及矢量替代方法与T5恰好相反。这里不再重复验证T5发生单管开路故障的情况。
通过上述分析可知,故障状态下利用基于电压矢量替代的容错控制方法,可以保证MPUC逆变器较准确地跟踪参考电流,谐波含量稍有提高。这是因为电压矢量替代的过程中,逆变器输出电压误差导致电流跟踪误差升高。
6 结论
(1) 本文提出一种电流跟踪型单相七电平MPUC逆变器滞环SVPWM容错控制方法。首先分析了逆变器各功率开关器件开路故障对电压矢量的影响;优先选择位置重合的非故障矢量进行等效替代;如果没有位置重合的非故障矢量,则选择作用方向相同的非故障矢量。
(2) 仿真结果证明该方法可以在MPUC逆变器单管开路故障情况下,保证逆变器继续稳定工作,能够较准确地跟踪参考电流值。
(3) 该方法算法简单,易于实现;不需要增加备用的硬件冗余硬件资源,能够节约硬件成本,简化系统结构,提高MPUC逆变器的工作可靠性。
参考文献
Phase-shifted carrier-based synchronized sinusoidal PWM techniques for a cascaded H-bridge multilevel inverter
[J].DOI:10.1109/TPEL.2017.2669084 URL [本文引用: 1]
多电平电压源型逆变器的容错技术综述
[J].
Overview of fault-tolerant techniques for multilevel voltage source inverters
[J].
Survey of fault-tolerance techniques for three-phase voltage source inverters
[J].DOI:10.1109/TIE.2014.2301712 URL [本文引用: 2]
Reconfigurable multilevel inverter with fault-tolerant ability
[J].DOI:10.1109/TPEL.2017.2773611 URL [本文引用: 2]
Fault-tolerant structure for cascaded H-bridge multilevel inverter and reliability evaluation
[J].DOI:10.1049/pel2.v10.1 URL [本文引用: 1]
Enhancing the reliability of modular medium-voltage drives
[J].DOI:10.1109/TIE.2002.803172 URL [本文引用: 1]
A new fault-tolerant strategy based on a modified selective harmonic technique for three-phase multilevel converters with a single faulty cell
[J].DOI:10.1109/TPEL.2015.2444661 URL [本文引用: 2]
Suppression of real power back flow of nonregenerative cascaded H-bridge inverters operating under faulty conditions
[J].
基于差补调制方式的级联H桥逆变器单元故障控制方法
[J].
Control method for cascaded H-bridge inverter with faulty cells based on differential PWM
[J].
Fault-tolerant design and control strategy for cascaded H-bridge multilevel converter-based STATCOM
[J].DOI:10.1109/TIE.2009.2036019 URL [本文引用: 1]
A new fault-tolerant strategy for a cascaded H-bridge based STATCOM
[J].DOI:10.1109/TIE.2018.2793182 URL [本文引用: 1]
Fault-tolerant operation of a battery-energy-storage system based on a multilevel cascade PWM converter with star configuration
[J].DOI:10.1109/TPEL.2010.2047407 URL [本文引用: 1]
A fault-tolerant strategy based on fundamental phase-shift compensation for three-phase multilevel converters with quasi-Z-source networks with discontinuous input current
[J].DOI:10.1109/TPEL.2016.2520884 URL [本文引用: 1]
Modified seven-level pack U-cell inverter for photovoltaic applications
[J].DOI:10.1109/JESTPE.2018.2821663 URL [本文引用: 1]
A novel six-band hysteresis control for the packed U cells seven-level converter:Experimental validation
[J].DOI:10.1109/TIE.2011.2161059 URL [本文引用: 1]
/
| 〈 |
|
〉 |
