1 引言
近年来,随着电力电子技术的成熟和电力电子器件性能的提升,电力电子设备已经得到了广泛的应用,为了减少电力电子设备对电网的谐波污染,一些国家和国际学术团体提出并实施了一系列的电流谐波要求和标准[1 ⇓ ⇓ -4 ] 。为满足谐波要求和标准,交流输入的电力电子变换器需要采用功率因数校正(Power factor correction, PFC)技术提高用电设备的功率因数,降低电网谐波含量,确保电网安全可靠运行[5 ] ,因此人们开始广泛研究各种电路拓扑组成的PFC变换器。
相比于Buck、Boost、Buck-Boost等非隔离PFC变换器,隔离型PFC变换器不仅能够实现输入输出隔离,而且通过合理设计,只用一级变换电路就可以实现PFC功能,因此研究人员已经在航空电子设备、车载充电器、通信及计算机设备电源等应用场合开展了隔离型PFC变换器的研究[6 ⇓ ⇓ -9 ] 。其中隔离型SEPIC PFC变换器由于具有器件数量少、成本低、输入输出电流连续等优点,得到研究人员的广泛关注[10 -11 ] 。由于变压器漏感带来的电压尖峰,传统隔离型SEPIC PFC变换器开关管的电压应力较大。文献[12 -13 ]所提变换器应用有源钳位技术来降低开关管的电压应力,但是其电路控制复杂。文献[14 ]提出了一种集成磁结构的隔离有源钳位SEPIC PFC变换器,把输入电感、隔离变压器和二极管钳位电路集成到单个磁结构中,虽然降低了开关管和输出二极管的电压应力,但是该电路系统结构复杂,不易设计与控制;文献[15 -16 ]所提变换器都用了有源钳位技术来抑制电压尖峰,实现了开关管的零电压开通,但是它们的电路控制复杂,成本高;并且文献[14 ⇓ -16 ]均采用了传统整流桥。为进一步提高变换器的整体效率,学者们陆续提出了多种无桥SEPIC PFC拓扑[17 ⇓ ⇓ ⇓ ⇓ -22 ] ,其中文献[22 ]提出的一种无桥PFC转换器,其输入电感电流交替工作在CCM/DCM模式,以获得高功率因数,提高整体效率,但是该变换器所用元器件数量多,控制复杂。
基于此,本文使用无桥PFC和有源钳位技术对SEPIC PFC变换器进行改进,提出了一种有源钳位隔离型无桥SEPIC PFC变换器。该变换器通过运用有源钳位技术,降低了开关管的电压应力,实现了开关管的软开关,并提高了变换器效率。该变换器采用恒频控制,输入电感电流工作在断续电流模式(Discontinuous conduction mode, DCM),仅使用单电压环控制就可以实现功率因数校正功能,控制简单。本文详细分析了该变换器的工作原理、输入电感工作在断续模式的条件、中间电容的电压以及功率因数等特性,并设计了一台输出功率为70 W的应用于飞机座椅电源的试验样机验证了理论分析的正确性。
2 电路结构及其工作原理
2.1 电路结构
如图1 所示为本文提出的有源钳位隔离型无桥SEPIC PFC变换器的整体框图。该变换器的主电路由EMI滤波器,输入电感L 1 ,二极管VD 1 、VD 2 ,主开关管S 1 、S 2 ,辅助开关管S 3 ,中间电容C 1 ,钳位电容Cc ,以及隔离变压器T 和续流二极管VD 0 、输出滤波电容C 0 组成;其中隔离变压器的励磁电感为Lm ,漏感为Lr ,变压器的原副边等效匝比为n 。辅助开关管S 3 与钳位电容Cc 构成有源钳位电路,用以抑制电压尖峰,降低开关管S 1 、S 2 的电压应力;二极管VD 1 、VD 2 ,主开关管S 1 、S 2 构成无桥结构代替传统整流桥,进一步提高变换器的转换效率。
图1
变换器的控制电路仅由运放、光耦和PWM控制芯片构成;将输出电压分压采样后的信号进行PI调节,再将误差信号通过光耦隔离传递到原边控制芯片UCC2580-3,然后控制芯片UCC2580-3输出一组带死区的互补驱动信号OUT1和OUT2,信号OUT1同步驱动主开关管S 1 、S 2 ,信号OUT2驱动辅助开关管S 3 。通过调节两个信号的死区时间来实现开关管S 1 、S 2 和S 3 的ZVS,通过调节漏感Lr 和钳位电容Cc 的值,让其有足够的谐振深度,从而使能量能完全传递至二次侧[23 ] 来实现副边续流二极管VD 0 的ZCS。由图1 可知,所提PFC变换器拓扑仅用一级变换就可以实现AC-DC功能和输入输出隔离,所用元器件数量少,成本低,控制简单。
2.2 工作原理
该变换器输入电感L 1 的电流工作在DCM模式,如图2a 所示。由于电路正负半周原理相同,现以输入电感电流工作在正半周断续导电模式来介绍电路的工作原理。假设输入电压Vin =Vm sin(ωt )为理想正弦波,其中Vm 为输入电压Vin 的峰值,ω 为输入电压Vin 的角频率。为了便于分析,假设如下:VDS 1 、VDS 2 分别为开关管S 1 、S 2 的体二极管,CS 1 、CS 2 分别为开关管S 1 、S 2 的寄生电容,VDS 3 为开关管S 3 的体二极管,输出电容C 0 足够大;Lm $\gg $ Lr ,开关管的开关频率fs 远大于输入交流电压频率fg 。
图2
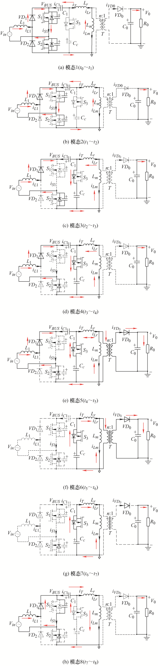
该变换器的关键电压和电流波形如图2 所示,图2b 对应的工作模态分析如图3 所示,相关元器件电流的正方向已在图1 中标出。
图3
模态1(t 0 ~t 1 ):如图3a 所示,主开关管S 1 、S 2 开通,辅助开关管S 3 关断,该等效电路有三个回路,其电流流向如图中支路外箭头所示,其中is 1 =iL 1 +ic 1 。中间电容C 1 放电,输入电感L 1 和励磁电感Lm 及其变压器漏感Lr 上的电流均线性变化,均储存能量,且iLm =iLr =iT ,此时二次侧输出电容C 0 释放能量以供给负载,在整个阶段VBUS 电压为零。在这个阶段里,输入电感L 1 和励磁电感Lm 及其变压器漏感Lr 上的电流变化率为
(1) $\frac{\mathrm{d}{{i}_{L1}}(t)}{\mathrm{d}t}=\frac{{{V}_{m}}\sin (\omega t)}{{{L}_{1}}}$
(2) $\frac{\mathrm{d}{{i}_{Lm}}(t)}{\mathrm{d}t}=\frac{\mathrm{d}{{i}_{Lr}}(t)}{\mathrm{d}t}=-\frac{\mathrm{d}{{i}_{C1}}(t)}{\mathrm{d}t}=-\frac{{{V}_{C1}}}{{{L}_{m}}+{{L}_{r}}}$
模态2(t 1 ~t 2 ):如图3b 所示,开关管S 1 、S 2 和S 3 均关断,L 1 和Lr 的电流流向仍然保持模态1的电流流向,均向主开关管S 1 、S 2 的寄生电容CS 1 和CS 2 充电,iLm =iLr ,VBUS 逐渐上升,输出电容C 0 继续向负载供能;当CS 1 和CS 2 充电结束后,进入模态3。
模态3(t 2 ~t 3 ):如图3c 所示,由于电感L 1 要续流,iL 1 给中间电容C 1 充电,给CS 2 放电,同时iLr 和 iL 1 给钳位电容Cc 充电,输出电容C 0 继续向负载供能,当CS 2 放电结束后,由S 2 的体二极管VDS 2 续流,此时S 2 、S 3 即可实现ZVS,工作进入模态4。
模态4(t 3 ~t 4 ):如图3d 所示,开关管S 3 导通,开关管S 2 的体二极管VDS 2 续流,iL 1 持续给中间电容C 1 和钳位电容Cc 充电,同时iLr 也持续给钳位电容Cc 充电,输入电感电流iL 1 和流过磁感Lm 和漏感Lr 的电流线性减小,且iLm =iLr 。
模态5(t 4 ~t 5 ):如图3e 所示,开关管S 1 、S 2 关断,S 3 导通,t=t 4 时,iLr >iLm ,此时VD 0 开始导通,变压器开始向二次侧传递能量,输出电容C 0 储存能量,此时iL 1 和iLr 继续给钳位电容Cc 充电,输入电感电流iL 1 持续线性减小;同时漏感电流iLr 由负变正,当iLm =iLr +iL 1 时,钳位电容Cc 充电结束,然后开始放电,在整个阶段变压器漏感Lr 和钳位电容Cc 发生谐振,并向二次侧传递能量。
在t 3 ~t 5 整个阶段,输入电感电流iL 1 均线性减小,其下降斜率为
(3) $\frac{\mathrm{d}{{i}_{L1}}(t)}{\mathrm{d}t}=-\frac{{{V}_{C1}}+n{{V}_{0}}-{{V}_{in}}}{{{L}_{1}}}$
模态6(t 5 ~t 6 ):如图3f 所示,此阶段开关管S 1 和S 2 持续关断,S 3 继续导通,当t=t 5 时刻,iL 1 线性减小至0,中间电容C 1 充电结束,即iL 1 =iS 2 = 0;漏感电流iLr 持续增大,励磁电流iLm 逐渐减小,当励磁电流iLm 减小至0时,二次侧电流iVD 0 增加至最大,随后励磁电流iLm 反向增大,漏感电流iLr 减小,变压器漏感Lr 和钳位电容Cc 继续谐振。
在t 4 ~t 6 整个时间段,变压器漏感Lr 和钳位电容Cc 发生谐振,同时向二次侧传递能量,可以推导出如下表达式
(4) $\begin{matrix} {{V}_{Cc}}(t)=n{{V}_{0}}-(n{{V}_{0}}-{{V}_{Cc}}({{t}_{4}}))\times \\ \cos ({{\omega }_{r}}(t-{{t}_{4}}))-{{i}_{Lr}}({{t}_{4}}){{Z}_{r}}\sin ({{\omega }_{r}}(t-{{t}_{4}})) \\\end{matrix}$
(5) $\begin{matrix} {{i}_{Lr}}(t)=\frac{-n{{V}_{0}}+{{V}_{Cc}}({{t}_{4}})}{{{Z}_{r}}}\sin ({{\omega }_{r}}(t-{{t}_{4}}))+ \\ {{i}_{Lr}}({{t}_{4}})\cos ({{\omega }_{r}}(t-{{t}_{4}}))+{{i}_{Lr}}({{t}_{4}}) \\ \end{matrix}$
(6) ${{i}_{Lm}}(t)=\frac{n{{V}_{0}}}{{{L}_{m}}}(t-{{t}_{4}})+{{i}_{Lm}}({{t}_{4}})$
(7) ${{i}_{VD0}}(t)=n({{i}_{Lr}}(t)-{{i}_{Lm}}(t))$
式中,${{\omega }_{r}}=\frac{1}{\sqrt{{{C}_{c}}\times {{L}_{r}}}}$ ,${{Z}_{r}}=\sqrt{\frac{{{L}_{r}}}{{{C}_{c}}}}$ 。
模态7(t 6 ~t 7 ):如图3g 所示,这一阶段开关管S 3 继续导通,钳位电容Cc 继续放电,iLm =iLr ,并缓慢增大,变压器不再向二次侧传递能量,iVD 0 = 0,负载由输出电容C 0 供电,二次侧续流二极管D 0 零电流关断。
模态8(t 7 ~t 8 ):如图3h 所示,在这一阶段,辅助开关管S 3 关断,由S 2 的体二极管VDS 2 续流构成回路,同时S 1 的寄生电容C S1 放电,负载侧输出电容C 0 向负载供电,直至t 8 时刻,CS 1 放电完毕,VBUS 降为0,开关管S 1 即可实现零电压开通,又回到模态1的状态。
3 电路特性分析
3.1 功率因数分析
输入电感电流断续模式下变换器电路稳态工作时,根据电感L 1 在一个开关周期内的伏秒平衡可知
(8) ${{V}_{m}}\sin (\omega t){{D}_{1}}{{T}_{S}}=({{V}_{C1}}+{{V}_{Cc}}-{{V}_{m}}\sin \omega t){{D}_{2}}{{T}_{S}}$
式中,D 1 为主开关管S 1 、S 2 的占空比;TS 为开关周期;D 2 TS 为开关周期内iL 1 从峰值放电为0的时间;n 为变压器的原副边变比;ω 为输入电压角频率。稳态工作时,漏感Lr 两端的平均电压为0,因此钳位电容CC 的电容电压可以表示为
(9) ${{V}_{Cc}}=n{{V}_{0}}$
(10) ${{D}_{2}}=\frac{{{V}_{m}}\sin \omega t}{{{V}_{C1}}+n{{V}_{0}}-{{V}_{m}}\sin \omega t}D{}_{1}$
由式(1)、式(10)可以得到该变换器输入电感L 1 在一个开关周期内的平均电流为
(11) ${{i}_{L1\_avg}}(t)=\frac{1}{2}\times {{i}_{L1(pk)}}\times ({{D}_{1}}+{{D}_{2}})=\frac{D_{1}^{2}{{V}_{m}}\sin \omega t}{2{{L}_{1}}{{f}_{s}}\left( 1-\frac{{{V}_{m}}\left| \sin \omega t \right|}{{{V}_{C1}}+n{{V}_{0}}} \right)}$
从而,该变换器在一个开关周期内的输入电流平均值iin (t )可以表示为
(12) ${{i}_{in}}(t)=\frac{1}{2}\times {{i}_{L1(pk)}}\times ({{D}_{1}}+{{D}_{2}})=\frac{D_{1}^{2}{{V}_{m}}\sin \omega t}{2{{L}_{1}}{{f}_{s}}\left( 1-\frac{{{V}_{m}}\left| \sin \omega t \right|}{{{V}_{C1}}+n{{V}_{0}}} \right)}$
(13) ${{P}_{in}}=\frac{1}{{T}/{2}\;}\int_{0}^{{T}/{2}\;}{{{V}_{in}}(t){{i}_{in}}(t)\mathrm{d}t}\text{=}\frac{D_{1}^{2}V_{m}^{2}}{2\mathrm{ }\!\!\pi\!\!\text{ }{{L}_{1}}{{f}_{s}}}\int_{0}^{\pi }{\frac{{{\sin }^{2}}\omega t}{1-\frac{{{V}_{m}}\left| \sin \omega t \right|}{{{V}_{C1}}+n{{V}_{0}}}}\mathrm{d}\omega t}$
(14) $\begin{matrix} PF=\frac{\sqrt{2}{{P}_{in}}}{{{V}_{m}}\times {{I}_{in(rms)}}}= \\ \sqrt{\frac{2}{\mathrm{ }\!\!\pi\!\!\text{ }}}\frac{\int_{0}^{\mathrm{ }\!\!\pi\!\!\text{ }}{\frac{{{\sin }^{2}}\omega t}{1-\frac{{{V}_{m}}}{{{V}_{C1}}+n{{V}_{0}}}\left| \sin \omega t \right|}\mathrm{d}\omega t}}{\sqrt{\int_{0}^{\mathrm{ }\!\!\pi\!\!\text{ }}{{{\left( \frac{\sin \omega t}{1-\frac{{{V}_{m}}}{{{V}_{C1}}+n{{V}_{0}}}\left| \sin \omega t \right|} \right)}^{2}}d\omega t}}} \\ \end{matrix}$
式中,Vm 为交流输入电压的峰值;Iin ( rms ) 为输入电流有效值。可以看出该变换器的功率因数PF是关于Vm /(VC 1 +nV 0 )的函数,其关系如图4 所示,功率因数PF随着Vm /(VC 1 +nV 0 )的增大而减小。在低压应用场合,当输入电压、输出电压和变比n 确定时,可以通过增大VC 1 来提高功率因数。
图4
图4
功率因数PF与Vm /(VC 1 +nV 0 )的关系曲线
3.2 iL 1 工作在断续模式的条件
假设在最低输入电压下,正弦波波峰输入,确保输入电感电流iL 1 工作在断续模式,则可以在整个范围内工作在断续模式。可以得到
(15) ${{i}_{L1,avg}}(t)=\frac{1}{2}\cdot \frac{{{D}^{2}}{{V}_{m}}\sin \omega t}{{{L}_{1}}{{f}_{s}}}\cdot \frac{\frac{1}{D}{{V}_{Cc}}}{\frac{1}{D}{{V}_{Cc}}-{{V}_{m}}\sin \omega t}$
假设$M=\frac{n{{V}_{0}}}{{{V}_{m}}}$ ,有
(16) ${{i}_{L1,avg}}(t)=\frac{1}{2}\cdot \frac{D{{V}_{m}}}{{{L}_{1}}{{f}_{s}}}\cdot \frac{(1+\alpha )M\sin \omega t}{\frac{1}{D}(1+\alpha )M-\sin \omega t}$
(17) $\begin{matrix} \frac{1}{2\mathrm{ }\!\!\pi\!\!\text{ }}\cdot \frac{D\cdot V_{m}^{2}}{{{L}_{1}}\cdot {{f}_{s}}}\cdot \int_{0}^{\mathrm{ }\!\!\pi\!\!\text{ }}{\frac{(1+\alpha )M{{\sin }^{2}}\omega t}{\frac{1}{D}(1+\alpha )M-\sin \omega t}}\mathrm{d}\omega t= \\ \frac{V_{0}^{2}}{R}=\frac{{{M}^{2}}\cdot V_{m}^{2}}{{{n}^{2}}\cdot R} \\ \end{matrix}$
式中,R 为负载;D 为占空比;$\alpha =\frac{{{L}_{r}}}{{{L}_{m}}}$ ,由于${{L}_{m}}\gg {{L}_{r}}$ ,$\alpha $ 可忽略不计。令$M=\frac{D}{1-D}$ ,代入式(17)可得
(18) ${{L}_{1}}=\frac{{{n}^{2}}\cdot R\cdot {{(1-D)}^{2}}}{2\mathrm{ }\!\!\pi\!\!\text{ }{{f}_{s}}}\cdot \int_{0}^{\mathrm{ }\!\!\pi\!\!\text{ }}{\frac{\frac{1}{1-D}{{\sin }^{2}}\omega t}{\frac{1}{1-D}-\sin \omega t}}\mathrm{d}\omega t$
因此,只需要确保输入电感取值小于式(18)的计算值,即可保证该变换器在整个范围内工作在断续模式。
3.3 中间电容C 1 的平均电压VC 1 的分析
根据上述电路工作模态分析,当开关管S 1 、S 2 导通时,流经中间电容C 1 的电流iC 1 (t )=iLm (t ),此时中间电容C 1 向励磁电感Lm 传递能量,认为中间电容C 1 放电时的电压为恒定值VC 1 ,则在放电时间D 1 TS 时间内,中间电容C 1 的平均放电电流为
(19) ${{I}_{C1\_out}}=\frac{{{V}_{C1}}{{D}_{1}}{{T}_{S}}}{2{{L}_{m}}}$
(20) ${{P}_{C1\_out}}={{V}_{C1}}{{I}_{C1\_out}}{{D}_{1}}{{T}_{S}}$
当开关管S 1 、S 2 关断时,流经中间电容C 1 的电流iC 1 (t )=iL 1 (t ),此时中间电容吸收能量,认为中间电容C 1 充电时的电压为恒定值VC 1 ,则在充电时间D 2 TS 时间内,中间电容C 1 的平均充电电流为
(21) ${{I}_{C1\_in}}=\frac{({{V}_{C1}}+n{{V}_{0}}-{{V}_{m}}\left| \sin \omega t \right|)}{2{{L}_{1}}}{{D}_{2}}{{T}_{S}}$
(22) ${{P}_{C1\_in}}={{V}_{C1}}{{I}_{C1\_in}}{{D}_{2}}{{T}_{S}}$
根据中间电容充放电能量平衡,结合式(11),可得在半个频率周期内
(23) $\int_{0}^{\mathrm{ }\!\!\pi\!\!\text{ }}{{{P}_{C1\_in}}\mathrm{d}\omega t=\int_{0}^{\mathrm{ }\!\!\pi\!\!\text{ }}{{{P}_{C1\_out}}\mathrm{d}\omega t}}$
(24) ${{V}_{C1}}=\frac{{{L}_{m}}{{V}_{m}}^{2}}{\mathrm{ }\!\!\pi\!\!\text{ }{{L}_{1}}}\int_{0}^{\mathrm{ }\!\!\pi\!\!\text{ }}{\frac{{{\sin }^{2}}\omega t}{{{V}_{C1}}+n{{V}_{0}}-{{V}_{m}}\left| \sin \omega t \right|}}\mathrm{d}\omega t$
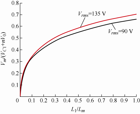
从式(24)可知,中间电容电压VC 1 的大小与变压器匝数比n 、输出电压V 0 、输入电压峰值Vm 以及励磁电感Lm 和输入电感L 1 的比值相关;当变压器匝数比n 和输出电压V 0 、输入电压一定时,中间电容电压VC 1 与励磁电感Lm 和输入电感L 1 的比值呈非线性函数关系,其关系曲线如图5 所示。根据图5 可得,对于28 V输出,n =3.3时,当输入电压确定时,随着L 1 /Lm 比值逐渐增大,Vm /(VC 1 +nV 0 )的值逐渐增大,中间电容电压VC 1 逐渐减小,因此,可以通过合理设计励磁电感Lm 和输入电感L 1 的值,来确定中间电容电压VC 1 。
图5
图5
L 1 /Lm 与Vm /(VC 1 +nV 0 )的关系曲线
4 试验验证
4.1 试验参数
为了验证提出的有源钳位隔离型无桥SEPIC PFC变换器的理论分析的正确性,搭建了一台输出功率为70 W的应用于飞机座椅电源的试验样机,如图6 所示。变换器的规格和主要试验参数如表1 所示。
图6
根据式(18),对于28 V输出,n =3.3时,得出不同占空比D 和输入电感L 1 的关系,如图7 所示。在最低输入电压下,得到占空比D =0.42,对应L 1 =290 μH,确保变换器工作在DCM模式,在实际电路中取L 1 =250 μH;综合考虑变换器功率因数和中间电容电压VC 1 ,结合图4 与图5 ,取Lm =300 μH;同时,由图4 和图5 折中考虑,可以计算得到中间电容电压在输入电压有效值为90 V、115 V、135 V时的大小分别为153.3 V、197.3 V、225.7 V。
图7
4.2 试验结果
图8 为输出电压V 0 、输入电压Vin 、输入电流iin 和中间电容电压在输入电压有效值为90 V、115 V、135 V时的试验波形。由图8 可以看出,不同输入电压下,输入电流波形均能够很好地跟随输入电压波形,输出电压稳定在28 V;由图8b 、8d 、8f 可以看出,交流输入电压有效值为90 V、115 V、135 V时,中间电容电压分别为151 V、200 V和220 V左右;测试结果基本与理论分析一致。
图8
图8
输出电压、输入电压、输入电流和中间电容电压试验波形
图9a~9c 分别为Vrms =115 V时开关管S 1 、S 2 和S 3 的GS 端电压VGS 与BUS点对地的电压VBUS 和副边二极管电压VVD 0 和电流iVD 0 的试验波形。从图9a~9c 可以看出,有源钳位电路很好地抑制了电压尖峰,降低了开关管的电压应力,开关管S 1 、S 2 和S 3 实现了零电压开通,副边二极管实现了零电流关断。
图9
图9
Vrms =115 V时开关管S 1 、S 2 和S 3 的GS端电压VGS 与电压VBUS 和副边二极管VVD 0 与iVD 0 试验波形
图10 所示为Vrms =115 V时输入电感电流iL 1 和流入变压器的电流iT 的试验波形,图10a 为基于无桥SEPIC PFC变换电路在400 Hz频率周期内的试验波形,图10b 为图10a 在输入电压峰值点附近的局部放大波形。从图10 可以看出,该变换器的输入电感运行在断续模式,输入电感电流的峰值包络为正弦波,漏感Lr 和钳位电容Cc 有足够的谐振深度,能使能量完全传递至变压器二次侧,试验波形与理论分析完全一致。
图10
图10
Vrms =115 V时输入电感电流iL 1 、流入变压器电流iT 的试验波形
图11 为不同输入电压时,所提变换器的PF值和转换效率的测试结果。根据测试结果可得,在90~135 Vrms 输入电压范围内,所提变换器的功率因数均大于0.96,效率高达90.22%;由于输入端EMI滤波器中电容的影响,当输入电压较高时,测试的PF值比理论分析结果略低。
图11
表2 为本文所提PFC变换器拓扑与参考文献中部分电路拓扑之间的对比。通过对比分析可知,在单级隔离且不需要能量双向流动的中低压应用场合,尤其对航空电子设备等低输入电压的应用场合,本文所提PFC变换器拓扑在成本、控制单路复杂度和转换效率方面具有一定的优势。
5 结论
相较于传统隔离型SEPIC PFC变换器,本文提出的有源钳位隔离型无桥SEPIC PFC变换器具有以下特点。
(1) 使用无桥结构代替了传统PFC变换器中的低频整流桥,并运用了有源钳位技术,实现了开关管的软开关,具有效率高的特点。
(2) 主开关管和辅助开关管采用互补导通的工作方式,系统运行在DCM模式,主电路拓扑控制方式简单,进一步降低了硬件成本。
实验室搭建了70 W试验样机,试验结果表明了所提变换器的合理性和可行性;在有效值90~135 V 的交流输入电压下,其功率因数高达0.991,效率高达90.22%,验证了理论分析的正确性。
参考文献
View Option
[1]
LOW Q W , SIEK L . A single-stage dual-output tri-mode AC-DC regulator or inductively powered application
[J]. IEEE Transactions on Circuits and Systems , 2019 , 66 (9 ):3620 -3630 .
[本文引用: 1]
[2]
经雯荔 , 管乐诗 , 王懿杰 , 等 . 高频AC/DC变换器优化控制策略研究
[J]. 电源学报 , 2020 , 18 (5 ):60 -71 .
DOI:10.13234/j.issn.2095-2805.2020.5.60
[本文引用: 1]
研究了一种基于GaN HEMT图腾柱软开关无桥PFC电路和LLC谐振电路的高频AC/DC变换器。通过数字控制变换器在临界模式及准方波模式间切换,可实现在全输入范围内零电压开通。闭环控制上应用数字滤波器并基于系统的非线性时变特性研究了补偿方法以实现系统快速响应。同时,为了提升变换器轻载模式下变换效率,采用了自适应多脉冲的突发模式控制方法。为了验证理论合理性和有效性,搭建了输入交流电220 V转输出直流电48 V、额定功率400 W的两级式AC/DC变换器,系统满载时效率为95.2%,同非优化模式相比提升了0.4%;5%轻载条件下,效率为80%,同非优化模式相比提升了42%;当系统输入电压减小为额定电压一半时,系统输出电压响应时间由8.4 ms减小为5.2 ms,响应时间缩减了38%。
JING Wenli , GUAN Yueshi , WANG Yijie , et al. Research on optimal control strategy for high-frequency AC/DC converter
[J]. Journal of Power Supply , 2020 , 18 (5 ):60 -71 .
DOI:10.13234/j.issn.2095-2805.2020.5.60
[本文引用: 1]
In this paper, a high-frequency AC/DC converter is proposed, which is based on GaN HEMT totem-pole soft-switching bridgeless power factor correction (PFC) circuit and LLC resonant circuit. Through the shifting of a digita-lly controlled converter between the critical mode and quasi-square wave mode, zero-voltage switching can be realized in the full input range. A digital filter is applied to the closed-loop control. In addition, based on the system's non-linear time-varying characteristics, a compensation method is studied to realize the system's fast response. At the same time, a burst-mode control method of adaptive multi-pulse is adopted to improve the converter's conversion efficiency in light-load mode. To verify the validity and effectiveness of the theoretical analysis, a 400 W two-stage converter of 220 V AC to 48 V DC was built, and its efficiency under full load was is 95.2%, which was improved by 0.4% compared with that in the conventional mode. The efficiency under 5% light load was 80%, which was improved by 42% compared with that in the conventional mode. When the input voltage was reduced to half the rated value, the system's output voltage response time was reduced from 8.4 ms to 5.2 ms, i.e., with a decrease of 38%.
[3]
阎铁生 , 陶权保 , 胡啸天 , 等 . 基于双路恒流输出单级Cuk PFC变换器的LED驱动电路
[J]. 电机与控制学报 , 2020 , 24 (7 ):139 -146 .
[本文引用: 1]
YAN Tiesheng , TAO Quanbao , HU Xiaotian , et al. LED driving circuit based on single stage Cuk PFC converter with dual constant current outputs
[J]. Electric Machines and Control , 2020 , 24 (7 ):139 -146 .
[本文引用: 1]
[4]
游芳 , 甘雪 , 魏金成 , 等 . 新型无桥DCM Pseudo-Boost PFC变换器研究
[J]. 电气工程学报 , 2015 , 10 (11 ):39 -45 .
[本文引用: 1]
YOU Fang , GAN Xue , WEI Jincheng , et al. Research on novel bridgeless DCM Pseudo-Boost PFC converter
[J]. Journal of Electrical Engineering , 2015 , 10 (11 ): 39 -45 .
DOI:10.12677/JEE.2022.101005
URL
[本文引用: 1]
[5]
孙百军 , 施宏 , 邹晓渔 . 基于航空电网的Boost PFC变换器设计
[J]. 电力电子技术 , 2018 , 52 (2 ):90 -93 .
[本文引用: 1]
SUN Baijun , SHI Hong , ZOU Xiaoyu . Design of Boost PFC converter based on aviation power grid
[J]. Power Electronics , 2018 , 52 (2 ):90 -93 .
[本文引用: 1]
[6]
TARZAMNI H , FARHAD P E , FARZAD T , et al. Reliability assessment of conventional isolated PWM DC-DC converters
[J]. IEEE Access , 2021 , 9 :46191 -46200 .
DOI:10.1109/ACCESS.2021.3067935
URL
[本文引用: 1]
[7]
阎铁生 , 李明洪 , 陶权保 , 等 . DCM-CRM Boost-Flyback单级PFC变换器
[J]. 电力自动化设备 , 2019 , 39 (11 ):152 -158 .
[本文引用: 1]
YAN Tiesheng , LI Minghong , TAO Quanbao , et al. DCM-CRM Boost-Flyback single-stage PFC converter
[J]. Electric Power Automation Equipment , 2019 , 39 (11 ):152 -158 .
[本文引用: 1]
[8]
GOYAL V K , SHUKLA A . Isolated DC-DC Boost converter for wide input voltage range and wide load range applications
[J]. IEEE Transactions on Industrial Electronics , 2021 , 68 (10 ):9527 -9539 .
DOI:10.1109/TIE.2020.3029479
URL
[本文引用: 1]
[9]
章治国 , 刘俊良 , 郭强 , 等 . 一种单级隔离型软开关功率因数校正变换器
[J]. 电工技术学报 , 2018 , 33 (14 ):3222 -3230 .
[本文引用: 1]
ZHANG Zhiguo , LIU Junliang , GUO Qiang , et al. A single stage isolated soft switching power factor correction converter
[J]. Transactions of China Electrotechnical Society , 2018 , 33 (14 ):3222 -3230 .
[本文引用: 1]
[10]
TIBOLA G , BARBI I . Isolated three-phase high power factor rectifier based on the SEPIC converter operating in discontinuous conduction mode
[J]. IEEE Transactions on Power Electronics , 2013 , 28 (11 ):4962 -4969 .
DOI:10.1109/TPEL.2013.2247775
URL
[本文引用: 1]
[11]
LEE S , DO H . Isolated SEPIC DC-DC converter with ripple-free input current and lossless snubber
[J]. IEEE Transactions on Industrial Electronics , 2018 , 65 (2 ):1254 -1262 .
DOI:10.1109/TIE.2017.2733440
URL
[本文引用: 1]
[12]
LODH T , MAJUMDER T . A high gain high efficiency and compact isolated Sepic DC-DC converter
[C]// International Conference on Signal Processing,Communication,Power and Embedded System (SCOPES),Paralakhemundi,India , 2016 :1506 -1511 .
[本文引用: 1]
[13]
ONGARO F , SAGGINI S . ZVS isolated active clamp Sepic converter for high power LED applications
[C]// Twenty-Seventh Annual IEEE Applied Power Electronics Conference and Exposition (APEC) , February 5-9,2012 ,Orlando,FL,USA. IEEE, 2012 :957 -962 .
[本文引用: 1]
[14]
WU D , AYYANAR R . Isolated active-clamped SEPIC PFC converter based on SiC devices and integrated magnetics
[C]// IEEE 7th Workshop on Wide Bandgap Power Devices and Applications (WiPDA) , October 29-31,2019 ,Raleigh,NC,USA. IEEE, 2019 :151 -156 .
[本文引用: 2]
[15]
WU D , AYYANAR R . Single-phase active-clamped isolated SEPIC PFC converter with partial power processing output stage
[C]// IEEE Applied Power Electronics Conference and Exposition (APEC),New Orleans,LA,USA. IEEE , 2020 :1285 -1291 .
[本文引用: 2]
[16]
WU D , AYYANAR R , MADHURA S , et al. High-performance active-clamped isolated SEPIC PFC converter with SiC devices and lossless diode clamp
[J]. IEEE Journal of Emerging and Selected Topics in Power Electronics , 2020 , 8 (1 ):567 -577 .
DOI:10.1109/JESTPE.6245517
URL
[本文引用: 2]
[17]
马红波 , 郑聪 , 余文松 , 等 . 单开关管无桥SEPIC PFC变换器
[J]. 电力自动化设备 , 2014 , 34 (4 ):72 -77 .
[本文引用: 1]
MA Hongbo , ZHENG Cong , YU Wensong , et al. Single-switch bridgeless SEPIC PFC converter
[J]. Electric Power Automation Equipment , 2014 , 34 (4 ):72 -77 .
[本文引用: 1]
[18]
徐鑫雨 , 吴红飞 , 贾益行 , 等 . 基于三端口无桥PFC的两级式隔离型双输出AC-DC变换器
[J]. 中国电机工程学报 , 2020 , 40 (22 ):7431 -7440 .
[本文引用: 1]
XU Xinyu , WU Hongfei , JIA Yixing , et al. Two stage isolated dual output AC-DC converter based on three port bridgeless PFC
[J]. Proceedings of the CSEE , 2020 , 40 (22 ):7431 -7440 .
[本文引用: 1]
[19]
SINGH B , KUSHWAHA R . A PFC based EV battery charger using a bridgeless isolated SEPIC converter
[J]. IEEE Transactions on Industry Applications , 2020 , 56 (1 ):477 -487 .
DOI:10.1109/TIA.28
URL
[本文引用: 1]
[20]
JHA A , SINGH B . Bridgeless SEPIC PFC converter for multistring LED driver
[J]. Journal of the Institution of Engineers (India):Series B , 2018 , 99 (4 ):353 -367 .
DOI:10.1007/s40031-018-0328-6
[本文引用: 1]
[21]
王金平 , 胡凡宇 , 侯良奎 , 等 . 一种单级无桥隔离型PFC变换器
[J]. 中国电机工程学报 , 2017 , 37 (24 ):7276 -7283 .
[本文引用: 1]
WANG Jinping , HU Fanyu , HOU Liangkui , et al. A single-stage bridgeless isolated PFC converter
[J]. Proceedings of the CSEE , 2017 , 37 (24 ):7276 -7283 .
[本文引用: 1]
[22]
CHEN Y , MO S . A bridgeless active-clamp power factor correction isolated SEPIC converter with mixed DCM/CCM operation
[C]// International Future Energy Electronics Conference (IFEEC) , November 3-6,2013 ,Tainan,Taiwan,China. IEEE, 2013 :1 -6 .
[本文引用: 2]
[23]
XU S , QIAN Q , TAO T , et al. Small signal modeling and control loop design of critical conduction mode active clamp flyback converter
[J]. IEEE Transactions on Power Electronics , 2021 , 36 (6 ):7250 -7263 .
DOI:10.1109/TPEL.63
URL
[本文引用: 1]
A single-stage dual-output tri-mode AC-DC regulator or inductively powered application
1
2019
... 近年来,随着电力电子技术的成熟和电力电子器件性能的提升,电力电子设备已经得到了广泛的应用,为了减少电力电子设备对电网的谐波污染,一些国家和国际学术团体提出并实施了一系列的电流谐波要求和标准[1 ⇓ ⇓ -4 ] .为满足谐波要求和标准,交流输入的电力电子变换器需要采用功率因数校正(Power factor correction, PFC)技术提高用电设备的功率因数,降低电网谐波含量,确保电网安全可靠运行[5 ] ,因此人们开始广泛研究各种电路拓扑组成的PFC变换器. ...
高频AC/DC变换器优化控制策略研究
1
2020
... 近年来,随着电力电子技术的成熟和电力电子器件性能的提升,电力电子设备已经得到了广泛的应用,为了减少电力电子设备对电网的谐波污染,一些国家和国际学术团体提出并实施了一系列的电流谐波要求和标准[1 ⇓ ⇓ -4 ] .为满足谐波要求和标准,交流输入的电力电子变换器需要采用功率因数校正(Power factor correction, PFC)技术提高用电设备的功率因数,降低电网谐波含量,确保电网安全可靠运行[5 ] ,因此人们开始广泛研究各种电路拓扑组成的PFC变换器. ...
Research on optimal control strategy for high-frequency AC/DC converter
1
2020
... 近年来,随着电力电子技术的成熟和电力电子器件性能的提升,电力电子设备已经得到了广泛的应用,为了减少电力电子设备对电网的谐波污染,一些国家和国际学术团体提出并实施了一系列的电流谐波要求和标准[1 ⇓ ⇓ -4 ] .为满足谐波要求和标准,交流输入的电力电子变换器需要采用功率因数校正(Power factor correction, PFC)技术提高用电设备的功率因数,降低电网谐波含量,确保电网安全可靠运行[5 ] ,因此人们开始广泛研究各种电路拓扑组成的PFC变换器. ...
基于双路恒流输出单级Cuk PFC变换器的LED驱动电路
1
2020
... 近年来,随着电力电子技术的成熟和电力电子器件性能的提升,电力电子设备已经得到了广泛的应用,为了减少电力电子设备对电网的谐波污染,一些国家和国际学术团体提出并实施了一系列的电流谐波要求和标准[1 ⇓ ⇓ -4 ] .为满足谐波要求和标准,交流输入的电力电子变换器需要采用功率因数校正(Power factor correction, PFC)技术提高用电设备的功率因数,降低电网谐波含量,确保电网安全可靠运行[5 ] ,因此人们开始广泛研究各种电路拓扑组成的PFC变换器. ...
LED driving circuit based on single stage Cuk PFC converter with dual constant current outputs
1
2020
... 近年来,随着电力电子技术的成熟和电力电子器件性能的提升,电力电子设备已经得到了广泛的应用,为了减少电力电子设备对电网的谐波污染,一些国家和国际学术团体提出并实施了一系列的电流谐波要求和标准[1 ⇓ ⇓ -4 ] .为满足谐波要求和标准,交流输入的电力电子变换器需要采用功率因数校正(Power factor correction, PFC)技术提高用电设备的功率因数,降低电网谐波含量,确保电网安全可靠运行[5 ] ,因此人们开始广泛研究各种电路拓扑组成的PFC变换器. ...
新型无桥DCM Pseudo-Boost PFC变换器研究
1
2015
... 近年来,随着电力电子技术的成熟和电力电子器件性能的提升,电力电子设备已经得到了广泛的应用,为了减少电力电子设备对电网的谐波污染,一些国家和国际学术团体提出并实施了一系列的电流谐波要求和标准[1 ⇓ ⇓ -4 ] .为满足谐波要求和标准,交流输入的电力电子变换器需要采用功率因数校正(Power factor correction, PFC)技术提高用电设备的功率因数,降低电网谐波含量,确保电网安全可靠运行[5 ] ,因此人们开始广泛研究各种电路拓扑组成的PFC变换器. ...
Research on novel bridgeless DCM Pseudo-Boost PFC converter
1
2015
... 近年来,随着电力电子技术的成熟和电力电子器件性能的提升,电力电子设备已经得到了广泛的应用,为了减少电力电子设备对电网的谐波污染,一些国家和国际学术团体提出并实施了一系列的电流谐波要求和标准[1 ⇓ ⇓ -4 ] .为满足谐波要求和标准,交流输入的电力电子变换器需要采用功率因数校正(Power factor correction, PFC)技术提高用电设备的功率因数,降低电网谐波含量,确保电网安全可靠运行[5 ] ,因此人们开始广泛研究各种电路拓扑组成的PFC变换器. ...
基于航空电网的Boost PFC变换器设计
1
2018
... 近年来,随着电力电子技术的成熟和电力电子器件性能的提升,电力电子设备已经得到了广泛的应用,为了减少电力电子设备对电网的谐波污染,一些国家和国际学术团体提出并实施了一系列的电流谐波要求和标准[1 ⇓ ⇓ -4 ] .为满足谐波要求和标准,交流输入的电力电子变换器需要采用功率因数校正(Power factor correction, PFC)技术提高用电设备的功率因数,降低电网谐波含量,确保电网安全可靠运行[5 ] ,因此人们开始广泛研究各种电路拓扑组成的PFC变换器. ...
Design of Boost PFC converter based on aviation power grid
1
2018
... 近年来,随着电力电子技术的成熟和电力电子器件性能的提升,电力电子设备已经得到了广泛的应用,为了减少电力电子设备对电网的谐波污染,一些国家和国际学术团体提出并实施了一系列的电流谐波要求和标准[1 ⇓ ⇓ -4 ] .为满足谐波要求和标准,交流输入的电力电子变换器需要采用功率因数校正(Power factor correction, PFC)技术提高用电设备的功率因数,降低电网谐波含量,确保电网安全可靠运行[5 ] ,因此人们开始广泛研究各种电路拓扑组成的PFC变换器. ...
Reliability assessment of conventional isolated PWM DC-DC converters
1
2021
... 相比于Buck、Boost、Buck-Boost等非隔离PFC变换器,隔离型PFC变换器不仅能够实现输入输出隔离,而且通过合理设计,只用一级变换电路就可以实现PFC功能,因此研究人员已经在航空电子设备、车载充电器、通信及计算机设备电源等应用场合开展了隔离型PFC变换器的研究[6 ⇓ ⇓ -9 ] .其中隔离型SEPIC PFC变换器由于具有器件数量少、成本低、输入输出电流连续等优点,得到研究人员的广泛关注[10 -11 ] .由于变压器漏感带来的电压尖峰,传统隔离型SEPIC PFC变换器开关管的电压应力较大.文献[12 -13 ]所提变换器应用有源钳位技术来降低开关管的电压应力,但是其电路控制复杂.文献[14 ]提出了一种集成磁结构的隔离有源钳位SEPIC PFC变换器,把输入电感、隔离变压器和二极管钳位电路集成到单个磁结构中,虽然降低了开关管和输出二极管的电压应力,但是该电路系统结构复杂,不易设计与控制;文献[15 -16 ]所提变换器都用了有源钳位技术来抑制电压尖峰,实现了开关管的零电压开通,但是它们的电路控制复杂,成本高;并且文献[14 ⇓ -16 ]均采用了传统整流桥.为进一步提高变换器的整体效率,学者们陆续提出了多种无桥SEPIC PFC拓扑[17 ⇓ ⇓ ⇓ ⇓ -22 ] ,其中文献[22 ]提出的一种无桥PFC转换器,其输入电感电流交替工作在CCM/DCM模式,以获得高功率因数,提高整体效率,但是该变换器所用元器件数量多,控制复杂. ...
DCM-CRM Boost-Flyback单级PFC变换器
1
2019
... 相比于Buck、Boost、Buck-Boost等非隔离PFC变换器,隔离型PFC变换器不仅能够实现输入输出隔离,而且通过合理设计,只用一级变换电路就可以实现PFC功能,因此研究人员已经在航空电子设备、车载充电器、通信及计算机设备电源等应用场合开展了隔离型PFC变换器的研究[6 ⇓ ⇓ -9 ] .其中隔离型SEPIC PFC变换器由于具有器件数量少、成本低、输入输出电流连续等优点,得到研究人员的广泛关注[10 -11 ] .由于变压器漏感带来的电压尖峰,传统隔离型SEPIC PFC变换器开关管的电压应力较大.文献[12 -13 ]所提变换器应用有源钳位技术来降低开关管的电压应力,但是其电路控制复杂.文献[14 ]提出了一种集成磁结构的隔离有源钳位SEPIC PFC变换器,把输入电感、隔离变压器和二极管钳位电路集成到单个磁结构中,虽然降低了开关管和输出二极管的电压应力,但是该电路系统结构复杂,不易设计与控制;文献[15 -16 ]所提变换器都用了有源钳位技术来抑制电压尖峰,实现了开关管的零电压开通,但是它们的电路控制复杂,成本高;并且文献[14 ⇓ -16 ]均采用了传统整流桥.为进一步提高变换器的整体效率,学者们陆续提出了多种无桥SEPIC PFC拓扑[17 ⇓ ⇓ ⇓ ⇓ -22 ] ,其中文献[22 ]提出的一种无桥PFC转换器,其输入电感电流交替工作在CCM/DCM模式,以获得高功率因数,提高整体效率,但是该变换器所用元器件数量多,控制复杂. ...
DCM-CRM Boost-Flyback single-stage PFC converter
1
2019
... 相比于Buck、Boost、Buck-Boost等非隔离PFC变换器,隔离型PFC变换器不仅能够实现输入输出隔离,而且通过合理设计,只用一级变换电路就可以实现PFC功能,因此研究人员已经在航空电子设备、车载充电器、通信及计算机设备电源等应用场合开展了隔离型PFC变换器的研究[6 ⇓ ⇓ -9 ] .其中隔离型SEPIC PFC变换器由于具有器件数量少、成本低、输入输出电流连续等优点,得到研究人员的广泛关注[10 -11 ] .由于变压器漏感带来的电压尖峰,传统隔离型SEPIC PFC变换器开关管的电压应力较大.文献[12 -13 ]所提变换器应用有源钳位技术来降低开关管的电压应力,但是其电路控制复杂.文献[14 ]提出了一种集成磁结构的隔离有源钳位SEPIC PFC变换器,把输入电感、隔离变压器和二极管钳位电路集成到单个磁结构中,虽然降低了开关管和输出二极管的电压应力,但是该电路系统结构复杂,不易设计与控制;文献[15 -16 ]所提变换器都用了有源钳位技术来抑制电压尖峰,实现了开关管的零电压开通,但是它们的电路控制复杂,成本高;并且文献[14 ⇓ -16 ]均采用了传统整流桥.为进一步提高变换器的整体效率,学者们陆续提出了多种无桥SEPIC PFC拓扑[17 ⇓ ⇓ ⇓ ⇓ -22 ] ,其中文献[22 ]提出的一种无桥PFC转换器,其输入电感电流交替工作在CCM/DCM模式,以获得高功率因数,提高整体效率,但是该变换器所用元器件数量多,控制复杂. ...
Isolated DC-DC Boost converter for wide input voltage range and wide load range applications
1
2021
... 相比于Buck、Boost、Buck-Boost等非隔离PFC变换器,隔离型PFC变换器不仅能够实现输入输出隔离,而且通过合理设计,只用一级变换电路就可以实现PFC功能,因此研究人员已经在航空电子设备、车载充电器、通信及计算机设备电源等应用场合开展了隔离型PFC变换器的研究[6 ⇓ ⇓ -9 ] .其中隔离型SEPIC PFC变换器由于具有器件数量少、成本低、输入输出电流连续等优点,得到研究人员的广泛关注[10 -11 ] .由于变压器漏感带来的电压尖峰,传统隔离型SEPIC PFC变换器开关管的电压应力较大.文献[12 -13 ]所提变换器应用有源钳位技术来降低开关管的电压应力,但是其电路控制复杂.文献[14 ]提出了一种集成磁结构的隔离有源钳位SEPIC PFC变换器,把输入电感、隔离变压器和二极管钳位电路集成到单个磁结构中,虽然降低了开关管和输出二极管的电压应力,但是该电路系统结构复杂,不易设计与控制;文献[15 -16 ]所提变换器都用了有源钳位技术来抑制电压尖峰,实现了开关管的零电压开通,但是它们的电路控制复杂,成本高;并且文献[14 ⇓ -16 ]均采用了传统整流桥.为进一步提高变换器的整体效率,学者们陆续提出了多种无桥SEPIC PFC拓扑[17 ⇓ ⇓ ⇓ ⇓ -22 ] ,其中文献[22 ]提出的一种无桥PFC转换器,其输入电感电流交替工作在CCM/DCM模式,以获得高功率因数,提高整体效率,但是该变换器所用元器件数量多,控制复杂. ...
一种单级隔离型软开关功率因数校正变换器
1
2018
... 相比于Buck、Boost、Buck-Boost等非隔离PFC变换器,隔离型PFC变换器不仅能够实现输入输出隔离,而且通过合理设计,只用一级变换电路就可以实现PFC功能,因此研究人员已经在航空电子设备、车载充电器、通信及计算机设备电源等应用场合开展了隔离型PFC变换器的研究[6 ⇓ ⇓ -9 ] .其中隔离型SEPIC PFC变换器由于具有器件数量少、成本低、输入输出电流连续等优点,得到研究人员的广泛关注[10 -11 ] .由于变压器漏感带来的电压尖峰,传统隔离型SEPIC PFC变换器开关管的电压应力较大.文献[12 -13 ]所提变换器应用有源钳位技术来降低开关管的电压应力,但是其电路控制复杂.文献[14 ]提出了一种集成磁结构的隔离有源钳位SEPIC PFC变换器,把输入电感、隔离变压器和二极管钳位电路集成到单个磁结构中,虽然降低了开关管和输出二极管的电压应力,但是该电路系统结构复杂,不易设计与控制;文献[15 -16 ]所提变换器都用了有源钳位技术来抑制电压尖峰,实现了开关管的零电压开通,但是它们的电路控制复杂,成本高;并且文献[14 ⇓ -16 ]均采用了传统整流桥.为进一步提高变换器的整体效率,学者们陆续提出了多种无桥SEPIC PFC拓扑[17 ⇓ ⇓ ⇓ ⇓ -22 ] ,其中文献[22 ]提出的一种无桥PFC转换器,其输入电感电流交替工作在CCM/DCM模式,以获得高功率因数,提高整体效率,但是该变换器所用元器件数量多,控制复杂. ...
A single stage isolated soft switching power factor correction converter
1
2018
... 相比于Buck、Boost、Buck-Boost等非隔离PFC变换器,隔离型PFC变换器不仅能够实现输入输出隔离,而且通过合理设计,只用一级变换电路就可以实现PFC功能,因此研究人员已经在航空电子设备、车载充电器、通信及计算机设备电源等应用场合开展了隔离型PFC变换器的研究[6 ⇓ ⇓ -9 ] .其中隔离型SEPIC PFC变换器由于具有器件数量少、成本低、输入输出电流连续等优点,得到研究人员的广泛关注[10 -11 ] .由于变压器漏感带来的电压尖峰,传统隔离型SEPIC PFC变换器开关管的电压应力较大.文献[12 -13 ]所提变换器应用有源钳位技术来降低开关管的电压应力,但是其电路控制复杂.文献[14 ]提出了一种集成磁结构的隔离有源钳位SEPIC PFC变换器,把输入电感、隔离变压器和二极管钳位电路集成到单个磁结构中,虽然降低了开关管和输出二极管的电压应力,但是该电路系统结构复杂,不易设计与控制;文献[15 -16 ]所提变换器都用了有源钳位技术来抑制电压尖峰,实现了开关管的零电压开通,但是它们的电路控制复杂,成本高;并且文献[14 ⇓ -16 ]均采用了传统整流桥.为进一步提高变换器的整体效率,学者们陆续提出了多种无桥SEPIC PFC拓扑[17 ⇓ ⇓ ⇓ ⇓ -22 ] ,其中文献[22 ]提出的一种无桥PFC转换器,其输入电感电流交替工作在CCM/DCM模式,以获得高功率因数,提高整体效率,但是该变换器所用元器件数量多,控制复杂. ...
Isolated three-phase high power factor rectifier based on the SEPIC converter operating in discontinuous conduction mode
1
2013
... 相比于Buck、Boost、Buck-Boost等非隔离PFC变换器,隔离型PFC变换器不仅能够实现输入输出隔离,而且通过合理设计,只用一级变换电路就可以实现PFC功能,因此研究人员已经在航空电子设备、车载充电器、通信及计算机设备电源等应用场合开展了隔离型PFC变换器的研究[6 ⇓ ⇓ -9 ] .其中隔离型SEPIC PFC变换器由于具有器件数量少、成本低、输入输出电流连续等优点,得到研究人员的广泛关注[10 -11 ] .由于变压器漏感带来的电压尖峰,传统隔离型SEPIC PFC变换器开关管的电压应力较大.文献[12 -13 ]所提变换器应用有源钳位技术来降低开关管的电压应力,但是其电路控制复杂.文献[14 ]提出了一种集成磁结构的隔离有源钳位SEPIC PFC变换器,把输入电感、隔离变压器和二极管钳位电路集成到单个磁结构中,虽然降低了开关管和输出二极管的电压应力,但是该电路系统结构复杂,不易设计与控制;文献[15 -16 ]所提变换器都用了有源钳位技术来抑制电压尖峰,实现了开关管的零电压开通,但是它们的电路控制复杂,成本高;并且文献[14 ⇓ -16 ]均采用了传统整流桥.为进一步提高变换器的整体效率,学者们陆续提出了多种无桥SEPIC PFC拓扑[17 ⇓ ⇓ ⇓ ⇓ -22 ] ,其中文献[22 ]提出的一种无桥PFC转换器,其输入电感电流交替工作在CCM/DCM模式,以获得高功率因数,提高整体效率,但是该变换器所用元器件数量多,控制复杂. ...
Isolated SEPIC DC-DC converter with ripple-free input current and lossless snubber
1
2018
... 相比于Buck、Boost、Buck-Boost等非隔离PFC变换器,隔离型PFC变换器不仅能够实现输入输出隔离,而且通过合理设计,只用一级变换电路就可以实现PFC功能,因此研究人员已经在航空电子设备、车载充电器、通信及计算机设备电源等应用场合开展了隔离型PFC变换器的研究[6 ⇓ ⇓ -9 ] .其中隔离型SEPIC PFC变换器由于具有器件数量少、成本低、输入输出电流连续等优点,得到研究人员的广泛关注[10 -11 ] .由于变压器漏感带来的电压尖峰,传统隔离型SEPIC PFC变换器开关管的电压应力较大.文献[12 -13 ]所提变换器应用有源钳位技术来降低开关管的电压应力,但是其电路控制复杂.文献[14 ]提出了一种集成磁结构的隔离有源钳位SEPIC PFC变换器,把输入电感、隔离变压器和二极管钳位电路集成到单个磁结构中,虽然降低了开关管和输出二极管的电压应力,但是该电路系统结构复杂,不易设计与控制;文献[15 -16 ]所提变换器都用了有源钳位技术来抑制电压尖峰,实现了开关管的零电压开通,但是它们的电路控制复杂,成本高;并且文献[14 ⇓ -16 ]均采用了传统整流桥.为进一步提高变换器的整体效率,学者们陆续提出了多种无桥SEPIC PFC拓扑[17 ⇓ ⇓ ⇓ ⇓ -22 ] ,其中文献[22 ]提出的一种无桥PFC转换器,其输入电感电流交替工作在CCM/DCM模式,以获得高功率因数,提高整体效率,但是该变换器所用元器件数量多,控制复杂. ...
A high gain high efficiency and compact isolated Sepic DC-DC converter
1
2016
... 相比于Buck、Boost、Buck-Boost等非隔离PFC变换器,隔离型PFC变换器不仅能够实现输入输出隔离,而且通过合理设计,只用一级变换电路就可以实现PFC功能,因此研究人员已经在航空电子设备、车载充电器、通信及计算机设备电源等应用场合开展了隔离型PFC变换器的研究[6 ⇓ ⇓ -9 ] .其中隔离型SEPIC PFC变换器由于具有器件数量少、成本低、输入输出电流连续等优点,得到研究人员的广泛关注[10 -11 ] .由于变压器漏感带来的电压尖峰,传统隔离型SEPIC PFC变换器开关管的电压应力较大.文献[12 -13 ]所提变换器应用有源钳位技术来降低开关管的电压应力,但是其电路控制复杂.文献[14 ]提出了一种集成磁结构的隔离有源钳位SEPIC PFC变换器,把输入电感、隔离变压器和二极管钳位电路集成到单个磁结构中,虽然降低了开关管和输出二极管的电压应力,但是该电路系统结构复杂,不易设计与控制;文献[15 -16 ]所提变换器都用了有源钳位技术来抑制电压尖峰,实现了开关管的零电压开通,但是它们的电路控制复杂,成本高;并且文献[14 ⇓ -16 ]均采用了传统整流桥.为进一步提高变换器的整体效率,学者们陆续提出了多种无桥SEPIC PFC拓扑[17 ⇓ ⇓ ⇓ ⇓ -22 ] ,其中文献[22 ]提出的一种无桥PFC转换器,其输入电感电流交替工作在CCM/DCM模式,以获得高功率因数,提高整体效率,但是该变换器所用元器件数量多,控制复杂. ...
ZVS isolated active clamp Sepic converter for high power LED applications
1
2012
... 相比于Buck、Boost、Buck-Boost等非隔离PFC变换器,隔离型PFC变换器不仅能够实现输入输出隔离,而且通过合理设计,只用一级变换电路就可以实现PFC功能,因此研究人员已经在航空电子设备、车载充电器、通信及计算机设备电源等应用场合开展了隔离型PFC变换器的研究[6 ⇓ ⇓ -9 ] .其中隔离型SEPIC PFC变换器由于具有器件数量少、成本低、输入输出电流连续等优点,得到研究人员的广泛关注[10 -11 ] .由于变压器漏感带来的电压尖峰,传统隔离型SEPIC PFC变换器开关管的电压应力较大.文献[12 -13 ]所提变换器应用有源钳位技术来降低开关管的电压应力,但是其电路控制复杂.文献[14 ]提出了一种集成磁结构的隔离有源钳位SEPIC PFC变换器,把输入电感、隔离变压器和二极管钳位电路集成到单个磁结构中,虽然降低了开关管和输出二极管的电压应力,但是该电路系统结构复杂,不易设计与控制;文献[15 -16 ]所提变换器都用了有源钳位技术来抑制电压尖峰,实现了开关管的零电压开通,但是它们的电路控制复杂,成本高;并且文献[14 ⇓ -16 ]均采用了传统整流桥.为进一步提高变换器的整体效率,学者们陆续提出了多种无桥SEPIC PFC拓扑[17 ⇓ ⇓ ⇓ ⇓ -22 ] ,其中文献[22 ]提出的一种无桥PFC转换器,其输入电感电流交替工作在CCM/DCM模式,以获得高功率因数,提高整体效率,但是该变换器所用元器件数量多,控制复杂. ...
Isolated active-clamped SEPIC PFC converter based on SiC devices and integrated magnetics
2
2019
... 相比于Buck、Boost、Buck-Boost等非隔离PFC变换器,隔离型PFC变换器不仅能够实现输入输出隔离,而且通过合理设计,只用一级变换电路就可以实现PFC功能,因此研究人员已经在航空电子设备、车载充电器、通信及计算机设备电源等应用场合开展了隔离型PFC变换器的研究[6 ⇓ ⇓ -9 ] .其中隔离型SEPIC PFC变换器由于具有器件数量少、成本低、输入输出电流连续等优点,得到研究人员的广泛关注[10 -11 ] .由于变压器漏感带来的电压尖峰,传统隔离型SEPIC PFC变换器开关管的电压应力较大.文献[12 -13 ]所提变换器应用有源钳位技术来降低开关管的电压应力,但是其电路控制复杂.文献[14 ]提出了一种集成磁结构的隔离有源钳位SEPIC PFC变换器,把输入电感、隔离变压器和二极管钳位电路集成到单个磁结构中,虽然降低了开关管和输出二极管的电压应力,但是该电路系统结构复杂,不易设计与控制;文献[15 -16 ]所提变换器都用了有源钳位技术来抑制电压尖峰,实现了开关管的零电压开通,但是它们的电路控制复杂,成本高;并且文献[14 ⇓ -16 ]均采用了传统整流桥.为进一步提高变换器的整体效率,学者们陆续提出了多种无桥SEPIC PFC拓扑[17 ⇓ ⇓ ⇓ ⇓ -22 ] ,其中文献[22 ]提出的一种无桥PFC转换器,其输入电感电流交替工作在CCM/DCM模式,以获得高功率因数,提高整体效率,但是该变换器所用元器件数量多,控制复杂. ...
... ]所提变换器都用了有源钳位技术来抑制电压尖峰,实现了开关管的零电压开通,但是它们的电路控制复杂,成本高;并且文献[14 ⇓ -16 ]均采用了传统整流桥.为进一步提高变换器的整体效率,学者们陆续提出了多种无桥SEPIC PFC拓扑[17 ⇓ ⇓ ⇓ ⇓ -22 ] ,其中文献[22 ]提出的一种无桥PFC转换器,其输入电感电流交替工作在CCM/DCM模式,以获得高功率因数,提高整体效率,但是该变换器所用元器件数量多,控制复杂. ...
Single-phase active-clamped isolated SEPIC PFC converter with partial power processing output stage
2
2020
... 相比于Buck、Boost、Buck-Boost等非隔离PFC变换器,隔离型PFC变换器不仅能够实现输入输出隔离,而且通过合理设计,只用一级变换电路就可以实现PFC功能,因此研究人员已经在航空电子设备、车载充电器、通信及计算机设备电源等应用场合开展了隔离型PFC变换器的研究[6 ⇓ ⇓ -9 ] .其中隔离型SEPIC PFC变换器由于具有器件数量少、成本低、输入输出电流连续等优点,得到研究人员的广泛关注[10 -11 ] .由于变压器漏感带来的电压尖峰,传统隔离型SEPIC PFC变换器开关管的电压应力较大.文献[12 -13 ]所提变换器应用有源钳位技术来降低开关管的电压应力,但是其电路控制复杂.文献[14 ]提出了一种集成磁结构的隔离有源钳位SEPIC PFC变换器,把输入电感、隔离变压器和二极管钳位电路集成到单个磁结构中,虽然降低了开关管和输出二极管的电压应力,但是该电路系统结构复杂,不易设计与控制;文献[15 -16 ]所提变换器都用了有源钳位技术来抑制电压尖峰,实现了开关管的零电压开通,但是它们的电路控制复杂,成本高;并且文献[14 ⇓ -16 ]均采用了传统整流桥.为进一步提高变换器的整体效率,学者们陆续提出了多种无桥SEPIC PFC拓扑[17 ⇓ ⇓ ⇓ ⇓ -22 ] ,其中文献[22 ]提出的一种无桥PFC转换器,其输入电感电流交替工作在CCM/DCM模式,以获得高功率因数,提高整体效率,但是该变换器所用元器件数量多,控制复杂. ...
... ⇓ -16 ]均采用了传统整流桥.为进一步提高变换器的整体效率,学者们陆续提出了多种无桥SEPIC PFC拓扑[17 ⇓ ⇓ ⇓ ⇓ -22 ] ,其中文献[22 ]提出的一种无桥PFC转换器,其输入电感电流交替工作在CCM/DCM模式,以获得高功率因数,提高整体效率,但是该变换器所用元器件数量多,控制复杂. ...
High-performance active-clamped isolated SEPIC PFC converter with SiC devices and lossless diode clamp
2
2020
... 相比于Buck、Boost、Buck-Boost等非隔离PFC变换器,隔离型PFC变换器不仅能够实现输入输出隔离,而且通过合理设计,只用一级变换电路就可以实现PFC功能,因此研究人员已经在航空电子设备、车载充电器、通信及计算机设备电源等应用场合开展了隔离型PFC变换器的研究[6 ⇓ ⇓ -9 ] .其中隔离型SEPIC PFC变换器由于具有器件数量少、成本低、输入输出电流连续等优点,得到研究人员的广泛关注[10 -11 ] .由于变压器漏感带来的电压尖峰,传统隔离型SEPIC PFC变换器开关管的电压应力较大.文献[12 -13 ]所提变换器应用有源钳位技术来降低开关管的电压应力,但是其电路控制复杂.文献[14 ]提出了一种集成磁结构的隔离有源钳位SEPIC PFC变换器,把输入电感、隔离变压器和二极管钳位电路集成到单个磁结构中,虽然降低了开关管和输出二极管的电压应力,但是该电路系统结构复杂,不易设计与控制;文献[15 -16 ]所提变换器都用了有源钳位技术来抑制电压尖峰,实现了开关管的零电压开通,但是它们的电路控制复杂,成本高;并且文献[14 ⇓ -16 ]均采用了传统整流桥.为进一步提高变换器的整体效率,学者们陆续提出了多种无桥SEPIC PFC拓扑[17 ⇓ ⇓ ⇓ ⇓ -22 ] ,其中文献[22 ]提出的一种无桥PFC转换器,其输入电感电流交替工作在CCM/DCM模式,以获得高功率因数,提高整体效率,但是该变换器所用元器件数量多,控制复杂. ...
... -16 ]均采用了传统整流桥.为进一步提高变换器的整体效率,学者们陆续提出了多种无桥SEPIC PFC拓扑[17 ⇓ ⇓ ⇓ ⇓ -22 ] ,其中文献[22 ]提出的一种无桥PFC转换器,其输入电感电流交替工作在CCM/DCM模式,以获得高功率因数,提高整体效率,但是该变换器所用元器件数量多,控制复杂. ...
单开关管无桥SEPIC PFC变换器
1
2014
... 相比于Buck、Boost、Buck-Boost等非隔离PFC变换器,隔离型PFC变换器不仅能够实现输入输出隔离,而且通过合理设计,只用一级变换电路就可以实现PFC功能,因此研究人员已经在航空电子设备、车载充电器、通信及计算机设备电源等应用场合开展了隔离型PFC变换器的研究[6 ⇓ ⇓ -9 ] .其中隔离型SEPIC PFC变换器由于具有器件数量少、成本低、输入输出电流连续等优点,得到研究人员的广泛关注[10 -11 ] .由于变压器漏感带来的电压尖峰,传统隔离型SEPIC PFC变换器开关管的电压应力较大.文献[12 -13 ]所提变换器应用有源钳位技术来降低开关管的电压应力,但是其电路控制复杂.文献[14 ]提出了一种集成磁结构的隔离有源钳位SEPIC PFC变换器,把输入电感、隔离变压器和二极管钳位电路集成到单个磁结构中,虽然降低了开关管和输出二极管的电压应力,但是该电路系统结构复杂,不易设计与控制;文献[15 -16 ]所提变换器都用了有源钳位技术来抑制电压尖峰,实现了开关管的零电压开通,但是它们的电路控制复杂,成本高;并且文献[14 ⇓ -16 ]均采用了传统整流桥.为进一步提高变换器的整体效率,学者们陆续提出了多种无桥SEPIC PFC拓扑[17 ⇓ ⇓ ⇓ ⇓ -22 ] ,其中文献[22 ]提出的一种无桥PFC转换器,其输入电感电流交替工作在CCM/DCM模式,以获得高功率因数,提高整体效率,但是该变换器所用元器件数量多,控制复杂. ...
Single-switch bridgeless SEPIC PFC converter
1
2014
... 相比于Buck、Boost、Buck-Boost等非隔离PFC变换器,隔离型PFC变换器不仅能够实现输入输出隔离,而且通过合理设计,只用一级变换电路就可以实现PFC功能,因此研究人员已经在航空电子设备、车载充电器、通信及计算机设备电源等应用场合开展了隔离型PFC变换器的研究[6 ⇓ ⇓ -9 ] .其中隔离型SEPIC PFC变换器由于具有器件数量少、成本低、输入输出电流连续等优点,得到研究人员的广泛关注[10 -11 ] .由于变压器漏感带来的电压尖峰,传统隔离型SEPIC PFC变换器开关管的电压应力较大.文献[12 -13 ]所提变换器应用有源钳位技术来降低开关管的电压应力,但是其电路控制复杂.文献[14 ]提出了一种集成磁结构的隔离有源钳位SEPIC PFC变换器,把输入电感、隔离变压器和二极管钳位电路集成到单个磁结构中,虽然降低了开关管和输出二极管的电压应力,但是该电路系统结构复杂,不易设计与控制;文献[15 -16 ]所提变换器都用了有源钳位技术来抑制电压尖峰,实现了开关管的零电压开通,但是它们的电路控制复杂,成本高;并且文献[14 ⇓ -16 ]均采用了传统整流桥.为进一步提高变换器的整体效率,学者们陆续提出了多种无桥SEPIC PFC拓扑[17 ⇓ ⇓ ⇓ ⇓ -22 ] ,其中文献[22 ]提出的一种无桥PFC转换器,其输入电感电流交替工作在CCM/DCM模式,以获得高功率因数,提高整体效率,但是该变换器所用元器件数量多,控制复杂. ...
基于三端口无桥PFC的两级式隔离型双输出AC-DC变换器
1
2020
... 相比于Buck、Boost、Buck-Boost等非隔离PFC变换器,隔离型PFC变换器不仅能够实现输入输出隔离,而且通过合理设计,只用一级变换电路就可以实现PFC功能,因此研究人员已经在航空电子设备、车载充电器、通信及计算机设备电源等应用场合开展了隔离型PFC变换器的研究[6 ⇓ ⇓ -9 ] .其中隔离型SEPIC PFC变换器由于具有器件数量少、成本低、输入输出电流连续等优点,得到研究人员的广泛关注[10 -11 ] .由于变压器漏感带来的电压尖峰,传统隔离型SEPIC PFC变换器开关管的电压应力较大.文献[12 -13 ]所提变换器应用有源钳位技术来降低开关管的电压应力,但是其电路控制复杂.文献[14 ]提出了一种集成磁结构的隔离有源钳位SEPIC PFC变换器,把输入电感、隔离变压器和二极管钳位电路集成到单个磁结构中,虽然降低了开关管和输出二极管的电压应力,但是该电路系统结构复杂,不易设计与控制;文献[15 -16 ]所提变换器都用了有源钳位技术来抑制电压尖峰,实现了开关管的零电压开通,但是它们的电路控制复杂,成本高;并且文献[14 ⇓ -16 ]均采用了传统整流桥.为进一步提高变换器的整体效率,学者们陆续提出了多种无桥SEPIC PFC拓扑[17 ⇓ ⇓ ⇓ ⇓ -22 ] ,其中文献[22 ]提出的一种无桥PFC转换器,其输入电感电流交替工作在CCM/DCM模式,以获得高功率因数,提高整体效率,但是该变换器所用元器件数量多,控制复杂. ...
Two stage isolated dual output AC-DC converter based on three port bridgeless PFC
1
2020
... 相比于Buck、Boost、Buck-Boost等非隔离PFC变换器,隔离型PFC变换器不仅能够实现输入输出隔离,而且通过合理设计,只用一级变换电路就可以实现PFC功能,因此研究人员已经在航空电子设备、车载充电器、通信及计算机设备电源等应用场合开展了隔离型PFC变换器的研究[6 ⇓ ⇓ -9 ] .其中隔离型SEPIC PFC变换器由于具有器件数量少、成本低、输入输出电流连续等优点,得到研究人员的广泛关注[10 -11 ] .由于变压器漏感带来的电压尖峰,传统隔离型SEPIC PFC变换器开关管的电压应力较大.文献[12 -13 ]所提变换器应用有源钳位技术来降低开关管的电压应力,但是其电路控制复杂.文献[14 ]提出了一种集成磁结构的隔离有源钳位SEPIC PFC变换器,把输入电感、隔离变压器和二极管钳位电路集成到单个磁结构中,虽然降低了开关管和输出二极管的电压应力,但是该电路系统结构复杂,不易设计与控制;文献[15 -16 ]所提变换器都用了有源钳位技术来抑制电压尖峰,实现了开关管的零电压开通,但是它们的电路控制复杂,成本高;并且文献[14 ⇓ -16 ]均采用了传统整流桥.为进一步提高变换器的整体效率,学者们陆续提出了多种无桥SEPIC PFC拓扑[17 ⇓ ⇓ ⇓ ⇓ -22 ] ,其中文献[22 ]提出的一种无桥PFC转换器,其输入电感电流交替工作在CCM/DCM模式,以获得高功率因数,提高整体效率,但是该变换器所用元器件数量多,控制复杂. ...
A PFC based EV battery charger using a bridgeless isolated SEPIC converter
1
2020
... 相比于Buck、Boost、Buck-Boost等非隔离PFC变换器,隔离型PFC变换器不仅能够实现输入输出隔离,而且通过合理设计,只用一级变换电路就可以实现PFC功能,因此研究人员已经在航空电子设备、车载充电器、通信及计算机设备电源等应用场合开展了隔离型PFC变换器的研究[6 ⇓ ⇓ -9 ] .其中隔离型SEPIC PFC变换器由于具有器件数量少、成本低、输入输出电流连续等优点,得到研究人员的广泛关注[10 -11 ] .由于变压器漏感带来的电压尖峰,传统隔离型SEPIC PFC变换器开关管的电压应力较大.文献[12 -13 ]所提变换器应用有源钳位技术来降低开关管的电压应力,但是其电路控制复杂.文献[14 ]提出了一种集成磁结构的隔离有源钳位SEPIC PFC变换器,把输入电感、隔离变压器和二极管钳位电路集成到单个磁结构中,虽然降低了开关管和输出二极管的电压应力,但是该电路系统结构复杂,不易设计与控制;文献[15 -16 ]所提变换器都用了有源钳位技术来抑制电压尖峰,实现了开关管的零电压开通,但是它们的电路控制复杂,成本高;并且文献[14 ⇓ -16 ]均采用了传统整流桥.为进一步提高变换器的整体效率,学者们陆续提出了多种无桥SEPIC PFC拓扑[17 ⇓ ⇓ ⇓ ⇓ -22 ] ,其中文献[22 ]提出的一种无桥PFC转换器,其输入电感电流交替工作在CCM/DCM模式,以获得高功率因数,提高整体效率,但是该变换器所用元器件数量多,控制复杂. ...
Bridgeless SEPIC PFC converter for multistring LED driver
1
2018
... 相比于Buck、Boost、Buck-Boost等非隔离PFC变换器,隔离型PFC变换器不仅能够实现输入输出隔离,而且通过合理设计,只用一级变换电路就可以实现PFC功能,因此研究人员已经在航空电子设备、车载充电器、通信及计算机设备电源等应用场合开展了隔离型PFC变换器的研究[6 ⇓ ⇓ -9 ] .其中隔离型SEPIC PFC变换器由于具有器件数量少、成本低、输入输出电流连续等优点,得到研究人员的广泛关注[10 -11 ] .由于变压器漏感带来的电压尖峰,传统隔离型SEPIC PFC变换器开关管的电压应力较大.文献[12 -13 ]所提变换器应用有源钳位技术来降低开关管的电压应力,但是其电路控制复杂.文献[14 ]提出了一种集成磁结构的隔离有源钳位SEPIC PFC变换器,把输入电感、隔离变压器和二极管钳位电路集成到单个磁结构中,虽然降低了开关管和输出二极管的电压应力,但是该电路系统结构复杂,不易设计与控制;文献[15 -16 ]所提变换器都用了有源钳位技术来抑制电压尖峰,实现了开关管的零电压开通,但是它们的电路控制复杂,成本高;并且文献[14 ⇓ -16 ]均采用了传统整流桥.为进一步提高变换器的整体效率,学者们陆续提出了多种无桥SEPIC PFC拓扑[17 ⇓ ⇓ ⇓ ⇓ -22 ] ,其中文献[22 ]提出的一种无桥PFC转换器,其输入电感电流交替工作在CCM/DCM模式,以获得高功率因数,提高整体效率,但是该变换器所用元器件数量多,控制复杂. ...
一种单级无桥隔离型PFC变换器
1
2017
... 相比于Buck、Boost、Buck-Boost等非隔离PFC变换器,隔离型PFC变换器不仅能够实现输入输出隔离,而且通过合理设计,只用一级变换电路就可以实现PFC功能,因此研究人员已经在航空电子设备、车载充电器、通信及计算机设备电源等应用场合开展了隔离型PFC变换器的研究[6 ⇓ ⇓ -9 ] .其中隔离型SEPIC PFC变换器由于具有器件数量少、成本低、输入输出电流连续等优点,得到研究人员的广泛关注[10 -11 ] .由于变压器漏感带来的电压尖峰,传统隔离型SEPIC PFC变换器开关管的电压应力较大.文献[12 -13 ]所提变换器应用有源钳位技术来降低开关管的电压应力,但是其电路控制复杂.文献[14 ]提出了一种集成磁结构的隔离有源钳位SEPIC PFC变换器,把输入电感、隔离变压器和二极管钳位电路集成到单个磁结构中,虽然降低了开关管和输出二极管的电压应力,但是该电路系统结构复杂,不易设计与控制;文献[15 -16 ]所提变换器都用了有源钳位技术来抑制电压尖峰,实现了开关管的零电压开通,但是它们的电路控制复杂,成本高;并且文献[14 ⇓ -16 ]均采用了传统整流桥.为进一步提高变换器的整体效率,学者们陆续提出了多种无桥SEPIC PFC拓扑[17 ⇓ ⇓ ⇓ ⇓ -22 ] ,其中文献[22 ]提出的一种无桥PFC转换器,其输入电感电流交替工作在CCM/DCM模式,以获得高功率因数,提高整体效率,但是该变换器所用元器件数量多,控制复杂. ...
A single-stage bridgeless isolated PFC converter
1
2017
... 相比于Buck、Boost、Buck-Boost等非隔离PFC变换器,隔离型PFC变换器不仅能够实现输入输出隔离,而且通过合理设计,只用一级变换电路就可以实现PFC功能,因此研究人员已经在航空电子设备、车载充电器、通信及计算机设备电源等应用场合开展了隔离型PFC变换器的研究[6 ⇓ ⇓ -9 ] .其中隔离型SEPIC PFC变换器由于具有器件数量少、成本低、输入输出电流连续等优点,得到研究人员的广泛关注[10 -11 ] .由于变压器漏感带来的电压尖峰,传统隔离型SEPIC PFC变换器开关管的电压应力较大.文献[12 -13 ]所提变换器应用有源钳位技术来降低开关管的电压应力,但是其电路控制复杂.文献[14 ]提出了一种集成磁结构的隔离有源钳位SEPIC PFC变换器,把输入电感、隔离变压器和二极管钳位电路集成到单个磁结构中,虽然降低了开关管和输出二极管的电压应力,但是该电路系统结构复杂,不易设计与控制;文献[15 -16 ]所提变换器都用了有源钳位技术来抑制电压尖峰,实现了开关管的零电压开通,但是它们的电路控制复杂,成本高;并且文献[14 ⇓ -16 ]均采用了传统整流桥.为进一步提高变换器的整体效率,学者们陆续提出了多种无桥SEPIC PFC拓扑[17 ⇓ ⇓ ⇓ ⇓ -22 ] ,其中文献[22 ]提出的一种无桥PFC转换器,其输入电感电流交替工作在CCM/DCM模式,以获得高功率因数,提高整体效率,但是该变换器所用元器件数量多,控制复杂. ...
A bridgeless active-clamp power factor correction isolated SEPIC converter with mixed DCM/CCM operation
2
2013
... 相比于Buck、Boost、Buck-Boost等非隔离PFC变换器,隔离型PFC变换器不仅能够实现输入输出隔离,而且通过合理设计,只用一级变换电路就可以实现PFC功能,因此研究人员已经在航空电子设备、车载充电器、通信及计算机设备电源等应用场合开展了隔离型PFC变换器的研究[6 ⇓ ⇓ -9 ] .其中隔离型SEPIC PFC变换器由于具有器件数量少、成本低、输入输出电流连续等优点,得到研究人员的广泛关注[10 -11 ] .由于变压器漏感带来的电压尖峰,传统隔离型SEPIC PFC变换器开关管的电压应力较大.文献[12 -13 ]所提变换器应用有源钳位技术来降低开关管的电压应力,但是其电路控制复杂.文献[14 ]提出了一种集成磁结构的隔离有源钳位SEPIC PFC变换器,把输入电感、隔离变压器和二极管钳位电路集成到单个磁结构中,虽然降低了开关管和输出二极管的电压应力,但是该电路系统结构复杂,不易设计与控制;文献[15 -16 ]所提变换器都用了有源钳位技术来抑制电压尖峰,实现了开关管的零电压开通,但是它们的电路控制复杂,成本高;并且文献[14 ⇓ -16 ]均采用了传统整流桥.为进一步提高变换器的整体效率,学者们陆续提出了多种无桥SEPIC PFC拓扑[17 ⇓ ⇓ ⇓ ⇓ -22 ] ,其中文献[22 ]提出的一种无桥PFC转换器,其输入电感电流交替工作在CCM/DCM模式,以获得高功率因数,提高整体效率,但是该变换器所用元器件数量多,控制复杂. ...
... ,其中文献[22 ]提出的一种无桥PFC转换器,其输入电感电流交替工作在CCM/DCM模式,以获得高功率因数,提高整体效率,但是该变换器所用元器件数量多,控制复杂. ...
Small signal modeling and control loop design of critical conduction mode active clamp flyback converter
1
2021
... 变换器的控制电路仅由运放、光耦和PWM控制芯片构成;将输出电压分压采样后的信号进行PI调节,再将误差信号通过光耦隔离传递到原边控制芯片UCC2580-3,然后控制芯片UCC2580-3输出一组带死区的互补驱动信号OUT1和OUT2,信号OUT1同步驱动主开关管S 1 、S 2 ,信号OUT2驱动辅助开关管S 3 .通过调节两个信号的死区时间来实现开关管S 1 、S 2 和S 3 的ZVS,通过调节漏感Lr 和钳位电容Cc 的值,让其有足够的谐振深度,从而使能量能完全传递至二次侧[23 ] 来实现副边续流二极管VD 0 的ZCS.由图1 可知,所提PFC变换器拓扑仅用一级变换就可以实现AC-DC功能和输入输出隔离,所用元器件数量少,成本低,控制简单. ...