1 引言
近年来随着人们对绿色、高效能源需求的增长,高性能逆变电源已然成为电力电子科学技术领域的一个研究热点,是并网与离网供电系统中电力电子装置的核心;同时各种电气设备对电源的要求越来越高,高压直流输电、大型船舶、雷达、光伏逆变器、大功率电动机、舰载飞机等各种系统都需要可靠、高质量的大功率电源逆变系统[1 ⇓ ⇓ -4 ] 。然而,直流侧电压波动以及负载变化对逆变电源输出的影响,导致电源的输出控制性能不好。因此,研究出一种具有良好输出波形质量和强鲁棒性的逆变电源系统具有重要的现实意义。
单相逆变电源大体上可分为单级式单相逆变电源和级联式单相逆变电源两大类。单级式逆变电源仅由一级单相逆变器构成,只进行一次电能的变换,此种电路结构简单,控制简易,但是在输入电压的波动范围较大时,逆变电源易受到电压波动的影响,电压输出波形变差且控制上优化能力受限[5 ] 。级联式单相逆变电源按照结构上不同大体上可分为飞跨电容型、二极管钳位型、级联H桥(Cascaded H-bridge,CHB)型等。由于级联H桥型逆变电源具有易于模块化、不需要考虑电容均压、控制简单、输出电压波形质量好等优点,在大功率逆变电源中得到了广泛的应用[6 -7 ] 。
由于级联H桥逆变电源本质上属于一种多电平变换器,所以脉宽调制就成为了研究中的关键问题,它不仅能够影响系统开关损耗,也能够提高系统效率,目前针对级联H桥逆变器的调制方法主要有低频调制和高频调制两种。低频调制主要有选择性谐波消除法和阶梯波调制法两种[8 -9 ] ,但是选择性谐波消除法只能用于开环调制,阶梯波调制法输出电压谐波畸变率(Total harmonic distortion,THD)含量较高。高频调制策略主要有载波移相调制法(Carrier phase shifting pulse width modulation,CPS-PWM)[10 ] 和载波移幅调制法(Phase disposition pulse width modulation,PD-PWM)[11 ] ,由于高频调制使逆变器工作在较高频率下,所以具有输出电压THD值低的优点。在CPS-PWM和PD-PWM中,PD-PWM相比之下具有最优输出电压谐波特性,同时操作简单而受到广泛关注[12 ] ,但是输出时基波含量比较小,谐波含量依然比较高,这将影响其在中高性能大功率设备的推广应用。
级联H桥型单相逆变电源可以看成几个单相逆变电源输出之和的叠加,因此其控制策略与单相逆变电源控制策略类似,目前对其控制策略的研究方法主要有PI控制[13 ] 、滑模控制[14 ] 、无差拍控制[15 ] 、重复控制[16 ] 等。这些方法大多表现出良好的性能,能够输出较低的总谐波失真电压波形,并且在负载为线性负载时,能够确保快速的动态响应和减小稳态误差。然而,对于非线性负载,这些控制方法输出的电压波形含有较高的THD和较大的稳态误差,并不能满足零稳态误差的要求。文献[17 -18 ]指出PR控制可以对逆变电源输出特定频率的正弦交流信号,做到无稳态误差控制,但是PR控制需要离散化处理,对控制器的运算速度和精度要求比较高,同时PR控制的动态特性不如PI控制。为了满足逆变电源的快速动态响应和消除稳态误差,矢量控制应运而生,并成为高性能逆变电源未来发展方向之一[19 ] 。同时,PI控制理论成熟,设计方法简单,常用于逆变器控制中,但是PI控制方式无法对交流信号做到无稳态误差控制。
综上所述,本文介绍了一种改进的对称三角载波,使得级联H桥逆变器相比于传统的PD-PWM和CPS-PWM调制策略,可以获得更小的THD值,提高输出电压基波含量。采用矢量控制策略,借助dq 坐标变换来实现对输出电压的无差跟踪控制。相对于其他控制方式,矢量控制具有设计流程简单、设计参数少、动态响应快、稳态性能好等优点。以CHB十一电平逆变器为例,比较了传统PD-PWM调制算法和改进的PD-PWM调制算法,采用矢量控制策略,进行了仿真和试验验证。
2 CHB电源拓扑结构和调制算法
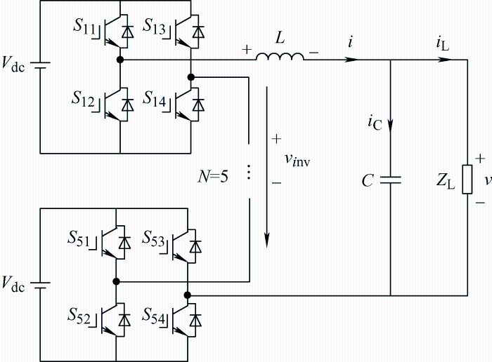
2.1 CHB五单元逆变电源拓扑结构
单相级联H桥五单元逆变电源的拓扑结构图如图1 所示,该拓扑是由5个独立的级联H桥单元和LC滤波电路组合而成。图1 中Sij 为带续流二极管的级联H桥逆变器的桥臂。单个H桥单元的直流供电电压均为V dc ,L 为滤波电感,C 为滤波电容,Z L 为负载阻抗。级联逆变桥输出方波电压为${{\nu }_{i\text{nv}}}$ ,逆变器输出电压为5个级联H桥输出电压的叠加之和,经LC滤波器后输出电压和输出电流分别为$\nu $ 、 ${{i}_{\text{L}}}$ 。
图1
为了方便分析,定义各级联H桥的开关函数为Si ,根据CHB多电平逆变器的工作原理可知,开关函数Si 取值方式如下
(1) ${{S}_{i}}=\left\{ \begin{align} & 1\quad \ {{S}_{i}}_{1},{{S}_{i}}_{4} 开通 \\ & 0\quad \ {{S}_{i}}_{1},{{S}_{i}}_{3} 或 {{S}_{i}}_{2},{{S}_{i}}_{4}开通\quad \\ & -1\ \ \ {{S}_{i}}_{2},{{S}_{i}}_{3} \\ \end{align} \right.$
式中,i 为级联H桥单元的序号数,则级联逆变桥输出方波电压${{\nu }_{i\text{nv}}}$ 可以表示为
(2) ${{\nu }_{i}}_{\text{nv}}=\sum\limits_{i=1}^{5}{{{S}_{i}}{{V}_{\text{dc}}}}=5u{{V}_{dc}}$
式中,u 为调制信号的控制周期平均值,u ∈ (-1,1) ,根据图1 和基尔霍夫电压电流定律,级联逆变电源的动态微分方程可以描述为
(3) $L\frac{di}{dt}={{\nu }_{i\text{n}v}}-\nu $
(4) $i={{i}_{\text{L}}}+C\frac{\text{d}\nu }{dt}$
2.2 CHB五单元逆变电源调制算法
级联H桥多电平逆变器中输出电压电平的数量与级联单元个数n 的表述关系如式(5)所示,在m 电平逆变器中,对于基于恒定载波频率的PD-PWM,调制度M a 和载波比M f 定义为
(5) $m=2n+1$
(6) ${{M}_{\text{a}}}\text{=}\frac{{{A}_{m}}}{(m-1){{A}_{c}}}\quad $
(7) ${{M}_{\text{f}}}\text{=}\frac{{{f}_{\text{c}}}}{{{f}_{r}}}$
式中,A m 为正弦调制波的幅值,A c 为三角载波的幅值。
对于图1 所示的5单元11电平逆变器,PD-PWM的原理如图2 所示。由图2 可知,调制共需要10个频率、幅值、相位完全相同的三角形载波与正弦参考信号进行比较,以生成正弦PWM信号。当参考信号大于载波信号时,则与该载波信号相对应的功率器件接通,级联单元i 对应的载波u cri+ 与u cri- 对称分布于时间轴两侧;u ref 为正调制波。多电平总输出电压为5个级联H桥功率单元输出之和的叠加,其示意图如图2 所示。
图2
根据双重傅里叶分析理论,任何基于载波的PWM调制算法,其输出波形的通用谐波可表示为
(8) $\begin{align} F\text{(}t\text{) =}\frac{{{A}_{00}}}{2}+\sum\limits_{q=1}^{\infty }{\left\{ {{A}_{0\text{q}}}\cos \left( q{{\omega }_{0}}t \right)+{{B}_{0\text{q}}}\sin \left( q{{\omega }_{0}}t \right) \right\}}+ \\ \sum\limits_{p=1}^{\infty }{\left\{ {{A}_{p0}}\cos \left( p{{\omega }_{c}}t \right)+{{B}_{p0}}\sin \left( p{{\omega }_{c}}t \right) \right\}}+ \\ \sum\limits_{p=1}^{\infty }{\sum\limits_{\begin{smallmatrix} q=-\infty \\ q\ne 0 \end{smallmatrix}}^{\infty }{{{A}_{\text{pq}}}\cos \left( p{{\omega }_{c}}t+q{{\omega }_{0}}t \right)+{{B}_{\text{pq}}}\sin \left( p{{\omega }_{c}}t+q{{\omega }_{0}}t \right)}} \end{align}$
(9) ${{A}_{\text{p}q}}+j{{B}_{\text{pq}}}=\frac{1}{2{{\pi }^{2}}}\int_{-\pi }^{\pi }{\int_{-\pi }^{\pi }{V(x,y)}}exp(j(px+qy))\text{d}xdy$
对于一般的PWM调制算法,式(9)的系数是通过双重傅里叶积分得到的。式中,$x={{\omega }_{c}}t$ ,$y={{\omega }_{0}}t$ 因此,式(9)中的谐波形式可以表示为$p{{\omega }_{\text{c}}}t+q{{\omega }_{\text{0}}}t$ ( ${{\omega }_{\text{c}}}$ 为载波角频率,${{\omega }_{\text{0}}}$ 为基波角频率),并存在以下三种情况。
(1) 当p =0,q ≠0时,$q{{\omega }_{\text{0}}}$ 为基波或谐波。
(2) 当p ≠0,q =0时,$p{{\omega }_{\text{c}}}$ 为载波以及载波倍数的谐波。
(3) 当p ≠0,q ≠0时,$p{{\omega }_{\text{c}}}t+q{{\omega }_{\text{0}}}t$ 为载波倍数的边带谐波。
根据上述通用谐波表达式,应用双重傅里叶分析,可以得到5单元11电平逆变器中PD调制算法的谐波解析表达式为
(10) $\begin{align} F(t)=5+{{A}_{\text{m}}}\cos ({{\omega }_{0}}t)+\sum\limits_{p=1,3,5,\cdots }^{\infty }{C}\cos (p{{\omega }_{c}}t)+ \\ \sum\limits_{p=2,4,6,\cdots }^{\infty }{\sum\limits_{q=\pm 1,\pm 3,\pm 5,\cdots }^{\pm \infty }{{{C}_{1}}}\cos (p{{\omega }_{c}}t}+q{{\omega }_{0}}t)+ \\ \sum\limits_{p=1,3,5,\cdots }^{\infty }{\sum\limits_{q=\pm 2,\pm 4,\pm 6,\cdots }^{\pm \infty }{{{C}_{2}}\cos (p{{\omega }_{c}}t}+q{{\omega }_{0}}t)} \end{align}$
式中,由于A m 为常数,C 、C 1 、C 2 为关于贝塞尔函数的表达式,所以PD调制算法的谐波含量主要包括奇次载波倍数的谐波、偶次载波倍数的奇次边带谐波、奇次载波倍数的偶次边带谐波。
综上所述,载波形状可以决定多电平输出波形中谐波的存在。若能够减小载波谐波以及边带谐波含量,则可以降低输出电压谐波含量。所使用的载波是两种波形的组合,其中上半部分为三角形,下半部分为梯形。在文献[20 ]所提载波的基础上,保证输出侧多电平电压波形THD含量最优的情况下,对载波在时间轴上和纵轴上的各部分比例进行了重组。重组后的改进载波相比于传统三角载波调制可以使CHB逆变器获得更好的输出电能质量,减小输出电压波形畸变。改进后的三角载波左右对称,其中t 1 、t 2 、t 3 之间的时间间隔比为1∶5∶1。改进后的表达式如式(11)所示,改进效果如图3 所示,其中A 为改进三角载波的幅值。图4 所示为改进后的载波移幅调制示意图,其调制策略与图2 类似,此处不再赘述。
(11) $C\text{(}t\text{)=}\left\{ \begin{align} & \frac{t}{{{t}_{\text{1}}}}\text{(}\frac{A}{\text{2}}\text{)}\quad \quad \quad \quad \quad 0\le t<{{t}_{\text{1}}} \\ & \frac{A}{2}\quad \quad \quad \quad \quad \quad {{t}_{\text{1}}}\le t<{{t}_{\text{2}}} \\ & \frac{t-{{t}_{\text{2}}}}{{{t}_{\text{3}}}-{{t}_{\text{2}}}}\text{(}\frac{A}{\text{2}}\text{)+}A\text{/2}\quad \ \ {{t}_{\text{2}}}\le t<{{t}_{\text{3}}} \\ & \frac{{{t}_{\text{4}}}-t}{{{t}_{\text{4}}}-{{t}_{\text{3}}}}\text{(}\frac{A}{\text{2}}\text{)+}A\text{/2}\quad \ \ {{t}_{\text{3}}}\le t<{{t}_{\text{4}}} \\ & \frac{A}{2}\quad \quad \quad \quad \quad \quad {{t}_{\text{4}}}\le t<{{t}_{\text{5}}} \\ & \frac{t-{{t}_{\text{6}}}}{{{t}_{\text{5}}}-{{t}_{\text{6}}}}\text{(}\frac{A}{\text{2}}\text{)}\quad \quad \quad \ \ {{t}_{\text{5}}}\le t<{{t}_{\text{6}}} \\ \end{align} \right.$
图3
图4
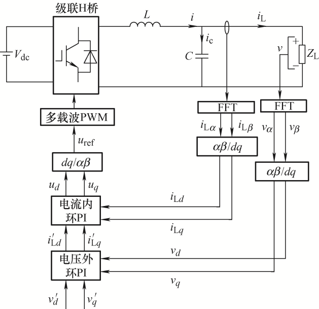
3 级联H桥逆变电源控制策略
3.1 系统总体结构控制框图
级联逆变电源系统总体结构控制框图如图5 所示,由于FFT的输入输出都为复数,所以检测到的输出电压$\nu $ 与电流${{i}_{L}}$ 可以经过FFT变换生成两相静止$\alpha \beta $ 坐标系下的电压${{\nu }_{\alpha }}$ 、${{\nu }_{\beta }}$ 和电流${{i}_{L\alpha }}$ 、${{i}_{L\beta }}$ 。然后通过$\alpha \beta $ - $dq$ 变换将电压${{\nu }_{\alpha }}$ 、${{\nu }_{\beta }}$ 变换为$dq$ 坐标系下的${{\nu }_{d}}$ 、${{\nu }_{q}}$ ;电流${{i}_{L\alpha }}$ 、${{i}_{L\beta }}$ 变换为${{i}_{Ld}}$ 、${{i}_{Lq}}$ 。然后对电压外环进行PI调节,电压外环的输出值作为电流PI内环的给定值,电流内环的输出电压经$dq\text{-}\alpha \beta $ 变换后作为调制电压通过PD-PWM控制级联H桥功率模块输出交流电压,以实现闭环控制输出电压$\nu $ 的目标。
图5
3.2 FFT变换模块
由于FFT的输入输出都为复数,因此可以通过FFT变换来虚拟出另外一相电压,从而生成两相静止坐标系,以输出电压变换为例,FFT变换环节示意图如图6 所示。
图6
(12) $v={{V}_{m}}sin(\omega t+\theta )$
(13) $\left\{ \begin{align} & v={{v}_{\alpha }}+j{{v}_{\beta }} \\ & {{v}_{\alpha }}={{V}_{\text{m}}}\sin (\omega t+\theta ) \\ & {{v}_{\beta }}={{V}_{m}}\cos (\omega t+\theta ) \\ \end{align} \right.$
3.3 矢量控制系统描述
通过傅里叶变换,采用旋转坐标变换矩阵来建立单相级联逆变电源完整的矢量控制系统。
(14) $ \left[\begin{array}{l} X_{d} \\ X_{q} \end{array}\right]=\left[\begin{array}{ll} \cos \theta & \sin \theta \\ -\sin \theta & \cos \theta \end{array}\right]\left[\begin{array}{l} X_{\alpha} \\ X_{\beta} \end{array}\right]$
式(3)、式(4)在$\alpha \beta $ 坐标系下可以改写成
(15) $L\frac{d{{i}_{\alpha \beta }}}{dt}=5{{u}_{\alpha \beta }}{{V}_{dc}}-{{\nu }_{\alpha \beta }}$
(16) $C\frac{d{{\nu }_{\alpha \beta }}}{dt}={{i}_{\alpha \beta }}-{{i}_{L}}_{\alpha \beta }$
通过将式(14)的坐标变换公式应用到式(15)、式(16)中,并应用链式求导法则,可以得到在dq 坐标系下的数学模型
(17) $\frac{\mathrm{d}}{\mathrm{d} t}\left[\begin{array}{l} i_{d} \\ i_{q} \end{array}\right]=\frac{5 V_{\mathrm{dc}}}{L}\left[\begin{array}{l} u_{d} \\ u_{q} \end{array}\right]-\left[\begin{array}{rr} 0 & -\omega \\ \omega & 0 \end{array}\right]\left[\begin{array}{l} i_{d} \\ i_{q} \end{array}\right]-\frac{1}{L}\left[\begin{array}{l} v_{d} \\ v_{q} \end{array}\right]$
(18) $\frac{\mathrm{d}}{\mathrm{d} t}\left[\begin{array}{l} v_{d} \\ v_{q} \end{array}\right]=\frac{1}{C}\left[\begin{array}{l} i_{d} \\ i_{q} \end{array}\right]-\left[\begin{array}{rr} 0 & -\omega \\ \omega & 0 \end{array}\right]\left[\begin{array}{l} v_{d} \\ v_{q} \end{array}\right]-\frac{1}{C}\left[\begin{array}{l} i_{\mathrm{L} d} \\ i_{\mathrm{L} q} \end{array}\right]$
利用式(14)的dq 变换,对逆变电源交流输出电压的控制转换成对直流输出电压的控制,在稳态运行中,只需要控制d 轴输出电压${{\nu }_{d}}$ ,所以令q 轴输出电压${{\nu }_{q}}$ =0。因此,式(17)、式(18)可以改写成
(19) $\left\{ \begin{align} & {{i}_{d}}={{i}_{Ld}} \\ & {{i}_{q}}=C\omega {{\nu }_{d}}+{{i}_{Lq}} \\ \end{align} \right.$
(20) $\quad \left\{ \begin{align} & {{u}_{d}}=\frac{{{\nu }_{d}}-L\omega {{i}_{Lq}}}{5V\text{dc}} \\ & {{u}_{q}}=\frac{L\omega {{i}_{Ld}}}{5Vdc} \\ \end{align} \right.$
在上面数学建模的基础上进行级联H桥逆变电源控制器的设计,控制器结构由两个轴组成。当在q 轴上跟踪无功电流时,d 轴跟踪有功电流,每个轴都包含一个内部电流回路和一个外部电压回路以及补偿项。与单闭环控制相比,使用双闭环控制可以在负载变化时获得快速的动态响应。
3.4 电流内环设计
在逆变电源控制中,内部电流环可以用于提供比电压外环更快的瞬态响应,并改善非线性负载下的输出电压THD值。此外,该内环构成一个固有的限流器,用于保护转换器。它可以被视为具有独立极点的正向路径传递函数。内部电流控制回路设计包括补偿项${{C}_{idq}}$ 和控制变量${{{u}'}_{dq}}$ 。根据式(17),${{{u}'}_{dq}}$ 按以下方式推导
(21) $\frac{L}{5{{V}_{\text{dc}}}}\frac{d{{i}_{d}}}{dt}={{u}_{d}}-\frac{{{\nu }_{d}}-L\omega {{i}_{q}}}{5{{V}_{\text{dc}}}}={{u}_{d}}-{{C}_{id}}={{{u}'}_{d}}$
(22) $\frac{L}{5{{V}_{\text{dc}}}}\frac{d{{i}_{q}}}{dt}={{u}_{q}}-\frac{{{u}_{q}}+L\omega {{i}_{d}}}{5{{V}_{\text{dc}}}}={{u}_{q}}-{{C}_{iq}}={{{u}'}_{q}}$
对于d 轴和q 轴,电感电流和控制变量之间的传递函数为
(23) $\frac{{{i}_{dq}}(s)}{{{{{u}'}}_{dq}}(s)}=\frac{5{{V}_{\text{dc}}}}{sL}$
(24) $\frac{{{i}_{dq}}(s)}{{{{{i}'}}_{dq}}(s)}=\frac{1}{{{\tau }_{i}}s+1}$
取时间常数${{\tau }_{i}}$ 为0.000 1,则
(25) $K=\frac{L}{5{{\tau }_{i}}{{V}_{\text{dc}}}}$
式中,${{\tau }_{i}}$ 是时间常数,K 是比例系数,${{{i}'}_{dq}}$ 是输出电流的参考值。
图7
3.5 电压外环设计
为了确保恒定的输出电压${{\nu }_{dq}}$ ,本文为d 轴和q 轴设计了外部电压控制回路。为了设计电压控制器,需要得到电压补偿项系数${{C}_{\nu d}}$ 和${{C}_{\nu q}}$ ,为了得到这两个系数,建立了以下方程式
(26) $C\frac{d{{\nu }_{d}}}{dt}={{i}_{d}}-\left( {{i}_{L}}_{d}-C\omega {{\nu }_{q}} \right)={{i}_{d}}-{{C}_{\text{v}d}}\text{=}{{{i}'}_{d}}$
(27) $C\frac{d{{\nu }_{q}}}{dt}={{i}_{q}}-\left( {{i}_{L}}_{q}+C\omega {{\nu }_{d}} \right)={{i}_{q}}-{{C}_{\nu q}}\text{=}{{{i}'}_{q}}$
(28) $\frac{{{\nu }_{dq}}(s)}{{{{{i}'}}_{dq}}(s)}=\frac{1}{Cs}$
通过使用比例积分PI调节器,电压外环的结构可以表示为
(29) $\frac{{{\nu }_{dq\left( S \right)}}}{{{{{\nu }'}}_{dq\left( S \right)}}}=\frac{{{K}_{\text{p}}}{{\tau }_{i}}s+1}{C{{\tau }_{i}}{{s}^{2}}+{{K}_{\text{p}}}{{\tau }_{i}}s+1}=\frac{\frac{2\zeta }{{{\omega }_{\text{n}}}}s+1}{\frac{{{s}^{2}}}{{{\omega }_{\text{n}}}^{2}}+\frac{2\zeta }{{{\omega }_{\text{n}}}}s+1}$
积分时间常数${{\tau }_{i}}$ 可通过式(30)计算获得
(30) ${{\tau }_{i}}=\frac{1}{C{{\omega }_{\text{n}}}^{2}}$
式中,${{\omega }_{\text{n}}}$ 是系统最小截止频率,$\zeta $ 是阻尼系数;${{K}_{\text{p}}}$ 值可按如下方式确定
(31) ${{K}_{\text{p}}}=\frac{2\zeta }{{{\omega }_{\text{n}}}{{\tau }_{i}}}$
图8
3.6 控制策略简化图
由图5 可以看出,电压外环和电流内环都需要d 轴和q 轴进行控制器的设计,而且${{u}_{d}}$ 和${{u}_{q}}$ 之间互相影响,这在软件上就增加了设计的复杂性,且在受到扰动时,需要对d 轴和q 轴分别进行控制,此时系统稳定性就会降低,稳态精度不高,出现一定的稳态误差。为克服上述存在的问题,对图5 所示的控制策略进行简化。
从式(20)中可以明显看出,$L\omega {{i}_{Ld}}$ 的值远远小于5V dc 的值,因此,在q 轴上产生的${{u}_{q}}$ 可以忽略。此外,又经过多次仿真测试证明,在没有电压q 轴分量的情况下,dq 控制器可以获得更快的收敛速度、更高的稳定性和更小的振荡。根据图7 和图8 的结构控制框图,图5 可以简化为图9 。
图9
图9 中输出电压$\nu $ 经过FFT变换、$\alpha \beta $ - $dq$ 坐标变换得到输出电压${{\nu }_{d}}$ ,与电压外环给定电压${{{\nu }'}_{d}}$ 经过PI控制得到输出电流${{i}_{cd}}$ ,然后与输出电流${{i}_{Ld}}$ 进行叠加得到电压内环参考电流${{{i}'}_{d}}$ ,然后将其与电流内环输出电流进行作差后,经过比例调节器控制输出${{{u}'}_{d}}$ ,与电流补偿项${{C}_{id}}$ 进行叠加得到内环控制量${{u}_{d}}$ ,${{u}_{d}}$ 经过$dq/\alpha \beta $ 变换得到内环调制电压${{u}_{\text{ref}}}$ ,调制电压通过PD-PWM方法控制级联H桥模块输出交流电压,从而达到闭环控制输出电压$\nu $ 的目标。
4 仿真及试验结果分析
4.1 仿真及结果分析
为了验证所提改进三角载波PD-PWM调制算法和所提控制策略的可行性,根据图9 搭建了输出功率等级为20 kV·A单相级联H桥大功率逆变电源仿真模型。相关参数设置如下:级联H桥直流侧电压V dc =200 V,输出负载电压峰值为900 V (AC)/50 Hz,电感L =1.06 mH,电容C =2.65 μF,等效开关频率f sw =60 kHz。外环调节器的PI参数:k p1 =0.2,k i1 =0.4;内环调节器的P参数:k p2 =0.010 6。
图10 为CHB型逆变电源在上述仿真条件下的输出电压波形图,逆变器输出电压${{\nu }_{inv}}$ 为11电平PWM波形,满足式(5)。
图10
图11 所示为在${{M}_{\text{a}}}$ =1,${{M}_{f}}$ =20条件下传统三角载波与所采用的改进三角载波PD-PWM调制的逆变器输出电压频谱对比图;图12 为CHB逆变电源采用传统PD-PWM、改进PD-PWM调制和传统CPS-PWM调制技术时,输出电压THD值随调制度变化的对比曲线图。由图11 和图12 可知,所提改进载波PD-PWM调制可以在全调制度范围内降低输出电压波形的THD含量,在${{M}_{\text{a}}}$ =1,${{M}_{f}}$ =20条件下提高了基波电压值含量,验证了所提改进载波移幅调制策略的可行性。
图11
图12
在非线性负载(负载为电阻R =20 Ω与二极管串联)情况下,CHB逆变电源输出电压、电流波形如图13 所示,由于二极管具有单向导电性,在负半周期内,负载输出电压仍能够快速、准确地跟踪目标输出电压,并对负载输出电压波形进行了谐波分析,可以看出在非线性负载情况下,逆变电源仍然能够快速且无稳态误差地跟踪目标参考电压。
图13
逆变电源在0.045 s时刻由空载阶跃变为20 Ω的情况下,所提矢量控制与传统电压电流双闭环仿真波形对比,以及d 轴负载电流波形变化如图14 所示。由图14 可以看出,采用传统电压电流双闭环控制策略时,输出电压与给定电压存在一定的差值,差值为12 V,而所提控制策略在负载突变时仍然能够较好地跟踪目标电压,没有静差。
图14
各个H桥直流侧电压在0.045 s时刻由200 V变为210 V的情况下,输出电压与给定电压的矢量控制与传统电压电流双闭环控制输出波形对比如图15 所示。由图15 可以看出,在直流侧电压波动情况下,在所提控制策略下输出电压能够在一定误差范围内跟踪目标电压值,相对误差率约为0.56%,大约在0.08 s时刻达到稳态,无稳态误差。然而对于传统双闭环控制策略,输出电压跟踪目标电压值时出现了较大的误差,相对误差率约为5.22%。
图15
4.2 试验及结果分析
为了验证所提调制算法和控制策略的有效性,搭建了单相级联H桥大功率逆变电源的试验样机,试验主电路参数如表1 所示。
非线性负载(二极管整流型负载)、负载突变(由空载变为满载)、直流侧电压波动下的试验波形如图16 所示。图16a~16c 为CHB逆变电源在非线性负载时、负载突变情况下、直流侧电压波动情况下的输出电压、电流波形。
图16
图16
整流型负载、阶跃负载、电压波动下的试验波形
由图16 可以看出,试验波形与仿真波形没有较大差别,验证了所提简化控制策略在非线性负载时也能保持快速的动态响应,在负载由空载阶跃为满载情况下(0 Ω变为20 Ω),仍然能够准确快速地跟踪目标电压,调节时间小于交流电压周期的1/6;在直流侧电压由200 V阶跃为210 V时刻,电压只有微小的增加,而且可以在短时间内快速恢复,进一步说明了所提简化控制策略的有效性。
改进载波PD-PWM调制算法(${{M}_{\text{a}}}=1$ ,${{M}_{f}}=20$ ) 条件下,应用于五单元级联H桥逆变器时逆变器输出电压的主要谐波含量与传统载波PD-PWM策略的对比结果如表2 所示。
由表2 可以看出,采用改进载波移幅调制时级联逆变器输出电压中的载波谐波(1 kHz)以及边带谐波含量有所降低,基波电压值含量有所提高,验证了改进PD-PWM调制算法的有效性。
5 结论
以单相级联H桥大功率逆变电源作为研究对象,主要得到如下结论。
(1) 改进的载波移幅调制可以在全调制度范围内,降低级联逆变器的总输出电压的THD值,提高基波电压。
(2) 提出矢量控制策略,利用坐标变换将合成的电压矢量、电流矢量在dq 坐标系下进行闭环控制,并给出了所提控制策略的简化模型,对负载侧扰动、直流侧电源电压扰动有着较好的抗扰动能力,在非线性负载情况下,仍能实现无误差地跟踪目标参考电压。仿真和试验结果验证了所提调制算法和控制策略的正确性和有效性。
参考文献
View Option
[1]
李江 , 张永利 , 刘强 , 等 . 分布式光储微电网系统并网控制策略研究
[J]. 电力系统保护与控制 , 2017 , 45 (23 ):90 -97 .
[本文引用: 1]
LI Jiang , ZHANG Yongli , LIU Qiang , et al. Research on grid-connected control strategy of distributed PV-storage microgrid system
[J]. Power System Protection and Control , 2017 , 45 (23 ):90 -97 .
[本文引用: 1]
[2]
苏利捷 , 常恒宙 , 杨广德 , 等 . 混合级联逆变器的混合频率载波调制技术
[J]. 高电压技术 , 2017 , 43 (1 ):30 -37 .
[本文引用: 1]
SU Lijie , CHANG Hengzhou , YANG Guangde , et al. Hybrid frequency carrier modulation technique for hybrid inverter
[J]. High Voltage Engineering , 2017 , 43 (1 ):30 -37 .
[本文引用: 1]
[3]
JAMMALA V , YELLAASIRI S , PANDA A K . Development of a new hybrid multilevel inverter using modified carrier spwm switching strategy
[J]. Transactions on Power Electronics , 2018 , 33 (10 ):8192 -8197 .
DOI:10.1109/TPEL.2018.2801822
URL
[本文引用: 1]
[4]
肖思明 . 电力电子技术在高压直流输电中的应用
[J]. 通信电源技术 , 2017 , 34 (4 ):112 -113 .
[本文引用: 1]
XIAO Siming . Application of power electronics technology in HVDC transmission
[J]. Telecom Power Technology , 2017 , 34 (4 ):112 -113 .
[本文引用: 1]
[5]
GU Bin , DOMINIC J , LAI J S , et al. High reliability and efficiency single-phase transformerless inverter for grid-connected photovoltaic systems
[J]. IEEE Transactions on Power Electronics , 2012 , 28 (5 ):2235 -2245 .
DOI:10.1109/TPEL.2012.2214237
URL
[本文引用: 1]
[6]
LIU Jiaomin , SUN Yuwei , LI Yonggang , et al. Theoretical har-monic analysis of cascaded H-bridge inverter under hybrid pulsewidth multilevel modulation
[J]. IET Power Electronics , 2016 , 9 (14 ):2714 -2722 .
DOI:10.1049/pel2.v9.14
URL
[本文引用: 1]
[7]
YAHYA A , ALI S M U . Optimum pulse-width modulation strategy for a symmetric cascaded multilevel inverter
[J]. International Journal of Power Electronics , 2020 , 11 (1 ):38 -55 .
DOI:10.1504/IJPELEC.2020.103949
URL
[本文引用: 1]
[8]
魏新伟 , 粟时平 , 刘桂英 , 等 . 基于改进阶梯波调制的链式STATCOM直流电容电压平衡策略
[J]. 电力系统及其自动化学报 , 2018 , 30 (2 ):107 -112 .
[本文引用: 1]
WEI Xinwei , SU Shiping , LIU Guiying , et al. DC capacitor voltage balance strategy for cascade STATCOM based on modified ladder wave modulation
[J]. Proceedings of the CSU-EPSA , 2018 , 30 (2 ):107 -112 .
[本文引用: 1]
[9]
刘闯 , 田孝铜 , 曹亚华 , 等 . 基于随机牛顿法(SNM)的级联多电平逆变器特定谐波消除
[J]. 电力系统保护与控制 , 2017 , 45 (5 ):96 -102 .
[本文引用: 1]
LIU Chuang , TIAN Xiaotong , CAO Yahua , et al. Selected harmonic elimination in cascaded multi-level voltage inverters based on the stochastic Newton method (SNM)
[J]. Power System Protection and Control , 2017 , 45 (5 ):96 -102 .
[本文引用: 1]
[10]
蔡信健 , 吴振兴 , 孙乐 , 等 . 直流电压不均衡的级联H桥多电平变频器载波移相PWM调制策略的设计
[J]. 电工技术学报 , 2016 , 31 (1 ):119 -127 .
[本文引用: 1]
CAI Xinjian , WU Zhenxing , SUN Le , et al. Design for phase-shifted carrier pulse width modulation of cascaded H-bridge multi-level inverters with non-equal DC voltages
[J]. Transactions of China Electrotechnical Society , 2016 , 31 (1 ):119 -127 .
[本文引用: 1]
[11]
LI Yufei , WANG Yue , LI B Q . Generalized theory of phase-shifted carrier PWM for cascaded H-bridge converters and modular multilevel converters
[J]. Power Electronics , 2016 , 4 (2 ):589 -605 .
[本文引用: 1]
[12]
王学华 , 张欣 , 阮新波 . 级联多电平逆变器最优SPWM控制策略及其功率均衡方法
[J]. 电工技术学报 , 2009 , 24 (5 ):92 -99 .
[本文引用: 1]
WANG Xuehua , ZHANG Xin , RUAN Xinbo . Optimal SPWM control strategy and its power balance scheme for cascaded multilevel inverters
[J]. Transactions of China Electrotechnical Society , 2009 , 24 (5 ):92 -99 .
[本文引用: 1]
[13]
鲍陈磊 , 阮新波 , 王学华 , 等 . 基于PI调节器和电容电流反馈有源阻尼的LCL型并网逆变器闭环参数设计
[J]. 中国电机工程学报 , 2012 , 32 (25 ):133 -142 .
[本文引用: 1]
BAO Chenlei , RUAN Xinbo , WANG Xuehua , et al. Design of grid-connected inverters with LCL filter based on PI regulator and capacitor current feedback active damping
[J]. Proceedings of the CSEE , 2012 , 32 (25 ):133 -142 .
[本文引用: 1]
[14]
揭飞 , 陈国定 , 钟引帆 , 等 . 带LCL滤波的单相逆变器滑模控制
[J]. 太阳能学报 , 2017 , 38 (4 ):1032 -1038 .
[本文引用: 1]
JIE Fei , CHEN Guoding , ZHONG Yinfan , et al. Single-phase inverter sliding mode control with LCL filter
[J]. Acta Energiae Solaris Sinica , 2017 , 38 (4 ):1032 -1038 .
[本文引用: 1]
[15]
姜卫东 , 汪磊 , 皋艳 , 等 . 一种实现内环电流跟踪的改进无差拍控制方法
[J]. 中国电机工程学报 , 2017 , 37 (8 ):2370 -2382 .
[本文引用: 1]
JIANG Weidong , WANG Lei , GAO Yan , et al. An improved deadbeat control method to implement current tracking for inner loop
[J]. Proceedings of the CSEE , 2017 , 37 (8 ):2370 -2382 .
[本文引用: 1]
[16]
靳伟 , 李永丽 , 卜立之 , 等 . 基于CPT理论和重复控制的多功能并网逆变器研究
[J]. 电工技术学报 , 2018 , 33 (18 ):4346 -4356 .
[本文引用: 1]
JIN Wei , LI Yongli , BU Lizhi , et al. Research on multi-functional grid-connected inverters based on conservative power theory and repetitive control
[J]. Transactions of China Electrotechnical Society , 2018 , 33 (18 ):4346 -4356 .
[本文引用: 1]
[17]
张承慧 , 周江伟 , 杜春水 , 等 . 单相级联多电平光伏并网逆变器控制策略综述
[J]. 电源学报 , 2017 , 15 (1 ):1 -8 .
DOI:10.13234/j.issn.2095-2805.2017.1.1
[本文引用: 1]
级联多电平逆变器不仅能够实现各级光伏阵列的最大功率点跟踪,提高光伏利用率,而且具有系统开关损耗小、能量变换效率高以及并网电流谐波含量低等优势,在大规模光伏并网系统研究和工程应用领域备受青睐。综述了近年来级联多电平光伏并网逆变器控制策略的研究成果,依据各个级联单元的调制比配置方式不同,将变换器的功率平衡控制策略分成了三类,在分析各类控制原理和特点基础上,推导出了系统功率平衡控制策略的约束条件公式,进而指出了级联多电平光伏并网逆变器拓扑结构和控制策略的改进方法。
ZHANG Chenghui , ZHOU Jiangwei , DU Chunshui , et al. Review of control strategies of single-phase cascaded H-bridge multilevel inverter for grid-connected photovoltaic systems
[J]. Journal of Power Supply , 2017 , 15 (1 ):1 -8 .
DOI:10.13234/j.issn.2095-2805.2017.1.1
[本文引用: 1]
Cascaded H-bridge multilevel inverters can not only implement the distributed maximum power point track(MPPT)with high photovoltaic utilization, but also decrease the switching losses, improve the inverter efficiency and output waveforms quality, which is popular in the field of large-scale photovoltaic(PV)grid-connected system research and engineering applications. Firstly, a cascade multilevel photovoltaic grid inverter control strategies are reviewed in recent year. Secondly, the power balance control strategies of the converter are divided into three categories for the different modular modulation ways, and their control principles and characteristics are analyzed in detail. Then the power imbalance constraints of various control strategies are derived. Lastly, methods of improving the topology and control strategies of cascaded H-bridge multilevel inverter are presented.
[18]
刘红 , 张晓忠 , 李赟 . 应用于三相并网逆变器的比例双谐振控制器
[J]. 中国电机工程学报 , 2015 , 35 (8 ):2026 -2032 .
[本文引用: 1]
LIU Hong , ZHANG Xiaozhong , LI Yun . Proportional dual-resonant controllers applied in three-phase grid-connected inverters
[J]. Proceedings of the CSEE , 2015 , 35 (8 ):2026 -2032 .
[本文引用: 1]
[19]
HAN Yang , XU Fang , YANG Ping , et al. Stability analysis of digital-controlled single-phase inverter with synchronous reference frame voltage control
[J]. IEEE Transactions on Power Electronics , 2018 , 33 (7 ):6333 -6350 .
DOI:10.1109/TPEL.2017.2746743
URL
[本文引用: 1]
[20]
PAIKRAY A , MOHANTY B . A new multicarrier SPWM technique for five level cascaded H-bridge inverter
[C]// 2014 International Conference on Green Computing Communication and Electrical Engineering (ICGCCEE) , March 6-8,2014 ,Coimbatore,India. IEEE, 2014 :1 -6 .
[本文引用: 1]
分布式光储微电网系统并网控制策略研究
1
2017
... 近年来随着人们对绿色、高效能源需求的增长,高性能逆变电源已然成为电力电子科学技术领域的一个研究热点,是并网与离网供电系统中电力电子装置的核心;同时各种电气设备对电源的要求越来越高,高压直流输电、大型船舶、雷达、光伏逆变器、大功率电动机、舰载飞机等各种系统都需要可靠、高质量的大功率电源逆变系统[1 ⇓ ⇓ -4 ] .然而,直流侧电压波动以及负载变化对逆变电源输出的影响,导致电源的输出控制性能不好.因此,研究出一种具有良好输出波形质量和强鲁棒性的逆变电源系统具有重要的现实意义. ...
Research on grid-connected control strategy of distributed PV-storage microgrid system
1
2017
... 近年来随着人们对绿色、高效能源需求的增长,高性能逆变电源已然成为电力电子科学技术领域的一个研究热点,是并网与离网供电系统中电力电子装置的核心;同时各种电气设备对电源的要求越来越高,高压直流输电、大型船舶、雷达、光伏逆变器、大功率电动机、舰载飞机等各种系统都需要可靠、高质量的大功率电源逆变系统[1 ⇓ ⇓ -4 ] .然而,直流侧电压波动以及负载变化对逆变电源输出的影响,导致电源的输出控制性能不好.因此,研究出一种具有良好输出波形质量和强鲁棒性的逆变电源系统具有重要的现实意义. ...
混合级联逆变器的混合频率载波调制技术
1
2017
... 近年来随着人们对绿色、高效能源需求的增长,高性能逆变电源已然成为电力电子科学技术领域的一个研究热点,是并网与离网供电系统中电力电子装置的核心;同时各种电气设备对电源的要求越来越高,高压直流输电、大型船舶、雷达、光伏逆变器、大功率电动机、舰载飞机等各种系统都需要可靠、高质量的大功率电源逆变系统[1 ⇓ ⇓ -4 ] .然而,直流侧电压波动以及负载变化对逆变电源输出的影响,导致电源的输出控制性能不好.因此,研究出一种具有良好输出波形质量和强鲁棒性的逆变电源系统具有重要的现实意义. ...
Hybrid frequency carrier modulation technique for hybrid inverter
1
2017
... 近年来随着人们对绿色、高效能源需求的增长,高性能逆变电源已然成为电力电子科学技术领域的一个研究热点,是并网与离网供电系统中电力电子装置的核心;同时各种电气设备对电源的要求越来越高,高压直流输电、大型船舶、雷达、光伏逆变器、大功率电动机、舰载飞机等各种系统都需要可靠、高质量的大功率电源逆变系统[1 ⇓ ⇓ -4 ] .然而,直流侧电压波动以及负载变化对逆变电源输出的影响,导致电源的输出控制性能不好.因此,研究出一种具有良好输出波形质量和强鲁棒性的逆变电源系统具有重要的现实意义. ...
Development of a new hybrid multilevel inverter using modified carrier spwm switching strategy
1
2018
... 近年来随着人们对绿色、高效能源需求的增长,高性能逆变电源已然成为电力电子科学技术领域的一个研究热点,是并网与离网供电系统中电力电子装置的核心;同时各种电气设备对电源的要求越来越高,高压直流输电、大型船舶、雷达、光伏逆变器、大功率电动机、舰载飞机等各种系统都需要可靠、高质量的大功率电源逆变系统[1 ⇓ ⇓ -4 ] .然而,直流侧电压波动以及负载变化对逆变电源输出的影响,导致电源的输出控制性能不好.因此,研究出一种具有良好输出波形质量和强鲁棒性的逆变电源系统具有重要的现实意义. ...
电力电子技术在高压直流输电中的应用
1
2017
... 近年来随着人们对绿色、高效能源需求的增长,高性能逆变电源已然成为电力电子科学技术领域的一个研究热点,是并网与离网供电系统中电力电子装置的核心;同时各种电气设备对电源的要求越来越高,高压直流输电、大型船舶、雷达、光伏逆变器、大功率电动机、舰载飞机等各种系统都需要可靠、高质量的大功率电源逆变系统[1 ⇓ ⇓ -4 ] .然而,直流侧电压波动以及负载变化对逆变电源输出的影响,导致电源的输出控制性能不好.因此,研究出一种具有良好输出波形质量和强鲁棒性的逆变电源系统具有重要的现实意义. ...
Application of power electronics technology in HVDC transmission
1
2017
... 近年来随着人们对绿色、高效能源需求的增长,高性能逆变电源已然成为电力电子科学技术领域的一个研究热点,是并网与离网供电系统中电力电子装置的核心;同时各种电气设备对电源的要求越来越高,高压直流输电、大型船舶、雷达、光伏逆变器、大功率电动机、舰载飞机等各种系统都需要可靠、高质量的大功率电源逆变系统[1 ⇓ ⇓ -4 ] .然而,直流侧电压波动以及负载变化对逆变电源输出的影响,导致电源的输出控制性能不好.因此,研究出一种具有良好输出波形质量和强鲁棒性的逆变电源系统具有重要的现实意义. ...
High reliability and efficiency single-phase transformerless inverter for grid-connected photovoltaic systems
1
2012
... 单相逆变电源大体上可分为单级式单相逆变电源和级联式单相逆变电源两大类.单级式逆变电源仅由一级单相逆变器构成,只进行一次电能的变换,此种电路结构简单,控制简易,但是在输入电压的波动范围较大时,逆变电源易受到电压波动的影响,电压输出波形变差且控制上优化能力受限[5 ] .级联式单相逆变电源按照结构上不同大体上可分为飞跨电容型、二极管钳位型、级联H桥(Cascaded H-bridge,CHB)型等.由于级联H桥型逆变电源具有易于模块化、不需要考虑电容均压、控制简单、输出电压波形质量好等优点,在大功率逆变电源中得到了广泛的应用[6 -7 ] . ...
Theoretical har-monic analysis of cascaded H-bridge inverter under hybrid pulsewidth multilevel modulation
1
2016
... 单相逆变电源大体上可分为单级式单相逆变电源和级联式单相逆变电源两大类.单级式逆变电源仅由一级单相逆变器构成,只进行一次电能的变换,此种电路结构简单,控制简易,但是在输入电压的波动范围较大时,逆变电源易受到电压波动的影响,电压输出波形变差且控制上优化能力受限[5 ] .级联式单相逆变电源按照结构上不同大体上可分为飞跨电容型、二极管钳位型、级联H桥(Cascaded H-bridge,CHB)型等.由于级联H桥型逆变电源具有易于模块化、不需要考虑电容均压、控制简单、输出电压波形质量好等优点,在大功率逆变电源中得到了广泛的应用[6 -7 ] . ...
Optimum pulse-width modulation strategy for a symmetric cascaded multilevel inverter
1
2020
... 单相逆变电源大体上可分为单级式单相逆变电源和级联式单相逆变电源两大类.单级式逆变电源仅由一级单相逆变器构成,只进行一次电能的变换,此种电路结构简单,控制简易,但是在输入电压的波动范围较大时,逆变电源易受到电压波动的影响,电压输出波形变差且控制上优化能力受限[5 ] .级联式单相逆变电源按照结构上不同大体上可分为飞跨电容型、二极管钳位型、级联H桥(Cascaded H-bridge,CHB)型等.由于级联H桥型逆变电源具有易于模块化、不需要考虑电容均压、控制简单、输出电压波形质量好等优点,在大功率逆变电源中得到了广泛的应用[6 -7 ] . ...
基于改进阶梯波调制的链式STATCOM直流电容电压平衡策略
1
2018
... 由于级联H桥逆变电源本质上属于一种多电平变换器,所以脉宽调制就成为了研究中的关键问题,它不仅能够影响系统开关损耗,也能够提高系统效率,目前针对级联H桥逆变器的调制方法主要有低频调制和高频调制两种.低频调制主要有选择性谐波消除法和阶梯波调制法两种[8 -9 ] ,但是选择性谐波消除法只能用于开环调制,阶梯波调制法输出电压谐波畸变率(Total harmonic distortion,THD)含量较高.高频调制策略主要有载波移相调制法(Carrier phase shifting pulse width modulation,CPS-PWM)[10 ] 和载波移幅调制法(Phase disposition pulse width modulation,PD-PWM)[11 ] ,由于高频调制使逆变器工作在较高频率下,所以具有输出电压THD值低的优点.在CPS-PWM和PD-PWM中,PD-PWM相比之下具有最优输出电压谐波特性,同时操作简单而受到广泛关注[12 ] ,但是输出时基波含量比较小,谐波含量依然比较高,这将影响其在中高性能大功率设备的推广应用. ...
DC capacitor voltage balance strategy for cascade STATCOM based on modified ladder wave modulation
1
2018
... 由于级联H桥逆变电源本质上属于一种多电平变换器,所以脉宽调制就成为了研究中的关键问题,它不仅能够影响系统开关损耗,也能够提高系统效率,目前针对级联H桥逆变器的调制方法主要有低频调制和高频调制两种.低频调制主要有选择性谐波消除法和阶梯波调制法两种[8 -9 ] ,但是选择性谐波消除法只能用于开环调制,阶梯波调制法输出电压谐波畸变率(Total harmonic distortion,THD)含量较高.高频调制策略主要有载波移相调制法(Carrier phase shifting pulse width modulation,CPS-PWM)[10 ] 和载波移幅调制法(Phase disposition pulse width modulation,PD-PWM)[11 ] ,由于高频调制使逆变器工作在较高频率下,所以具有输出电压THD值低的优点.在CPS-PWM和PD-PWM中,PD-PWM相比之下具有最优输出电压谐波特性,同时操作简单而受到广泛关注[12 ] ,但是输出时基波含量比较小,谐波含量依然比较高,这将影响其在中高性能大功率设备的推广应用. ...
基于随机牛顿法(SNM)的级联多电平逆变器特定谐波消除
1
2017
... 由于级联H桥逆变电源本质上属于一种多电平变换器,所以脉宽调制就成为了研究中的关键问题,它不仅能够影响系统开关损耗,也能够提高系统效率,目前针对级联H桥逆变器的调制方法主要有低频调制和高频调制两种.低频调制主要有选择性谐波消除法和阶梯波调制法两种[8 -9 ] ,但是选择性谐波消除法只能用于开环调制,阶梯波调制法输出电压谐波畸变率(Total harmonic distortion,THD)含量较高.高频调制策略主要有载波移相调制法(Carrier phase shifting pulse width modulation,CPS-PWM)[10 ] 和载波移幅调制法(Phase disposition pulse width modulation,PD-PWM)[11 ] ,由于高频调制使逆变器工作在较高频率下,所以具有输出电压THD值低的优点.在CPS-PWM和PD-PWM中,PD-PWM相比之下具有最优输出电压谐波特性,同时操作简单而受到广泛关注[12 ] ,但是输出时基波含量比较小,谐波含量依然比较高,这将影响其在中高性能大功率设备的推广应用. ...
Selected harmonic elimination in cascaded multi-level voltage inverters based on the stochastic Newton method (SNM)
1
2017
... 由于级联H桥逆变电源本质上属于一种多电平变换器,所以脉宽调制就成为了研究中的关键问题,它不仅能够影响系统开关损耗,也能够提高系统效率,目前针对级联H桥逆变器的调制方法主要有低频调制和高频调制两种.低频调制主要有选择性谐波消除法和阶梯波调制法两种[8 -9 ] ,但是选择性谐波消除法只能用于开环调制,阶梯波调制法输出电压谐波畸变率(Total harmonic distortion,THD)含量较高.高频调制策略主要有载波移相调制法(Carrier phase shifting pulse width modulation,CPS-PWM)[10 ] 和载波移幅调制法(Phase disposition pulse width modulation,PD-PWM)[11 ] ,由于高频调制使逆变器工作在较高频率下,所以具有输出电压THD值低的优点.在CPS-PWM和PD-PWM中,PD-PWM相比之下具有最优输出电压谐波特性,同时操作简单而受到广泛关注[12 ] ,但是输出时基波含量比较小,谐波含量依然比较高,这将影响其在中高性能大功率设备的推广应用. ...
直流电压不均衡的级联H桥多电平变频器载波移相PWM调制策略的设计
1
2016
... 由于级联H桥逆变电源本质上属于一种多电平变换器,所以脉宽调制就成为了研究中的关键问题,它不仅能够影响系统开关损耗,也能够提高系统效率,目前针对级联H桥逆变器的调制方法主要有低频调制和高频调制两种.低频调制主要有选择性谐波消除法和阶梯波调制法两种[8 -9 ] ,但是选择性谐波消除法只能用于开环调制,阶梯波调制法输出电压谐波畸变率(Total harmonic distortion,THD)含量较高.高频调制策略主要有载波移相调制法(Carrier phase shifting pulse width modulation,CPS-PWM)[10 ] 和载波移幅调制法(Phase disposition pulse width modulation,PD-PWM)[11 ] ,由于高频调制使逆变器工作在较高频率下,所以具有输出电压THD值低的优点.在CPS-PWM和PD-PWM中,PD-PWM相比之下具有最优输出电压谐波特性,同时操作简单而受到广泛关注[12 ] ,但是输出时基波含量比较小,谐波含量依然比较高,这将影响其在中高性能大功率设备的推广应用. ...
Design for phase-shifted carrier pulse width modulation of cascaded H-bridge multi-level inverters with non-equal DC voltages
1
2016
... 由于级联H桥逆变电源本质上属于一种多电平变换器,所以脉宽调制就成为了研究中的关键问题,它不仅能够影响系统开关损耗,也能够提高系统效率,目前针对级联H桥逆变器的调制方法主要有低频调制和高频调制两种.低频调制主要有选择性谐波消除法和阶梯波调制法两种[8 -9 ] ,但是选择性谐波消除法只能用于开环调制,阶梯波调制法输出电压谐波畸变率(Total harmonic distortion,THD)含量较高.高频调制策略主要有载波移相调制法(Carrier phase shifting pulse width modulation,CPS-PWM)[10 ] 和载波移幅调制法(Phase disposition pulse width modulation,PD-PWM)[11 ] ,由于高频调制使逆变器工作在较高频率下,所以具有输出电压THD值低的优点.在CPS-PWM和PD-PWM中,PD-PWM相比之下具有最优输出电压谐波特性,同时操作简单而受到广泛关注[12 ] ,但是输出时基波含量比较小,谐波含量依然比较高,这将影响其在中高性能大功率设备的推广应用. ...
Generalized theory of phase-shifted carrier PWM for cascaded H-bridge converters and modular multilevel converters
1
2016
... 由于级联H桥逆变电源本质上属于一种多电平变换器,所以脉宽调制就成为了研究中的关键问题,它不仅能够影响系统开关损耗,也能够提高系统效率,目前针对级联H桥逆变器的调制方法主要有低频调制和高频调制两种.低频调制主要有选择性谐波消除法和阶梯波调制法两种[8 -9 ] ,但是选择性谐波消除法只能用于开环调制,阶梯波调制法输出电压谐波畸变率(Total harmonic distortion,THD)含量较高.高频调制策略主要有载波移相调制法(Carrier phase shifting pulse width modulation,CPS-PWM)[10 ] 和载波移幅调制法(Phase disposition pulse width modulation,PD-PWM)[11 ] ,由于高频调制使逆变器工作在较高频率下,所以具有输出电压THD值低的优点.在CPS-PWM和PD-PWM中,PD-PWM相比之下具有最优输出电压谐波特性,同时操作简单而受到广泛关注[12 ] ,但是输出时基波含量比较小,谐波含量依然比较高,这将影响其在中高性能大功率设备的推广应用. ...
级联多电平逆变器最优SPWM控制策略及其功率均衡方法
1
2009
... 由于级联H桥逆变电源本质上属于一种多电平变换器,所以脉宽调制就成为了研究中的关键问题,它不仅能够影响系统开关损耗,也能够提高系统效率,目前针对级联H桥逆变器的调制方法主要有低频调制和高频调制两种.低频调制主要有选择性谐波消除法和阶梯波调制法两种[8 -9 ] ,但是选择性谐波消除法只能用于开环调制,阶梯波调制法输出电压谐波畸变率(Total harmonic distortion,THD)含量较高.高频调制策略主要有载波移相调制法(Carrier phase shifting pulse width modulation,CPS-PWM)[10 ] 和载波移幅调制法(Phase disposition pulse width modulation,PD-PWM)[11 ] ,由于高频调制使逆变器工作在较高频率下,所以具有输出电压THD值低的优点.在CPS-PWM和PD-PWM中,PD-PWM相比之下具有最优输出电压谐波特性,同时操作简单而受到广泛关注[12 ] ,但是输出时基波含量比较小,谐波含量依然比较高,这将影响其在中高性能大功率设备的推广应用. ...
Optimal SPWM control strategy and its power balance scheme for cascaded multilevel inverters
1
2009
... 由于级联H桥逆变电源本质上属于一种多电平变换器,所以脉宽调制就成为了研究中的关键问题,它不仅能够影响系统开关损耗,也能够提高系统效率,目前针对级联H桥逆变器的调制方法主要有低频调制和高频调制两种.低频调制主要有选择性谐波消除法和阶梯波调制法两种[8 -9 ] ,但是选择性谐波消除法只能用于开环调制,阶梯波调制法输出电压谐波畸变率(Total harmonic distortion,THD)含量较高.高频调制策略主要有载波移相调制法(Carrier phase shifting pulse width modulation,CPS-PWM)[10 ] 和载波移幅调制法(Phase disposition pulse width modulation,PD-PWM)[11 ] ,由于高频调制使逆变器工作在较高频率下,所以具有输出电压THD值低的优点.在CPS-PWM和PD-PWM中,PD-PWM相比之下具有最优输出电压谐波特性,同时操作简单而受到广泛关注[12 ] ,但是输出时基波含量比较小,谐波含量依然比较高,这将影响其在中高性能大功率设备的推广应用. ...
基于PI调节器和电容电流反馈有源阻尼的LCL型并网逆变器闭环参数设计
1
2012
... 级联H桥型单相逆变电源可以看成几个单相逆变电源输出之和的叠加,因此其控制策略与单相逆变电源控制策略类似,目前对其控制策略的研究方法主要有PI控制[13 ] 、滑模控制[14 ] 、无差拍控制[15 ] 、重复控制[16 ] 等.这些方法大多表现出良好的性能,能够输出较低的总谐波失真电压波形,并且在负载为线性负载时,能够确保快速的动态响应和减小稳态误差.然而,对于非线性负载,这些控制方法输出的电压波形含有较高的THD和较大的稳态误差,并不能满足零稳态误差的要求.文献[17 -18 ]指出PR控制可以对逆变电源输出特定频率的正弦交流信号,做到无稳态误差控制,但是PR控制需要离散化处理,对控制器的运算速度和精度要求比较高,同时PR控制的动态特性不如PI控制.为了满足逆变电源的快速动态响应和消除稳态误差,矢量控制应运而生,并成为高性能逆变电源未来发展方向之一[19 ] .同时,PI控制理论成熟,设计方法简单,常用于逆变器控制中,但是PI控制方式无法对交流信号做到无稳态误差控制. ...
Design of grid-connected inverters with LCL filter based on PI regulator and capacitor current feedback active damping
1
2012
... 级联H桥型单相逆变电源可以看成几个单相逆变电源输出之和的叠加,因此其控制策略与单相逆变电源控制策略类似,目前对其控制策略的研究方法主要有PI控制[13 ] 、滑模控制[14 ] 、无差拍控制[15 ] 、重复控制[16 ] 等.这些方法大多表现出良好的性能,能够输出较低的总谐波失真电压波形,并且在负载为线性负载时,能够确保快速的动态响应和减小稳态误差.然而,对于非线性负载,这些控制方法输出的电压波形含有较高的THD和较大的稳态误差,并不能满足零稳态误差的要求.文献[17 -18 ]指出PR控制可以对逆变电源输出特定频率的正弦交流信号,做到无稳态误差控制,但是PR控制需要离散化处理,对控制器的运算速度和精度要求比较高,同时PR控制的动态特性不如PI控制.为了满足逆变电源的快速动态响应和消除稳态误差,矢量控制应运而生,并成为高性能逆变电源未来发展方向之一[19 ] .同时,PI控制理论成熟,设计方法简单,常用于逆变器控制中,但是PI控制方式无法对交流信号做到无稳态误差控制. ...
带LCL滤波的单相逆变器滑模控制
1
2017
... 级联H桥型单相逆变电源可以看成几个单相逆变电源输出之和的叠加,因此其控制策略与单相逆变电源控制策略类似,目前对其控制策略的研究方法主要有PI控制[13 ] 、滑模控制[14 ] 、无差拍控制[15 ] 、重复控制[16 ] 等.这些方法大多表现出良好的性能,能够输出较低的总谐波失真电压波形,并且在负载为线性负载时,能够确保快速的动态响应和减小稳态误差.然而,对于非线性负载,这些控制方法输出的电压波形含有较高的THD和较大的稳态误差,并不能满足零稳态误差的要求.文献[17 -18 ]指出PR控制可以对逆变电源输出特定频率的正弦交流信号,做到无稳态误差控制,但是PR控制需要离散化处理,对控制器的运算速度和精度要求比较高,同时PR控制的动态特性不如PI控制.为了满足逆变电源的快速动态响应和消除稳态误差,矢量控制应运而生,并成为高性能逆变电源未来发展方向之一[19 ] .同时,PI控制理论成熟,设计方法简单,常用于逆变器控制中,但是PI控制方式无法对交流信号做到无稳态误差控制. ...
Single-phase inverter sliding mode control with LCL filter
1
2017
... 级联H桥型单相逆变电源可以看成几个单相逆变电源输出之和的叠加,因此其控制策略与单相逆变电源控制策略类似,目前对其控制策略的研究方法主要有PI控制[13 ] 、滑模控制[14 ] 、无差拍控制[15 ] 、重复控制[16 ] 等.这些方法大多表现出良好的性能,能够输出较低的总谐波失真电压波形,并且在负载为线性负载时,能够确保快速的动态响应和减小稳态误差.然而,对于非线性负载,这些控制方法输出的电压波形含有较高的THD和较大的稳态误差,并不能满足零稳态误差的要求.文献[17 -18 ]指出PR控制可以对逆变电源输出特定频率的正弦交流信号,做到无稳态误差控制,但是PR控制需要离散化处理,对控制器的运算速度和精度要求比较高,同时PR控制的动态特性不如PI控制.为了满足逆变电源的快速动态响应和消除稳态误差,矢量控制应运而生,并成为高性能逆变电源未来发展方向之一[19 ] .同时,PI控制理论成熟,设计方法简单,常用于逆变器控制中,但是PI控制方式无法对交流信号做到无稳态误差控制. ...
一种实现内环电流跟踪的改进无差拍控制方法
1
2017
... 级联H桥型单相逆变电源可以看成几个单相逆变电源输出之和的叠加,因此其控制策略与单相逆变电源控制策略类似,目前对其控制策略的研究方法主要有PI控制[13 ] 、滑模控制[14 ] 、无差拍控制[15 ] 、重复控制[16 ] 等.这些方法大多表现出良好的性能,能够输出较低的总谐波失真电压波形,并且在负载为线性负载时,能够确保快速的动态响应和减小稳态误差.然而,对于非线性负载,这些控制方法输出的电压波形含有较高的THD和较大的稳态误差,并不能满足零稳态误差的要求.文献[17 -18 ]指出PR控制可以对逆变电源输出特定频率的正弦交流信号,做到无稳态误差控制,但是PR控制需要离散化处理,对控制器的运算速度和精度要求比较高,同时PR控制的动态特性不如PI控制.为了满足逆变电源的快速动态响应和消除稳态误差,矢量控制应运而生,并成为高性能逆变电源未来发展方向之一[19 ] .同时,PI控制理论成熟,设计方法简单,常用于逆变器控制中,但是PI控制方式无法对交流信号做到无稳态误差控制. ...
An improved deadbeat control method to implement current tracking for inner loop
1
2017
... 级联H桥型单相逆变电源可以看成几个单相逆变电源输出之和的叠加,因此其控制策略与单相逆变电源控制策略类似,目前对其控制策略的研究方法主要有PI控制[13 ] 、滑模控制[14 ] 、无差拍控制[15 ] 、重复控制[16 ] 等.这些方法大多表现出良好的性能,能够输出较低的总谐波失真电压波形,并且在负载为线性负载时,能够确保快速的动态响应和减小稳态误差.然而,对于非线性负载,这些控制方法输出的电压波形含有较高的THD和较大的稳态误差,并不能满足零稳态误差的要求.文献[17 -18 ]指出PR控制可以对逆变电源输出特定频率的正弦交流信号,做到无稳态误差控制,但是PR控制需要离散化处理,对控制器的运算速度和精度要求比较高,同时PR控制的动态特性不如PI控制.为了满足逆变电源的快速动态响应和消除稳态误差,矢量控制应运而生,并成为高性能逆变电源未来发展方向之一[19 ] .同时,PI控制理论成熟,设计方法简单,常用于逆变器控制中,但是PI控制方式无法对交流信号做到无稳态误差控制. ...
基于CPT理论和重复控制的多功能并网逆变器研究
1
2018
... 级联H桥型单相逆变电源可以看成几个单相逆变电源输出之和的叠加,因此其控制策略与单相逆变电源控制策略类似,目前对其控制策略的研究方法主要有PI控制[13 ] 、滑模控制[14 ] 、无差拍控制[15 ] 、重复控制[16 ] 等.这些方法大多表现出良好的性能,能够输出较低的总谐波失真电压波形,并且在负载为线性负载时,能够确保快速的动态响应和减小稳态误差.然而,对于非线性负载,这些控制方法输出的电压波形含有较高的THD和较大的稳态误差,并不能满足零稳态误差的要求.文献[17 -18 ]指出PR控制可以对逆变电源输出特定频率的正弦交流信号,做到无稳态误差控制,但是PR控制需要离散化处理,对控制器的运算速度和精度要求比较高,同时PR控制的动态特性不如PI控制.为了满足逆变电源的快速动态响应和消除稳态误差,矢量控制应运而生,并成为高性能逆变电源未来发展方向之一[19 ] .同时,PI控制理论成熟,设计方法简单,常用于逆变器控制中,但是PI控制方式无法对交流信号做到无稳态误差控制. ...
Research on multi-functional grid-connected inverters based on conservative power theory and repetitive control
1
2018
... 级联H桥型单相逆变电源可以看成几个单相逆变电源输出之和的叠加,因此其控制策略与单相逆变电源控制策略类似,目前对其控制策略的研究方法主要有PI控制[13 ] 、滑模控制[14 ] 、无差拍控制[15 ] 、重复控制[16 ] 等.这些方法大多表现出良好的性能,能够输出较低的总谐波失真电压波形,并且在负载为线性负载时,能够确保快速的动态响应和减小稳态误差.然而,对于非线性负载,这些控制方法输出的电压波形含有较高的THD和较大的稳态误差,并不能满足零稳态误差的要求.文献[17 -18 ]指出PR控制可以对逆变电源输出特定频率的正弦交流信号,做到无稳态误差控制,但是PR控制需要离散化处理,对控制器的运算速度和精度要求比较高,同时PR控制的动态特性不如PI控制.为了满足逆变电源的快速动态响应和消除稳态误差,矢量控制应运而生,并成为高性能逆变电源未来发展方向之一[19 ] .同时,PI控制理论成熟,设计方法简单,常用于逆变器控制中,但是PI控制方式无法对交流信号做到无稳态误差控制. ...
单相级联多电平光伏并网逆变器控制策略综述
1
2017
... 级联H桥型单相逆变电源可以看成几个单相逆变电源输出之和的叠加,因此其控制策略与单相逆变电源控制策略类似,目前对其控制策略的研究方法主要有PI控制[13 ] 、滑模控制[14 ] 、无差拍控制[15 ] 、重复控制[16 ] 等.这些方法大多表现出良好的性能,能够输出较低的总谐波失真电压波形,并且在负载为线性负载时,能够确保快速的动态响应和减小稳态误差.然而,对于非线性负载,这些控制方法输出的电压波形含有较高的THD和较大的稳态误差,并不能满足零稳态误差的要求.文献[17 -18 ]指出PR控制可以对逆变电源输出特定频率的正弦交流信号,做到无稳态误差控制,但是PR控制需要离散化处理,对控制器的运算速度和精度要求比较高,同时PR控制的动态特性不如PI控制.为了满足逆变电源的快速动态响应和消除稳态误差,矢量控制应运而生,并成为高性能逆变电源未来发展方向之一[19 ] .同时,PI控制理论成熟,设计方法简单,常用于逆变器控制中,但是PI控制方式无法对交流信号做到无稳态误差控制. ...
Review of control strategies of single-phase cascaded H-bridge multilevel inverter for grid-connected photovoltaic systems
1
2017
... 级联H桥型单相逆变电源可以看成几个单相逆变电源输出之和的叠加,因此其控制策略与单相逆变电源控制策略类似,目前对其控制策略的研究方法主要有PI控制[13 ] 、滑模控制[14 ] 、无差拍控制[15 ] 、重复控制[16 ] 等.这些方法大多表现出良好的性能,能够输出较低的总谐波失真电压波形,并且在负载为线性负载时,能够确保快速的动态响应和减小稳态误差.然而,对于非线性负载,这些控制方法输出的电压波形含有较高的THD和较大的稳态误差,并不能满足零稳态误差的要求.文献[17 -18 ]指出PR控制可以对逆变电源输出特定频率的正弦交流信号,做到无稳态误差控制,但是PR控制需要离散化处理,对控制器的运算速度和精度要求比较高,同时PR控制的动态特性不如PI控制.为了满足逆变电源的快速动态响应和消除稳态误差,矢量控制应运而生,并成为高性能逆变电源未来发展方向之一[19 ] .同时,PI控制理论成熟,设计方法简单,常用于逆变器控制中,但是PI控制方式无法对交流信号做到无稳态误差控制. ...
应用于三相并网逆变器的比例双谐振控制器
1
2015
... 级联H桥型单相逆变电源可以看成几个单相逆变电源输出之和的叠加,因此其控制策略与单相逆变电源控制策略类似,目前对其控制策略的研究方法主要有PI控制[13 ] 、滑模控制[14 ] 、无差拍控制[15 ] 、重复控制[16 ] 等.这些方法大多表现出良好的性能,能够输出较低的总谐波失真电压波形,并且在负载为线性负载时,能够确保快速的动态响应和减小稳态误差.然而,对于非线性负载,这些控制方法输出的电压波形含有较高的THD和较大的稳态误差,并不能满足零稳态误差的要求.文献[17 -18 ]指出PR控制可以对逆变电源输出特定频率的正弦交流信号,做到无稳态误差控制,但是PR控制需要离散化处理,对控制器的运算速度和精度要求比较高,同时PR控制的动态特性不如PI控制.为了满足逆变电源的快速动态响应和消除稳态误差,矢量控制应运而生,并成为高性能逆变电源未来发展方向之一[19 ] .同时,PI控制理论成熟,设计方法简单,常用于逆变器控制中,但是PI控制方式无法对交流信号做到无稳态误差控制. ...
Proportional dual-resonant controllers applied in three-phase grid-connected inverters
1
2015
... 级联H桥型单相逆变电源可以看成几个单相逆变电源输出之和的叠加,因此其控制策略与单相逆变电源控制策略类似,目前对其控制策略的研究方法主要有PI控制[13 ] 、滑模控制[14 ] 、无差拍控制[15 ] 、重复控制[16 ] 等.这些方法大多表现出良好的性能,能够输出较低的总谐波失真电压波形,并且在负载为线性负载时,能够确保快速的动态响应和减小稳态误差.然而,对于非线性负载,这些控制方法输出的电压波形含有较高的THD和较大的稳态误差,并不能满足零稳态误差的要求.文献[17 -18 ]指出PR控制可以对逆变电源输出特定频率的正弦交流信号,做到无稳态误差控制,但是PR控制需要离散化处理,对控制器的运算速度和精度要求比较高,同时PR控制的动态特性不如PI控制.为了满足逆变电源的快速动态响应和消除稳态误差,矢量控制应运而生,并成为高性能逆变电源未来发展方向之一[19 ] .同时,PI控制理论成熟,设计方法简单,常用于逆变器控制中,但是PI控制方式无法对交流信号做到无稳态误差控制. ...
Stability analysis of digital-controlled single-phase inverter with synchronous reference frame voltage control
1
2018
... 级联H桥型单相逆变电源可以看成几个单相逆变电源输出之和的叠加,因此其控制策略与单相逆变电源控制策略类似,目前对其控制策略的研究方法主要有PI控制[13 ] 、滑模控制[14 ] 、无差拍控制[15 ] 、重复控制[16 ] 等.这些方法大多表现出良好的性能,能够输出较低的总谐波失真电压波形,并且在负载为线性负载时,能够确保快速的动态响应和减小稳态误差.然而,对于非线性负载,这些控制方法输出的电压波形含有较高的THD和较大的稳态误差,并不能满足零稳态误差的要求.文献[17 -18 ]指出PR控制可以对逆变电源输出特定频率的正弦交流信号,做到无稳态误差控制,但是PR控制需要离散化处理,对控制器的运算速度和精度要求比较高,同时PR控制的动态特性不如PI控制.为了满足逆变电源的快速动态响应和消除稳态误差,矢量控制应运而生,并成为高性能逆变电源未来发展方向之一[19 ] .同时,PI控制理论成熟,设计方法简单,常用于逆变器控制中,但是PI控制方式无法对交流信号做到无稳态误差控制. ...
A new multicarrier SPWM technique for five level cascaded H-bridge inverter
1
2014
... 综上所述,载波形状可以决定多电平输出波形中谐波的存在.若能够减小载波谐波以及边带谐波含量,则可以降低输出电压谐波含量.所使用的载波是两种波形的组合,其中上半部分为三角形,下半部分为梯形.在文献[20 ]所提载波的基础上,保证输出侧多电平电压波形THD含量最优的情况下,对载波在时间轴上和纵轴上的各部分比例进行了重组.重组后的改进载波相比于传统三角载波调制可以使CHB逆变器获得更好的输出电能质量,减小输出电压波形畸变.改进后的三角载波左右对称,其中t 1 、t 2 、t 3 之间的时间间隔比为1∶5∶1.改进后的表达式如式(11)所示,改进效果如图3 所示,其中A 为改进三角载波的幅值.图4 所示为改进后的载波移幅调制示意图,其调制策略与图2 类似,此处不再赘述. ...