电气工程学报, 2023, 18(3): 184-195 doi: 10.11985/2023.03.020

电力电子与电力传动

不平衡下电流源型PWM整流器无网侧电流传感器功率反馈控制策略*

黄勇军,, 郭强,, 李山, 程福泉

重庆理工大学重庆市能源互联网工程技术研究中心 重庆 400054

Power Feedback Control Strategy of Current Source PWM Rectifier Without Grid Side Current Sensor under Unbalanced Grid Voltage

HUANG Yongjun,, GUO Qiang,, LI Shan, CHENG Fuquan

Chongqing Energy Internet Engineering Technology Research Center, Chongqing University of Technology, Chongqing 400054

通讯作者: 郭强,男,1984年生,博士,副教授。主要研究方向为大功率变换器控制技术。E-mail:guoqiang@cqut.edu.cn

收稿日期: 2022-07-8   修回日期: 2023-04-14  

基金资助: * 重庆市教委科学技术研究计划资助项目(KJQN202001128)
重庆市教委科学技术研究计划资助项目(KJZD-K201901102)

Received: 2022-07-8   Revised: 2023-04-14  

作者简介 About authors

黄勇军,男,1996年生,硕士研究生。主要研究方向为大功率整流器及其控制。E-mail:huangyongjun@2020.cqut.edu.cn

摘要

三相脉宽调制电流源型整流器在电网电压不平衡时,传统直接功率控制会导致功率脉动、直流侧输出低频波动和网侧电流畸变严重等问题,影响整流器性能。针对上述问题,提出一种无需采集网侧电流的改进型直接功率反馈控制策略,使得整流器在理想电网和不平衡电网下都能够获得良好性能。首先建立电流源型整流器在电网电压不平衡时的数学模型,推导出直流侧输出电流与网侧电流的关系表达式,然后在有功控制环中增加反馈控制直接抑制低频脉动,同时在调制环节中引入陷波器,以此减小网侧电流谐波。最后通过Matlab/Simulink仿真和试验样机测试,比较两种功率控制方案,验证了所提改进控制策略的正确性和优越性。

关键词: 电网不平衡; 功率控制; 陷波器; 反馈控制; 网侧电流传感器

Abstract

When the three-phase pulse width modulation current source rectifier operate under unbalanced grid voltage conditions, the traditional direct power control will cause power pulsation, low frequency output fluctuations on the DC side, and serious grid side current distortion, which will affect the performance of the rectifier. An improved power feedback control strategy that doesn’t need to collect grid side current is proposed, so that the rectifier can achieve good performance in both ideal and unbalanced grids. A mathematical model of the current source rectifier is firstly established when the grid voltage is unbalanced, and the expression of the relationship between the DC side output current and the grid side current is derived. Then feedback control is added in the active control loop to directly suppress low frequency pulsation, and at the same time a notch filter is introduced in the modulation link to reduce grid side current harmonics. Through Matlab/Simulink simulation and experimental prototype testing and comparing the two power control schemes, the correctness and superiority of the proposed method are verified.

Keywords: Unbalanced grid voltage; power control; notch filter; feedback control; grid side current sensor

PDF (154458KB) 元数据 多维度评价 相关文章 导出 EndNote| Ris| Bibtex  收藏本文

本文引用格式

黄勇军, 郭强, 李山, 程福泉. 不平衡下电流源型PWM整流器无网侧电流传感器功率反馈控制策略*[J]. 电气工程学报, 2023, 18(3): 184-195 doi:10.11985/2023.03.020

HUANG Yongjun, GUO Qiang, LI Shan, CHENG Fuquan. Power Feedback Control Strategy of Current Source PWM Rectifier Without Grid Side Current Sensor under Unbalanced Grid Voltage[J]. Chinese Journal of Electrical Engineering, 2023, 18(3): 184-195 doi:10.11985/2023.03.020

1 引言

随着现代电网对电能质量要求的逐渐提高,有着天然低谐波含量优势的脉宽调制(Pulse width modulation,PWM)整流器得到了越来越多的关注与研究[1-3]。根据直流侧关键储能元件的不同可将PWM整流器分为电压源型整流器[4-5](Voltage source rectifier,VSR)和电流源型整流器(Current source rectifier,CSR),由于CSR无需预充电电路,同时直流侧供电可靠性高且能实现宽范围降压输出[6-8],已在数据中心供电[9]、超导储能[10]、电池组充电[11]、新能源发并网[12-14]等领域得到较为广泛的应用。

目前国内外针对CSR的研究主要还是考虑系统处于平衡电网条件下运行[15-17],但实际电网由于始终存在不同程度和样式的扰动,电压不平衡才是普遍存在的工况,这时若采用传统平衡工况下的控制策略,将导致CSR交直流侧波形发生畸变,从而严重影响整流器运行性能。因此需要对三相CSR不平衡工况下的控制策略进行研究,国内外研究人员已经提出了一些控制策略,主要分为电压电流矢量控制和直接功率控制(Direct power control,DPC)。文献[18]在模型预测控制的代价函数中加入网侧电流谐波抑制项,使CSR在不平衡工况下网侧电流仍高度正弦,但控制算法比较复杂;文献[19-20]通过对负序分量进行控制,抑制直流侧低频脉动,同时实现网侧电流正弦化,但对控制环路的设计缺少深入研究;文献[21]提出一种前馈控制策略,无需锁相环提取正负序分量,但未对系统动态响应进行分析;文献[22]根据瞬时功率理论设计了一种电流谐振控制器,该方法对输出电压低频脉动的抑制效果优异,但未考虑交流侧电流的控制;文献[23]提出了一种基于无功功率理论的直流侧低频脉动控制策略,改善了CSR的运行性能,但控制算法需要考虑多种无功功率运算工况,计算量较大。

本文首先建立三相CSR在电网电压不平衡时的数学模型,分析得到系统交、直侧出现谐波和脉动的原因,揭示传统功率环路控制存在的问题。提出一种无需采集网侧电流的改进型功率反馈控制策略,其中网侧电流利用CSR原理间接计算得到。在功率控制环路中利用反馈谐振环节抑制低频脉动;设计陷波器消除调制环节中的低次谐波,提高了网侧电流正弦度。最后通过仿真和试验对传统功率控制和本文所提出的方法进行验证。

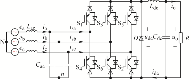
2 CSR系统工作分析

三相CSR的拓扑如图1所示,其中ekikisk(k=a,b,c)分别为电网电压、网侧电流和交流侧电流。交流侧采用LC滤波电路,LdcCdc分别为直流侧电感和电容,D为续流二极管,R为负载电阻。udcidc分别为直流侧输出电压和电流,uoio分别为负载电压和电流。

图1

图1   电流源型PWM整流器拓扑图


在不平衡工况下CSR不含零序分量,电网电压可表示为

eaebec=Epsin(ωt+αp)Epsin(ωt120°+αp)Epsin(ωt+120°+αp)+Ensin(ωt+αn)Ensin(ωt+120°+αn)Ensin(ωt120°+αn)

式中,EpEn为电压正负序分量幅值;ω为电压基波角频率;αpαn为初始相位角。

利用Clarke变换得到αβ坐标下电网电压、电流分量,则网侧瞬时功率可由式(2)表示,有功和无功功率中均存在二倍频分量。

p(t)=po+pc2cos(2ωt)+ps2sin(2ωt)q(t)=qo+qc2cos(2ωt)+qs2sin(2ωt)

其中

popc2ps2qoqc2qs2=1.5eα+eβ+eαeβeαeβeα+eβ+eβeαeβ+eα+eβ+eα+eβeαeβeαeβ+eα+eαeβeα+eβ+iα+iβ+iαiβ

式中,e+ α、e+ β、e- α、e- β为电压正负序分量;i+ α、i+ β、i- α、i- β为电流正负序分量。

忽略系统损耗,根据功率守恒原理可知直流侧电压电流表达式为

udc=Udc+udc1cos(2ωt)+udc2sin(2ωt)idc=Idc+idc1cos(2ωt)+idc2sin(2ωt)

式中,UdcIdc分别为输出电压、电流平均值;udc1udc2、idc1idc2分别为二次电压与电流谐波二倍频分量幅值。

三相CSR需要采用三值逻辑PWM信号发生技术实现交流侧电流PWM控制,三值逻辑开关函数σk(k=a,b,c)描述为

σk=101  

当开关频率足够高时可忽略σk中的谐波分量,即令

σa(t)=msin(ωt+φ)σb(t)=msin(ωt+φ120°)σc(t)=msin(ωt+φ+120°)

式中,m(0≤m≤1)为调制因数;φ为基波初始相角。

由CSR运行原理可知在稳态条件下网侧电流的表达式为

ik=σk(t)idc=msin(ωt+φ)idc=mIdc+idc1cos(2ωt)+idc2sin(2ωt)sin(ωt+φ)=mIdcsin(ωt+φ)+idc12sin(3ωt+φ)sin(ωtφ)idc22cos(3ωt+φ)cos(ωtφ)

式(6)表明在不平衡工况下也会导致CSR网侧电流产生三次谐波。

3 不平衡电网电压下CSR控制策略

3.1 传统DPC控制方案(方案1)

传统CSR直接功率控制方案通过电网电压和网侧电流计算得到PsQs,接着将交直流侧得到的两个有功相比较得到误差信号,利用PI控制器得到d轴信号。为了保证系统单位功率因数运行将Qs*设为0,与Qs比较后通过PI控制器得到q轴信号。同时为了有效抑制整流器输入侧LC滤波器产生的并联谐振,引入电容电压反馈有源阻尼环路,最终得到交流侧电流idq,通过坐标变换和空间矢量调制(Space vector modulation,SVM)得到PWM信号驱动功率管动作。系统控制框图如图2所示,其中在αβ坐标下网侧瞬时功率计算式如式(7)所示

Ps=1.5(eαiα+eβiβ)Qs=1.5(eβiαeαiβ)

图2

图2   方案1控制框图


在电网电压不平衡的工况下,由于电网电压负序分量的影响,系统有功和无功功率出现二倍频脉动,只采用PI控制器无法实现零误差跟踪。方案1存在以下问题:① 无法实现对直流侧输出脉动和网侧电流低次谐波的控制;② 需要的电流传感器数量多,成本高。

3.2 提出的改进型控制方案(方案2)

本文提出一种改进型控制方案,对有功功率中的低频脉动分量进行抑制,再由功率守恒可知直流侧输出低频波动将得到抑制;在调制环节中利用陷波器减轻调制信号中谐波对网侧电流的影响,提高网侧电流波形质量。同时相较于方案1,利用三相CSR工作原理,通过直流侧输出电流、开关函数以及电网电压间接计算出网侧电流量,无需电流传感器就可以得到功率计算所需要的电流分量。

根据三相CSR PWM三值逻辑开关函数波形发生规律,总结得到9种开关模式,如表1所示。

表1   三相CSR PWM开关模式

开关模式导通器件开关函数σaσbσc
1S1、D1、S6、D61-10
2S3、D3、S4、D4-110
3S3、D3、S2、D201-1
4S5、D5、S6、D60-11
5S5、D5、S4、D4-101
6S1、D1、S2、D210-1
7S1、D1、S4、D4000
8S3、D3、S6、D6000
9S5、D5、S2、D2000

新窗口打开| 下载CSV


表2所示,由三相CSR运行原理可知在9种不同开关模式调制时isaisbisc的值。

表2   三相CSR不同开关模式时交流侧电流取值

开关函数σaσbσcisaisbisc开关函数σaσbσcisaisbisc
1-10idc-idc0-101-idc0idc
-110-idcidc010-1idc0-idc
01-10idc-idc000000
0-110-idcidc

新窗口打开| 下载CSV


Clarke变换矩阵为

Cabc/αβ=231121203232

αβ坐标系下,不同开关状态调制时有以下几种情况。

(1) 开关函数σaσbσc为1-10时

i=23(idc+12idc)=idci=23(032idc)=33idc

(2) 开关函数σaσbσc为-110时

i=23(idc12idc)=idci=23(0+32idc)=33idc

(3) 开关函数σaσbσc为01-1时

i=23(12idc+12idc)=0i=23(32idc+32idc)=233idc

(4) 开关函数σaσbσc为0-11时

i=23(12idc12idc)=0i=23(32idc32idc)=233idc

(5) 开关函数σaσbσc为-101时

i=23(idc12idc)=idci=23(032idc)=33idc

(6) 开关函数σaσbσc为10-1时

i=23(idc+12idc)=idci=23(0+32idc)=33idc

(7) 开关函数σaσbσc为000时

i=0i=0

则三相CSR交流侧电流和开关函数的关系如式(16)所示

i=12idc(σaσbσc)i=33idc(σbσc)

αβ坐标系下,交流侧滤波电容电流可表示为

i=Cacdudt=Cacωui=Cacdudt=Cacωu

式中,uu为交流侧滤波电容电压,由于交流侧滤波电感较小,因此CSR稳态运行时交流侧滤波电容电压与电网电压近似相等,即ueαueβ

结合式(5)、(16)、(17)可计算得到网侧电流为

iα=i+iiβ=i+i

方案2控制系统原理框图如图3所示,通过直流侧输出电流、开关函数和电网电压计算出网侧电流,接着再计算得到PsQsPs和直流侧环路得到的Ps*比较得到误差信号,再经过改进功率控制器后得到交流侧d轴信号,Qs*依旧设为0,通过比较控制后得到q轴信号;结合电容电压反馈有源阻尼项得到新的交流侧电流idq。最后通过坐标变换和陷波器后,利用SVM得到驱动功率管的开关通断信号。

图3

图3   方案2控制框图


4 环路控制器分析与设计

4.1 谐振抑制控制器设计

在不平衡工况时,由于PWM谐波的影响,三相CSR交流侧LC滤波电路易产生并联谐振,可设计有源阻尼环路对谐振进行抑制,如图4所示为一种电容电压反馈环路,KCv为反馈增益。高通滤波器(High pass filter,HPF)传递函数取为s/(s+ωh),其中ωh取1 036 rad/s,可以得到谐振频率周围的谐波。

图4

图4   电容电压反馈有源阻尼策略


网侧电流相对于交流侧电流的传递函数为

Gksk(s)=ikisk=A1s+A0B3s3+B2s2+B1s+B0

式中,A1=1,A0=ωhB3=LacCacB2=KCvLac+LacCacωhB1=1,B0=ωh

通过合理设置反馈增益可以改变系统阻尼,由图5可知KCv能有效抑制LC谐振尖峰,但过大的KCv会影响系统响应速度[14],综合考虑,选择KCv=0.25。

图5

图5   Gksk(s)的Bode图和阶跃响应


4.2 功率环控制器分析

电网电压不平衡工况下,有功功率、无功功率和网侧电流三者不能同时实现良好控制[24],本文选取瞬时有功功率、直流侧输出电压和网侧电流作为控制目标。针对传统DPC控制策略不能实现抑制有功脉动的问题,提出一种改进型功率反馈控制方案,通过直接控制有功功率变量使得有功二倍频分量得到抑制,控制框图如图6所示,Em表示电网电压峰值。

图6

图6   有功功率控制框图


反馈控制器Gc(s)为

Gc(s)=krss2+4ω2

式中,kr为谐振增益。

功率开环控制函数可表示为

FP(s)=(kps+ki)(s2+4ω2)(s2+4ω2)s1.5EmG(s)+krs2

式中,kpki分别为PI控制器比例、积分系数。

继续将式(21)整理得到

FP(s)=b4s4+b3s3+b2s2+b1s1+b0a6s6+a5s5+a4s4+a3s3+a2s2+a1s1+a0

式中,b4 = 1.5Emkpb3=1.5Em(kpωh + ki),b2 = 1.5Em(4ω2kp+kiωh),b1 = 1.5Em4ω2(kpωh + ki), b0 = 1.5Em4ω2kiωha6 = LacCaca5 = Lac(KCv + Cacωh), a4 = 1+LacCacωha3 = ωh + 4ω2(KCvLac + LacCacωh+1.5Emkr), a2 = 4ω2 + 1.5Emkrωha1 = 4ω2ωha0 = 0。

为了兼顾系统稳态和动态性能,选取系统带宽为2 000 Hz,得到kp为0.004,ki为0.15,当kr取不同值时,对应幅频特性如图7所示,随着kr增大,衰减有功二倍频能力越强,但同时也会增大对系统其他频率段的影响,有功功率环传递函数零极点分布如图8所示,系统闭环极点均在s平面左半部分,系统稳定,综合考虑系统运行性能取kr=2。

图7

图7   有功功率环传递函数Bode图


图8

图8   有功功率环传递函数零极点分布图


5 系统调制策略优化

SVM是CSR最常用的调制方法,六扇区调制的开关状态与电流矢量如表3所示,其中I1~I6称为有效电流矢量,I7~I9称为零电流矢量。I由任一扇区两边相邻有效电流矢量和零电流矢量合成,如图9所示。

表3   开关状态与电流矢量

导通开关电流矢量导通开关电流矢量
S1,D1,S2,D2I1S6,D6,S1,D1I6
S2,D2,S3,D3I2S1,D1,S4,D4I0(I7)
S3,D3,S4,D4I3S3,D3,S6,D6I0(I8)
S4,D4,S5,D5I4S5,D5,S2,D2I0(I9)
S5,D5,S6,D6I5

新窗口打开| 下载CSV


图9

图9   6扇区划分与矢量合成


经过功率环控制后,系统有功功率二倍频脉动能得到有效抑制,但不能完全消除,故前文图2中结合系统有源阻尼控制后得到的调制信号idq将出现二倍频脉动。idq变换到iαβ的公式为

iα=idcos(ωt)iqsin(ωt)iβ=idsin(ωt)+iqcos(ωt)

由式(23)可知计算得到的iαiβ中均含有三次谐波,可采用陷波器消除其中的三次谐波。此时陷波器对应分量的取值应为三倍的电网电压基波角频率,即3ω=942 rad/s,其s域传递函数可以表示为

G(s)=s2+9422s2+314K1s+9422

式中,K1为控制器系数。

采用双线性变换法对其进行离散化处理[25],代入系统采样周期T=5×10-5 s,得到

G(s)=4.0022z27.9956z+4.0023(4.0022+0.0314K1)z27.9956z+(4.00230.0314K1)

分析离散域陷波器的频率响应,设定其在3ω,即对应频率为150 Hz的增益小于-100 dB。不同的K1取值时对应的陷波器Bode图如图10所示,可以看到随着K1增大,陷波性能越好,但对应陷波尖峰宽度将增加,对其他频率造成影响。图11为不同的K1取值时阶跃响应,从动态性能分析,过小的K1值也将导致系统动态振荡大,调整时间长。

图10

图10   不同的K1取值陷波器Bode图


图11

图11   不同的K1取值陷波器阶跃响应


因此折中考虑最终确定K1参数为0.7,对应离散域传递函数如式(26)所示,其Bode图如图12所示,150 Hz的增益约为-120 dB,满足性能要求。

G(z)=Y(z)X(z)=0.9946z21.9870z+0.9946z21.9870z+0.9891

图12

图12   陷波器Bode图


为提高运算效率,在试验中应避免除法运算,将式(26)进一步转换为差分方程模式

Y(z)=Y(z)×1.9870z1Y(z)×0.9891z2+X(z)×0.9946X(z)×1.9870z1+X(z)×0.9946z2

进一步可得到差分方程形式的陷波器模型

Y(k)=Y(k1)×1.9870Y(k2)×0.9891+X(k)×0.9946X(k1)×1.9870+X(k2)×0.9946

6 仿真与试验结果分析

6.1 仿真分析

利用Matlab/Simulink搭建三相CSR仿真控制模型,通过波形数据来分析系统的稳动态运行性能。三相电网电压参数为ea=156∠0°,eb=131∠-125°,ec=156∠120°,此时不平衡度为6.3%[26],电压波形如图13所示。仿真参数如表4所示。

图13

图13   三相不平衡电网电压


表4   CSR主要参数

参数数值参数数值
电网频率f/Hz50直流侧电容Cdc/μF100
交流侧电感Lac/mH0.45负载电阻RL5.6
交流侧电容Cac/μF12开关频率fk/kHz20
直流侧电感Ldc/mH5采样频率fc/kHz20

新窗口打开| 下载CSV


利用直流输出电流、开关函数以及电网电压间接计算出αβ坐标下的网侧电流量与直接测量得到的网侧电流如图14所示,可以看到两者相位和幅值拟合度高,验证了间接计算网侧电流理论的正确性。

图14

图14   网侧电流对比结果


当采用方案1传统DPC环路控制时,系统交直流侧仿真波形如图15所示,此时u* o设置为100 V。可以看到系统三相网侧电流不平衡,波形发生明显畸变,三次谐波占比9.21%,总谐波畸变率(Total harmonic distortion,THD)为9.35%,不满足GB/T 14549—1993和IEEE519标准;同时负载电压出现二倍频脉动,有功和无功功率二倍频脉动明显。

图15

图15   方案1仿真结果


图16为采用本文所提方案2改进功率控制策略时的稳态运行仿真结果,三相网侧电流波形畸变得到有效抑制,但幅值仍不相等,系统电网电压、电流同相位运行,说明系统功率因数高,网侧a相电流峰值较不平衡工况下减小约1 A,但有功功率保持在2 kW不变,直流侧负载电压二倍频脉动得到有效抑制;网侧电流三次谐波占比仅为0.06%,THD为1.65%,满足GB/T 14549—1993和IEEE519标准。有功功率二倍频脉动分量得到明显抑制,无功功率仍存在二倍频脉动,与控制目标相符。

图16

图16   方案2仿真结果


当电网电压取值为ea=156∠0°,eb=95∠-120°,ec=156∠120°,不平衡度为15%时,仿真波形如图16e所示,其直流侧低频脉动抑制效果依然良好,网侧电流波形无明显畸变,验证了该控制策略在电网不平衡度较高时也具有良好控制效果,同时也验证了本文所提间接电流计算算法的可行性。

图17为相同仿真参数下电网电压平衡工况时的仿真结果,系统保持单位功率因数运行,同时直流侧电压能稳定跟踪参考值,有功、无功功率稳定,验证了本文提出的改进功率控制策略在电网平衡和不平衡工况下均能保持CSR系统高效稳定运行。

图17

图17   方案2在电网平衡工况下仿真结果


6.2 试验分析

搭建CSR试验平台进行验证,如图18所示。其中功率开关管采用Infineon公司FF100R12RT4,串联二极管采用和IXYS公司MEA75-12DA,DSP控制芯片采用TMS320F28335。运用基于模型的设计方法,通过Matlab/Simulink的自动代码生成技术将控制算法下载至控制板中,实现系统控制运行。

图18

图18   CSR试验平台


三相不平衡电网电压由可编程电源Chroma-61702提供,当采用方案1控制时,系统稳态运行时试验结果如图19所示,可以看到三相网侧电流畸变明显,三次谐波占比达到11.03%,THD为11.20%,与仿真结果基本一致,直流侧负载电压出现明显二倍频波动。

图19

图19   方案1控制CSR试验结果


图20为采用本文所提方案2控制时系统稳态运行的试验结果。可以看到三相网侧电流相较于图19a,波形质量得到明显改善;同时在不同不平衡度工况下,直流侧负载电压能够准确、快速跟踪参考电压值,其二倍频波动均得到较好抑制。系统电网电压和网侧电流均能保持同相位,网侧a相电流峰值较不平衡工况下有所减小,与仿真结果基本一致。电流谐波分析如图20d所示,三次谐波含量小,网侧电流THD为2.80%,满足行业标准,验证了本文所提改进控制策略的有效性和正确性。

图20

图20   方案2CSR试验结果


在直流侧负载给定参考电压保持不变的情况下,负载从5.6 Ω到11.2 Ω阶跃变化获得的电网电压、网侧电流和直流侧负载电压的试验结果如图21所示。网侧电流在突变过程中无明显畸变,直流侧负载电压无二倍频波动,且在负载突变后能在20 ms内完成对给定值的跟踪,试验结果表明本文所提改进直接功率控制策略在不平衡工况下对三相CSR具有良好动态性能。

图21

图21   方案2动态响应试验结果


7 结论

在三相不平衡电网电压工况下,CSR采用传统DPC控制策略时会导致直流侧输出存在二倍低频脉动、网侧电流出现三次谐波。本文提出一种不平衡电网电压下三相电流源型PWM整流器反馈谐振功率控制技术,并引入固定频率陷波器,有效兼顾了系统交直流侧输入输出性能,通过仿真和试验验证,得到如下结论。

(1) 相较于传统DPC控制策略,本文提出的控制策略实现了系统有功功率和直流侧脉动抑制,同时网侧电流波形质量良好,有效改善了CSR在不同电网电压不平衡工况时的运行品质,验证了所提控制策略及参数设计的正确性。

(2) 通过对整流器中波动分量进行直接控制,避免了对电网电压和电流进行正、负序分量的提取,同时利用一种间接计算算法得到控制所需网侧电流,减少了电流传感器。

参考文献

WAI R J, YANG Y.

Design of backstepping direct power control for three-phase PWM rectifier

[J]. IEEE Transactions on Industry Applications, 2019, 55(3):3160-3173.

DOI:10.1109/TIA.28      URL     [本文引用: 1]

孙盼, 孙军, 吴旭升, .

间接矩阵变换器优化SVPWM及其简化的同步控制

[J]. 电工技术学报, 2019, 34(10):2187-2193.

[本文引用: 1]

SUN Pan, SUN Jun, WU Xusheng, et al.

Optimized space vector pulse width modulation and simplified synchronization control of indirect matrix converter

[J]. Transactions of China Electrotechnical Society, 2019, 34(10):2187-2193.

[本文引用: 1]

AFSHARIAN J, XU D, WU B, et al.

A new PWM and commutation scheme for one phase loss operation of three-phase isolated buck matrix-type rectifier

[J]. IEEE Transactions on Power Electronics, 2018, 33(11):9854-9865.

DOI:10.1109/TPEL.63      URL     [本文引用: 1]

GUI Yonghao, LI Mingshen, LU Jinghang, et al.

A voltage modulated DPC approach for three-phase PWM rectifier

[J]. IEEE Transactions on Industrial Electronics, 2018, 65(10):7612-7619.

DOI:10.1109/TIE.2018.2801841      URL     [本文引用: 1]

肖蕙蕙, 魏苏东, 郭强, .

优化开关序列的PWM整流器模型预测控制策略

[J]. 电工技术学报, 2022, 37(14):3665-3675,3700.

[本文引用: 1]

XIAO Huihui, WEI Sudong, GUO Qiang, et al.

Model predictive control strategy for PWM rectifier with optimized switching sequence

[J]. Transactions of China Electrotechnical Society, 2022, 37(14):3665-3675,3700.

[本文引用: 1]

LEI Jiaxing, FENG Shuang, ZHAO Jianfeng, et al.

An improved three-phase buck rectifier topology with reduced voltage stress on transistors

[J]. IEEE Transactions on Power Electronics, 2020, 35(3):2458-2466.

DOI:10.1109/TPEL.63      URL     [本文引用: 1]

CHEN Qiang, XU Jianping, TAO Zhuangyi, et al.

Analysis of sector update delay and its effect on digital control three-phase six-switch buck PFC converters with wide AC input frequency

[J]. IEEE Transactions on Power Electronics, 2021, 36(1):931-946.

DOI:10.1109/TPEL.63      URL     [本文引用: 1]

张榴晨, 吴文晗, 茆美琴.

基于PIR控制器的CSC-DPMSG-WGS低电压穿越控制

[J]. 电力系统自动化, 2017, 41(14):153-158.

[本文引用: 1]

CHANG Liuchen, WU Wenhan, MAO Meiqin.

PIR controller based low ride through control of current source converter based direct-drive PMSG wind generation system

[J]. Automation of Electric Power Systems, 2017, 41(14):153-158.

[本文引用: 1]

XU Fan, GUO Ben, XU Zhuxian, et al.

Paralleled three-phase current-source rectifiers for high-efficiency power supply applications

[J]. IEEE Transactions on Industry Applications, 2015, 51(3):2388-2397.

DOI:10.1109/TIA.2014.2385936      URL     [本文引用: 1]

SINGH A K, JEYASANKARE E, DAS P, et al.

A matrix-based nonisolated three-phase AC-DC rectifier with large step-down voltage gain

[J]. IEEE Transactions on Power Electronics, 2017, 32(6):4796-4811.

DOI:10.1109/TPEL.63      URL     [本文引用: 1]

郭强, 刘和平, 彭东林, .

一种考虑电池自身特性的电流源型充电系统

[J]. 电工技术学报, 2016, 31(16):16-25.

[本文引用: 1]

GUO Qiang, LIU Heping, PENG Donglin, et al.

A current-source charging system considering the characteristics of battery

[J]. Transactions of China Electrotechnical Society, 2016, 31(16):16-25.

[本文引用: 1]

WEI Qiang, WU Bin, XU Dewei, et al.

A new configuration using PWM current source converters in low-voltage turbine-based wind energy conversion systems

[J]. IEEE Journal of Emerging and Selected Topics in Power Electronics, 2018, 6(2):919-929.

DOI:10.1109/JESTPE.2017.2748281      URL     [本文引用: 1]

GNANASAMBANDAM K, EDPUGANTI A, RATHORE A, et al.

Modified synchronous pulse-width modulation of current-fed five-level inverter for solar integration

[J]. IEEE Transactions on Power Electronics, 2017, 32(5):3370-3381.

DOI:10.1109/TPEL.63      URL     [本文引用: 1]

易永仙, 张宇, 李民英, .

电流源型PWM整流器带容性负载的解耦控制方法

[J]. 电工技术学报, 2016, 31(4):95-103.

[本文引用: 2]

YI Yongxian, ZHANG Yu, LI Minying, et al.

Decoupling control method of current source PWM rectifier with capacitive load

[J]. Transactions of China Electrotechnical Society, 2016, 31(4):95-103.

[本文引用: 2]

ZHAO S, MOLINA J M, SILVA M, et al.

Design of energy control method for three-phase buck-type rectifier with very demanding load steps to achieve smooth input currents

[J]. IEEE Transactions on Power Electronics, 2016, 31(4):3217-3226.

DOI:10.1109/TPEL.2015.2446931      URL     [本文引用: 1]

秦海鸿, 张鑫, 朱梓悦, .

电流型PWM整流器叠流时间对网侧电流影响及其抑制方法

[J]. 电工技术学报, 2016, 31(12):142-152.

[本文引用: 1]

QIN Haihong, ZHANG Xin, ZHU Ziyue, et al.

Effect of stack time on grid side current of current mode PWM rectifier and its suppression method

[J]. Transactions of China Electrotechnical Society, 2016, 31(12):142-152.

[本文引用: 1]

LIU Pengcheng, WANG Zheng, XU Yang, et al.

Optimal overlap-time distribution of space vector modulation for current-source rectifier

[J]. IEEE Transactions on Industrial Electronics, 2021, 68(6):4586-4597.

DOI:10.1109/TIE.41      URL     [本文引用: 1]

NGUYEN T L, LEE H H.

Simplified model predictive control for AC/DC matrix converters with active damping function under unbalanced grid voltage

[J]. IEEE Journal of Emerging and Selected Topics in Power Electronics, 2020, 3(8):3907-3917.

[本文引用: 1]

WANG Zheng, WU Bin, XU Dewei, et al.

DC-link current ripple mitigation for current-source grid-connected converters under unbalanced grid conditions

[J]. IEEE Transactions on Industrial Electronics, 2016, 63(8):4967-4977.

DOI:10.1109/TIE.2016.2554080      URL     [本文引用: 1]

VEKHANDE V, KANAKESH V K, FERNANDES B G.

Control of three-phase bidirectional current-source converter to inject balanced three-phase currents under unbalanced grid voltage condition

[J]. IEEE Transactions on Power Electronics, 2016, 31(9):6719-6737.

DOI:10.1109/TPEL.2015.2503352      URL     [本文引用: 1]

CHEN Qiang, XU Jianping, HUANG Rui, et al.

A digital control strategy with simple transfer matrix for three-phase buck rectifier under unbalanced AC input conditions

[J]. IEEE Transactions on Power Electronics, 2021, 36(4):3661-3666.

DOI:10.1109/TPEL.63      URL     [本文引用: 1]

GUO Xiaoqiang, YANG Yong, ZHANG Xue.

Advanced control of grid-connected current source converter under unbalanced grid voltage conditions

[J]. IEEE Transactions on Industrial Electronics, 2018, 65(12):9225-9233.

DOI:10.1109/TIE.41      URL     [本文引用: 1]

NGUYEN T L, LEE H H.

An enhanced control strategy for AC-DC matrix converters under unbalanced grid voltage

[J]. IEEE Transactions on Industrial Electronics, 2020, 3(67):1717-1728.

[本文引用: 1]

郭旭刚, 高增伟, 尹靖元, .

不平衡电网电压下的PWM整流器功率预测

[J]. 电网技术, 2013, 37(8):2362-2367.

[本文引用: 1]

GUO Xugang, GAO Zengwei, YIN Jingyuan, et al.

PWM rectifier power prediction under unbalanced grid voltage

[J]. Power System Technology, 2013, 37(8):2362-2367.

[本文引用: 1]

李醒飞, 郑安琪, 拓卫晓, .

宽频惯性基准谐振抑制陷波器参数优化方法

[J]. 天津大学学报, 2021, 54(8):852-860.

[本文引用: 1]

LI Xingfei, ZHENG Anqi, TUO Weixiao, et al.

Parameter optimization method of broadband inertial reference resonance suppression notch filter

[J]. Journal of Tianjin University, 2021, 54(8):852-860.

[本文引用: 1]

中华人民共和国国家质量监督检验检疫总局, 中国国家标准化管理委员会. GB/T 15543—2008 电能质量三相电压不平衡[S]. 北京: 中国标准出版社, 2009.

[本文引用: 1]

General Administration of Quality Supervision, Inspection and Quarantine of the People’s Republic of China, Standardization Administration of the People’s Republic of China. GB/T 15543—2008 Power quality:Three-phase voltage unbalance[S]. Beijing: Standards Press of China, 2009.

[本文引用: 1]

/