动态IPT系统并联输出特性分析与均流参数设计方法
Analysis of Parallel Output Characteristics of Dynamic IPT System and Design Method of Current Sharing Parameters
收稿日期: 2022-07-12 修回日期: 2022-09-10
Received: 2022-07-12 Revised: 2022-09-10
作者简介 About authors
朱星宇,男,1997年生,硕士研究生。主要研究方向为无线电能传输技术。E-mail:
陈乾宏,女,1974年生,教授,博士研究生导师。主要研究方向为无线电能传输技术、高频功率变换器和磁集成技术。E-mail:
采用多拾取模块并联输出的动态感应电能传输(Inductive power transfer, IPT)系统提高了系统的功率传输能力,适用于长轨式的发射结构,在大功率场合有着广泛的应用前景。但由于拾取模块间参数的微小差异以及模块的动态运行,实际的应用过程中会出现拾取模块电流分配不平衡的现象,甚至会导致拾取模块过流损坏。从LCC-S的数学模型出发,推导了拾取模块的输出伏安特性与负载分配特性,分析了不同补偿状态下拾取参数对电流分配的影响,并据此提出一种副边失谐补偿的方案。给出了失谐系数的参数设计方法,利用了对副边参数的调节,实现各个模块的近似均流控制。最后,搭建了一台三个拾取模块并联输出的试验样机,应用所提的失谐补偿方法后,模块间最大电流比例由13.02降低到1.3。试验结果与理论分析一致,证明了所提方案的正确性与有效性。
关键词:
The dynamic induction power transfer(IPT) system, with multiple pickup modules parallel output, improves the power transmission capability of the system and is suitable for long rail transmission structures. It has broad application prospects in high-power applications. However, due to the sight differences in parameters between the pickup modules and the dynamic operation of the modules, there may be imbalanced current distribution of the pickup modules in the actual application, which even causes overcurrent damage to the pickup modules. Starting from the mathematical model of LCC-S, the output volt-ampere characteristics and load distribution characteristics of the pickup module are derived, the influence of pickup parameters on current distribution under different compensation states is analyzed, and a secondary side detuning compensation scheme is proposed. A parameter design method for the detuning coefficient is provided, utilizing the adjustment of the secondary side parameters to achieve approximate current sharing control for each module. Finally, an experimental prototype with three pickup modules output in parallel is built. After applying the proposed detuning compensation method, the maximum current ratio between modules is reduced from 13.02 to 1.3. The test results are consistent with theoretical analysis, proving the correctness and effectiveness of the scheme.
Keywords:
本文引用格式
朱星宇, 陈乾宏, 张斌, 刘立东.
ZHU Xingyu, CHEN Qianhong, ZHANG Bin, LIU Lidong.
1 引言
然而在实际情况中,由于器件的加工误差以及拾取模块在沿导轨运行过程中感值等参数的不断变化,导致各拾取模块并联时会出现电流分配不均的现象,严重时甚至会有拾取模块过流的情况。为了解决这个问题,有必要对IPT系统中拾取模块并联输出的均流控制方案进行研究。文献[17]提出了一种IPT原边并联系统,扩大了系统容量,并采用参数配置的方法来抵消逆变桥输出电压不平衡的问题。文献[18]分析了拾取线圈自感参数不一致时电流的不均衡特性,提出了利用相邻拾取线圈之间互感补偿的方法,消除了自感差异的影响,但并未考虑其余参数差异带来的影响。文献[19]从阻抗分配的角度,分析了两并联模块的系统模型,提出了一种用半控整流桥代替不控整流的结构与控制方法,通过改变各个模块的等效阻抗值实现了电流均衡分配。在此基础上,文献[20]又提出了在拾取模块后级添加BUCK和BOOST两种阻抗变换电路,同样可以实现均流的目的。但文献[11-12]没有对多拾取模块的数学模型进行深入分析,所提方法都需要额外电路,控制方式复杂。因此,需要一种简单无源、针对多模块并联输出的均流方法。
本文首先分析了IPT并联输出系统的数学模型,从输出伏安特性和负载分配特性的角度推导了电流分配关系,分析整流管电流出现断续的原因,进而分析了拾取模块参数差异对电流分配的影响。根据数学模型,提出采用副边失谐补偿的方式实现拾取模块并联的近似均流,并给出了失谐参数的设计方法。最后搭建试验平台,验证所提方法的正确性。
2 LCL-S补偿拾取模块并联特性分析
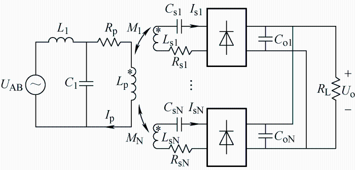
图1为含有N个拾取模块的IPT并联系统的示意图,系统原边包括直流输入、逆变部分,原边补偿网络与原边发射线圈,副边包括多个拾取模块,拾取模块的拾取线圈与原边发射线圈组成了磁耦合机构。
图1
基于原、副边补偿电容不同的连接方式,IPT系统常见的补偿拓扑有SS、SP、PS、PP、LCL等。对于有多个拾取模块的动态IPT系统,为了减少拾取模块间的相互影响,通常会要求原边发射电流恒定,因此本文中采用原边LCL、副边串联的补偿方式。以下讨论LCL-S拓扑并联输出的特性。
由于补偿网络的低通滤波特性,原边发射电流的波形基本为正弦,因此可以采用基波近似分析法来分析电路的相关特性。图2给出了LCL-S补偿下拾取模块并联IPT系统模型。
图2
图2中L1为原边谐振电感,C1为并联谐振电容,Lp为原边发射线圈自感,Rp为发射线圈内阻,M1~MN分别为发射线圈与拾取线圈1~N的互感,Ls1~LsN分别为拾取线圈1~N的自感,Rs1~RsN分别为拾取线圈1~N的内阻,Cs1~CsN分别为拾取线圈1~N的串联补偿电容,Co1~CoN分别为拾取模块1~N的输出滤波电容,N个模块并联输出为负载电阻RL供电,输出直流电压Uo。UAB、Ip和Is1~IsN分别为逆变输出电压基波矢量、原边线圈发射电流矢量和拾取模块1~N的电流矢量。UAB、Ip和Is1~IsN分别为上述电压和电流矢量的有效值。
2.1 LCL-S多模块并联解耦模型
根据LCL补偿网络的谐振条件,L1和C1满足
图3
式中,Ip仅与输入电压、频率和谐振电感有关,与负载大小无关,因此原边发射电流恒定。
为了便于分析,对拾取模块进行简化。拾取线圈的正弦交流感应电压,经过补偿网络、整流桥和滤波电容后为负载供电,当滤波电压足够大,输出电压Uo视为恒定值。由于是并联输出,各个模块等效分配的负载电阻和总负载关系为
在基波等效下,整流桥、滤波电容和负载可以等效为
用Uos1~UosN表示拾取模块1~N的整流输入电压基波矢量,其有效值Uos1~UosN应当满足
式中,Uos为整流桥的基波等效输出电压,定义jXsi为第i个拾取模块的补偿状态
图4给出了IPT系统拾取模块并联解耦简化模型。
图4
2.2 单模块输出特性
拾取模块i的KVL方程如下
根据式(7),可以解出拾取模块i的输出伏安特性表达式为
在输出电压已知的情况下,利用式(8)可以求解出各模块电流值。值得注意的是,当整流桥电流出现断续时,不能应用式(8)来求取各模块内部电流。整流桥电流会出现断续的原因是:每个拾取模块的输入电压为ωMiIp,当并联输出电压超过某个模块的输入电压时,如果继续按照整流桥折合电阻的方法,折合电阻将变成一个电压源,电流反向,如图5所示,相当于负载为发射电流折合的电压源供电。
图5
然而在实际电路中由于整流二极管的单向导电性,并不会出现电流反向的情况。并且由于存在谐波与二极管压降,实际电流波形会在并联输出电压接近模块输入电压时出现断续,如图6所示。
图6
出现电流断续模块的电流值比正常输出下的电流要小很多,导致该模块处于“空闲”状态,限制了总体的功率容量。因此为了让所有拾取模块都可以正常输出,对输出电压应该有一个最大幅值限制
2.3 多模块负载分配特性
第2.2节给出了拾取模块的单个输出伏安特性,本节从多模块并联负载分配的角度出发,推导各模块间电流分配特性。
为了便于分析,将式(3)、式(4)改写成电导的形式
结合式(8),对于拾取模块i有
观察式(10)可以发现,只要求出Gei或者Uos,就可以解出模块电流Isi。分别对双拾取模块与多拾取模块两种情况进行讨论。
(1) 双拾取模块。假设拾取模块分别为模块1和模块2。根据式(5),两个拾取模块基波输出电压有效值相等和式(10)的第三个方程,可以解出
其中
双拾取模块并联的IPT系统可以直接根据式(12)解出两个模块分配的电导,进而求出等效输出电压Uos和各模块电流Isi。
(2) 多拾取模块。根据式(10),可以得到
结合式(14)与式(11)的第一个方程可以求解出基波等效输出电压Uos与各模块分到的电导Gei,进而求出各模块电流。
3 失谐补偿均流方法
3.1 参数差异的电流分配特性
由式(8)可以发现,电流分配与拾取模块的互感、补偿状态以及拾取线圈内阻有关。由于制作时的加工误差以及拾取模块的动态运行,拾取模块的互感、自感与线圈内阻等参数会产生一定的差异,因此这里假定标准拾取模块参数,如表1所示。
为了研究在不同补偿状态下拾取模块电流分配特性,根据副边补偿状态,定义拾取模块失谐系数λ为
当副边完全补偿时,失谐系数λ=1。拾取模块的失谐系数会影响到原边输入阻抗的相角,图7给出了输入阻抗角随失谐系数变化关系曲线。为了让逆变桥开关管实现零电压开通(Zero voltage switch,ZVS),原边输入阻抗应当为感性,即相角大于0,因此需要保证失谐系数λ<1。
图7
考虑拾取模块i的互感与标准拾取模块的互感有±10%的差异,其余参数与标准拾取模块相同。根据式(8)计算可得,在不同的失谐系数λ下,拾取模块i的电流Isi与标准模块电流Is0的比例随着互感比变化关系如图8所示。
图8
观察图8可以发现,电流随着互感的增大而增大;失谐系数λ越接近1,即副边越接近全补偿,电流比例对互感变化越敏感。
考虑拾取模块i的自感与标准拾取模块的自感有±10%的差异,其余参数与标准拾取模块相同。在不同的失谐系数λ下,拾取模块i的电流与标准模块电流比例随着自感变化关系如图9所示。
图9
观察图9可以发现,当失谐系数λ>0.9时,副边自感在10%的变化范围内可能与副边补偿电容完全谐振,此时模块电流达到极值,远远超过标准模块电流电流大小,因此在设计时要避免这种情况发生;当失谐系数λ<0.9时,电流随着自感的增大而减少,失谐系数λ越低,电流比例对自感变化越不敏感。
考虑拾取模块i的线圈内阻与标准拾取模块的内阻有±10%的差异,其余参数与标准拾取模块相同。在不同的失谐系数λ下,拾取模块i的电流与标准模块电流比例随着内阻变化关系如图10所示。
图10
根据前面的分析,观察图10可以发现,电流随着内阻的增大而减少;失谐系数λ越小,电流比例对内阻变化的敏感性越低。
现在按照调谐的设计方法设计副边补偿电容时,拾取模块的电流对拾取模块参数差异相当敏感;失谐系数越低,电流的敏感程度也会越低。因此可让拾取模块在一定失谐条件下工作,控制拾取模块电流的变动范围,从而达到电流近似平均分配的效果。
3.2 失谐系数设计
假定拾取模块三个参数互感、自感和内阻都会有±10%的偏差范围,为避免第2.1节中所提的副边完全谐振的情况发生,失谐系数应当小于0.9,此时模块电流与互感呈正相关,与自感和内阻呈负相关,因此拾取模块i电流取到最大值Ismax的极限条件为
拾取模块j电流取到最小值Ismin的极限条件是
根据式(8)计算得到最大和最小电流比随失谐系数的变化关系,如图11所示。
图11
如果设定允许的模块电流范围为[0.6Is0, 2Is0],图11中分别对应失谐系数λi和λj。由于过低的失谐系数会导致无功功率增加,从而需要更大的轨道发射电流来提高功率传输能力,并会对系统效率造成影响,因此最终设计的失谐系数应为
实际拾取模块的三个参数几乎不会同时达到最值电流的极限条件,因此按照这个设计方法可以保证所有拾取模块的电流在设定范围内。
4 试验验证
图12
表2给出了三个拾取模块参数,测试用负载电阻RL=2.5 Ω。
图13为在调谐补偿下,三个拾取模块的电流波形。其中模块1电流有效值Is1=9.53 A,模块2电流有效值Is2=6.8 A,模块3电流有效值Is3=0.732 A。模块间最大电流比为13.02。模块1电流过大,而模块3对输出电流几乎没有贡献,并且出现第2.2节中所提到的电流断续的现象。
图13
对副边三个拾取模块均采用失谐补偿,设计失谐系数λ=0.7。
图14给出了失谐补偿后各模块的电流波形,其中模块1电流有效值Is1=5.35 A,模块2电流有效值Is2=4.92 A,模块3电流有效值Is3=4.08 A。模块间最大电流比例降到1.3,达到了近似均流的控制效果。
图14
5 结论
针对IPT并联输出系统拾取模块间电流不平衡的问题,本文分析了副边的输出伏安特性与负载分配特性,推导了两种已知条件下模块电流分配的计算方法,并提出了一种采用失谐补偿的参数设计方法,实现了模块电流的近似平均分配。得到的结论如下所述。
(1) 并联输出时,拾取模块间参数的微小差异会导致模块电流的不均,并可能出现电流断续的情况。
(2) 模块间的电流比随着副边补偿失谐程度的提高,对参数差异的敏感程度下降。采用失谐补偿的参数设计方法,可以将模块间的电流不平衡度控制在一定范围内,实现了电流的近似平均分配。
参考文献
Inductive power transfer
[J].DOI:10.1109/JPROC.2013.2244536 URL [本文引用: 1]
The inductive power transfer story at the University of Auckland
[J].
电动汽车高效率无线充电技术的研究进展
[J].
Review of the efficient wireless power transmission technique for electric vehicles
[J].
A new concept:Asymmetrical pick-ups for inductively coupled power transfer monorail systems
[J].DOI:10.1109/TMAG.2006.879619 URL [本文引用: 1]
A bipolar pad in a 10-kHz 300-W distributed IPT system for AGV applications
[J].DOI:10.1109/TIE.2013.2281167 URL [本文引用: 1]
Development of 1-MW inductive power transfer system for a high-speed train
[J].DOI:10.1109/TIE.2015.2417122 URL [本文引用: 1]
Modern advances in wireless power transfer systems for roadway powered electric vehicles
[J].DOI:10.1109/TIE.2016.2574993 URL [本文引用: 1]
Design and optimization of circular magnetic structures for lumped inductive power transfer systems
[J].DOI:10.1109/TPEL.2011.2143730 URL [本文引用: 1]
Development of a single-sided flux magnetic coupler for electric vehicle IPT charging systems
[J].DOI:10.1109/TIE.2011.2179274 URL [本文引用: 1]
A three-phase inductive power transfer system for roadway-powered vehicles
[J].DOI:10.1109/TIE.2007.904025 URL [本文引用: 1]
电动汽车动态无线充电关键技术研究进展
[J].
Research progress of key technologies for dynamic wireless charging of electric vehicle
[J].
Interphase mutual inductance in polyphase inductive power transfer systems
[J].DOI:10.1109/TIE.2009.2020076 URL [本文引用: 2]
Multiphase pickups for large lateral tolerance contactless power-transfer systems
[J].DOI:10.1109/TIE.2009.2031184 URL [本文引用: 1]
Practical design considerations for contactless power transfer quadrature pick-ups
[J].DOI:10.1109/TIE.2011.2165461 URL [本文引用: 1]
Magnetic couplers for dynamic IPT systems
[C]//
基于双拾取线圈的感应电能传输系统研究
[J].
Research on inductive power transfer systems with dual pick-up coils
[J].
LCL型感应耦合电能传输并联系统研究
[J].
Research on parallel system of inductively coupled power transfer based on LCL compensation
[J].
感应电能传输系统中多拾取线圈互感补偿方法及输出功率平衡策略
[J].
A method of multiple pickups coil mutual inductance compensation and output power balance in induction power transfer system
[J].
一种感应耦合电能传输系统接收模块并联电流控制策略
[J].
A novel current control strategy of parallel pickup modules in inductively coupled power transfer systems
[J].
A current balance control strategy applied in inductively coupled power transfer system with multiple parallel pickup modules
[J].DOI:10.1109/TVT.2019.2894828 URL [本文引用: 1]
/
| 〈 |
|
〉 |
