四开关Buck-Boost变换器研究综述*
Review Research on the Four-switch Buck-Boost Converter
通讯作者: 汪飞,男,1981年生,博士,教授。主要研究方向为新能源发电与微电网技术。E-mail:f.wang@shu.edu.cn
收稿日期: 2022-07-11 修回日期: 2022-08-30
| 基金资助: |
|
Received: 2022-07-11 Revised: 2022-08-30
作者简介 About authors
任林涛,男,1991年生,博士。主要研究方向为电能质量治理与功率变换器控制。E-mail:
直流微电网因其结构复杂、功能多样,对系统中变换器的性能有较高要求。四开关Buck-Boost变换器具有宽范围电压变换、输入输出同极性、功率双向传输等优势,近年来得到国内外学者的广泛关注,被应用于直流微电网中的新能源发电、储能等单元。通过分析该变换器的工作原理与典型控制策略,对变换器研究中现存关键问题,模式切换与效率优化进行归纳总结。针对模式切换问题,从模式切换时死区机理出发,基于多模式控制策略,分析了模式平滑切换的典型控制方法。针对效率优化问题,归纳了影响变换器效率的关键因素,并从硬开关与软开关两个方面分析阐述了常见的效率优化方法。最后,对四开关Buck-Boost变换器的现有研究工作进行了总结与展望,为该领域的进一步研究和发展提供了理论指导。
关键词:
Due to its complex structure and diverse functions, DC microgrid has higher requirements on the performance of converters in the system. The four-switch Buck-Boost converter has many advantages, such as wide range of voltage conversion, input and output polarity, power bidirectional transmission and so on. Thus, it has been widely concerned in recent years, and has been used in new energy power generation and energy storage unit of DC microgrid. The working principle and typical control strategy of the converter are analyzed and described, the key problems, including the mode switching and the efficiency optimization, are summarized. Specifically, focusing on the problem of mode switching, the dead-zone mechanism is studied, and some typical optimization methods for smooth-mode switching are analyzed based on the multimode control strategy. Then, for the problem of efficiency optimization, the key factors affecting the efficiency of the converter are summarized, and the common efficiency optimization methods are summarized from hard switch and soft switch control. Finally, the main research contents of converters are compared and summarized, which can provide references for the further research and development of this field.
Keywords:
本文引用格式
任林涛, 汪飞, 肖杨婷, 丁峰, 徐慧, 余琛琛.
REN Lintao, WANG Fei, XIAO Yangting, DING Feng, XU Hui, YU Chenchen.
1 引言
图1
需要注意的是,直流微电网中新能源发电单元、储能单元等输出电压具有宽范围,且会随特定工作条件波动的特性。因此,为了保证整个系统的稳定与能量的高效传输,要求与各单元连接的直流变换器具有应对宽范围电压变化的能力[6]。
图2
单模式控制的四开关变换器仅有一种工作模式,即图2中的S1和S4同开同关。双模式控制可根据输入输出电压比调整变换器的工作模式,当输入电压高于输出电压时工作在Buck模式,反之则工作在Boost模式。三模式控制是在双模式控制的模式切换区间增加了一个过渡模式,即Buck/Boost模式。单模式控制实现简单,但效率不高;双模式控制下可大大提升效率,但当输入电压接近输出电压时,模式间切换效果会对系统的稳定性造成影响;三模式控制基于双模式控制,在模式切换处引入过渡模式(Buck/Boost模式),以实现平滑模式切换,但过渡模式通常会带来额外的损耗,且增加了控制复杂度。相较而言,多模式控制实现方式简单,能量传输效率高,因此,四开关Buck-Boost变换器的控制中大多采用此种方法。
本文将结合国内外的相关研究,对四开关Buck-Boost变换器进行全面阐述,结合模式切换优化控制方法和效率优化控制方法分析,归纳总结改善多模式变换器性能、提高变换器效率的常用方法。
在第2节中,简述变换器的基本工作原理和多模式控制,论述不同模式产生原因。第3节中,对模式切换的死区机理进行分析,比较了各种多模式控制策略的特性,并归纳出改善多模式切换时稳态与动态性能的方法。第4节中,分析变换器的效率制约因素,基于硬开关和软开关控制研究降低损耗、提升效率的优化控制方法。最后,第5节总结本文内容,并对四开关Buck-Boost变换器未来的发展趋势进行展望。
2 四开关Buck-Boost变换器
2.1 工作原理
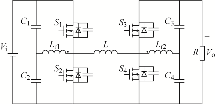
需要说明的是:① 四开关Buck-Boost变换器可控制功率双向流动,每一侧既可作为“输入”,也可作为“输出”,为避免歧义,在本文中,定义左侧为输入侧,右侧为输出侧,输入电压为Vi,输出电压为Vo;② 本文中变换器预期目标为实现输入电压宽范围变化,得到稳定的输出电压。尤其当输入电压范围与输出电压有重叠。
根据电感的伏秒平衡原则,分析变换器输入输出电压关系,可得变换器的电压增益M为
2.2 控制策略
2.2.1 单模式控制
单模式控制,即变换器在整个输入电压范围内只有一种工作模式,S1和S4同开同关,此时d1=d2=D,工作特性如表1所示。
表1 多模式控制工作特性
| 控制 方法 | 工作 模式 | 电压 关系 | d1 | d2 | M |
|---|---|---|---|---|---|
| 单模式 | — | — | D | D | D/(1-D) |
| 双模式 | Buck模式 | Vi >Vo | D1 | 0 | D1 |
| Boost模式 | Vi ≤Vo | 1 | D2 | 1/(1-D2) | |
| 三模式 | Buck模式 | Vi >Vo | D1 | 0 | D1 |
| Buck/Boost模式 | Vi ≈Vo | D1 | D2 | D1/(1-D2) | |
| Boost模式 | Vi <Vo | 1 | D2 | 1/(1-D2) |
单模式控制下,变换器有两种工作模态,其中能量流通过程如图3所示。
图3
单模式方法控制简单,但在任一开关周期内,四个开关管同时动作,开关损耗较大,当输入电压靠近输出电压时,电感电流纹波大,传输效率低。
2.2.2 双模式控制
双模式控制,即根据输入电压和输出电压的比较结果,将变换器的整个工作范围分为两个工作模式,工作特性如表1所示。Boost模式,输入电压不高于输出电压,控制S4,稳态时d2=D2,S1常闭;Buck模式,输入电压高于输出电压,控制S1,稳态时d1=D1,S4常开。
图4
双模式控制下,任一模式只控制单个自由度变化,在开关周期内只有一个开关管动作,相比于单模式控制而言,其开关损耗降低,同时电感电流纹波明显降低,效率大大提升。但在双模式控制中,当输入电压接近输出电压时易出现“模式切换”问题,影响变换器的输出稳定性。
2.2.3 三模式控制
三模式控制,是基于双模式控制对“模式切换”问题的一种经典解决方法,即在模式切换区间,增加一个过渡模式,也可称为Buck/Boost模式。
三模式下工作特性如表1所示。Buck模式和Boost模式下,d1和d2的控制与双模式控制保持一致,Buck/Boost模式下,d1和d2根据新的控制要求,可进行灵活的控制,稳态时d1=D1,d2=D2。
Buck/Boost模式的加入,可有效缓解模式切换时带来的不良影响,实际切换效果取决于具体控制策略。Buck/Boost模式内四个开关管同时动作,开关损耗增加,根据文献[8]中的分析,整个工作范围内,Buck/Boost工作模式内效率明显下降,削弱了变换器的整体工作效率。
综上分析可见,平滑模式切换控制与最佳效率优化控制,对提高变换器的整体性能具有十分重要的意义。下文将对这两个方面的控制方法展开具体论述。
3 模式切换控制研究
3.1 模式切换的死区机理
表2 双模式控制工作特性
| 理想u | 实际u | 电压 关系 | 工作 状态 | M |
|---|---|---|---|---|
| 0<u<1 | D1min≤u<D1max | Vi >Vo | Buck 模式 | u |
| u=1 | D1max≤u≤1+D2min | Vi ≈Vo | 模式 切换 | 1 |
| 1<u<2 | 1+D2min<u≤1+D2max | Vi <Vo | Boost 模式 | 1/(2-u) |
图5
d1特性曲线和d2特性曲线发生占空比的突变,使得理想情况下连续过渡的直流增益特性曲线,在实际情况中,出现死区临界点断续,即输出电压发生跃变。同时,“直通状态”下,输出电压随着输入电压波动,谐波含量较高。
综上所述,模式切换时产生死区,直流增益出现断续现象,影响到变换器的输出稳定性,也削弱了变换器的动态性能。
为了解决模式切换问题,针对死区内占空比不连续以及直流增益断续的情况,较为普遍的解决方案是引入新的模式,研究多模式控制策略,实现死区内有效控制,进而消除死区。现有的研究中,实现平滑模式切换,主要集中在输出特性的补偿,兼顾变换器动态性能的提升。
四开关Buck-Boost变换器的整体控制结构如图2所示,主要包含“多模式控制策略”、“模式选择”、“PWM调制”及“控制器”四个环节。“多模式控制策略”是实现平滑模式切换的具体手段,其主要通过双自由度轨迹的合理设计,直接解决“模式切换问题”带来的不良影响;“模式选择”是实现多模式控制的前提,其通过精准且快速的模式选择大大提高了四开关变换器的控制性能与可靠性;“PWM调制”是实现多模式自动切换的另一种途径,通过重新设置调制信号或载波来实现多模式控制,减少了模式识别环节;“控制器设计”主要通过线性或非线性控制器的设计,满足不同工作模式下的控制性能需求,加快模式切换时的系统动态响应。下文将对各个环节的设计过程进行分析,围绕模式切换优化控制展开论述。
3.2 多模式控制策略研究
多模式控制策略强调对应模式的设计,通过控制d1和d2,补偿直流增益特性,稳定输出电压,实现模式间平滑过渡[28]。具体模式设计过程围绕“占空比重叠与钳位”思想展开。
图6
在此区域内,d1和d2独立控制,因该区域内工作模式不满足Buck模式和Boost模式工作特性,相当于新工作模式,即Buck/Boost模式。此方法可消除“直通状态”,但从图6b可看出,直流增益临界点断续依旧存在,输出电压存在跃升。同时分析电路实际工作情况,可发现由于d2特性曲线向左平移,在u∈[D1max,1]时,变换器已经提前进入Boost模式,与实际电压关系不符合,使得变换器无法正常工作。
图7
为了不损坏正常工作区间的转换效率,同时消除“死区”,文献[28]结合“占空比重叠与钳位”思想,提出在“重叠”边界处引入滞环,进行滞环控制,边界跃升虽有所改善但依旧存在。
在文献[32]中,直接将死区内占空比钳位在最大值,避免其进入死区,但这种方法存在着同样的问题,即削弱了变换器的转换效率。
图8
为了实现整个工作空间内变换器的平滑“模式切换”,在三模式的基础上,通过进一步将“死区”划分为两个子模式[34],学者们提出四模式控制策略。
图9
表3 四模式控制工作原理
| 工作模式 | 实际u | d1 | d2 | M |
|---|---|---|---|---|
| Buck模式 | D1min≤u<D1max | D1 | 0 | D1 |
| Buck/Boost-1模式 | D1max≤u<1 | D1 | D2min | D1/(1-D2min) |
| Buck/Boost-2模式 | 1≤u≤1+D2min | D1max | D2 | D1max/(1-D2) |
| Boost模式 | 1+D2min<u≤1+D2max | 1 | D2 | 1/(1-D2) |
图10
根据式(1)中直流增益与占空比的关系,引入一个新的占空比量,开关管S3的控制占空比d0,设d0=D0,此时的电压增益M=D1/D0,为图10中有效区域α内任一过零点的直线斜率。
总结而言,多模式控制策略实现变换器整个工作范围内占空比连续控制,补偿“死区”内变换器的直流增益特性,稳定输出电压,实现平滑“模式切换”。值得注意的是,不同模式内运行轨迹以及模式切换边界的选取都应该结合实际,同时在选取具体多模式控制策略时,进行综合考虑。
3.3 模式选择研究
对工作模式进行精确且同步的判断,是变换器高效工作的前提。传统模式判断方法,通过直接比较输入电压与输出电压,选择工作模式,忽略变换器的通态压降Vp。当输入电压与输出电压有大的差值时,可忽略Vp的影响,但当输入电压与输出电压接近时,Vp的存在容易造成模式的误切换;同时,模式切换时,输出电压不稳,导致模式频繁切换;为了实现精准“模式切换”控制,对模式识别环节有以下改进方法。
3.4 PWM调制研究
图11
常见的改进PWM调制方式有两种,分别为单调制信号-双载波控制与双调制信号-单载波控制调制[47]。需要说明的是,改进PWM调制方法,适用于控制器仅有一个控制信号输出的场景,即多种工作模式由单个控制环路控制。
图12
图13
模式自动切换方法减少了模式识别环节,有利于变换器功率密度的提高。通过重新设置调制信号与载波的电压偏置值,实现模式自动切换。对双模式而言,即保证在任何时刻都只有一个调制信号与载波相交,实现仅有单个控制单元动作,死区仍存在;对三模式而言,基于双模式控制,增加一个Buck/Boost模式,即增加一段时间周期内,两个调制信号与同一个载波相交,或同一个调制信号与两个不同载波相交,控制变换器两个单元同时动作,需要注意合理选取电压偏置值,过小会导致模式频繁切换,过大会导致开关损耗增加。
3.5 多模式控制器设计
为了实现模式间平滑切换,提高变换器的整体性能,控制器环节的设计需要进行全面考虑。四开关Buck-Boost变换器有多种工作模式,对于此类多模式变换器,常基于线性控制方法,设计多模式控制器,即根据实际需求,建立不同模式的补偿环路,虽然能实现预期的控制目标,但存在控制结构复杂、动态性能不足等问题;近年来,具有良好暂态特性的非线性控制方法,在多模式变换器中逐渐得到了应用。下文将基于线性控制方法和非线性控制方法,对变换器的控制器环节进行阐述分析。
3.5.1 线性控制
四开关Buck-Boost变换器的控制器研究中,早期的研究强调输出电压控制,常使用单电压控制器,配合多模式控制策略或改进PWM调制,实现变换器的控制目标,但单电压环控制动态性能不足,同时,由于不同模式的传递函数特性不同,若共用一个控制器,在保证系统充分稳定的前提下将牺牲变换器的动态响应速度。针对单电压环控制存在的种种问题,基于线性控制方法,学者们进行了控制器的改进研究。
图14
(2) 前馈控制。前馈控制可以很好地抑制甚至消除扰动量对控制量的影响,为了提高变换器的输入暂态响应能力,可在变换器的控制环路中加入输入电压前馈控制[49]。此外,为了补偿模式切换时断续的电感电流,可进行电感电流线性前馈控制。
常见的输入电压前馈控制技术有如下几种。
图15
2) 快速占空比计算[50]。基于输入电压幅值实时计算出变换器的占空比,但变换器的占空比与输入电压间的关系呈非线性,使得实际实现较为困难。
(3) 自适应控制。上述的控制器设计,不同模式采用同一个控制环路。对多模式变换器而言,不同模式的传递函数特性不同,为了提高整个工作空间内变换器的性能,使用自适应控制器,实现对变换器的稳态和动态性能的提高。
图16
图17
图18
3.5.2 非线性控制
模式切换时,变换器自身的非线性特性、PWM调制的非线性等因素的共同作用,使得变换器切换性能受影响,为实现变换器整体性能的优化,引入非线性控制思想,进行控制器设计[52]。多模式变换器中常见的非线性控制方法有以下几种。
图19
图20
上述方法皆能简化控制结构,使变换器具有良好的暂态性能,同时提高系统的可靠性,但计算资源需求较大,滑动面方程与预测模型需要合理设计。
(3) 非线性模型方法。四开关Buck-Boost变换器的研究中较为普遍地使用小信号模型设计控制器,但采用小信号建模对多模式变换器控制进行设计存在一定局限性。小信号模型只能反映工作点附近的动态特性,基于选定的工作模式和稳态点,保证控制的稳定性。但在多模式变换器中,由于不同模式的电路工作特性存在差异,针对某个稳定点设计的控制器,不能满足整个工作区域的动态需求。因此,可引入非线性模型方法设计控制环路。
图21
图22
图23
表4 模式切换优化控制对比分析
| 控制方法 | 优点 | 不足 | 参考文献 | ||||
|---|---|---|---|---|---|---|---|
| 线 性 控 制 | 电压型控制 | 输出电压单环控制 | 控制方式简单,操作容易 | 动态性能不足 | [26] | ||
| 电流型控制 | 平均电感电流双环控制 | 动态响应速度提高 | 操作复杂,成本增加 | [48] | |||
| 前馈 控制 | 输入 电压 前馈 | 动态载波生产 | 输入暂态响应能力提高 | 实现方式复杂 | [16] | ||
| 输入电压前馈函数 | 实现方式简单 | 多模式控制理论分析不足 | [49] | ||||
| 快速占空比计算 | 实时跟踪输入电压变化,提高响应精度 | 对计算资源有一定要求 | [50] | ||||
| 电感电流前馈 | 补偿模式切换电感电流,实现平滑过渡 | 成本增加,建模复杂 | [51] | ||||
| 自适应控制 | 模式占空比补偿控制 | 分模式补偿,控制精度提高 | 补偿器设计复杂 | [47] | |||
| 级联多模式控制 | 分多种模式设计控制器,控制精度提高 | 环节冗余 | [41] | ||||
| 非 线 性 控 制 | 滑模控制 | 系统稳定性和动态响应较优 | 滑动面方程设计复杂 | [53] | |||
| 模型预测控制 | 简化控制结构,具有良好的暂态响应能力 | 成本函数需要合理选取 | [55] | ||||
| 非线性模型设计 | 基于反馈线性化的 非线性控制 | 面对扰动因素,快速响应 | 建模过程依赖对无源器件的精准控制 | [57] | |||
| 电感电流非线性 前馈控制 | 扩宽变换器稳定工作范围, 提高变换器工作的稳定性 | 设计环节计算复杂 | [42] | ||||
| 大信号建模 | 统一模式 控制 | 进行模式的实时选择,暂态响应能力较优 | 模型的建立需要理论支撑 | [59] | |||
| 无扰切换 控制 | [41] | ||||||
| 动态模式 选择 | [61] | ||||||
4 效率优化研究
在四开关Buck-Boost变换器的研究中,效率问题制约着变换器往更高功率密度、更高精度、更高频率的方向发展。相较于其他典型非隔离DC-DC变换器,四开关Buck-Boost变换器的开关管数量明显增加,具有更大的效率损失。由此,“效率优化”成为变换器的另一个研究重点。
为了提高变换器的能量传输效率,在现有的优化方式中,可总结出两类效率优化方法,即基于硬开关的效率优化方法和基于软开关的效率优化方法。在具体分析优化方法之前,先对四开关Buck-Boost变换器的损耗分析进行归纳,从而找到实现效率优化的控制对象。
4.1 损耗分析
制约四开关Buck-Boost变换器效率提升的关键,主要有以下两个方面。
(1) 变换器能量通路。在变换器中,向负载提供能量的方式有两种:一为直接功率传输,由输入直接供能给负载;二为间接功率传输,由储能元件间接供能给负载。
理论上,直接功率传输比重越大,变换器能量传输效率越高。双模式控制相较于单模式控制,效率明显提高的主要原因之一是增加了直接功率传输比重。因此,为了优化效率,需要适当提高直接功率传输比重。
(2) 变换器损耗。分析四开关Buck-Boost变换器的主要损耗有导通损耗和开关损耗。前者为电感电流流经开关器件与电感元件造成的能量损耗,与电感电流平均值相关;后者则与电感电流的有效值有关,同时受开关频率的影响。
由损耗分析可知,变换器损耗与电感电流和开关频率直接相关,可通过减小电感电流来降低导通损耗和开关损耗,通过直接降低开关频率或使用软开关降低开关损耗,实现效率优化目的。
4.2 基于硬开关的效率优化
基于硬开关的效率优化方法,结合多模式控制策略实现。常采用的优化方法围绕三个方面展开:增加直接功率传输比重;减小电感电流;减小开关频率。
图24
“双沿调制”也可用在Buck/Boost模式中,作为PWM调制方式,减小Buck/Boost模式下的电感电流纹波。
图25
综合分析,控制电感电流进行效率优化的方法适用性更强,应用更为广泛。
4.3 基于软开关的效率优化
基于多模式控制的硬开关控制方式,很难适用于功率密度和效率指标要求越来越高的场合应用。为了获得更高的效率和频率,大量学者对四开关Buck-Boost变换器的软开关控制进行了研究。
图26
另一种通过四边形电感电流控制实现[66],不需要附加支部或耦合元件,因此在变换器研究中更为常见。下文对此类软开关实现方法展开详细论述。
分析变换器的工作原理,当其工作在双模式控制下,当电感电流续流至反向时,可以实现S1和S4零电压导通。为了实现所有开关管的零电压导通,引入统一的四边形电感电流控制,其关键是控制电感电流在每个开关周期的开始和结束阶段为负值。
图27
四边形电感电流控制,将电感电流波形分成四段,控制其在开关周期的开始和结束阶段产生反向电流,同时通过对电感电流具体形状的构建,可以实现电感电流有效值的优化。依据图27e分析电感电流的构建过程,根据选取的不同控制量可有两种实现方法。
(1) d1、d2、
图28
建立了最小电感电流有效值的数学公式模型,通过选择四个模态的最佳控制时间,使得电感电流有效值最小[67]。通过多维查找表的方式实现,需要不断采集输入电压与输出电压的实际值进行计算,计算资源占用过大。
四边形电感电流控制实现软开关的关键是产生负值电感电流,实现所有开关管的零电压导通,降低开关损耗,但负值电感电流出现时电感电流不连续,变换器导通损耗增加。因此,在使用上述方法的过程中,需要综合考量不同损耗的影响。
综上所述,将常见效率优化方法归纳于表5中,具体可分为硬开关和软开关控制技术,在高频场合下,软开关控制可以较好地保证功率传输效率,但若使用四边形电感控制法,需要构建复杂的电感电流模型以及选取合适的判据,控制复杂度大大增加,而低频下硬开关效率优化方法对效率的提升效果有限,应根据具体应用场合进行控制方法的选取。
表5 效率优化主要控制方法分析
5 总结与展望
5.1 总结
四开关Buck-Boost变换器,由于其输入与输出同极性、器件电压电流应力小、宽范围升降压变换等优点,被广泛应用于直流微电网中。本文对四开关Buck-Boost变换器的研究现状进行了全面梳理,分析了其基本工作原理。此外,基于机理分析对变换器研究中的两个主要问题,即“模式切换”和“效率优化”,进行了详细阐述。具体结论如下所述。
(1) 四开关Buck-Boost变换器控制。变换器因其结构特性,具有多个控制自由度,出于对效率和变换器性能的综合考虑,其一般研究重点围绕控制自由度的简化展开,并提出了区分模式的控制方法。从表6中对比分析可知,对模式切换问题和效率问题,多模式控制策略的选取需要进行综合考虑,从而确定最为合适的控制策略。
表6 多种模式控制策略对比
| 工作模式 | 优点 | 不足 |
|---|---|---|
| 单模式 | 控制简单,实现方便 | 效率低,转换效率受限 |
| 双模式 | 效率高 | 存在模式切换问题 |
| 三模式 | 模式间平滑切换 | 效率受限 |
| 四模式 | 模式间平滑切换,效率提升 | 控制复杂 |
(2) 模式切换控制。模式切换时会导致“死区”的产生,基于“占空比重叠与钳位”的思想,对“死区”进行补偿,恢复占空比和直流增益特性的连续性,同时通过对各个控制环节的设计,使变换器的整体性提高。
(3) 效率优化控制。变换器的效率优化主要是围绕增加直接功率传输比重、实现电感电流最优控制展开。前者控制的关键在于单元占空比之间的配合,后者控制的关键在于对电感电流波形的塑造,并将电感电流作为控制量,以提高变换器效率。
5.2 展望
为了实现四开关变换器在整个工作范围内的最佳性能,可对模式切换时的动态性能展开研究,不局限于将输出特性作为衡量标准,而是进行新的判据选择;由于变换器拥有多个控制自由度,可对其进行灵活控制,并研究动态模式控制,进一步提高其自适应性;多模式控制策略,容易造成控制环节的冗余,可将多种模式或其边界进行柔化研究,实现柔性模式控制;同时可对检测手段进行进一步优化,以便实现变换器更为实时与智能的控制。
参考文献
微电网运行控制技术要点及展望
[J].
Key points and prospect of microgrid operation and control technologies
[J].
分布式电源接入直流微电网的研究综述
[J].
Overview of research on DC micro-grid for distributed power access
[J].
低压直流供电系统研究综述
[J].
A review of low voltage DC power distribution system
[J].
DC microgrids—Part II:A review of power architectures,applications,and standardization issues
[J].DOI:10.1109/TPEL.2015.2464277 URL [本文引用: 1]
A photovoltaic generation system based on wide voltage-gain DC-DC converter and differential power processors for DC microgrids
[J].In this paper, a photovoltaic(PV) generation system based on front-stage differential power processors(DPP) and BACK-stage centralized wide voltage-gain converter is proposed. The resonant switched capacitor(ReSC) converter, which features high power density and high efficiency, is employed as the differential power processor and aims at processing the differential power among series-connected PV modules, avoiding the great power loss caused by power mismatch of PV modules. The ReSC converter in PV system can operate in equalization mode or MPPT mode and both modes are researched. The BACK-stage DC-DC converter is implemented as the dual- phase-shift controlled full-bridge converter(DPS-FBC). It has high conversion efficiency and wide voltage gain, suitable for PV generation applications. The current source control for grid-connected mode and the voltage source control for islanding mode are developed for DPS-FBC. Therefore, for the whole system with front and BACK stage converters, the dual-mode control strategy is proposed. When the system is connected to the grid, DPS-FBC operates as the current source for global MPPT for PV modules while ReSC converters operate in maximum power point tracking(MPPT) mode for local MPPT. When the system operates in an island, DPS-FBC works as the voltage source for constant output voltage control and ReSC converters work in equalization mode. The mode switch is based on the voltage of output DC bus. Simulations and experiments verify the feasibility of the proposed PV generation system and the effectiveness of the proposed control algorithm
Topology-transition control for wide-input-voltage-range efficiency improvement and fast current regulation in automotive LED applications
[J].DOI:10.1109/TIE.2017.2686304 URL [本文引用: 1]
20 kW water-cooled prototype of a buck-boost bidirectional DC-DC converter topology for electrical vehicle motor drives
[C]//
一种新颖的四开关Buck-Boost变换器
[J].
A novel four switch Buck-Boost converter
[J].
Four switch buck-boost converter for photovoltaic DC-DC power applications
[C]//
Performance analysis of bidirectional DC-DC converters for electric vehicles
[J].DOI:10.1109/TIA.2015.2388862 URL [本文引用: 1]
A multi-mode four-switch buck-boost DC/DC converter
[C]//
High-efficiency bidirectional buck-boost converter for photovoltaic and energy storage systems in a smart grid
[J].DOI:10.1109/TPEL.63 URL [本文引用: 1]
新一代低压直流供用电系统在“新基建”中的应用技术分析及发展展望
[J].
Application and development prospect of new generation of LVDC supply and utilization system in “new infrastructure”
[J].
A novel low-loss modulation strategy for high-power bi-directional buck+boost converters
[C]//
Modeling and controller design of an autonomous PV module for DMPPT PV systems
[J].DOI:10.1109/TPEL.2013.2287752 URL [本文引用: 2]
Hybrid buck-boost feedforward and reduced average inductor current techniques in fast line transient and high-efficiency buck-boost converter
[J].DOI:10.1109/TPEL.2009.2031803 URL [本文引用: 5]
两开关伪连续导电模式Buck-Boost功率因数校正变换器
[J].
Two-switch pseudo continuous conduction mode Buck-Boost power factor correction converter
[J].
A high-efficiency positive buck-boost converter with mode-select circuit and feed-forward techniques
[J].DOI:10.1109/TPEL.2012.2223718 URL [本文引用: 1]
Three-mode dual-frequency two-edge modulation scheme for four-switch buck-boost converter
[J].DOI:10.1109/TPEL.2008.2005578 URL [本文引用: 1]
A low voltage,dynamic,noninverting,synchronous buck-boost converter for portable applications
[J].DOI:10.1109/TPEL.2003.823196 URL [本文引用: 2]
用于光伏并网的交错型双管Buck-Boost变换器
[J].
An interleaving double-switch buck-boost converter for PV grid-connected inverter
[J].
A noninverting buck-boost converter with reduced components using a microcontroller
[C]//
A high efficiency,noninverting,buck-boost DC-DC converter
[C]//
Analysis of PWM nonlinearity in non-inverting buck-boost power converters
[C]//
双沿调制的四开关Buck-Boost 变换器
[J].
Dual edge modulated four-switch Buck-Boost converter
[J].
Smooth transition and ripple reduction in 4-switch non-inverting buck-boost power converter for WCDMA RF power amplifier
[C]//
消除非反向Buck-Boost变换器运行死区的充放电控制策略
[J].
Charge and discharge control strategy for eliminating the operational dead zone of noninverting Buck-Boost converter
[J].
Hysteretic transition method for avoiding the dead-zone effect and subharmonics in a noninverting buck-boost converter
[J].DOI:10.1109/TPEL.2014.2333736 URL [本文引用: 2]
An improved single-mode control strategy based on four-switch buck-boost converter
[C]//
A stable mode-transition technique for a digitally controlled non-inverting Buck-Boost DC-DC converter
[J].DOI:10.1109/TIE.2014.2327565 URL [本文引用: 1]
Digital noninverting-Buck-Boost converter with enhanced duty-cycle-overlap control
[J].DOI:10.1109/TCSII.2016.2546881 URL [本文引用: 1]
A nonlinear state machine for dead zone avoidance and mitigation in a synchronous noninverting Buck-Boost converter
[J].DOI:10.1109/TPEL.2012.2198924 URL [本文引用: 1]
Noninverting Buck-Boost DC-DC converter using a duobinary-encoded single-bit a high efficiency modulator
[J].DOI:10.1109/TPEL.63 URL [本文引用: 1]
High efficiency and smooth transition buck-boost converter for extending battery life in portable devices
[C]//
Improved asynchronous voltage regulation strategy of non-inverting Buck-Boost converter for renewable energy integration
[C]//
A simple smooth transition technique for the noninverting Buck-Boost converter
[J].DOI:10.1109/TPEL.2017.2731974 URL [本文引用: 1]
Analysis of the non-inverting buck-boost converter with four-mode control method
[C]//
Systematic derivation of dead-zone elimination strategies for the noninverting synchronous buck-boost converter
[J].DOI:10.1109/TPEL.63 URL [本文引用: 2]
Multimode smooth switching strategy for eliminating the operational dead zone in noninverting buck-boost converter
[J].DOI:10.1109/TPEL.63 URL [本文引用: 2]
Dead-zone free control scheme for H-bridge buck-boost converter
[J].DOI:10.1109/TIA.28 URL [本文引用: 3]
Bumpless transfer of non-inverting buck boost converter among multiple working modes
[C]//
A nonlinear control method for bumpless mode transition in noninverting buck-boost converter
[J].DOI:10.1109/TPEL.63 URL [本文引用: 6]
A noninverting buck-boost converter with state-based current control for Li-ion battery management in mobile applications
[J].DOI:10.1109/TIE.41 URL [本文引用: 1]
98.1%-efficiency hysteretic-current-mode noninverting Buck-Boost DC-DC converter with smooth mode transition
[J].DOI:10.1109/TPEL.2016.2567484 URL [本文引用: 2]
Analysis of dual-carrier modulator for bidirectional noninverting Buck-Boost converter
[J].DOI:10.1109/TPEL.2014.2315993 URL [本文引用: 1]
面向低压直流配电网的双降压/升压型柔性互联开关
[J].
Dual Buck/Boost flexible interconnected switch for low voltage DC distribution network
[J].
A compensation technique for smooth transitions in a noninverting Buck-Boost converter
[J].DOI:10.1109/TPEL.2008.2010044 URL [本文引用: 3]
Design of an average-current-mode noninverting Buck-Boost DC-DC converter with reduced switching and conduction losses
[J].DOI:10.1109/TPEL.2012.2193144 URL [本文引用: 2]
双管Buck-Boost变换器的输入电压前馈控制策略
[J].
An input voltage feedforward control strategy for two-switch Buck-Boost DC-DC converters
[J].
CCM noninverting Buck-Boost converter with fast duty-cycle calculation control for line transient improvement
[J].DOI:10.1109/TPEL.63 URL [本文引用: 2]
基于电感电流反馈的双向DC-DC变换器下垂控制
[J].
Droop control of bi-directional DC-DC converters based on inductive current feedback
[J].
Review on advanced control technologies for bidirectional DC/DC converters in DC microgrids
[J].DOI:10.1109/JESTPE.6245517 URL [本文引用: 1]
Sliding mode control of photovoltaic module integrated buck-boost converters
[C]//
Sliding mode control of a switched reluctance motor drive with four-switch bi-directional DC-DC converter for torque ripple minimization
[C]//
Four-switch buck-boost converter based on model predictive control with smooth mode transition capability
[J].DOI:10.1109/TIE.2020.3028809 URL [本文引用: 4]
四开关Buck-Boost变换器的多模式模型预测控制策略
[J].
Multi-mode model predictive control strategy for the four-switch Buck-Boost converter
[J].
Feedback linearization control in photovoltaic module integrated converters
[J].DOI:10.1109/TPEL.63 URL [本文引用: 2]
Dynamic analysis of multimode buck-boost converter:An LPV system model point of view
[J].DOI:10.1109/TPEL.63 URL [本文引用: 1]
Concept of unified mode control for non-inverting Buck-Boost converter
[C]//
LPV-based cascade control for three mode non-inverting buck-boost converter
[C]//
Breaking performance limit of asynchronous control for non-inverting buck boost converter
[C]//
An enhanced control algorithm for improving the light-load efficiency of noninverting synchronous buck-boost converters
[J].DOI:10.1109/TPEL.2015.2500622 URL [本文引用: 1]
Buck-Boost converter efficiency maximization via a nonlinear digital control mapping for adaptive effective switching frequency
[J].DOI:10.1109/JESTPE.2013.2277852 URL [本文引用: 2]
A soft-switching non-inverting buck-boost converter with efficiency and performance improvement
[J].DOI:10.1109/TPEL.63 URL [本文引用: 2]
Application of soft-switching technology in four switch Buck-Boost circuit
[C]//
A novel low-loss modulation strategy for high-power bidirectional buck+boost converters
[J].DOI:10.1109/TPEL.2009.2015881 URL [本文引用: 2]
A constant frequency ZVS control system for the four-switch buck-boost DC-DC converter with reduced inductor current
[J].DOI:10.1109/TPEL.63 URL [本文引用: 1]
A new modulation strategy for four-switch buck-boost converter with reduced freewheeling current
[C]//
An improved quadrangle control method for four-switch buck-boost converter with reduced loss and decoupling strategy
[J].DOI:10.1109/TPEL.2021.3064074 URL [本文引用: 1]
/
| 〈 |
|
〉 |
