风电并网下储能参与电网一次调频控制策略*
Control Strategy of Energy Storage Participating in Primary Frequency Regulation with Wind Power Integration
收稿日期: 2021-11-25 修回日期: 2022-06-30
| 基金资助: |
|
Received: 2021-11-25 Revised: 2022-06-30
作者简介 About authors
宋兴荣,男,1976年生,硕士,高级工程师。主要研究方向为电力系统及其自动化。E-mail:
熊尚峰,男,1977年生。主要研究方向为大规模储能电站应用及控制。E-mail:
为进一步提高风电并网后电力系统运行的安全稳定性,提出一种针对风电波动性的新型储能参与电网调频控制策略。首先分析电力系统频率恢复不同阶段运行特性,并基于此提出储能参与电网调频的改进虚拟惯性响应和虚拟下垂控制,用于平抑风电并网的波动性;以储能电池剩余电量及负荷扰动量作为双输入,采用模糊控制策略,推导出虚拟下垂系数与双输入之间的平滑曲线关系;利用负荷扰动时的变化率进行负荷预测,预测超短下一时刻的负荷变化情况,计及风电波动功率,优化虚拟惯性控制和虚拟下垂控制的出力系数,以达到最优化调频效果,并提出三项评价指标对控制策略进行评价。最后以某区域电网模型为例,在试验台中进行仿真验证分析。仿真结果显示所提控制策略能够有效改善风电并网波动性带来的电网扰动,且对维持储能电池SOC(State of charge)具有积极意义。
关键词:
In order to further improve the security and stability of power system operation after wind power grid connected, a new strategy of energy storage participating in power grid frequency modulation control is proposed. Firstly, the operation characteristics of power system in different stages of frequency recovery are analyzed. Based on this, the improved virtual inertia response and virtual droop control of energy storage participating in power grid frequency regulation are proposed to stabilize the fluctuation of wind power grid connection. Taking the remaining energy of energy storage battery and load disturbance as double input, the smooth curve relationship between virtual droop coefficient and double input is derived by using fuzzy control strategy. Using the change rate of load disturbance to predict the load change in the next ultra short time, considering the fluctuation power of wind power, the output coefficient of virtual inertia control and virtual droop control is optimized to achieve the optimal frequency modulation effect. Three evaluation indexes are proposed to evaluate the control strategy. Finally, taking a regional power grid model as an example, the simulation verification analysis is carried out in the test bench. The simulation results show that the proposed control strategy can effectively improve the grid disturbance caused by the fluctuation of wind power integration, and has positive significance for maintaining the state of charge(SOC) of energy storage battery.
Keywords:
本文引用格式
宋兴荣, 熊尚峰, 王德顺, 李理, 胡安平, 陶以彬.
SONG Xingrong, XIONG Shangfeng, WANG Deshun, LI Li, HU Anping, TAO Yibin.
1 引言
关于储能参与一次调频,已有许多学者对此开展了研究。文献[5]从机理上对电力系统的惯性响应和下垂响应分析,利用电磁功率和机械功率的关系推导出了频率偏差和频率偏差变化率的关系及其影响因素。文献[6]分析同步发电机的工作特性,将储能视为虚拟同步发电机以模拟电力系统运行,提高系统的安全运行特性。文献[7]分析传统火电机组的惯性响应和下垂控制,提出电力系统中可采用虚拟惯性控制和虚拟下垂控制,并对其可行性和有效性做出评估。文献[8]中的储能电池模拟同步机的惯性,有效地抑制了扰动引起的频率偏差变化率。储能的荷电状态(State of charge, SOC)代表了储能系统剩余能量的百分比,能够反映出储能系统当前的调频能力。最初的储能电池参与调频未考虑储能荷电状态在内,电池往往会被破坏,使用寿命较短。随后考虑储能SOC的控制策略日渐增多,不过仍以快速响应调频为目的,在系统稳定时刻考虑对储能电池充电,少有对储能SOC有具体的恢复控制策略,文献[9]提出了考虑储能SOC的一般调频控制策略模型。文献[10]提出考虑SOC储能的自适应控制策略,兼顾储能出力及SOC的变化。同时,维持储能SOC在合适的范围内,是有效利用储能电池参与调频的关键,也是延长储能电池寿命的关键因素。考虑到储能电池的容量有限,其SOC状态密切影响着调频效果和电池使用寿命,充分利用一定量的SOC达到最好的调频效果,显得尤为重要。传统储能调频仅仅考虑到储能与SOC的关系,来确定出力情况,鲜有考虑频率偏差的恶化情况对于出力系数的影响。
根据以上分析,考虑恒风速和湍流风速两种不同运行条件,本文采用新型控制策略。依据储能特性设置人工死区,依据负荷扰动变化率对负荷进行超短时预判。以电力系统调频过程为基础,计及风电并网波动功率,综合采用虚拟惯性控制和虚拟下垂控制,优化各自分配系数,确定出力组合。最后以某区域电网为算例,在恒风速和湍流风速两种运行工况下对所提控制策略的有效性进行了仿真验证。
2 含风储的区域电网调频特性分析
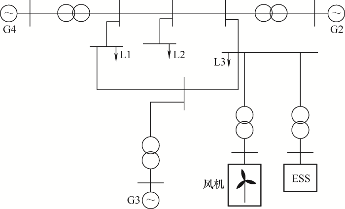
图1为风储并网拓扑图及电力系统调频过程中的三大部分,在t0~t1时间内,频率偏差变化率逐渐减小,而频率偏差逐渐增大至最大值;在t1~t2时间内,频率偏差值渐渐恢复,但与频率基准值仍有差距;在t2~t3时间内,频率偏差值继续恢复,且恢复速度较快,直至频率恢复至基准值。
图1
考虑到风电波动性的出力特征、储能电池的容量有限、其SOC状态密切影响着调频效果和电池使用寿命,充分利用一定量的SOC达到最好的调频效果,显得尤为重要。本文将储能与电网的调频死区分离,设置储能的死区为某一适当值,对负荷扰动进行预判。计及风电机组,采用虚拟惯性控制为主,虚拟下垂控制为辅的策略改善频率偏差的变化率,抑制频率偏差跌出电网调频死区。
2.1 电力系统一次调频控制策略
2.1.1 虚拟惯性控制
虚拟惯性控制通过模拟同步发电机的惯性响应特性,给出适当的虚拟惯性系数,提高系统的动态稳定性,响应公式为
式中,ΔP1为虚拟惯性控制出力;M1为其出力系数;TJ为同步发电机的惯性时间常数;Δσ(t)为频率偏差变化率。显然,由式(1)的第三个公式可得出,当虚拟惯性出力一定时,M1越大,则系统对频率偏差变化率的包容性越高。
2.1.2 虚拟下垂控制
下垂响应是发电机组在惯性响应后,对电网频率变化所产生的自动调节特性,即为电网的一次调频特性。其做功出力为
式中,ΔP2为虚拟下垂控制出力;Kl为出力系数;Ka为储能电池参与调频阶段的出力系数;Ks为储能电池恢复阶段的出力系数;Δf为系统频率偏差。
用储能SOC和负荷扰动ΔPL作为模糊控制器的输入,虚拟下垂系数K为模糊控制器的输出。在将储能电池SOC作为模糊控制器的输入量时,可将SOC在0.15~0.95设为正常值,低于0.15或高于0.95为储能电池的非正常运行状态。依据此限定范围,控制经验,计及负荷扰动情况,可得其模糊均集为设置为{NB,NS,ZO,PS,PB},代表{负大、负小、零、正小、正大},而作为虚拟下垂系数K,由输入量和制定的模糊控制规则表的输出量共同决定,其模糊集为{NB,NS,ZO,PS,PB},代表{负大、负小、零、正小、正大},如表1所示。
图2是依据面积中心(重心)法对输出的模糊集合清晰化。
图2
2.2 SOC恢复控制策略
储能电池的SOC恢复分为以下两种情况,正常SOC恢复状况和非正常SOC恢复状况。
在正常恢复状况时,有以下四种工作模态。
(1) 若Δf >0且SOC<0.5,以较大功率对储能电池进行充电,帮助电网恢复频率偏差。
(2) 若Δf <0且SOC>0.5,以较大功率对储能电池进行充放电,帮助电网恢复频率偏差。
(3) 若Δf >0但SOC>0.5,储能SOC恢复需求较小,不需要过大的恢复功率支撑,以保护储能电池使用寿命,为保证电网频率有效下调,令储能以某一较小值充电。
(4) 若Δf <0但SOC<0.5,储能SOC恢复需求较大,且电网无额外功率输送,为保证频率不跌出死区,令储能以某一较小值放电。
如图3所示,根据以上Δf和SOC相互之间的四种工作模态可选取如下函数定量的描述Δf、SOC和储能自恢复功率之间的函数关系,其中M为调节因子。
图3
在非正常运行状态,即频率与SOC极端恶化的情况下(Δf > 0,SOC > 0.85;Δf < 0,SOC < 0.15),应充分利用现有条件及实际的符合扰动需求,对储能自恢复的功率系数给予新一轮的抑制,防止其过放或过充。因此,可得出在极端情况下储能自恢复功率的关系式如下[13]
综合以上正常状态的四种工作模态与非正常状态储能自恢复的功率关系式,结合两种状态下的储能SOC和负荷扰动变化,对储能自恢复功率进行修正,可得出如下关系式
3 一次调频的控制策略及评价指标
本文结合储能电池容量限制、物理化学特性、风电机组波动性等,对储能参与调频时设置新的人工死区fd为电网调频死区界限[14]。
这样既能避免储能电池因小干扰而频繁误动作,又能尽可能在频率偏差跌出电网调频死区前,利用储能电池的快速响应特性先行调节频率变化率。
如图4所示,若已知当前电力系统的负荷扰动的值PL (t > 0)及其变化率λ的大小和方向(λ的计算,依据t0-~t0时刻PL变化率求解),则可以在短时间
式中,λ(t)为t时刻的负荷扰动变化率;
图4
依据负荷扰动的变化情况对电池储能参与调频的两种方式进行工作模态划分,充分配置虚拟惯性控制和虚拟下垂控制的出力系数,优化两者的组合达到最优调频效果。当PL的值较小或不够大,而λ(t)的值较大时,电池储能应该以虚拟惯性控制为主,以抑制λ(t)的进一步扩大为首要目的;当PL的值较大而λ(t)较小或不够大时,以虚拟下垂控制为主,快速恢复频率偏差值至死区为首要目的。本文综合考虑风电波动性及储能出力的各方面限制条件,设置虚拟惯性和下垂的出力系数如下
式中,n为配置系数的适应因子,一般可取值为10。
图5为本文考虑风电功率后,储能系统参与辅助电网一次调频控制策略流程图。
图5
4 算例分析
图6
图7
表2 系统参数
| 参数 | 数值 |
|---|---|
| 等效惯性时间常数HS/s | 8 |
| 等效阻尼系数Ds | 1 |
| 机械功率增益系数Km | 0.95 |
| 等效高压缸的工作比例FH | 0.3 |
| 等效载荷时间常数TR/s | 8 |
| 调速器调节系数R | 0.05 |
4.1 9 m/s恒风速风电机组运行工况
图8
在第5 s负荷扰动增加时,储能电池开始参与电网调频,对外放电,释放有功输出。如图9所示,与传统方法相比,本文协调控制策略的储能电池放电状态更加良好,在放电时能够更为平滑出力,放电时间较长,更好地保护储能电池,延长使用寿命。从储能电池的出力曲线图可以看出,本文的协调控制策略对调频系统的出力更加平滑持久,快速响应的能力更强,能对负荷扰动瞬间做出快速瞬时响应,并以较大功率出力,表明本文协调控制策略的优越性。
图9
图9c为风电机组的出力曲线图,可以看出在本文的协调控制策略下,风机出力更加平滑,且波动性较小,对风力机的保护更好,表明本文协调控制策略的优越性。
4.2 湍流风速风电机组运行工况
以平均风速为6 m/s的湍流风速为例。若系统无储能参与一次调频,在频率响应的变化过程中,频率偏差变化率恶化情况严重,频率跌落速度较快,偏差值较大。如图10所示,在一般的定K法中,频率响应曲线有了明显的改善,频率偏差最大值与无储能状态有较大改善,频率跌落速度减缓,但是与本文策略相比还是有明显差距。在本文的协调控制策略下,频率偏差值范围较小,恢复时间较短频率响应曲线具有明显改善。
图10
与定K法和变K法相比,本文协调控制策略的储能电池放电状态更加良好。如图11所示,在放电时能够更为平滑出力,放电时间较长,更好地保护储能电池使用寿命。由储能电池的出力曲线图可以看出,本文的协调控制策略对调频系统的出力更加平滑持久,快速响应的能力更强,能对负荷扰动瞬间做出快速瞬时响应,并以较大功率出力,表明本文协调控制策略的优越性。由风电机组的出力曲线图可以看出,在本文的协调控制策略下,风机出力更加平滑,且波动性较小,对风力机的保护更好,表明本文协调控制策略的优越性。
图11
5 结论
本文利用模糊控制策略,充分优化虚拟下垂系数,保证其充放电功率适于储能电池实际情况。利用负荷扰动及负荷扰动变化率优化虚拟惯性控制和虚拟下垂控制功率分配系数,综合两者优劣势,寻求出能参与调频的最优组合。对恒风速和湍流风速两种运行工况建立模型,并通过算法验证,可得出以下结论。
(1) 本文将储能调频死区与电网调频死区分离,在设置储能的调频死区为一定值,可有效减少电网参与调频时常规机组的不必要动作次数。储能电池以虚拟惯性控制为主参与到电网调频,为电网一次调频赢得更多时间,充分发挥储能有限的SOC预调节作用,抑制频率偏差跌出电网调频死区。
王德顺考虑风电波动性的储能参与电网一次调频控制策略
(2) 通过模糊控制储能参与调频的虚拟下垂系数,使其在调节时能够平滑出力,依据储能电池的实际情况综合调频,不仅能够保证充放电功率符合调频需求,也充分防止了电池的过充过放,延长使用寿命。
(3) 利用负荷扰动及其变化率,预测负荷变化情况,为优化虚拟惯性控制和虚拟下垂控制的组合作判断,综合研判频率偏差变化率及频率偏差实际情况,达到最优组合出力。
参考文献
储能技术融合分布式可再生能源的现状及发展趋势
[J].
Current situation and development trend of energy storage technology integrating distributed renewable energy
[J].
大容量先进飞轮储能电源技术发展状况
[J].
Development status of large capacity advanced flywheel energy storage power supply
[J].
考虑风电并网系统的储能优化配置
[J].
Considering the optimal allocation of energy storage for wind power grid connected system
[J].
风氢耦合系统协同控制发电策略研究
[J].
Research on power generation strategy of wind-hydrogen coupling system
[J].
大电网中虚拟同步发电机惯量支撑功率与一次调频功能定位辨析
[J].
Analysis of inertia support power and primary frequency modulation function of virtual synchronous generator in large power grid
[J].
电池储能电源参与电网一次调频的自适应控制策略
[J].
Adaptive control strategy of battery energy storage power participating in primary frequency modulation of power grid
[J].
基于模糊控制和SOC自恢复储能参与二次调频控制策略
[J].
Based on fuzzy control and SOC self-recovery energy storage participating in secondary frequency modulation control strategy
[J].
储能电池参与电网调频的自适应控制策略
[J].
Adaptive control strategy for energy storage battery participating in power grid frequency modulation
[J].
储能电池参与一次调频的综合控制方法
[J].
Integrated control method of energy storage battery participating in primary frequency modulation
[J].
通用储能系统数学模型及其PSASP建模研究
[J].
Research on mathematical model and PSASP modeling of General energy storage system
[J].
考虑倍频特性的调频用储能电池优化配置
[J].
Optimal configuration of energy storage battery for frequency modulation considering frequency doubling characteristic
[J].
考虑混合储能调频死区的自适应下垂控制策略
[J].
Adaptive droop control strategy considering hybrid energy storage frequency modulation dead zone
[J].
面向电网调频应用的电池储能电源仿真模型
[J].
Simulation model of battery energy storage power for power network frequency modulation application
[J].
以净效益最大为目标的储能电池参与二次调频的容量配置方法
[J].
A capacity allocation method for secondary frequency modulation involving energy storage batteries with the goal of maximizing net benefit
[J].
基于动态下垂系数与SOC基点的储能一次调频控制策略
[J].
Energy storage primary frequency modulation control strategy based on dynamic droop coefficient and SOC base point
[J].
混介储能系统平滑风电出力的变分模态分解一模糊控制策略
[J].
Variational modal decomposition and fuzzy control strategy for smooth wind power output of hybrid energy storage system
[J].
考虑储能自适应调节的双馈感应发电机一次调频控制策略
[J].
Primary frequency modulation control strategy of doubly fed induction generator considering adaptive regulation of energy storage
[J].
/
| 〈 |
|
〉 |
